|
| |||||||||||
| Confirmação de não vigência : | |||
| Diplomas relacionados : | |||
| Categorias relacionadas : | |||
| Notas em LegisMac | |||
Confirmação de não vigência: Lei n.º 27/2024
Decreto-Lei n.º 20/96/M
de 22 de Abril
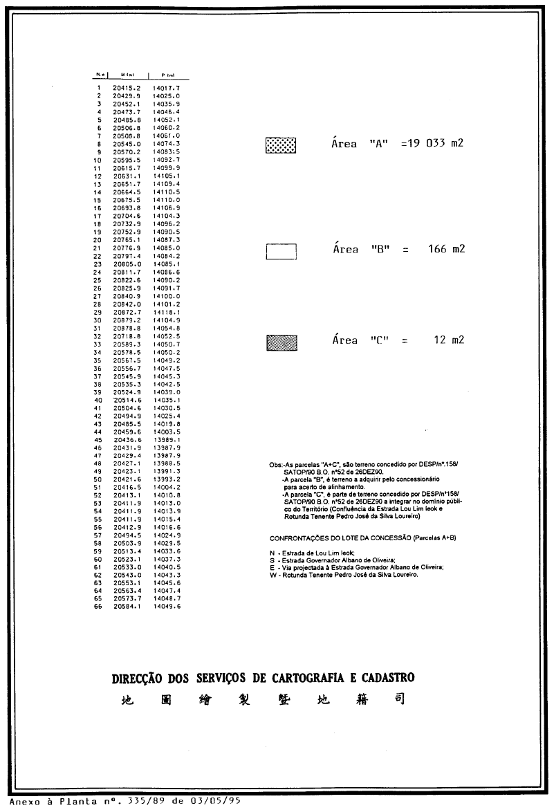
Artigo único. É desafectada do domínio público, ao abrigo do disposto no artigo 4.º da Lei n.º 6/80/M, de 5 de Julho, e integrada no domínio privado do Território, como terreno vago, a parcela de terreno com a área global de 166 (cento e sessenta e seis) metros quadrados, assinalada com a letra "B" na planta n.º 335/89, emitida em 3 de Maio de 1995, pela Direcção dos Serviços de Cartografia e Cadastro, anexa a este diploma e do qual faz parte integrante.





