法規:

第20/96/M號法令

公報編號:

17/1996

刊登日期:

1996.4.22

版數:

923

  • 解除一幅位於氹仔柯維納馬路之地段之公產性質,且視作無主土地歸併為本地區之私產。
不生效 :
  • 第27/2024號法律 - 一九九四年至一九九九年公佈的若干法律及法令的適應化及整合。
  •  
    相關法規 :
  • 第6/80/M號法律 - 核准土地法--與本法律之規定有抵觸之一般性及特定法律概予撤銷。
  •  
    相關類別 :
  • 土地工務局 -
  •  
    《LegisMac》的法例註釋

    《公報》原始 PDF 版本

    本法規已被 第27/2024號法律 確認為不生效

    第20/96/M號法令

    四月二十二日

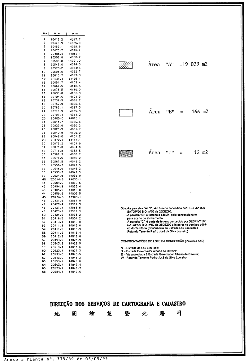
    獨一條——根據七月五日第6/80/M號法律第四條之規定,解除面積為一百六十六平方米之地段之公產性質,且視作無主土地歸併為本地區之私產。該幅地段在地圖繪製暨地籍司於一九九五年五月三日發出之第335/89號地籍圖內以字母“B”標明,而該地籍圖附於本法規並成為其組成部分。

       

    請使用Adobe Reader 7.0或以上閱讀PDF版本檔案。
    Get Adobe Reader