[ Página Anterior ] [ Versão Chinesa ]
Convenção Internacional para Salvaguarda da Vida Humana no Mar, de 1974 (SOLAS 74/78)
CAPÍTULO VI
Transporte de grão
PARTE A
Condições gerais
Regra 1
Aplicação
Salvo indicação em contrário, o presente capítulo que inclui as partes A, B e C, aplica-se ao transporte de grão em todos os navios sujeitos às regras da presente Convenção.
Regra 2
Definições
a) O termo "grão" compreende o trigo, o milho, a aveia, o centeio, a cevada, o arroz, as leguminosas, sementes e preparados cujo comportamento seja semelhante ao do grão no seu estado natural.
b) O termo "compartimento cheio" diz respeito a qualquer compartimento no qual, depois do carregamento e estiva, tal como estabelecido na regra 3, o grão a granel fique a um nível o mais elevado possível.
c) O termo "compartimento parcialmente cheio" refere-se a qualquer compartimento em que o grão a granel não se encontra carregado da maneira prescrita no parágrafo b) da presente regra.
d) O termo "ângulo de alagamento" (Øf) significa o ângulo de inclinação no qual imergem as aberturas do casco, superstruturas ou casotas do convés que não sejam estanques. Na aplicação desta definição não é necessário ter em conta as pequenas aberturas, através das quais não possa haver alagamento progressivo.
Regra 3
Estiva do grão
Quando se carrega grão num navio devem tomar-se todas as precauções necessárias e razoáveis para impedir o escorregamento da carga e para nivelar todas as superfícies livres do grão.
a) Em qualquer "compartimento cheio" o grão a granel deve ser estivado de modo a encher tanto quanto possível todos os espaços entre os vaus, as amuradas e as extremidades.
b) Após o carregamento, todas as superfícies livres do grão em "compartimentos parcialmente cheios" devem ser bem niveladas.
c) A Administração que emite o documento de autorização pode, segundo a regra 9 do presente capítulo, conceder dispensa da estiva nos casos em que a geometria dos espaços vazios abaixo dos pavimentos que resultem da queda livre do grão num compartimento que podem ser equipados com canais alimentadores, pavimentos perfurados ou outros meios semelhantes seja tida em consideração à sua satisfação no cálculo das alturas dos vazios.
Regra 4
Condições de estabilidade intacta
a) Os cálculos exigidos pela presente regra devem ser baseados na informação de estabilidade, de acordo com a regra 19 do capítulo II-1 ou com as exigências da Administração que emite o documento de autorização, de acordo com a regra 10 do presente capítulo.
b) As características de estabilidade intacta de qualquer navio transportando grão a granel devem mostrar satisfazer, durante toda a viagem, pelo menos os seguintes critérios, depois de ter em conta, conforme exigido na parte B, os momentos de inclinação devidos ao escorregamento do grão:
i) O ângulo de inclinação devido ao escorregamento do grão não deve exceder os 12º, excepto se a Administração, na sua autorização e de acordo com a regra 10 do presente capítulo, exigir um ângulo menor de inclinação, caso considere que a experiência mostra que é necessário (1);
(1) Por exemplo, o ângulo de inclinação admissível pode ser limitado ao ângulo de inclinação em que a água submerge a borda do convés, em mar chão.
ii) No diagrama de estabilidade estática, a área líquida ou residual entre a curva dos braços de inclinação e a curva dos braços de estabilidade até ao ângulo de inclinação que corresponde à diferença máxima entre as ordenadas das duas curvas, ou a 40º, ou ao "ângulo de alagamento" (Øf), o que for menor, deve, em todas as condições de carga, não ser menor do que 0,075 m radianos; e
iii) A altura metacêntrica inicial, depois da correcção devida aos efeitos das superfícies livres dos líquidos nos tanques, não deve ser menor do que 0,30 m.
c) Antes do carregamento do grão a granel o comandante deve, se for exigido pelo Governo Contratante do país do porto de carregamento, demonstrar a possibilidade de o navio, em todas as fases de qualquer viagem, satisfazer os critérios de estabilidade requeridos pelo parágrafo b) da presente regra, usando as informações aprovadas e emitidas segundo as regras 10 e 11 do presente capítulo.
d) Depois do carregamento, o comandante deve assegurar-se de que o navio fica sem inclinação transversal antes de partir para o mar.
Regra 5
Divisórias longitudinais e cavidades ("saucers")
a) Tanto nos "compartimentos completamente cheios" como nos "compartimentos parcialmente cheios" devem ser construídas divisórias longitudinais (meios-fios), tanto para reduzir o efeito desfavorável da inclinação provocada pelo escorregamento do grão como para limitar a altura da carga necessária para segurar a superfície. Estas divisórias devem ser estanques ao grão e construídas de acordo com as disposições da secção I da parte C do presente capítulo.
b) Num "compartimento completamente cheio", todas as divisórias construídas com o objectivo de reduzir os efeitos desfavoráveis do escorregamento do grão devem:
i) Nos compartimentos das cobertas, ir de pavimento a pavimento;
ii) Nos porões, prolongar-se para baixo, desde a face inferior do pavimento ou da tampa da escotilha, como descrito na secção II da parte B do presente capítulo.
Excepto no caso da semente do linho e outras sementes com propriedades análogas, toda a divisória longitudinal situada por baixo de uma escotilha poderá ser substituída por uma cavidade (saucer) formada como descrito na secção I da parte C do presente capítulo.
c) Num "compartimento parcialmente cheio" todas as divisórias (meio-fios) instaladas devem elevar-se acima da superfície da carga do grão a granel em pelo menos um oitavo da largura máxima do compartimento e penetrar de igual valor para baixo da superfície do grão. Quando forem usadas para limitar a altura da carga e destinadas a segurar a superfície do grão, a altura da divisória central deve elevar-se pelo menos a 0,60m do nível da superfície do grão.
d) Além disso, os efeitos desfavoráveis da inclinação devida ao escorregamento do grão podem ser reduzidos, estivando junto ao costado e nas partes extremas do compartimento grão ensacado ou outro tipo de carga fixa adequadamente.
Regra 6
Fixação
a) Salvo se, de acordo com o disposto nas regras, se tenham em conta os efeitos desfavoráveis da inclinação devida ao escorregamento do grão, a superfície do grão a granel em qualquer "compartimento parcialmente cheio" deve ser nivelada e coberta com grão em sacos solidamente estivados com uma altura de, pelo menos, 1 1/6 da largura máxima da superfície livre do grão a granel, ou 1,20 m se esta dimensão for maior. Em lugar do grão ensacado pode ser utilizada outra carga adequada que exerça, pelo menos, a mesma pressão.
b) O grão em sacos, ou outras mercadorias apropriadas, deve ser fixo pelo processo descrito na secção II da parte C do presente capítulo. Alternativamente, a superfície livre do grão a granel também pode ser suportada com correias ou amarras como descrito nessa secção.
Regra 7
Alimentadores e troncos
Se forem instalados alimentadores ou troncos, devem ter-se em conta os seus efeitos no cálculo dos momentos inclinantes, como indica a secção III da parte B do presente capítulo. A resistência das anteparas limites de tais alimentadores deve estar conforme com o disposto na secção I da parte C do presente capítulo.
Regra 8
Carregamento em comum
Os porões e as cobertas acima destes podem ser carregados como um único compartimento, sempre que no cálculo dos momentos inclinantes transversais se tenha em conta a passagem do grão para os espaços inferiores.
Regra 9
Aplicação das partes B e C
A Administração, ou um Governo Contratante agindo em nome da Administração, pode autorizar que não sejam observadas as disposições das partes B e C do presente capítulo, nos casos em que se considere justificado, tendo em conta as disposições relativas à carga ou à distribuição dos elementos estruturais, e à condição de que sejam satisfeitos os critérios de estabilidade do parágrafo b) da regra 4 do presente capítulo. Quando é concedida alguma autorização prevista na presente regra, os pormenores correspondentes devem estar incluídos no documento de autorização ou nos dados da carga de grão a granel.
Regra 10
Autorização
a) A todo o navio carregado de acordo com as regras do presente capítulo ser-lhe-á concedido um documento de autorização pela Administração ou por uma organização por ela reconhecida ou por um Governo Contratante em nome da Administração. Este documento deve ser aceite como prova de que o navio satisfaz as prescrições das presentes regras.
b) Este documento deve acompanhar e referir um caderno de estabilidade para carga de grão e preparado de modo que o comandante possa cumprir as disposições do parágrafo c) da regra 4 do presente capítulo. Este caderno deve satisfazer as disposições da regra 11 do presente capítulo.
c) No citado documento, os dados de estabilidade relativos à carga em grão e os planos correspondentes devem ser redigidos no idioma ou idiomas oficiais do país que o emitiu. Se o idioma utilizado não é o inglês nem o francês, no texto deve figurar uma tradução num destes idiomas.
d) Uma cópia deste documento, dos elementos de estabilidade relativos à carga de grão e os planos correspondentes devem estar a bordo para que o comandante os exiba, caso seja solicitado, para inspecção por parte do Governo Contratante do país do porto de carga.
e) Não se deve proceder à carga do grão em nenhum navio que não possua este documento de autorização até que o comandante prove de modo satisfatório, a contento da Administração ou em nome da mesma, do Governo Contratante do território aonde se encontre o porto de carga, que nas condições de carga propostas o navio cumpre com as prescrições das presentes regras.
Regra 11
Informações sobre o carregamento de grão
Esta informação deve ser suficiente para permitir ao comandante determinar em qualquer condição normal de carga os momentos inclinantes devido ao escorregamento do grão, calculados de acordo com a parte B do presente capítulo. Nela deve figurar o seguinte:
a) Informação aprovada pela Administração ou pelo Governo Contratante em nome da Administração:
i) Curvas ou tabelas dos momentos inclinantes do grão em cada compartimento cheio ou parcialmente cheio, ou combinação deles, incluindo os efeitos de equipamentos provisórios;
ii) Tabelas dos momentos inclinantes máximos admissíveis ou outra informação que baste ao comandante para demonstrar que cumpre com o prescrito no parágrafo c) da regra 4 do presente capítulo;
iii) Detalhes dos escantilhões de quaisquer equipamentos provisórios utilizados e, quando seja preciso, as medidas que se julguem necessárias para cumprir com o prescrito na secção I (E) da parte C do presente capítulo;
iv) Condições típicas de carga à saída do porto e à chegada e, quando seja necessário, condições intermédias de serviço mais desfavoráveis;
v) Um exemplo de cálculo que sirva de modelo ao comandante;
vi) Instruções de carregamento, em forma de observações, que resumam as prescrições do presente capítulo;
b) Informação destinada a ser aceite pela Administração ou pelo Governo Contratante em nome da Administração:
i) Características do navio;
ii) Deslocamento leve e a distância na vertical desde a intersecção da linha base do traçado com a secção mestra até ao centro de gravidade (KG);
iii) Tabela de correcções para superfícies livres;
iv) Capacidades e centros de gravidade.
Regra 12
Equivalências
Quando se aplica uma equivalência aceite pela Administração em conformidade com o disposto na regra 5 do capítulo I da presente Convenção, os pormenores correspondentes devem estar inclusos no documento de autorização ou nos dados relativos à carga de grão.
Regra 13
Isenção para determinadas viagens
A Administração, ou o Governo Contratante em nome da Administração, pode, quando entender que o carácter abrigado e as condições de viagem são tais que a aplicação de qualquer das disposições das regras 3 a 12 do presente capítulo não é razoável nem necessária, dispensar dessas disposições particulares certos navios ou classes de navios.
PARTE B
Cálculo dos momentos inclinantes supostos
Secção I - Descrição dos vazios supostos e método de cálculo da estabilidade intacta.
Secção lI - Momento volumétrico inclinante suposto de um compartimento completamente cheio.
Secção III - Momento volumétrico inclinante suposto de alimentadores e troncos.
Secção IV - Momento volumétrico e inclinante suposto de compartimentos parcialmente cheios.
Secção V - Condições de carga alternativas para navios existentes.
SECÇÃO I
Descrição dos vazios supostos e método do cálculo da estabilidade intacta
A) Generalidades
a) Com o propósito de calcular o momento inclinante desfavorável devido ao escorregamento da superfície da carga em navios que transportem grão a granel, admitem-se as seguintes hipóteses:
i) Nos "compartimentos completamente cheios" que tenham sido estivados de acordo com o disposto na regra 3 do presente capítulo, por baixo de todas as superfícies limitadoras que tenham uma inclinação, em relação à horizontal de menos de 30º, existem vazios paralelos à superfície limitadora, com uma altura média calculada de acordo com a fórmula:
Vd = Vd1 + 0. 75 (d - 600) mm;
onde
Vd = altura média do vazio em milímetros;
Vd1 = altura normal do vazio tomada na tabela I, abaixo;
d = altura real do elemento estrutural em milímetros.
Em nenhum caso se deve tomar Vd inferior a 100 mm.
TABELA I
|
Distância desde os extremos ou lados da escotilha ao limite do
compartimento |
Altura normal do vazio Vd1 |
|
0,5 |
570 |
|
1,0 |
530 |
|
1,5 |
500 |
|
2,0 |
480 |
| 2,5 |
450 |
| 3,0 | 440 |
| 3,5 | 430 |
| 4,0 | 430 |
| 4,5 | 430 |
| 5,0 | 430 |
| 5,5 | 450 |
| 6,0 | 470 |
| 6,5 | 490 |
| 7,0 | 520 |
| 7,5 | 550 |
| 8,0 | 590 |
Notas relativas à tabela I:
Para distâncias superiores a 8 m a altura normal do vazio deve ser extrapolada linearmente com um incremento de 80 mm por cada metro de aumento em distância. Quando haja diferença de altura entre as sicordas da escotilha ou seus prolongamentos e os vaus da mesma, deve utilizar-se a maior altura, salvo se:
1) Quando as sicordas da escotilha ou seus prolongamentos são mais baixos que os vaus da mesma, os vazios de ambos os lados da escotilha podem calcular-se utilizando a menor destas alturas;
2) Quando os vaus são mais baixos que as sicordas da escotilha ou seus prolongamentos, os vazios de vante e ré da escotilha que estejam situados entre o prolongamento das sicordas devem calcular-se utilizando a menor das alturas;
3) Quando existe um pavimento a um nível superior fora do lugar onde se encontra situada a escotilha, a altura média do vazio medida desde o lado inferior do pavimento citado deve calcular-se utilizando a altura normal do vazio associada à altura do vau extremo da escotilha mais a altura do pavimento elevado.
ii) Nos "compartimentos completamente cheios" que não são estivados de acordo com a regra 3 do presente capítulo e cujas superfícies limitadoras têm uma inclinação, em relação à horizontal, de menos de 30º, a superfície da carga tem uma inclinação de 30º em relação à horizontal, depois de efectuada a carga;
iii) Nas escotilhas cheias, além de qualquer vazio não coberto existente na tampa das mesmas, existe um vazio de altura média de 150 mm, medida desde a parte mais baixa da dita tampa ou desde a parte mais alta da braçola à superfície do grão, tomando o menor dos valores.
b) O comportamento da superfície do grão que deve ser considerado nos "compartimentos parcialmente cheios" está descrito na secção IV da presente parte.
c) Com o fim de se demonstrar que são cumpridas as condições do critério de estabilidade do parágrafo b) da regra 4 do presente capítulo (veja figura 1), os cálculos de estabilidade do navio devem ser normalmente baseados no pressuposto de que o centro de gravidade da carga num "compartimento completamente cheio" coincide com o centro volumétrico do espaço total de carga. Nos casos em que a Administração autorize a ter em conta o efeito de vazios supostos por baixo da coberta na posição vertical do centro de gravidade da carga, nos "compartimentos completamente cheios", é necessário compensar o efeito desfavorável do assentamento da superfície do grão, aumentando o momento inclinante suposto devido ao escorregamento transversal do grão, do seguinte modo:
Momento inclinante total = 1,06 x momento inclinante transversal calculado.
Em todos os casos, o peso da carga de um "compartimento completamente cheio" deve ser igual ao volume do espaço total de carga dividido pelo factor estiva.

Figura 1
Notas relativas à figura 1:
1) Onde:
| Momento inclinante volumétrico suposto devido a escorregamento transversal |
|
| λ0 = | ——————————————— |
| Factor de estiva x deslocamento |
λ40 = 0.8 x λ0
Factor de estiva = volume por unidade do peso da carga de grão.
Deslocamento = peso do navio, combustível, água potável, provisões, etc., e carga.
2) A curva de braços endireitantes deve ser obtida das carenas inclinadas tomadas em número suficiente para definir com precisão e entre as quais devem ser incluídas as correspondentes a 12º e a 40º.
d) Nos "compartimentos parcialmente cheios" o efeito desfavorável do escorregamento vertical de superfície do grão deve ser calculado tendo em conta o seguinte:
Momento inclinante total = 1,12 x momento inclinante transversal calculado.
e) Pode ser adoptado qualquer outro método de igual efeito para o cálculo das compensações requeridas nos precedentes parágrafos c) e d).
SECÇÃO II
Momento volumétrico inclinante suposto de um compartimento cheio
A) Generalidades
a) O movimento da superfície do grão é função da secção transversal da parte do compartimento considerado e o momento inclinante resultante deve ser multiplicado pelo comprimento para obter o momento total desta parte.
b) O momento inclinante transversal suposto, devido a escorregamento do grão, é uma consequência da forma e posições finais dos vazios, após o grão se ter movido do lado alto para o lado baixo.
c) Supõe-se que a superfície do grão resultante do escorregamento forma um ângulo de 15º com a horizontal.
d) No cálculo da área máxima vazia que pode ser formada contra um elemento da estrutura longitudinal não se tem em conta os efeitos de nenhuma das superfícies horizontais, como, por exemplo, abas ou faces de reforços.
e) As áreas totais dos vazios e finais são iguais.
f) Uma divisão longitudinal descontínua deve ser considerada efectiva em todo o seu comprimento.
B) Hipóteses
Nos parágrafos seguintes supõe-se que o momento inclinante total de um compartimento deve obter-se somando os resultados obtidos ao considerar em separado as seguintes partes:
a) A vante e a ré das escotilhas:
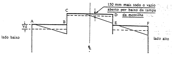
i) Se um compartimento tem duas ou mais escotilhas principais pelas quais pode ser carregado para determinar a altura do vazio situado por baixo da coberta correspondente à parte ou partes que estão compreendidas entre estas escotilhas, deve usar-se a distância para vante e para ré até ao ponto médio entre as escotilhas;
ii) Depois de suposto o escorregamento do grão, o arranjo final do vazio será o que mostra a figura 2.

Figura 2
Notas relativas à figura 2:
(1) Se a área vazia máxima que se pode formar contra o reforço longitudinal em B é menor do que a área inicial do vazio abaixo de AB, isto é, AB x Vd, supõe-se que o excesso de área transita para o vazio final no lado alto.
(2) Se a antepara longitudinal situada em C está instalada de acordo com a alínea ii) do parágrafo b) da regra 5 do presente capítulo, ela deve estender-se pelo menos 0,6 m abaixo de D ou E, consoante o caso que der origem a maior profundidade.
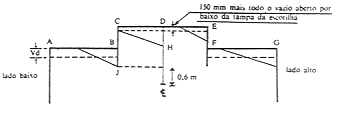
b) Na zona da escotilha e ao nível desta:
Depois de suposto o escorregamento do grão, o arranjo final dos vazios será o que mostram as figuras 3 ou 4.

Figura 3
Notas relativas a figura 3:
(1) AB - Toda a área que excede a que se pode formar contra o reforço longitudinal em B é transferida para a área final vazia que haja na escotilha.
(2) CD - Toda a área que exceda a que se pode formar contra o reforço longitudinal em E é transferida para a área final vazia que haja no lado alto.

Figura 4
Notas relativas à figura 4:
(1) Se a divisória central longitudinal está instalada de acordo com o prescrito na alínea ii) do parágrafo b) da regra 5 do presente capítulo, deve estender-se pelo menos a 0,6 m abaixo de H ou J, consoante o caso que der origem a maior profundidade.
(2) O excesso de área vazia de AB é transferida para a metade do lado baixo da escotilha, no qual duas áreas vazias separadas se formam, ou seja, uma contra a divisória central e outra contra a braçola e reforço longitudinal do lado alto.
(3) Se se forma uma cavidade (saucer) de grão ensacado ou um fardo de grão dentro de uma escotilha, supõe-se, para calcular o momento inclinante transversal, que tal dispositivo é pelo menos equivalente a uma divisória central longitudinal.
C) Compartimentos carregados em comum
Nos parágrafos seguintes é descrito o comportamento dos vazios supostos quando os compartimentos se carregam em comum.
a) Sem divisórias centrais eficazes:
i) Abaixo da coberta superior o comportamento é igual ao de uma coberta única, descrito na secção II (B) da presente parte;
ii) Abaixo da segunda coberta a área de vazio a ser supostamente transferida do lado baixo, isto é, a área vazia inicial menos a área contra a sicorda da escotilha, deve ser feita do seguinte modo:
Uma metade para a escotilha da coberta superior e cada um dos dois quartos restantes para o lado mais alto, debaixo da coberta superior e da segunda coberta, respectivamente;
iii) Abaixo da terceira coberta e inferiores - as áreas de vazio a serem supostamente transferidas do lado baixo de cada uma destas cobertas devem ser feitas em quantidades iguais para todos os vazios debaixo das cobertas, do lado alto, e para o vazio na escotilha da coberta superior.
b) Com divisões centrais eficazes que se estendem até à escotilha da coberta superior:
i) Em todos os níveis das cobertas, de cada lado da divisória, as áreas de vazio disponíveis para serem supostamente transferidas da parte baixa devem ser consideradas transferidas para o vazio situado sob a metade do lado inferior da escotilha da coberta superior;
ii) Ao nível da coberta situada imediatamente abaixo da base da divisória, as áreas de vazio a serem supostamente transferidas do lado baixo devem ser feitas do seguinte modo:
Uma metade para o vazio situado na metade do lado de baixo da escotilha da coberta superior e o resto, em quantidades iguais, para os vazios situados debaixo das cobertas do lado alto;
iii) Ao nível das cobertas inferiores às descritas nas alíneas i) e ii) do presente parágrafo supõe-se que a área de vazio que se pode transferir desde o lado baixo de cada uma das cobertas é feita em quantidades iguais para os vazios situados em cada uma das metades da escotilha da coberta superior e para os vazios situados debaixo das cobertas no lado alto.
c) Com divisões centrais eficazes que não se estendem até à escotilha da coberta superior:
Dado que não se admitem transferências na horizontal de vazios ao mesmo nível da divisória na coberta, supõe-se que a zona de vazio que se pode transferir do lado baixo para este nível deve ser feita transferindo por cima da divisória para os vazios situados nos lados altos, de acordo com os princípios enumerados nos parágrafos a) e b) precedentes.
SECÇÃO III
Momento volumétrico inclinante suposto em alimentadores e troncos
A) Alimentadores laterais convenientemente situados (veja figura 5)
Pode admitir-se que por causa do movimento do navio os vazios situados por baixo da coberta fiquem consideravelmente cheios pelo grão que passa por um par de alimentadores longitudinais, sempre que:
a) Os alimentadores se estendam ao longo de todo o comprimento da coberta e as aberturas praticadas neles estejam convenientemente espaçadas;
b) O volume de cada alimentador seja igual ao volume do espaço vazio situado por baixo da coberta, pelo lado de fora da sicorda da escotilha e seu prolongamento.

B) Troncos situados sobre as escotilhas principais
Depois do admitido escorregamento do grão, a disposição final dos vazios é a que mostra a figura 6.

Figura 6
Nota relativa à figura 6:
Se os espaços laterais que estão na zona do tronco não puderem ser convenientemente estivados de acordo com o prescrito na regra 3 do presente capítulo, admite-se que se produz um escorregamento da superfície de 25º.
SECÇÃO IV
Momento volumétrico inclinante suposto em compartimentos parcialmente cheios
A) Generalidades
Quando a superfície livre do grão a granel não for segura de acordo com os requisitos da regra 6 do presente capítulo, admite-se que esta, depois do escorregamento, forma um ângulo de 25º com a horizontal.
B) Divisórias longitudinais descontínuas
Num compartimento em que as divisórias longitudinais não sejam contínuas entre os limites transversais, o comprimento em que estas divisórias forem capazes de evitar escorregamentos da superfície do grão em toda a largura deve ser considerado igual ao comprimento real da parte da divisória considerada menos dois sétimos da maior das distâncias transversais entre a divisória e a sua divisória adjacente ou o costado do navio.
Esta correcção não é aplicada a compartimentos inferiores, em nenhum caso de carga em comum, em que o compartimento superior seja um "compartimento completamente cheio" ou um "compartimento parcialmente cheio".
SECÇÃO V
Outras condições de carga para navios existentes
A) Generalidades
Um navio carregado de acordo com as subsecções B) ou C) expostas a seguir deve ser considerado como tendo características de estabilidade intacta equivalentes, pelo menos, às prescritas no parágrafo b) da regra 4 do presente capítulo. Os documentos de autorização, necessários para permitir que se efectuem tais cargas devem ser aceites em conformidade com o disposto no parágrafo e) da regra 10 do presente capítulo.
Para efeitos da presente parte o termo "navio existente" designa todo o navio cuja quilha tenha sido assente antes da data de entrada em vigor do presente capítulo.
B) Estiva em navios especialmente apropriados
a) O grão a granel pode ser transportado sem observância das prescrições da parte B do presente capítulo nos navios com duas ou mais divisórias longitudinais verticais ou inclinadas, estanques ao grão, convenientemente dispostas para limitar os efeitos do escorregamento do grão, sob reserva das condições seguintes:
i) Ter o maior número possível de porões e compartimentos cheios e estivados, de modo a não apresentarem vazios;
ii) O navio não adornar mais de 5º em qualquer período da viagem, seja qual for a estiva adoptada quando:
1) Nos porões ou compartimentos estivados de maneira a não apresentarem vazios se der um assentamento de superfície do grão em relação à superfície inicial que pressuponha uma redução de 2% do volume e um escorrimento que origine um ângulo de 12º em relação à dita superfície, sob os elementos que delimitam os porões que tenham uma inclinação inferior a 30º com a horizontal;
2) Nos "porões ou compartimentos parcialmente cheios", a superfície livre do grão assentar e escorregar, como é referido na alínea ii), 1), do presente parágrafo, ou sob um ângulo maior, conforme for julgado necessário pela Administração ou um Governo Contratante agindo em nome da Administração, e as superfícies do grão, sobrepostas conforme a regra 5 do presente capítulo, se inclinarem de um ângulo de 8º em relação às superfícies niveladas iniciais. Para os fins da alínea ii) do presente parágrafo, os meios-fios, se existirem, são considerados como meios de limitação do escorregamento transversal da superfície do grão;
iii) O comandante tiver um plano de carregamento do grão com todas as condições de carga e respectivo caderno de cálculos de estabilidade, ambos aprovados pela Administração ou por um Governo Contratante agindo em nome de uma Administração, indicando as condições de estabilidade em que são baseados os cálculos indicados na alínea ii) do presente parágrafo.
b) A Administração, ou um Governo Contratante agindo em nome da Administração, prescreverá as precauções a tomar para impedir o escorregamento da carga em todas as outras condições de carregamento dos navios construídos de acordo com as disposições do parágrafo a) da subsecção B) da presente secção de modo a satisfazer as condições enunciadas nas alíneas ii) e iii) do mesmo parágrafo.
C) Navios sem documentos de autorização
A todo o navio que não tenha a bordo os documentos de autorização emitidos de acordo com o disposto nas regras 4 e 10 do presente capítulo pode ser permitida a carga de grão a granel se cumprir com o prescrito na subsecção B) da presente secção, ou também se:
a) Todos os "compartimentos cheios" estiverem dotados de divisórias centrais que se estendam por todo o seu comprimento e por baixo, a partir do lado inferior da coberta ou das tampas da escotilha, a uma distância abaixo da linha da coberta igual pelo menos a um oitavo da máxima boca do compartimento ou a 2,4 m, se esta segunda distância for maior, excepto se em lugar de divisória central forem aceites cavidades (saucers) construídas de acordo com o disposto na secção II da parte C, no interior e debaixo de uma escotilha;
b) Todas as escotilhas de acesso a "compartimentos cheios" devem ser fechadas e as tampas fixas no lugar;
c) Nos "compartimentos parcialmente cheios" todas as superfícies livres do grão devem ser niveladas e travadas de acordo com o disposto na secção II da parte C;
d) Durante toda a viagem a altura metacêntrica, depois de corrigida devido aos espelhos líquidos existentes nos tanques, deve ser 0,30 m ou a dada pela fórmula seguinte, se este segundo valor for maior:
|
|||||||
| GMR = | ———————————— | ||||||
|
SF x ∆ x 0,0875 |
onde:
L = comprimento total de todos os compartimentos cheios.
B = boca do navio na ossada.
SF = factor de estiva.
Vd = altura média do vazio calculada de acordo com a alínea i) do parágrafo a) da secção I, A), da presente parte;
∆ = deslocamento.
PARTE C
Dispositivos de travamento para carga de grão e sua fixação
SECÇÃO I
Resistência dos dispositivos de travamento para carga de grão a granel
A) Generalidades (com inclusão de cargas de trabalho).
B) Divisórias com cargas de ambos os lados.
C) Divisórias com carga só de um lado.
D) Cavidades (saucers).
E) Cobertura da carga a granel.
F) Fixação das tampas das escotilhas em compartimentos cheios.
SECÇÃO II
Fixação de carga de grão a granel em compartimentos parcialmente cheios
A) Modalidades de fixação.
B) Modos de sobreposição de carga.
C) Grão ensacado.
SECÇÃO I
Resistência dos dispositivos de travamento para carga de grão a granel
A) Generalidades
a) Madeira:
Toda a madeira utilizada nos dispositivos destinados a travar o grão deve ser de boa qualidade e de um tipo ou classe das que se tenham demonstrado satisfatórias para esse fim. As dimensões reais da madeira devem coincidir com as especificadas na presente parte. Pode usar-se contraplacado semelhante ao utilizado para exteriores, unido com cola impermeável e colocado de modo que a direcção da fibra do lado exterior seja perpendicular aos montantes ou braçadeiras de suporte, sempre que a sua resistência seja equivalente à da madeira de um escantilhão apropriado.
b) Cargas de trabalho:
No dimensionamento das divisões com carga de um só lado, utilizando as tabelas dos parágrafos a) e b) da subsecção C) da presente secção, devem ser adoptadas as seguintes cargas de trabalho:
Divisórias de aço - 2000 kg por centímetro quadrado;
Divisórias de madeira - 160 kg por centímetro quadrado.
c) Outros materiais:
Podem ser adoptados outros materiais, distintos de madeira e de aço, para a construção das divisórias citadas, se se tiver tido em conta as suas propriedades mecânicas.
d) Prumos:
i) A menos que se prevejam meios necessários para impedir que as extremidades dos prumos saiam dos seus suportes, a profundidade do alojamento de cada extremo será pelo menos 75 mm. Se um prumo não estiver fixo no topo, a escora ou o estai mais alto deve ser colocado o mais perto possível deste extremo;
ii) Quando para a junção de tábuas amovíveis há que retirar uma parte da secção transversal de um prumo, os dispositivos previstos para o efeito devem ser tais que o nível de esforços resultante não seja excessivo;
iii) O momento flector máximo a que está submetido um prumo que suporta uma divisória com carga de um só lado é calculado normalmente supondo que os seus extremos estão simplesmente apoiados. Contudo, pode ser aceite uma redução no momento flector máximo resultante do grau de rigidez dos extremos do prumo, sempre que a Administração comprove que o grau de rigidez suposto é igual ao real.
e) Elementos resistentes compostos:
Quando um prumo, uma travessa ou qualquer outro elemento resistente for formado por duas secção distintas, cada uma delas instalada a um dos lados da antepara e ambas interligadas por passadores convenientemente espaçados, o módulo resistente efectivo da secção deve ser tomado como a soma dos dois módulos das ditas secções.
f) Divisórias parciais:
Quando as divisórias não chegam a ter toda a altura dos porões, tanto elas como os seus montantes devem ser espiados ou escorados, de modo que a sua eficácia seja a mesma do que se tivessem toda a altura.
B) Divisórias com carga de ambos os lados
a) Meios-fios:
1) Os meios-fios devem ter uma espessura mínima de 50 mm, mantidos de modo que sejam estanques ao grão e, se for necessário, suportados por montantes:
ii) O máximo vão entre apoios dos meios-fios deve ser o seguinte, em função da espessura:
| Espessura | Máximo vão entre apoios |
| 50 mm | 2,50 m |
| 60 mm | 3,00 m |
| 70 mm | 3,50 m |
| 80 mm | 4,00 m |
Para espessuras maiores que as indicadas, o máximo vão entre apoios varia em proporção directa com o aumento de espessura;
iii) Os extremos de todos os meios-fios devem estar firmemente alojados, com um suporte mínimo de 75 mm de comprimento.
b) Outros materiais:
As divisórias construídas usando outros materiais sem ser madeira devem ter uma resistência equivalente à indicada para os meios-fios no parágrafo a) da presente subsecção.
c) Prumos:
i) Os prumos de aço utilizados para suportar divisórias com carga em ambos os lados devem ter um módulo da secção dado por
W= a x W1
onde:
W= módulo da secção, em centímetros cúbicos;
a = vão na horizontal entre prumos, em metros.
O módulo da secção por metro de vão W1 não deve ser menor do que o dado pela fórmula:
W1 = 14,8 (h1 - 1,2) cm3 por metro
onde:
h1 é o vão vertical em metros e deve ser tomado como a máxima distância entre quaisquer dois estais adjacentes ou entre um estai e qualquer dos extremos do prumo correspondente. Quando esta distância for menor do que 2,40 m, os módulos correspondentes devem ser calculados como se a distância real fosse de 2,40 m;
ii) Os módulos dos prumos de madeira devem ser determinados multiplicando o módulo correspondente ao montante de aço por 12,5. Se outros materiais forem usados, o módulo de cada um destes deve ser pelo menos igual ao do aço, aumentando em proporção à relação existente entre os esforços admissíveis para o aço e para o material empregado. Em cada caso haverá que ter em conta também a rigidez de cada um dos prumos, para garantir que a flexão não seja excessiva;
iii) A distância na horizontal entre prumos deve ser tal que o vão entre os apoios dos meios-fios não exceda o máximo especificado na alínea ii) do parágrafo a) da presente subsecção.
d) Escoras:
i) As escoras de madeira, quando utilizadas, devem ser de uma peça única e devem ser seguramente fixadas em cada extremo, apoiando-se na estrutura permanente do navio e não directamente nas chapas do costado;
ii) Sob reserva com o disposto nas alíneas iii) e iv) do presente parágrafo, as medidas mínimas das escoras de madeira devem ser:
|
Comprimento da escora |
Secção rectangular |
Diâmetro da secção circular (milímetros) |
| Não superior a 3 m | 150 x 100 | 140 |
| Superior a 3 m e não superior a 5 m | 150 x 150 | 165 |
| Superior a 5 m e não superior a 6 m | 150 x 150 | 180 |
| Superior a 6 m e não superior a 7 m | 200 x 150 | 190 |
| Superior a 7 m e não superior a 8 m | 200 x 150 | 200 |
| Superior a 8 m | 200 x 150 | 215 |
As escoras com 7 m ou mais de comprimento devem ser seguramente escoradas a meio comprimento aproximadamente;
iii) Quando a distância na horizontal entre prumos difere significativamente de 4 m, os momentos de inércia das escoras podem ser alterados em proporção directa;
iv) Quando o ângulo formado pela escora com a horizontal exceder 10º, deve ser utilizada a escora com medidas imediatamente superiores às requeridas pela alínea ii) do presente parágrafo, tendo presente que o ângulo formado por qualquer escora com a horizontal não pode exceder 45º.
e) Estais:
Quando se utilizam estais para suportar divisórias com carga em ambos os lados, estes devem ser em cabo de aço, instalados horizontalmente ou na posição mais próxima desta e fixados firmemente pelos seus extremos. Para determinar a dimensão destes cabos supõe-se que a divisória e o prumo suportados pelo estai estão solicitados por uma carga uniforme de 500 kg/m2. A carga de trabalho assim suposta no estai não deve exceder um terço da sua carga de rotura.
C) Divisórias com carga de um só lado
a) Divisórias longitudinais:
A carga em quilogramas por metro de comprimento da divisória é indicada seguidamente:
TABELA I (a)
B (m)
|
h |
2 | 3 | 4 | 5 | 6 | 7 | 8 | 9 |
| 1.5 | 850 |
900 |
1 010 | 1 225 | 1 500 |
1 770 |
2 060 | 2 645 |
| 2.0 | 1 390 | 1 505 | 1 710 | 1 985 | 2 295 |
2 605 |
2 930 | 3 390 |
| 2.5 | 1 985 | 2 160 | 2 430 | 2 740 | 3 090 | 3 435 |
3 800 |
4 535 |
| 3.0 | 2 615 | 2 845 | 3 150 | 3 500 | 3 885 |
4 270 |
4 670 | 5 480 |
| 3.5 | 3 245 | 3 525 | 3 870 | 4 255 | 4 680 | 5 100 | 5 540 | 6 425 |
| 4.0 | 3 890 | 4 210 | 4 590 | 5 015 | 5 475 | 5 935 | 6 410 | 7 370 |
| 4.5 | 4 535 |
4 890 |
5 310 | 5 770 | 6 270 | 6 765 | 7 280 | 8 315 |
| 5.0 | 5 185 | 5 570 | 6 030 | 6 530 | 7 065 | 7 600 | 8 150 | 9 260 |
| 6.0 | 6 475 | 6 935 | 7 470 | 8 045 | 8 655 | 9 265 | 9 890 | 11 150 |
|
7.0 |
7 765 | 8 300 | 8 910 | 9 560 | 10 245 | 10 930 | 11 630 | 13 040 |
| 8.0 | 9 055 | 9 665 | 10 350 | 11 075 | 11 835 | 12 595 | 13 370 | 14 930 |
| 9.0 | 10 345 | 11 030 | 11 790 | 12 590 | 13 425 | 14 260 | 15 110 | 16 820 |
| 10.0 | 11 635 | 12 395 | 13 230 | 14 105 | 15 015 | 15 925 | 16 850 | 18 710 |
|
h = altura do grão, em metros, a partir da base da divisória (b). |
||||||||
|
B = extensão transversal da carga do grão a granel, em metros. |
||||||||
(a) Para converter estas cargas em unidades inglesas (t/pé) considera-se que 1 kg por metro de comprimento equivale a 0,0003 t por pé de comprimento.
(b) Quando a distância entre uma divisória e um alimentador ou uma escotilha for de 1 m ou menos, considera-se que a altura - h - é tomada até ao nível do grão dentro da escotilha ou do alimentador. Nos outros casos, a altura deve ser tomada ate à coberta situada por cima, ao nível da divisória.
Para outros valores de h ou B a carga deve ser determinada por interpolação ou extrapolação linear, conforme necessário.
b) Divisórias transversais:
A carga em quilogramas por metro de comprimento da divisória é indicada seguidamente:
TABELA II (a)
L (m)
| h (m) | 2 | 3 | 4 | 5 | 6 | 7 | 8 | 10 | 12 | 14 | 16 |
| 1.5 | 670 | 690 | 730 | 780 | 835 | 890 | 935 |
1 000 |
1 040 | 1 050 | 1 050 |
| 2.0 | 1 040 | 1 100 | 1 170 | 1 245 | 1 325 | 1 400 | 1 470 | 1 575 | 1 640 |
1 660 |
1 660 |
| 2.5 | 1 460 | 1 565 | 1 675 | 1 780 | 1 880 | 1 980 | 2 075 | 2 210 | 2 285 | 2 305 | 2 305 |
| 3.0 | 1 925 | 2 065 | 2 205 | 2 340 | 2 470 | 2 590 | 2 695 | 2 845 | 2 925 | 2 950 | 2 950 |
| 3.5 | 2 425 | 2 605 | 2 770 | 2 930 | 3 075 | 3 205 | 3 320 | 3 480 | 3 570 | 3 595 | 3 595 |
| 4.0 | 2 950 | 3 160 | 3 355 | 3 535 | 3 690 | 3 830 | 3 950 | 4 120 | 4 210 | 4 235 | 4 240 |
| 4.5 | 3 495 | 3 725 | 3 940 | 4 130 | 4 295 | 4 440 | 4 565 | 4 750 | 4 850 | 4 880 | 4 885 |
| 5.0 | 4 050 | 4 305 | 4 535 | 4 735 | 4 910 | 5 060 | 5 190 | 5 385 | 5 490 | 5 525 | 5 530 |
| 6.0 | 5 175 | 5 465 | 5 720 | 5 945 | 6 135 | 6 300 | 6 445 | 6 655 | 6 775 | 6 815 | 6 825 |
| 7.0 | 6 300 | 6 620 | 6 905 | 7 150 | 7 365 | 7 445 | 7 700 | 7 930 | 8 055 | 8 105 | 8 115 |
| 8.0 | 7 425 | 7 780 | 8 090 | 8 360 | 8 590 | 8 685 | 8 950 | 9 200 | 9 340 | 9 395 | 9 410 |
| 9.0 | 8 550 | 8 935 | 9 275 | 9 565 | 9 820 | 9 930 | 10 205 | 10 475 | 10 620 | 10 685 | 10 705 |
| 10.0 | 9 680 | 10 095 | 10 460 | 10 770 | 11 045 | 11 270 | 11 460 | 11 745 | 11 905 | 11 975 | 11 997 |
| h = altura do grão, em metros, a partir da base da divisória (b). | |||||||||||
| L = extensão longitudinal da carga do grão a granel, em metros. | |||||||||||
a) Para converter estas cargas em unidades inglesas (t/pé) considera-se que 1 kg por metro de comprimento equivale a 0.0003 t por pé de comprimento.
(b) Quando a distância entre uma divisória e um alimentador ou uma escotilha for de 1 m ou menos, considera-se a altura h tomada até ao nível do grão dentro da escotilha ou do alimentador. Nos outros casos a altura deve ser tomada até à coberta situada por cima, ao nível da divisória.
Para outros valores de h ou L a carga deve ser determinada por interpolação ou extrapolação linear, conforme necessário.
c) Distribuição vertical das cargas:
Se for necessário, pode supor-se que a carga total por unidade de comprimento das divisórias, de acordo com as tabelas I e II, tem uma distribuição trapezoidal em função da altura. Nestes casos as reacções nos extremos superior e inferior de um elemento vertical ou prumo não são iguais. A reacção no extremo superior, expressa como percentagem da carga total suportada pelo elemento vertical ou prumo, será a indicada nas tabelas III e IV seguintes:
TABELA III
Divisórias longitudinais com cargo de um só lado
Valores da reacção no extremo superior do prumo em percentagem de carga (tabela I)
B (m)
| h (m) |
2 | 3 | 4 | 5 | 6 | 7 | 8 | 10 |
| 1.5 | 43.3 | 45.1 | 45.9 | 46.2 |
46.2 |
46.2 | 46.2 | 46.2 |
| 2 | 44.5 | 46.7 | 47.6 | 47.8 | 47.8 | 47.8 | 47.8 | 47.8 |
| 2.5 | 45.4 | 47.6 | 48.6 | 48.8 | 48.8 | 48.8 | 48.8 | 48.8 |
| 3 | 46.0 | 48.3 | 49.2 | 49.4 | 49.4 | 49.4 | 49.4 | 49.4 |
| 3.5 | 46.5 | 48.8 | 49.7 | 49.8 | 49.8 | 49.8 | 49.8 | 49.8 |
| 4 | 47.0 | 49.1 | 49.9 | 50.1 | 50.1 | 50.1 | 50.1 | 50.1 |
| 4.5 | 47.4 | 49.4 | 50.1 | 50.2 | 50.2 | 50.2 | 50.2 | 50.2 |
| 5 | 47.7 | 49.4 | 50.1 | 50.2 | 50.2 | 50.2 | 50.2 | 50.2 |
| 6 | 47.9 | 49.5 | 50.1 | 50.2 | 50.2 | 50.2 | 50.2 | 50.2 |
| 7 | 47.9 | 49.5 | 50.1 | 50.2 | 50.2 | 50.2 | 50.2 | 50.2 |
| 8 | 47.9 | 49.5 | 50.1 | 50.2 | 40.2 | 50.2 | 50.2 | 50.2 |
| 9 | 47.9 | 49.5 | 50.1 | 50.2 | 50.2 | 50.2 | 50.2 | 50.2 |
| 10 | 47.9 | 49.5 | 50.1 | 50.2 | 50.2 | 50.2 | 50.2 | 50.2 |
|
B = extensão transversal do grão a granel, em metros. |
||||||||
Para outros valores de h ou B as reacções devem ser determinadas por interpolação ou extrapolação linear, conforme necessário.
TABELA IV
Divisórias transversais carregadas de um só lado
Valores da reacção no extremo superior do prumo como percentagem da carga (tabela II)
L (m)
| h (m) |
2 | 3 | 4 | 5 | 6 | 7 | 8 | 10 | 12 | 14 | 16 |
| 1.5 | 37.3 | 38.7 | 39.7 | 40.6 | 41.4 | 42.1 | 42.6 | 43.6 | 44.3 | 44.8 | 45.0 |
| 2 | 39.6 | 40.6 | 41.4 | 42.1 | 42.7 | 43.1 | 43.6 | 44.3 | 44.7 | 45.0 | 45.2 |
| 2.5 | 41.0 | 41.8 | 42.5 | 43.0 | 43.5 | 43.8 | 44.2 | 44.7 | 45.0 | 45.2 | 45.2 |
| 3 | 42.1 | 42.8 | 43.3 | 43.8 | 44.2 | 44.5 | 44.7 | 45.0 | 45.2 | 45.3 | 45.3 |
| 3.5 | 42.9 | 43.5 | 43.9 | 44.3 | 44.6 | 44.8 | 45.0 | 45.2 | 45.3 | 45.3 | 45.3 |
| 4 | 43.5 | 44.0 | 44.4 | 44.7 | 44.9 | 45.0 | 45.2 | 45.4 | 45.4 | 45.4 | 45.4 |
| 5 | 43.9 | 44.3 | 44.6 | 44.8 | 45.0 | 45.2 | 45.3 | 45.5 | 45.5 | 45.5 | 45.5 |
| 6 | 44.2 | 44.5 | 44.8 | 45.0 | 45.2 | 45.3 | 45.4 | 45.6 | 45.6 | 45.6 | 45.6 |
| 7 | 44.3 | 44.6 | 44.9 | 45.1 | 45.3 | 45.4 | 45.5 | 45.6 | 45.6 | 45.6 | 45.6 |
| 8 | 44.3 | 44.6 | 44.9 | 45.1 | 45.3 | 45.4 | 45.5 | 45.6 | 45.6 | 45.6 | 45.6 |
| 9 | 44.3 | 44.6 | 44.9 | 45.1 | 45.3 | 45.4 | 45.5 | 45.6 | 45.6 | 45.6 | 45.6 |
| 10 | 44.3 | 44.6 | 44.9 | 45.1 | 45.3 | 45.4 | 45.5 | 45.6 | 45.6 | 45.6 | 45.6 |
|
L = extensão longitudinal do grão a granel, em metros. |
|||||||||||
Para outros valores de h e L as reacções devem ser determinadas por interpolação ou extrapolação, conforme necessário.
A resistência das uniões dos extremos destes elementos verticais ou prumos deve ser calculada com base na máxima carga que se admite imposta em cada extremo. Estas cargas são as seguintes:
Divisórias longitudinais:
Carga máxima na parte superior - 50% da carga total correspondente à da tabela I;
Carga máxima na parte inferior - 55% da carga total correspondente à da tabela I.
Divisórias transversais:
Carga máxima da parte superior - 45% da carga total correspondente à da tabela lI;
Carga máxima da parte inferior - 60% da carga total correspondente à da tabela II.
A espessura das tábuas de madeira horizontais podem também ser calculadas considerando uma distribuição vertical das cargas indicadas nas tabelas III e IV, e nestes casos
| p x K | ||
| t = 10a | ———— | |
| h x 213,3 |
onde:
t = espessura das tábuas, em milímetros;
a = vão horizontal da tábua, isto é, distância entre prumos, em metros;
h = altura do grão desde a parte inferior da divisória, em metros;
p = carga total por unidade de comprimento tomada nas tabelas I e II, em quilos;
k = factor dependente da distribuição vertical de carga.
Se se admitir que a distribuição vertical das cargas é uniforme, isto é, rectangular, considera-se K igual a 0,1. Para uma distribuição trapezoidal
K = 1,0 + 0,06 (50 - R)
onde:
R = valor da reacção no extremo superior, tomado das tabelas III e IV.
d) Estais ou escoras:
As dimensões dos estais e das escoras devem ser calculadas de forma que as suas cargas, obtidas nas tabelas I e II, que figuram nos parágrafos precedentes a) e b), não excedam um terço das cargas de rotura.
D) Cavidades ("saucers")
Quando se usa uma cavidade para reduzir o momento inclinante num "compartimento cheio", a sua altura, medida do fundo da cavidade até à linha do pavimento, deve ser como a seguir se especifica:
Para navios com a boca na ossada até 9,1 m, a altura mínima deve ser de 1,2 m;
Para navios com a boca na ossada de 18,3 m, ou superior, a altura mínima deve ser de 1,8 m;
Para navios com a boca na ossada compreendida entre 9,1 m e 18,3 m, a altura mínima da cavidade deve ser calculada por interpolação.
O topo (boca) da cavidade é formado pela estrutura inferior do pavimento, na escotilha, isto é, pelas sicordas ou braçolas e os vaus dos extremos das escotilhas. A cavidade e a escotilha acima devem ser completamente cheias com grão ensacado ou outra carga apropriada assente sobre um tecido resistente de separação ou outro material equivalente e estivada compactamente contra as estruturas adjacentes e vaus desmontáveis, se estes estiverem colocados nos seus lugares.
E) Cobertura da carga a granel
Como alternativa ao enchimento da cavidade (saucer) com grão ensacado ou outra carga apropriada pode-se usar uma cobertura sobre o grão a granel obedecendo a:
a) A cavidade deve ser forrada com um material aceitável pela Administração com a resistência mínima à tracção de 274 kg para uma tira de 5 cm e provida de meios apropriados de fixação ao topo da cavidade;
b) Em alternativa ao parágrafo a) acima indicado pode-se usar um material aceitável pela Administração, com a resistência mínima à tracção de 137 kg para uma tira de 5 cm, se a cavidade for feita como se indica a seguir:
Dentro da cavidade formada no grão forem colocadas peias transversais aceitáveis pela Administração e com intervalos entre si não superiores a 2,4 m. Estas peias podem ter um comprimento que permita esticá-las firmemente e amarrá-las ao topo da cavidade;
Sobre as peias deve ser colocada, no sentido de proa a popa, madeira de estiva de espessura mínima de 25 mm ou outro material de igual resistência com uma largura entre 150 mm e 300 mm para evitar corte ou fricção do material que é colocado para revestimento da cavidade;
c) A cavidade deve ser cheia com grão a granel e segura no topo, excepto quando se use material aprovado de acordo com o parágrafo b) acima indicado; além disso, deve ser colocada madeira de estiva no topo depois de aplicar o material e antes da cavidade estar segura pela montagem das peias;
d) Se mais de uma folha de material for usada no revestimento da cavidade, estas devem ser ligadas entre si por costura ou por uma dobra dupla;
e) O topo da cavidade deve coincidir com a parte inferior dos vaus desmontáveis quando estes se encontrem montados e também quando a carga geral apropriada ou o grão a granel possa ser colocado entre os vaus sobre a cavidade.
F) Fixação das tampas das escotilhas em compartimentos cheios
Se não houver grão a granel ou outra carga sobre um "compartimento cheio", as tampas das escotilhas devem ser fixas de forma aprovada, tendo em atenção o peso e o sistema existente para a sua fixação.
Nos documentos de autorização emitidos de acordo com a regra 10 do presente capítulo devem ser incluídos os preceitos de segurança considerados necessários pela Administração.
SECÇÃO II
Fixação da carga do grão nos compartimentos parcialmente cheios
A) Modalidades de fixação
a) Quando, com o objectivo de eliminar os momentos inclinantes em "compartimentos parcialmente cheios", se utilizam correias ou cabos, a fixação deve ser feita do seguinte modo:
i) O grão deve ser estivado e nivelado até que a sua superfície fique ligeiramente abaulada e então será coberta com separações de serapilheira, lonas ou equivalente;
ii) As serapilheiras, lonas, etc., devem sobrepor-se em, pelo menos, 1,80 m;
iii) Devem ser colocados dois pisos sólidos, de tábuas de 25 mm por 150 mm a 300 mm, com o superior estendido no sentido longitudinal e pregado ao inferior, disposto no sentido transversal. Alternativamente, pode ser usado um piso de tábuas de 50 mm, estendido longitudinalmente e pregado à face superior de uma base inferior de suportes de 50 mm por não menos de 150 mm de largura. Estes suportes estendem-se por toda a boca do compartimento e devem ser dispostos com separações intermédias não superiores a 2,40 m. Outros arranjos utilizando materiais diferentes podem ser aceites, sempre que a Administração os considere equivalentes aos anteriores em eficiência.
iv) As peias podem ser de cabos de aço (diâmetro de 19 mm ou equivalente), de tira dupla de aço (50 mm x 1,30 mm, com uma carga de rotura mínima de 5000 kg) ou de corrente com resistência equivalente, utilizando-se, em todo o caso, um esticador de 32 mm para alcançar a tensão necessária. Quando se utilizam tiras de aço, o esticador pode ser substituído por um sistema de aperto equipado com travão, sempre que se disponha de chaves adequadas para regular a tensão. E também quando se utilizam estas tiras os extremos devem ser seguros, pelo menos com três ranhuras próprias. Quando são usados cabos, utilizam-se, pelo menos, quatro mordeduras para formar as garras;
v) Antes de terminar a operação de carga as peias devem ser firmemente ajustadas às balizas a uma distância de cerca de 450 mm abaixo da superfície que se prevê como definitiva para o grão, mediante uma manilha de 25 mm ou uma braçadeira de resistência equivalente;
vi) As peias devem ser espaçadas de 2,40 m no máximo e cada uma delas deve ser fixa num suporte cravado na face superior do piso longitudinal. Estes suportes devem ser tábuas de madeira de 25 mm x 150 mm, no mínimo, ou de material equivalente, e devem ser dispostos de modo que ocupem toda a boca do compartimento;
vii) Durante a viagem as peias devem ser inspeccionadas regularmente e esticadas, quando necessário.
B) Modos de sobreposição de carga
Quando se utiliza grão ensacado ou outra carga apropriada para assegurar a carga nos "compartimentos parcialmente cheios", a superfície livre do grão deve ser coberta com um tecido resistente de separação ou outro meio equivalente ou uma plataforma adequada. Esta plataforma deve consistir em suportes de madeira, dispostos com um espaçamento máximo de 1,20 m e por pranchas de 25 mm de espessura, dispostas sobre aqueles com um espaçamento máximo de 100 mm. Só devem ser construídas plataformas com outros materiais desde que a Administração os considere equivalentes aos anteriores.
C) Grão ensacado
Só devem ser utilizados sacos que estejam em bom estado, os quais devem ser bem cheios e seguramente fechados.



