|
| |||||||||||
| Adaptações : | |||
| Revogação parcial : | |||
| Alterações : | |||
| Diplomas relacionados : | |||
| Categorias relacionadas : | |||
| Notas em LegisMac | |||
Decreto-Lei n.º 56/96/M
de 16 de Setembro
As expressões constantes do presente diploma foram sujeitas à adaptação nos termos da Lei n.º 27/2024.
Alteração de expressão - Consulte também: Lei n.º 27/2024
Artigo 1.º
(Aprovação)
É aprovado o Regulamento de Segurança e Acções em Estruturas de Edifícios e Pontes, anexo ao presente diploma e do qual faz parte integrante.
Artigo 2.º
(Fiscalização)
Compete à Direcção dos Serviços de Solos e Construção Urbana, adiante designada por DSSCU, e às demais entidades promotoras de obras públicas fiscalizar o cumprimento do Regulamento de Segurança e Acções em Estruturas de Edifícios e Pontes.
Artigo 3.º*
* Não está em vigor - Consulte também: Lei n.º 27/2024
Artigo 4.º
(Regime sancionatório)
O regime sancionatório aplicável pelo incumprimento do Regulamento de Segurança e Acções em Estruturas de Edifícios e Pontes é objecto de diploma próprio.
Artigo 5.º*
* Não está em vigor - Consulte também: Lei n.º 27/2024
Artigo 6.º
(Entrada em vigor)
O presente diploma entra em vigor 60 dias após a sua publicação.
REGULAMENTO DE SEGURANÇA E ACÇÕES EM ESTRUTURAS DE EDIFÍCIOS E PONTES
TÍTULO I
Critérios gerais de segurança
CAPÍTULO I
Disposições gerais
Artigo 1.º
(Objecto e âmbito de aplicação)
1. O presente regulamento tem por objecto o estabelecimento das regras gerais para a verificação da segurança das estruturas a seguir referidas, bem como a definição e quantificação das acções a considerar nessa verificação.
2. Este regulamento aplica-se a estruturas de edifícios, pontes rodoviárias e passadiços, bem como a outros tipos de estruturas, com as necessárias adaptações.
Artigo 2.º
(Simbologia e unidades)
1. A simbologia adoptada é a que consta da norma ISO 3898. O anexo 1 contém as principais designações utilizadas, com o respectivo significado.
2. O sistema de unidades escolhido é o sistema SI, de acordo com a norma ISO 1000 e a Lei n.º 14/92/M, de 24 de Agosto, tendo sido adoptadas as seguintes unidades para as grandezas utilizadas no presente regulamento:
| dimensões | m; |
| velocidades | m/s; |
| forças concentradas ou distribuídas | kN kN/m kN/m2; |
| pesos volúmicos | kN/m3; |
| pressões | kPa; |
| temperaturas | ºC; |
| frequências | Hz. |
Artigo 3.º
(Critérios gerais de verificação da segurança)
A verificação da segurança das estruturas deve ser efectuada em relação a estados limites, comparando-os com os estados a que a estrutura é conduzida pela actuação das acções a que está sujeita, quantificadas e combinadas de acordo com as regras definidas no presente regulamento.
Artigo 4.º
(Estados limites)
1. Entende-se por estado limite um estado a partir do qual se considera que a estrutura fica prejudicada total ou parcialmente na sua capacidade para desempenhar as funções para que foi concebida.
Consideram-se dois tipos de estados limites:
a) estados limites últimos, cuja simples ocorrência provoca a perda de estabilidade da estrutura, o seu colapso ou outra consequência particularmente gravosa;
b) estados limites de utilização, de cuja ocorrência com determinada duração ou repetição resultam prejuízos no desempenho da estrutura sem a perda de estabilidade.
2. Os estados limites de utilização são definidos para durações de referência de três ordens de grandeza:
a) muito curta, correspondendo a durações que totalizam poucas horas no período de vida da estrutura;
b) curta, correspondendo a durações da ordem de 5% do período de vida da estrutura;
c) longa, correspondendo a durações da ordem de metade do período de vida da estrutura.
3. São exemplos de estados limites últimos a deformação excessiva em secções ou elementos da estrutura, a instabilidade de elementos da estrutura ou da estrutura no seu conjunto, a transformação da estrutura em mecanismo, e a perda de equilíbrio de parte ou conjunto da estrutura, considerada como corpo rígido.
4. São exemplos de estados limites de utilização a deformação não compatível com as condições de serviço da estrutura, a fendilhação do betão que possa levar à corrosão das armaduras ou seja esteticamente inaceitável, e as vibrações inconvenientes.
5. A indicação dos estados limites a considerar em cada caso, bem como a sua definição e caracterização, são objecto dos regulamentos relativos aos diferentes tipos de estruturas e de materiais.
Artigo 5.º
(Classificação das acções)
Para efeito da quantificação e das suas regras de combinação, as acções são classificadas em:
a) acções permanentes, que assumem valores constantes, ou com pequena variação em torno do seu valor médio, durante quase toda a vida da estrutura, como sejam os pesos próprios dos elementos estruturais e não estruturais da construção, os pesos dos equipamentos fixos, os impulsos de terras, certos casos de pressões hidrostáticas, os pré-esforços e os efeitos da retracção do betão e dos assentamentos de apoios;
b) acções variáveis, que assumem valores com variação significativa em torno do seu valor médio, durante a vida da estrutura, como por exemplo as sobrecargas e os efeitos dinâmicos delas dependentes, as acções do vento, das variações de temperatura, dos atritos em aparelhos de apoio e as pressões hidrostáticas e hidrodinâmicas, em geral;
c) acções de acidente, que só com muito fraca probabilidade assumem valores significativos durante a vida da estrutura e cuja quantificação, em geral, apenas pode ser feita por meio de valores nominais estrategicamente escolhidos, como é o caso das que resultam dos sismos, de explosões, choques de veículos e incêndios.
Artigo 6.º
(Critérios de quantificação das acções)
1. As acções são quantificadas por valores característicos, valores reduzidos e valores médios, consoante os casos.
2. As acções permanentes com pequena variabilidade são quantificadas pelo seu valor médio (Gm). No caso de ser significativa a variabilidade destas acções num conjunto de estruturas análogas, são quantificadas pelos valores característicos (Gk), correspondentes aos quantilhos de 0,95 e de 0,05 dessas distribuições de probabilidade (valores característicos superiores e inferiores, respectivamente).
As acções variáveis devem ser quantificadas pelo valor característico (Qk) correspondente ao quantilho 0,95 da distribuição de probabilidade que traduz a sua variabilidade no tempo (valor característico superior). As distribuições a considerar são, em geral, as dos valores extremos correspondentes a intervalos de tempo de referência da ordem de 50 anos. No entanto, no caso da acção do vento, o critério para a determinação dos valores característicos baseia-se na consideração de períodos de retorno de cerca de 200 anos, estimados com base numa distribuição estatística de extremos do tipo I.
3. Os valores reduzidos das acções variáveis são obtidos a partir dos seus valores característicos multiplicando-os por coeficientes (ψ), e destinam-se a quantificar as acções tendo em conta a sua combinação e o estado limite em consideração.
Há em geral que considerar os seguintes valores reduzidos das acções variáveis, expressos em função do seu valor característico (Qk):
ψ0Qk ─ valor de combinação;
ψ1Qk ─ valor frequente;
ψ2Qk ─ valor quase permanente.
No presente regulamento são quantificados, para cada acção variável, além dos valores de Qk, os correspondentes valores dos coeficientes ψ0, ψ1 e ψ2.
Artigo 7.º
(Critérios de combinação das acções)
1. Para a verificação da segurança em relação aos diferentes estados limites devem ser consideradas as combinações das acções cuja actuação simultânea seja verosímil e que produzam na estrutura os efeitos mais desfavoráveis.
2. As acções permanentes devem figurar em todas as combinações e ser tomadas com os seus valores característicos superiores ou inferiores, consoante os seus efeitos sejam desfavoráveis ou favoráveis, respectivamente; as acções variáveis apenas devem figurar nas combinações quando os seus efeitos forem desfavoráveis para a estrutura.
3. No caso de verificações da segurança em relação aos estados limites últimos, devem ser considerados dois tipos de combinações de acções, cuja formulação deve respeitar as regras indicadas no artigo 9.º:
a) combinações fundamentais, em que intervêm as acções permanentes e as acções variáveis;
b) combinações acidentais, em que, além das acções permanentes e das acções variáveis, intervêm acções de acidente.
4. No caso de verificações da segurança em relação aos estados limites de utilização, as combinações de acções a considerar devem ser formuladas de acordo com as regras indicadas no artigo 10.º e dependem da duração do estado limite em causa. Assim, há que ter em conta os seguintes tipos de combinações:
a) combinações raras, correspondentes a estados limites de muito curta duração;
b) combinações frequentes, correspondentes a estados limites de curta duração;
c) combinações quase permanentes, correspondentes a estados limites de longa duração.
CAPÍTULO II
Verificação da segurança
Artigo 8.º
(Generalidades)
1. A verificação da segurança de acordo com os critérios gerais referidos no artigo 3.º pode ser feita:
a) em termos de estados limites, comparando os valores dos parâmetros por meio dos quais são definidos esses estados (extensões, deformações, largura de fendas) com os valores que tais parâmetros assumem devido às acções aplicadas;
b) em termos de acções, comparando os valores das acções aplicadas com os valores das acções do mesmo tipo e configuração que conduzem à ocorrência dos estados limites;
c) em termos de grandezas relacionáveis com as acções e com os parâmetros que definem os estados limites, comparando os valores que tais grandezas assumem quando obtidos a partir das acções com os valores que assumem quando obtidos a partir dos valores dos parâmetros que definem os estados limites; as grandezas escolhidas são, em geral, esforços ou tensões.
2. Os estados limites a considerar e as teorias de comportamento estrutural que permitem relacionar as acções, os esforços, as tensões e os parâmetros por meio dos quais são definidos os estados limites, são estabelecidos nos regulamentos relativos aos diferentes tipos de estruturas e de materiais.
3. As regras para efectuar a verificação da segurança nos termos anteriormente indicados são definidas nos artigos 9.º e 10.º, tendo em conta os critérios de quantificação e de combinação das acções estabelecidos nos artigos 6.º e 7.º
Artigo 9.º
(Verificação da segurança em relação aos estados limites últimos)
1. A verificação da segurança em relação aos estados limites últimos que não envolvam perda de equilíbrio ou fadiga, quando feita em termos de esforços, consiste em respeitar a condição:
Sd ≤ Rd
em que:
Sd ─ valor de cálculo do esforço actuante;
Rd ─ valor de cálculo do esforço resistente.
Quando a verificação da segurança é feita em termos de outras grandezas de comparação, a sua formulação é idêntica à indicada neste artigo, substituindo os esforços pela grandeza de comparação escolhida.
2. Os valores de cálculo dos esforços actuantes para a verificação da segurança, no caso de se poder considerar linear a relação entre as acções e os esforços, devem ser obtidos considerando as regras de combinação seguintes:
a) Combinações fundamentais:

b) Combinações acidentais:

em que:
SGik ─ esforço resultante de uma acção permanente, tomada com o seu valor característico;
SQ1k ─ esforço resultante da acção variável considerada como acção de base da combinação, tomada com o seu valor característico;
SQjk ─ esforço resultante de uma acção variável distinta da acção de base, tomada com o seu valor característico;
Sfa ─ esforço resultante de uma acção de acidente, tomada com o seu valor nominal;
γgi ─ factor parcial de segurança relativo às acções permanentes;
γq ─ factor parcial de segurança relativo às acções variáveis;
ψ0j, ψ2j ─ coeficientes de combinação correspondentes à acção variável de ordem j.
3. Os factores parciais de segurança relativos às acções γg e γq ─ designados genericamente factores γf ─ que figuram nas combinações fundamentais, salvo indicação em contrário expressa pelos regulamentos relativos aos diferentes tipos de estruturas e de materiais, devem ser tomados com os valores a seguir indicados:
γg = 1,35 no caso de a acção permanente em causa ter efeito desfavorável;
γg = 1,0 no caso contrário;
γq = 1,5 para todas as acções variáveis.
Note-se que, por exemplo, no caso da verificação da segurança de fundações, são adoptados valores diferentes destes factores parciais de segurança, de acordo com o estipulado no Regulamento de Fundações.
4. O valor de cálculo do esforço resistente, que corresponde à ocorrência do estado limite em causa na secção considerada, deve ser obtido de acordo com as regras para o efeito indicadas nos regulamentos relativos aos diferentes tipos de estruturas e de materiais e, em geral, com base em valores de cálculo das propriedades dos materiais definidos dividindo os valores característicos dessas propriedades por factores parciais de segurança (γm) a fixar nos mesmos regulamentos.
5. A verificação da segurança em relação aos estados limites últimos de equilíbrio deve ser efectuada comparando o valor que toma, devido às acções estabilizantes, a grandeza (força, momento) em que é expresso o equilíbrio em consideração (deslizamento, derrubamento), com o valor que a mesma grandeza toma devido às acções não estabilizantes.
Considera-se que a segurança fica satisfeita quando o valor de cálculo da grandeza de referência relativo às acções estabilizantes é superior ao valor de cálculo da mesma grandeza relativo às acções não estabilizantes. A determinação destes valores de cálculo deve ser efectuada considerando as regras de combinação indicadas no n.º 2 e os factores parciais de segurança (γf) convenientemente justificados tendo em atenção o estipulado no n.º 3.
6. A verificação da segurança em relação aos estados limites últimos de fadiga deve ser feita de acordo com os critérios para o efeito definidos nos regulamentos relativos aos diferentes tipos de estruturas e de materiais.
Artigo 10.º
(Verificação da segurança em relação aos estados limites de utilização)
1. A verificação da segurança em relação aos estados limites de utilização deve ser efectuada, em geral, em termos dos parâmetros que definem esses estados limites e adoptando, salvo indicação em contrário dos regulamentos relativos aos diferentes tipos de estruturas e de materiais, valores unitários para os factores parciais de segurança respeitantes às acções (γf) e às propriedades dos materiais (γm).
2. A verificação da segurança em relação aos estados limites de utilização consiste em respeitar a condição:
Ps ≤ Pl
em que:
pl ─ valor do parâmetro que define o estado limite de utilização;
ps ─ valor do mesmo parâmetro para a combinação de acções em análise.
3. No caso de poder considerar-se linear a relação entre as acções e os parâmetros de verificação dos estados limites de utilização estes devem ser obtidos considerando as regras de combinação seguintes:
a) Estados limites de muito curta duração ─ combinações raras:
Em cada combinação intervêm as acções permanentes quantificadas pelos seus valores médios (Gm), a acção variável considerada como acção de base da combinação quantificada pelo seu valor raro (identificado em geral com o valor característico (Qk) e as restantes acções variáveis quantificadas pelos seus valores frequentes (ψ1 Qk).
| ps= | m |
n |
Σ | ψ1j | pQjk |
|
Σ |
pGim + pQjk + | ||||
| i=1 |
j=2 |
b) Estados limites de curta duração ─ combinações frequentes:
Em cada combinação intervêm as acções permanentes quantificadas pelos seus valores médios (Gm), a acção variável considerada como acção de base da combinação quantificada pelo seu valor frequente (ψ1 Qk) e as restantes acções variáveis quantificadas pelos seus valores quase permanentes (ψ2 Qk).
| ps= | m |
n |
Σ | ψ2j | pQjk |
|
Σ |
pGim + ψ1 pQjk + | ||||
| i=1 |
j=2 |
c) Estados limites de longa duração ─ combinações quase permanentes:
Em cada combinação intervêm as acções permanentes quantificadas pelos seus valores médios (Gm) e as acções variáveis quantificadas pelos seus valores quase permanentes (ψ2 Qk).
| ps= | m |
n |
Σ | ψ2j | pQjk |
|
Σ |
pGim + | ||||
| i=1 |
j=1 |
em que:
pGim ─ valor do parâmetro em análise resultante de uma acção permanente, tomada com o seu valor médio;
pQ1k ─ valor do parâmetro em análise resultante da acção variável, considerada como acção de base da combinação, tomada com o seu valor característico;
pQjk ─ valor do parâmetro em análise resultante de uma acção variável distinta da acção de base, tomada com o seu valor característico;
ψ1j, ψ2j ─ coeficientes de combinação correspondentes à acção variável de ordem j.
TÍTULO II
Quantificação das acções
CAPÍTULO I
Acções permanentes
Artigo 11.º
(Generalidades)
1. Desde que as acções permanentes a considerar na verificação da segurança das estruturas apresentem pequena variabilidade, os valores característicos podem ser identificados com os respectivos valores médios.
2. Os valores característicos da acção dos impulsos de terras e da acção das cedências de apoios devem ser devidamente quantificados atendendo aos diversos parâmetros intervenientes, de acordo com o Regulamento de Fundações.
3. Em estruturas em contacto com a água do mar deve ser considerada, como acção permanente, o impulso hidrostático correspondente ao nível médio da água do mar. A componente variável desta acção, associada às variações do nível da água em torno do seu nível médio, deve ser considerada em simultâneo com a acção do vento, de acordo com as indicações estabelecidas na publicação «Meio Hídrico de Macau», editada pela Direcção dos Serviços de Marinha.
Artigo 12.º
(Pesos volúmicos dos materiais)
1. Os pesos próprios dos elementos de construção devem ser obtidos a partir dos valores que os pesos volúmicos dos materiais que os constituem apresentam nas condições reais de utilização.
2. No anexo 2 indicam-se os valores a adoptar para os pesos volúmicos dos materiais de construção correntes, no caso de não se dispor de outra informação mais rigorosa sobre este assunto.
Artigo 13.º
(Pesos de paredes divisórias em edifícios)
Em edifícios cujos pavimentos possuam constituição que garanta uma distribuição eficaz das cargas, o peso das paredes divisórias pode assimilar-se a uma carga permanente uniformemente distribuída em todo o pavimento, com o valor característico por metro quadrado igual a 25% do peso de uma faixa de parede com o comprimento de 1 m e com altura igual à altura da parede.
CAPÍTULO II
Acção das variações de temperatura
Artigo 14.º
(Generalidades)
1. Para representar a acção das variações da temperatura ambiente sobre as estruturas, devem considerar-se, actuando nestas, dois tipos de variações de temperatura: uniformes e diferenciais.
2. As variações uniformes de temperatura correspondem às variações anuais de temperatura ambiente que, por se processarem com lentidão, conduzem sucessivamente a estados térmicos que podem supor-se uniformes em todos os elementos da estrutura.
3. As variações diferenciais de temperatura correspondem às variações rápidas da temperatura ambiente, características da evolução diária, ou de origem diferente da climática, que originam gradientes térmicos na estrutura.
Artigo 15.º
(Variações uniformes de temperatura)
1. Os valores característicos das variações uniformes de temperatura em relação à temperatura média anual do local, salvo indicação em contrário expressa pelos regulamentos relativos aos diferentes tipos de estrutura e de materiais, são os a seguir indicados:
| estruturas metálicas não protegidas | + 30 ºC e - 20 ºC, |
| estruturas metálicas protegidas, estruturas de betão armado e pré-esforçado e estruturas de madeira | ± 10 ºC. |
Consideram-se como estruturas protegidas aquelas em que exista um bom isolamento térmico dos seus elementos.
Se, na fase de construção em que se proceder à ligação dos elementos da estrutura, a temperatura diferir significativamente da temperatura média anual do local, há que tomar tal facto em consideração.
2. Os valores reduzidos das variações uniformes de temperatura relativamente à temperatura média anual do local devem ser obtidos através dos seguintes coeficientes: ψ0 = 0,6; ψ1 = 0,5; ψ2 = 0,3.
Artigo 16.º
(Variações diferenciais de temperatura)
As variações diferenciais de temperatura são consideradas, em cada caso, de acordo com as características térmicas da estrutura, pelo que esta acção é tratada nos regulamentos específicos dos diversos tipos de estruturas.
CAPÍTULO III
Acção do vento
Artigo 17.º
(Quantificação da acção do vento)
1. A acção do vento resulta da interacção entre o ar em movimento e as construções, exercendo-se sob a forma de pressões aplicadas nas suas superfícies.
Os valores característicos da velocidade de rajada do vento, vkh , em função da altura acima do solo, h, e do tipo de rugosidade do terreno, são obtidos pelas expressões seguintes, nas quais a primeira parcela corresponde à velocidade média do vento e a segunda parcela tem em conta as flutuações da velocidade resultantes da turbulência do escoamento:
| rugosidade do tipo I | vkh = 46 | h | 0,12 | + 19; | ||
| 10 |
| rugosidade do tipo II | vkh = 34 | h | 0,20 | + 19. | ||
| 10 |
em que:
vkh ─ valor característico da velocidade de rajada do vento na altura h acima do solo, expressa em metros por segundo;
h ─ altura acima do solo, expressa em metros.
Considera-se rugosidade do tipo I o caso das construções situadas junto à orla marítima, em que a incidência do vento se verifica com percurso sobre o mar, sendo os restantes casos classificados com rugosidade do tipo II.
No caso de construções situadas em terrenos inclinados, a altura acima do solo deve ser contada a partir do nível de referência indicado a tracejado na figura 1.
2. O vento pode em geral ser considerado como actuando na horizontal, devendo admitir-se que pode ter qualquer rumo.
3. A quantificação da acção do vento baseia-se na informação obtida através da Direcção dos Serviços Meteorológicos e Geofísicos, nomeadamente as medições efectuadas na Ponte Nobre de Carvalho e na Fortaleza do Monte. Os valores característicos apresentados para a velocidade de rajada correspondem a períodos de retorno de cerca de 200 anos, estimados com base numa distribuição estatística de extremos do tipo I.

Figura 1
Artigo 18.º
(Determinação dos efeitos da acção do vento)
1. A determinação dos efeitos da acção do vento nas estruturas pode ser efectuada por métodos analíticos ou experimentais, tendo em conta a quantificação apresentada no artigo anterior e as características aerodinâmicas das estruturas.
2. Nos casos correntes, a determinação dos esforços devidos ao vento pode ser efectuada de forma simplificada, supondo aplicadas às superfícies da construção pressões estáticas obtidas multiplicando a pressão dinâmica do vento, definida no artigo 19.º, por adequados coeficientes aerodinâmicos — coeficientes de forma — definidos no artigo 20.º No entanto, este processo simplificado não conduz a resultados satisfatórios para estruturas com frequências próprias de vibração muito baixas, ou que sejam susceptíveis de instabilidade aerodinâmica ou de vibrações significativas em direcção transversal à da actuação do vento. Nestes casos deve ser efectuada a análise dinâmica da estrutura.
3. Deve ainda ser efectuada a determinação dos deslocamentos máximos devidos ao vento, que, consoante o tipo de estruturas, podem ser objecto de verificação de valores limites a indicar nos regulamentos respectivos.
Artigo 19.º
(Pressão dinâmica do vento)
1. Os valores característicos da pressão dinâmica do vento, wkh , na altura h acima do solo estão relacionados com os valores característicos da velocidade de rajada do vento, vkh , pela expressão:
| wkh= | vkh 2 | |
| 1632 |
em que:
vkh ─ valor característico da velocidade de rajada do vento na altura h acima do solo, expressa em metros por segundo;
wkh ─ valor característico da pressão dinâmica do vento na altura h acima do solo, expressa em kPa.
Em alternativa ao cálculo da pressão dinâmica do vento por meio desta expressão, pode utilizar-se a simplificação introduzida no quadro 1, em que se referem os valores característicos da pressão dinâmica e da velocidade de rajada do vento por patamares de altura da construção. Quando adoptada esta forma simplificada, a estrutura deve ser subdividida em zonas totalmente incluídas num desses patamares, determinando-se separadamente em cada zona a resultante das pressões dinâmicas do vento.
2. Os valores reduzidos da pressão dinâmica do vento devem ser obtidos através dos seguintes coeficientes: ψ0 = 0,4; ψ1 = 0,2; ψ2 = 0. No caso de edifícios com utilização dos tipos referidos nos n.os 3 e 4 do artigo 27.º e em que a sobrecarga seja a acção de base da combinação, deve tomar-se ψ0 = 0,6.
Quadro 1. Acção do vento (forma simplificada)
| Altura acima do solo, h (m) | Valor característico da pressão dinâmica do vento, wkh (kPa) |
Valor característico da velocidade de rajada do vento, vkh (m/s) (km/h) |
||||
| tipo I | tipo II | tipo I | tipo II | |||
| 0 a10 | 2,59 | 1,72 | 65,0 | 234 | 53,0 | 191 |
| 10 a 30 | 3,13 | 2,31 | 71,5 | 257 | 61,4 | 221 |
| 30 a 50 | 3,43 | 2,66 | 74,8 | 269 | 65,9 | 237 |
| 50 a 100 | 3,89 | 3,26 | 79,6 | 287 | 72,9 | 262 |
| 100 a 150 | 4,19 | 3,67 | 82,7 | 298 | 77,4 | 279 |
| 150 a 200 | 4,42 | 4,01 | 84,9 | 306 | 80,9 | 291 |
| 200 a 250 | 4,60 | 4,30 | 86,7 | 312 | 83,7 | 301 |
| > 250 | 4,77 | 4,55 | 88,2 | 317 | 86,1 | 310 |
Artigo 20.º
(Coeficientes de forma)
1. Consideram-se dois tipos de coeficientes de forma a utilizar para a determinação da acção do vento: coeficientes de pressão e coeficientes de força. Os coeficientes de forma são apresentados no anexo 3 para os casos mais correntes na prática.
2. Os coeficientes de pressão, δp, são definidos para uma superfície particular da construção ou para uma zona nela localizada, e permitem determinar as pressões, ph, que se exercem normalmente às superfícies, pela expressão:
Ph = δp wh
No caso dos edifícios, as pressões devidas ao vento que se exercem nos elementos da sua envolvente são resultantes de pressões exteriores e de pressões interiores. As pressões exteriores são definidas através de coeficientes de pressão exterior, δpe, que dependem da forma da construção e da direcção e sentido da actuação do vento. As pressões interiores, resultantes da existência de aberturas na envolvente do edifício, são obtidas por meio de coeficientes de pressão interior, δpi, que dependem dos parâmetros atrás referidos e da importância e distribuição das aberturas pelo contorno da construção. Os coeficientes δpe e δpi são afectados de sinal positivo ou negativo consoante correspondem a pressões ou a sucções exercidas nas faces do elemento a que se referem.
3. Os coeficientes de força, δf, são definidos de modo a permitir determinar directamente a resultante F das pressões do vento sobre a construção ou sobre um dos elementos por expressões do tipo:
F = δf wh Ah
A área projectada da estrutura ou uma das suas partes num plano perpendicular ao rumo do vento, Ah, deve ser calculada em zonas em que seja considerado o mesmo valor da pressão dinâmica do vento, wh, de acordo com a forma simplificada apresentada no artigo anterior.
CAPÍTULO IV
Acção dos sismos
Artigo 21.º
(Quantificação da acção dos sismos)
1. A acção dos sismos resulta de um conjunto de vibrações do solo que são transmitidas às estruturas durante a ocorrência de um sismo.
2. Os valores característicos da acção dos sismos são quantificados em função da sismicidade da zona em que se situa a construção, traduzida por um coeficiente de sismicidade, a αE. Na Região Administrativa Especial de Macau, dado o pequeno grau de sismicidade conhecido, aquele coeficiente é tomado igual a 0,5.
3. Em geral, apenas é necessário considerar direcções de actuação da acção dos sismos no plano horizontal; a consideração na direcção vertical somente se impõe para estruturas que sejam especialmente sensíveis a vibrações nesta direcção.
Artigo 22.º
(Determinação dos efeitos da acção dos sismos)
1. No caso de edifícios e pontes que satisfaçam às condições adiante indicadas a determinação dos efeitos da acção dos sismos pode ser efectuada de modo simplificado, supondo aplicadas à estrutura forças estáticas actuando separadamente segundo as direcções em que a estrutura se desenvolve e cujos valores e distribuição são estabelecidos no artigo 24.º com base em coeficientes sísmicos definidos no artigo 23.º Os efeitos devem ser determinados admitindo comportamento linear da estrutura.
As condições a que devem satisfazer os edifícios são as seguintes:
a) não apresentarem, em planta, distribuições desproporcionadas entre a massa e a rigidez, isto é, quando a distância entre os centros de massa e de rigidez de cada piso não for superior, em cada direcção, a 15% da dimensão do edifício segundo a mesma direcção;
b) não apresentarem, no seu desenvolvimento em altura, grandes variações de massa ou de rigidez;
c) terem uma estrutura em malha ortogonal e não demasiado deformável, isto é, quando a frequência própria fundamental é superior a 0,5 Hz e ao quociente de oito pelo número de pisos;
d) terem os pisos constituídos de forma que possam considerar-se como diafragmas indeformáveis no seu plano.
As condições a que devem satisfazer as pontes são as seguintes:
a) terem a superestrutura suportada por pilares verticais;
b) terem o eixo longitudinal em planta praticamente recto e o viés, caso exista, pouco acentuado;
c) terem vãos não excessivamente desiguais e apresentarem estrutura sensivelmente simétrica em relação a um plano perpendicular ao seu eixo longitudinal.
2. No caso de construções que não preencham as condições estipuladas no número anterior, pode ainda recorrer-se a este método simplificado de análise estática desde que as estruturas apresentem uma certa ductilidade.
Em qualquer caso pode também ser efectuada a determinação dos efeitos da acção dos sismos por métodos de análise dinâmica.
3. Nos casos em que se justifique a consideração da acção dos sismos na direcção vertical, as forças estáticas a considerar actuando nessa direcção podem reduzir-se de um terço em relação às consideradas segundo direcções horizontais, no modo simplificado de determinação dos efeitos desta acção.
4. Na determinação dos efeitos da acção dos sismos pode dispensar-se a consideração da instabilidade de conjunto da estrutura se o deslocamento relativo entre quaisquer dois nós sucessivos de um elemento vertical de suporte, obtido pela análise de primeira ordem, for inferior a 1,5% da distância entre os referidos nós.
Artigo 23.º
(Coeficientes sísmicos)
1. Para as construções que satisfaçam as condições expressas no n.º 1 do artigo anterior, o coeficiente sísmico, segundo uma dada direcção, é um coeficiente que, multiplicando o valor das acções gravíticas correspondentes às cargas permanentes e ao valor quase permanente das cargas variáveis, define o valor característico da resultante global das forças estáticas que, convenientemente distribuídas pela estrutura, permitem determinar os efeitos da acção dos sismos na direcção considerada.
2. O valor do coeficiente sísmico, βE, é igual a 0,33 αE. No entanto, em edifícios que não sejam do Grupo III, se a estrutura apresentar uma certa ductilidade na direcção em análise, de acordo com os critérios definidos no regulamento específico desse tipo de estrutura, o coeficiente sísmico pode ser reduzido até 0,24 αE.
Artigo 24.º
(Valores e distribuição das forças estáticas)
1. As forças estáticas, cuja resultante global é determinada utilizando o coeficiente sísmico definido no artigo anterior, devem ser supostas actuando simultaneamente segundo a direcção considerada e ser distribuídas em correspondência com as diversas massas em jogo; o valor de cada uma dessas forças é função do coeficiente sísmico, da massa considerada e do modo como a estrutura se deforma.
2. No caso de edifícios, as forças estáticas podem supor-se aplicadas aos níveis dos pisos, bastando em geral considerar a sua actuação em direcções horizontais.
O valor característico, Fki, da força aplicada ao nível do piso i, relativo a uma dada direcção, é calculado pela expressão:

em que:
βE ─ coeficiente sísmico correspondente à direcção considerada;
hi ─ altura a que se situa o piso i acima do nível do terreno;
Gi ─ soma dos valores das cargas permanentes e dos valores quase permanentes das cargas variáveis correspondentes ao piso i;
n ─ número de pisos acima do nível do terreno.
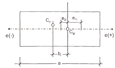
Estas forças devem considerar-se actuando simultaneamente ao nível dos correspondentes pisos, aplicadas todas com excentricidades e1i, ou todas com excentricidades e2i consoante for mais desfavorável; estas excentricidades são definidas em relação ao centro de massa conforme se indica na figura 2.
|
|
|
|
e1i = 0,5bi + 0,05a a - dimensão do edifício segundo a direcção perpendicular à da força F |
|
Figura 2
No caso de a estrutura ser simétrica em relação a um plano que contém a direcção considerada para a acção sísmica e os seus elementos resistentes estarem uniformemente distribuídos, pode considerar-se que as resultantes das forças estáticas actuam segundo aquele plano de simetria e multiplicar os efeitos assim obtidos por um factor ξE definido por:
| ξE = 1 + | 0, 6 x |
| a |
sendo X a distância entre o elemento em consideração e o referido plano.
3. No caso de pontes, as forças estáticas podem considerar-se aplicadas nos pontos em que se supõem concentradas as massas correspondentes a uma discretização adequada da estrutura.
O valor característico, Fki, da força aplicada na massa i, relativo a uma dada direcção, é calculado pela expressão:
|
Fki = ( 2 π f )2 |
βE Gi di |
| g |
em que:
f ─ frequência própria fundamental da estrutura correspondente à direcção considerada, obtida por análise dinâmica;
βE ─ coeficiente sísmico correspondente à direcção considerada;
Gi ─ soma dos valores das cargas permanentes e dos valores quase permanentes das cargas variáveis correspondentes à massa i;
di ─ deslocamentos provocados na estrutura pelas cargas Gi, actuando simultaneamente na direcção em que se está a considerar a acção sísmica;
g ─ valor da aceleração da gravidade.
CAPÍTULO V
Acções específicas de edifícios
Artigo 25.º
(Generalidades)
1. No presente capítulo são quantificadas as acções directamente relacionadas com a utilização dos edifícios, isto é, as sobrecargas em coberturas, pavimentos, varandas e acessos, e ainda as acções em guardas e parapeitos.
2. As restantes acções a considerar, não sendo específicas dos edifícios, são tratadas nos correspondentes capítulos do presente regulamento.
Artigo 26.º
(Sobrecargas em coberturas)
1. Para os efeitos do presente artigo definem-se os seguintes tipos de coberturas:
a) coberturas acessíveis ─ coberturas formadas por elementos de construção que constituem pavimento e destinadas a utilização como tal;
b) coberturas não acessíveis ─ coberturas que têm a sua acessibilidade condicionada a fins de reparação.
2. Os valores característicos das sobrecargas, resultantes da concentração de pessoas, a considerar nas coberturas são os seguintes:
a) coberturas acessíveis: uma sobrecarga uniformemente distribuída de 2,0 kN/m2; no caso, porém, de a cobertura desempenhar funções específicas, devem considerar-se as sobrecargas correspondentes ao tipo de utilização, de acordo com os artigos 27.º e 29.º;
b) coberturas não acessíveis: uma sobrecarga uniformemente distribuída de 1,0 kN/m2; no caso, porém, de coberturas não acessíveis de edifícios industriais pode ser adoptado o valor de 0,5 kN/m2 para essa sobrecarga.
3. Os valores reduzidos das sobrecargas a considerar nas coberturas são, em geral, nulos. No caso, porém, de coberturas acessíveis cuja utilização seja tal que o elemento preponderante não seja a concentração de pessoas (utilizações dos tipos referidos no n.º 3 do artigo 27.º), devem adoptar-se valores reduzidos de acordo com o especificado no n.º 5 do artigo 27.º
Artigo 27.º
(Sobrecargas em pavimentos)
1. Os valores característicos das sobrecargas a considerar nos pavimentos são indicados a seguir, em função do tipo de utilização previsto, de acordo com a classificação dos edifícios por finalidades adoptada no Lei n.º 14/2021 (Regime jurídico da construção urbana) e Regulamento Administrativo n.º 38/2022 (Regulamentação do regime jurídico da construção urbana).
2. Nas utilizações em que a concentração de pessoas é o elemento preponderante, os valores a adoptar, de acordo com o tipo de utilização definido no anexo 4, são os seguintes:
a) compartimentos destinados a utilização de carácter privado.................................................................. 2,0 kN/m2;
b) compartimentos destinados a utilização de carácter colectivo sem concentração especial........................ 3,0 kN/m2;
c) compartimentos destinados a utilização de carácter colectivo de média concentração.............................. 4,0 kN/m2;
d) recintos destinados a utilização de carácter colectivo com possibilidade de elevada concentração............ 5,0 kN/m2;
e) recintos destinados a utilização de carácter colectivo com possibilidade de muito elevada concentração.... 6,0 kN/m2.
Admite-se que, no cálculo dos elementos de suporte e fundações, estas sobrecargas sejam multiplicadas pelo coeficiente de redução αn se o número de pisos suportados pelo elemento estrutural ou fundação for superior a 2, sendo αn obtido por:
| αn = | 0,7n + 0,6 |
| n |
em que:
n ─ número de pisos suportados pelo elemento estrutural ou fundação.
Se um vão de uma viga suportar uma área de pavimento superior a 20 m2, admite-se que, para efeitos de cálculo da viga, se multiplique a sobrecarga por um coeficiente de redução αA obtido por:
| αA = 0,5 + | A0 | ≥ 0,6 e ≤ 1,0 |
| A |
em que:
A0 ─ 10,0 m2;
A ─ área de influência do pavimento suportada pelo vão correspondente da viga.
3. Nas utilizações em que o elemento preponderante não é a concentração de pessoas, os valores das sobrecargas a adoptar são estabelecidos e justificados de acordo com as condições especiais de cada caso. Indicam-se em seguida os valores mínimos a considerar em alguns casos:
- a) escritórios com equipamentos pesados, cozinhas em construções para fins não-residenciais...... 4,0 kN/m2;
- b) arquivos..................................................................................................................................5,0 kN/m2;
- c) oficinas de indústria ligeira........................................................................................................5,0 kN/m2;
- d) garagens para automóveis ligeiros:
- particulares.........................................................................................................................4,0 kN/m2;
- públicas..............................................................................................................................5,0 kN/m2;
e) auto-silos destinados exclusivamente ao estacionamento de automóveis ligeiros de passageiros que, mercê das suas características dimensionais, nomeadamente altura livre entre pisos limitada a cerca de 2,20 m, não possam ser utilizados por veículos de maior porte, e onde não sejam permitidas actividades de reparação: uma sobrecarga uniformemente distribuída de 3,0 kN/m2 ou, quando mais desfavorável, um eixo de um veículo com duas rodas transmitindo uma carga de 15 kN cada, afastadas de 1,80 m, com uma superfície de contacto quadrada com 0,20 m de lado.*
* Alterado - Consulte também: Regulamento Administrativo n.º 19/2024
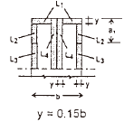
4. Os pavimentos que disponham de faixas destinadas ao estacionamento, manobra e operação de viaturas e auto-escadas de bombeiros, de acordo com o Regulamento técnico de segurança contra incêndios em edifícios e recintos, aprovado pelo Regulamento Administrativo n.º 39/2022, devem poder suportar um veículo de peso total de 230 kN, com 4,50 m de distância entre eixos, cada um de duas rodas, com a disposição e dimensões indicadas em planta na figura 3. As cargas Qr, transmitidas por cada eixo e as dimensões (a e b) das superfícies de contacto das rodas são as seguintes:
Qr = 75 kN (eixo dianteiro) e 155 kN (eixo traseiro);
a = 0,20 m; b = 0,60 m;

Figura 3
5. Quando no projecto não esteja definida a posição de paredes divisórias por não se conhecer a compartimentação que o utilizador pretende realizar, deve considerar-se o peso de tais paredes como uma sobrecarga uniformemente distribuída com o valor por metro quadrado especificado no artigo 13.º
6. Os valores reduzidos das sobrecargas a considerar nos pavimentos devem ser obtidos através dos valores dos coeficientes ψ indicados no quadro 2.
QUADRO 2. Sobrecargas em pavimentos
Valores dos coeficientes ψ
| Tipos de utilização referidos no artigo 27.º | ψ0 | ψ1 | ψ2 |
| n.º 2 a) d)* e e) | 0,4 | 0,3 | 0,2 |
| n.º 2 b) c) e n.º 3 a) | 0,7 | 0,6 | 0,4 |
| n.º 3 b) c) d) e e) | 0,8 | 0,7 | 0,6 |
| n.º 4 | 0,4 | 0,3 | 0,2 |
* para os ginásios e as salas de espectáculos, os valores a considerar devem ser:
ψ0 = 0,7; ψ1 = 0,6; ψ2 = 0,4
Artigo 28.º
(Sobrecargas em varandas)
1. Os valores característicos das sobrecargas a considerar nas varandas, ou em locais que possam desempenhar funções análogas (por exemplo, certas galerias), são: numa faixa de 1 m de largura adjacente ao parapeito, 5,0 kN/m2 e, na restante superfície, um valor igual ao estabelecido para o compartimento contíguo de acordo com os artigos 27.º e 29.º
2. Os valores reduzidos das sobrecargas a considerar nas varandas são, em geral, iguais aos valores reduzidos das sobrecargas correspondentes ao compartimento contíguo e devem ser considerados uniformemente distribuídos em toda a superfície.
Artigo 29.º
(Sobrecargas em acessos)
1. Os valores característicos das sobrecargas a considerar nos acessos, tais como escadas, rampas, galerias, átrios e corredores, devem ser iguais aos valores adoptados para os pavimentos a que dão serventia, havendo que respeitar em todos os casos, excepto nos átrios e corredores do interior das habitações, os seguintes valores mínimos:
| em locais privados | 3,0 kN/m2; |
| em locais públicos | 5,0 kN/m2. |
2. Os pavimentos de vias de acesso que disponham de faixas destinadas ao estacionamento, manobra e operação de viaturas e auto-escadas de bombeiros, de acordo com o Regulamento técnico de segurança contra incêndios em edifícios e recintos, aprovado pelo Regulamento Administrativo n.º 39/2022, devem poder suportar um veículo com as características definidas no n.º 4 do artigo 27.º
3. Os valores reduzidos das sobrecargas em acessos devem, em geral, ser obtidos através de valores dos coeficientes ψ iguais aos adoptados para definir os valores reduzidos das sobrecargas nos compartimentos a que dão serventia.
Artigo 30.º
(Efeitos dinâmicos das sobrecargas)
Os valores das sobrecargas indicados no presente capítulo têm já em consideração os efeitos dinâmicos que correntemente lhes correspondem. Os valores das sobrecargas provenientes de máquinas, pontes rolantes ou outros dispositivos mecânicos devem ser convenientemente acrescidos para ter em conta os efeitos dinâmicos inerentes ao seu funcionamento.
Artigo 31.º
(Acções em guardas e parapeitos)
Em guardas e parapeitos de edifícios deve considerar-se, aplicada na sua parte superior, uma força horizontal uniformemente distribuída com os valores característicos a seguir indicados:
a) locais com utilização de carácter privado....................................................................................................1,0 kN/m;
b) locais com utilização de carácter colectivo sem concentração especial ou de média concentração................2,0 kN/m;
c) locais com utilização de carácter colectivo com possibilidade de elevada ou muito elevada concentração......3,0 kN/m.
Os valores reduzidos das acções em guardas e parapeitos são nulos.
CAPÍTULO VI
Acções específicas de pontes rodoviárias
Artigo 32.º
(Generalidades)
1. No presente capítulo são quantificadas as acções directamente relacionadas com o tráfego rodoviário, isto é, sobrecargas e seus efeitos inerentes (forças centrífuga, de frenagem e de arranque) e ainda as sobrecargas em passeios e as forças horizontais em guardas e em guarda-rodas, além da acção do vento sobre os veículos.
As restantes acções a considerar, porque não específicas das pontes rodoviárias, são tratadas nos correspondentes capítulos do presente regulamento.
2. As forças centrífuga e de frenagem (ou arranque) devem ser sempre consideradas em associação com a sobrecarga que lhes dá origem e os seus valores são directamente dependentes dos valores desta sobrecarga.
Não é necessário considerar a actuação simultânea das forças centrífuga e de frenagem (ou arranque).
Artigo 33.º
(Sobrecargas)
1. Nas pontes rodoviárias deve considerar-se, nas faixas de rodagem, a actuação separada dos dois tipos de sobrecargas definidos nas alíneas seguintes e cujos valores característicos são também aí indicados:
a) Veículo de três eixos equidistantes, cada um de duas rodas, com a disposição e dimensões indicadas em planta na figura 4.
As cargas Qt transmitidas por cada eixo e as dimensões (a e b) das superfícies de contacto das rodas são as seguintes:
Qr = 200 kN; a = 0,20 m; b = 0,60 m;
b) Sobrecarga constituída por uma carga uniformemente distribuída, qr1, e por uma única carga transversal com distribuição linear e uniforme, qr2 , cujos valores são os seguintes:
qr1 = 4 kN/m2; qr2 = 50 kN/m;
Os valores reduzidos das sobrecargas indicadas nas alíneas anteriores devem ser obtidos através dos seguintes coeficientes:
ψ0 = 0,6; ψ1 = 0,4; ψ2 = 0,2.

Figura 4
2. As sobrecargas referidas no número anterior devem ser consideradas actuando, tanto longitudinal como transversalmente, na posição mais desfavorável para o elemento em estudo. No que se refere ao veículo, este deve ser localizado em qualquer posição na faixa de rodagem, mas sempre com o seu eixo paralelo ao eixo da ponte; no caso de pontes dotadas de duas faixas de rodagem, destinadas cada uma a um sentido único de tráfego, o veículo deve ser aplicado em cada uma das faixas, ou em ambas simultaneamente, desde que cada faixa possa comportar duas ou mais vias de tráfego.
3. As sobrecargas devidas ao tráfego, a considerar para efeito da determinação do impulso das terras sobre os encontros, podem ser assimiladas a uma carga uniformemente distribuída na faixa de rodagem, com um valor característico de 10 kN/m2. Os correspondentes valores reduzidos devem ser obtidos aplicando os coeficientes ψ indicados no n.º 1.
Artigo 34.º
(Força centrífuga)
Nas pontes em curva, para ter em conta a força centrífuga, devem considerar-se forças horizontais actuando em direcção normal ao eixo da ponte, aplicadas ao nível do pavimento e em correspondência com as sobrecargas uniformemente distribuídas multiplicadas por um coeficiente de redução βr. Estas forças centrífugas devem ser obtidas multiplicando os valores das sobrecargas a elas associadas (afectadas do coeficiente βr) por um coeficiente αr dado pela expressão:
|
αr = |
vr2 |
| 127 r |
em que:
Vr ─ velocidade máxima de projecto para a curva em causa, expressa em quilómetros por hora;
r ─ raio de curvatura, expresso em metros.
O coeficiente de redução βr é dado por:
| βr = | 5000 |
| vr2 + 5000 |
em que Vr é a velocidade anteriormente referida, expressa também em quilómetros por hora.
Artigo 35.º
(Forças de frenagem)
Para ter em conta os efeitos resultantes das variações de velocidade dos veículos devem considerar-se forças longitudinais, actuando ao nível do pavimento, paralelamente ao eixo da ponte e associadas às sobrecargas uniformemente distribuídas. Estas forças longitudinais devem ser consideradas linear e uniformemente distribuídas segundo a largura da zona carregada, com valor correspondente ao valor característico da sobrecarga uniformemente distribuída, igual a 30 kN/m.
Artigo 36.º
(Acções em passeios, guardas e guarda-rodas)
1. Nos passeios das pontes rodoviárias deve considerar-se a actuação de uma sobrecarga uniformemente distribuída ou de uma sobrecarga concentrada, conforme for mais desfavorável, cujos valores característicos são, respectivamente, 3kN/m2 e 20kN.
Os valores reduzidos da sobrecarga uniformemente distribuída devem ser obtidos através dos seguintes coeficientes: ψ0 = 0,6; ψ1 = 0,4; ψ2 = 0,2. Os valores reduzidos da sobrecarga concentrada são nulos.
2. Nas guardas das pontes rodoviárias deve considerar-se, aplicada ao seu nível superior, uma força horizontal uniformemente distribuída com valor característico igual a 1,5 kN/m; os correspondentes valores reduzidos são nulos.
3. Nos guarda-rodas das pontes rodoviárias deve considerar-se a actuação de uma força concentrada e horizontal, actuando normal e tangencialmente, cujo valor característico é igual a 20 kN; os correspondentes valores reduzidos são nulos.
Artigo 37.º
(Acção do vento sobre os veículos)
A acção do vento directamente exercida sobre os veículos e por estes transmitida à ponte deve ser determinada de acordo com o especificado no capítulo III e considerando que a superfície actuada pelo vento é uma banda rectangular contínua com a altura de 2,5 m acima do nível do pavimento.
CAPÍTULO VII
Acções específicas de passadiços
Artigo 38.º
(Generalidades)
No presente capítulo são quantificadas apenas as sobrecargas nos pavimentos e as acções nas guardas dos passadiços destinados a uso exclusivo de peões, ciclistas ou motociclistas.
As restantes acções a considerar, porque não específicas dos passadiços, são tratadas nos correspondentes capítulos do presente regulamento.
Artigo 39.º
(Sobrecargas)
Nos passadiços deve considerar-se, actuando no pavimento e nas posições mais desfavoráveis para o elemento em estudo, uma sobrecarga uniformemente distribuída com valor característico igual a 4 kN/m2.
Os valores reduzidos devem ser obtidos através dos seguintes coeficientes: ψ0 = 0,4; ψ1 = 0,3; ψ2 = 0,2.
Artigo 40.º
(Acções em guardas)
Nas guardas dos passadiços deve considerar-se, aplicada ao seu nível superior, uma força horizontal uniformemente distribuída com valor característico igual a 1,5 kN/m; os correspondentes valores reduzidos são nulos.
———
ANEXO 1. Simbologia adoptada de acordo com a norma ISO 3898
Maiúsculas latinas
A Acção
F Força resultante das pressões do vento
Fa Acção de acidente
G Acção permanente
Q Acção variável
Qr Carga transmitida por cada eixo de um veículo
R Resistência
S Esforço resultante de uma acção
Minúsculas latinas
a, b Dimensões das superfícies de contacto das rodas
d Deslocamento
e Excentricidades das forças estáticas para determinação dos efeitos da acção dos sismos
f Frequência própria de um modo de vibração de uma estrutura
g Aceleração da gravidade
h Altura acima do solo
p Parâmetro para verificação de estados limites de utilização
qr1, qr2 Sobrecargas uniformes em pontes rodoviárias
r Raio de curvatura
vkh Valor característico da velocidade de rajada do vento à altura h acima do solo
vr Velocidade máxima de projecto para a curva em causa
Wkh Valor característico da pressão dinâmica do vento à altura h acima do solo
Maiúsculas gregas
ψ Coeficiente de combinação para uma acção variável (ψ0, ψ1 ou ψ2)
ψ0 Coeficiente para determinação do valor de combinação de uma acção variável
ψ1 Coeficiente para determinação do valor frequente de uma acção variável
ψ2 Coeficiente para determinação do valor quase permanente de uma acção variável
Minúsculas gregas
αr Coeficiente para cálculo da força centrífuga
αE Coeficiente de sismicidade
βr Coeficiente de redução para cálculo da força centrífuga
βE Coeficiente sísmico
γf Factor parcial de segurança para uma acção
γg Factor parcial de segurança relativo às acções permanentes
γm Factor parcial de segurança para um material ou propriedade de um produto
γq Factor parcial de segurança relativo às acções variáveis
δp Coeficientes de pressão para a determinação da acção do vento
δf Coeficientes de força para a determinação da acção do vento
ζE Factor de ampliação das forças estáticas para a determinação da acção dos sismos
Índices
d Índice representando o valor de cálculo de uma grandeza
k Índice representando o valor característico de uma grandeza
m Índice representando o valor médio de uma grandeza
ANEXO 2. Pesos volúmicos de materiais de construção correntes
| Material | Peso volúmico (kN/m3) |
|
Betão: |
|
|
- simples |
24,0 |
|
- armado |
25,0 |
|
Argamassa |
22,0 |
|
Cimento: |
|
|
- peso volúmico aparente |
14,0 |
|
- peso volúmico das partículas |
31,0 |
|
Alvenaria |
|
|
- de tijolo maciço |
22,0 |
|
- de tijolo furado |
16,0 |
|
Betume |
13,0 |
|
Betão asfáltico |
19,0 |
|
Solo: |
|
|
- médio |
18,0 |
|
- adensado, de granulometria contínua |
20,0 |
|
Areia siliciosa (peso volúmico das partículas) |
26,0 |
|
Água |
9,8 |
|
Cortiça: |
|
|
- em grão |
1,2 |
|
- prensada |
3,8 |
|
Vidro |
26,0 |
|
Alumínio |
27,0 |
|
Cobre |
88,0 |
|
Latão |
83,0 |
|
Bronze |
88,0 |
|
Ferro |
76,0 |
|
Aço: |
|
|
- em perfis |
77,0 |
|
- em varão |
78,5 |
|
Chumbo |
111,0 |
|
Zinco |
70,0 |
ANEXO 3. Coeficientes de forma a utilizar para a determinação da acção do vento
1. Coeficientes de força δf
1.1. Edifícios fechados
O coeficiente de força δf é aplicável a todo o edifício, excepto no caso de edifícios constituídos por blocos isolados sobre um pódio, em que cada componente do edifício deve ser analisado separadamente.
O coeficiente de força δf para um edifício fechado é obtido pelo produto dos coeficientes Ch, Cs e RA:
δf = Ch Cs RA
Os valores de Ch, Cs e RA, encontram-se nos quadros 1 a 3 e têm em conta, respectivamente, as dimensões da fachada, a geometria em planta do edifício e a área da projecção do edifício num plano perpendicular ao rumo do vento.
QUADRO 1. Coeficiente Ch para edifícios fechados de secção uniforme
| Altura/Largura | Ch |
| ≤ 1,0 | 0,95 |
| 2,0 | 1,00 |
| 4,0 | 1,05 |
| 6,0 | 1,10 |
| ≥ 10,0 | 1,20 |
| Nota: para valores intermédios da razão altura/largura poderá ser feita uma interpolação linear. | |
QUADRO 2. Coeficiente Cs para edifícios fechados de secção uniforme
| Planta | Cs | ||||||||||||||||||||||||
|
|
||||||||||||||||||||||||
|
|
0,75 | ||||||||||||||||||||||||
| Outras formas | O valor de Cs será obtido para um rectângulo envolvente com a orientação do rumo do vento | ||||||||||||||||||||||||
QUADRO 3. Coeficiente RA para edifícios fechados de secção uniforme
| Área de projecção frontal, (m2) | RA |
| ≤ 500 | 1,00 |
| 800 | 0,97 |
| 1000 | 0,96 |
| 3000 | 0,92 |
| 5000 | 0,89 |
| 8000 | 0,86 |
| 10000 | 0,84 |
| ≥ 15000 | 0,80 |
| Nota: para valores intermédios da área de projecção frontal poderá ser feita uma interpolação linear. | |
1.2. Edifícios com aberturas
O coeficiente de força δf para um edifício com aberturas obtém-se pelo quadro 4 e depende da proporção entre a área total das aberturas e a área da fachada, traduzida pelo coeficiente Φ.
O coeficiente Φ obtém-se pela razão entre a área de projecção frontal do edifício e a área total interior ao contorno dessa projecção.
QUADRO 4. Coeficiente δf para edifícios com aberturas
| Coeficente | δf |
| 0,01 | 2,0 |
| 0,1 | 1,9 |
| 0,2 | 1,8 |
| 0,3 | 1,7 |
| 0,5 | 1,6 |
| 0,8 | 1,6 |
| 0,9 | 1,8 |
| 1,0 | 2,0 |
| Nota: para valores intermédios do coeficiente Φ poderá ser feita uma interpolação linear. | |
2. Coeficientes de pressão δp
2.1. Coeficientes de pressão exterior δpe
Apresentam-se nos quadros 5 a 7 os valores dos coeficientes de pressão exterior a considerar nos casos mais frequentes de edifícios com planta rectangular.
QUADRO 5. Coeficientes de pressão δpe para paredes
| Relações geométricas do edifício (*) | planta | Direcção do vento α (graus) |
Acções globais sobre as superfícies | Acção locais na faixa referenciada na figura | ||||||||||||||||||
| h/b | a/b | A | B | C | D | ![]() |
||||||||||||||||
|
|
![]() |
||||||||||||||||||||
| 0 | +0,7 | -0,2 | -0,5 | -0,5 | -0,8 | |||||||||||||||||
| 90 | -0,5 | -0,5 | +0,7 | -0,2 | ||||||||||||||||||
|
![]() |
0 | +0,7 | -0,25 | -0,6 | -0,6 | -1,0 | |||||||||||||||
| 90 | -0,5 | -0,5 | +0,7 | -0,1 | ||||||||||||||||||
|
|
![]() |
0 | +0,7 | -0,25 | -0,6 | -0,6 | -1,1 | ||||||||||||||
| 90 | -0,6 | -0,6 | +0,7 | -0,25 | ||||||||||||||||||
|
![]() |
0 | +0,7 | -0,3 | -0,7 | -0,7 | -1,1 | |||||||||||||||
| 90 | -0,5 | -0,5 | +0,7 | -0,1 | ||||||||||||||||||
|
|
![]() |
0 | +0,8 | -0,25 | -0,8 | -0,8 | -1,2 | ||||||||||||||
| 90 | -0,8 | -0,8 | +0,8 | -0,25 | ||||||||||||||||||
|
![]() |
0 | +0,7 | -0,4 | -0,7 | -0,7 | -1,2 | |||||||||||||||
| 90 | -0,5 | -0,5 | +0.8 | -0,1 | ||||||||||||||||||
(*) h representa a altura do edifício; a e b representam, respectivamente, a maior e a menor dimensão em planta
QUADRO 6. Coeficiente de pressão δpe para cobertura de duas vertentes
![]() |
||
| Corte | Planta | |
![]() |
![]() |
![]() |
| Relações geométricas do edifício h/b | Inclinação da vertente β (graus) | Acções globais | Acções locais | ||||||||||||||
| Direcção do vento | |||||||||||||||||
| α = 0º | α = 90º | ||||||||||||||||
| E,F | G, H | E, G | F, H | L1 | L2 | L3 | L4 | ||||||||||
|
0 | -0,8 | -0,4 | -0,8 | -0,4 | -2,0 | -2,0 | -2,0 | - | ||||||||
| 5 | -0,9 | -0,4 | -0,8 | -0,4 | -1,4 | -1,2 | -1,2 | -1,0 | |||||||||
| 10 | -1,2 | -0,4 | -0,8 | -0,6 | -1,4 | -1,4 | -1,2 | ||||||||||
| 20 | -0,4 | -0,4 | -0,7 | -0,6 | -1,0 | -1,2 | |||||||||||
| 30 | 0 | -0,4 | -0,7 | -0,6 | -0,8 | -1,1 | |||||||||||
| 45 | +0,3 | -0,5 | -0,7 | -0,6 | -1,1 | ||||||||||||
|
0 | -0,8 | -0,6 | -1,0 | -0,6 | -2,0 | -2,0 | -2,0 | - | ||||||||
| 5 | -0,9 | -0,6 | -0,9 | -0,6 | -2,0 | -2,0 | -1,5 | -1,0 | |||||||||
| 10 | -1,1 | -0,6 | -0,8 | -0,6 | -2,0 | -2,0 | -1,5 | -1,2 | |||||||||
| 20 | -0,7 | -0,5 | -0,8 | -0,6 | -1,5 | -1,5 | -1,5 | -1,0 | |||||||||
| 30 | -0,2 | -0,5 | -0,8 | -0,8 | -1,0 | -1,0 | |||||||||||
| 45 | +0,2 | -0,5 | -0,8 | -0,8 | |||||||||||||
|
0 | -0,7 | -0,6 | -0,9 | -0,7 | -2,0 | -2,0 | -2,0 | - | ||||||||
| 5 | -0,7 | -0,6 | -0,8 | -0,8 | -2,0 | -2,0 | -1,5 | -1,0 | |||||||||
| 10 | -0,7 | -0,6 | -0,8 | -0,8 | -2,0 | -2,0 | -1,5 | -1,2 | |||||||||
| 20 | -0,8 | -0,6 | -0,8 | -0,8 | -1,5 | -1,5 | -1,5 | -1,2 | |||||||||
| 30 | -1,0 | -0,5 | -0,8 | -0,7 | -1,5 | ||||||||||||
| 40 | -0,2 | -0,5 | -0,8 | -0,7 | -1,0 | ||||||||||||
| 50 | +0,2 | -0,5 | -0,8 | -0,7 | |||||||||||||
Nota: Não há que considerar valores particulares para as acções locais nos casos em que no quadro não são indicados os respectivos coeficientes.
QUADRO 7. Coeficientes de pressão δpe para coberturas múltiplas de duas vertentes


a) Acções globais
| Direcção do vento α = 0º | Direcção do vento α = 90º | ||||||||||
| Inclinação das vertentes β (graus) | Coeficientes δpe nas vertentes | Coeficientes δpe nas bandas | |||||||||
| c | d | e | f | m | n | x | z | b1 | b2 | b3 | |
| 5 a 10 | -1,1 | -0,6 | -0,4 | -0,3 | -0,3 | -0,3 | -0,3 | -0,4 | -0,8 | -0,6 | -0,2 |
| 20 | -0,7 | -0,6 | -0,4 | -0,3 | -0,3 | -0,3 | -0,3 | -0,5 | ![]() |
||
| 30 | -0,2 | -0,6 | -0,4 | -0,3 | -0,3 | -0,3 | -0,2 | -0,5 | |||
| 45 | +0,3 | -0,6 | -0,6 | -0,4 | -0,2 | -0,4 | -0,2 | -0,5 | |||
b) Acções locais
Os coeficientes δpe que definem as acções locais a ter em conta nas faixas assinaladas na figura são os seguintes:

2.2. Coeficientes de pressão interior, δpi
No caso dos edifícios considerados em 2.1 e nos quais ou não existe compartimentação interior ou, se esta existir, não impede a franca circulação do ar, os coeficientes de pressão interior podem ser obtidos pelas seguintes regras simplificadas, que têm em conta as características e a distribuição das aberturas nas paredes exteriores:
a) Edifícios em que seja pouco provável a existência de aberturas nas fachadas durante a ocorrência de vento intenso, em face da permeabilidade das paredes, fundamentalmente devida à insuficiência de vedação das janelas, podem considerar-se em geral duas situações, a que correspondem os seguintes coeficientes de pressão interior:
Duas fachadas opostas com permeabilidade semelhante, e as outras duas fachadas impermeáveis:
| Vento normal às fachadas permeáveis | δpi = +0,2 |
| Vento normal às fachadas impermeáveis | δpi = -0,3 |
| As quatro fachadas com permeabilidade semelhante | δpi = -0,3 |
b) Edifícios em que, durante a ocorrência de vento intenso, existam aberturas numa das fachadas ou, se existirem em várias fachadas, as aberturas de uma delas sejam francamente predominantes: o coeficiente de pressão interior δpi deve ser tomado com valores iguais a 75 % dos valores dos coeficientes de pressão exterior δpe correspondentes à fachada em que predominam as aberturas; se as aberturas se situarem em zonas das fachadas para as quais são definidos valores especiais do coeficiente δpe (acções locais), são estes os valores a considerar para a determinação de δpi.
Note-se que, quando exista compartimentação que dificulte a franca circulação do ar, os valores a adoptar para os coeficientes de pressão interior devem ser convenientemente justificados. Neste caso, a pressão interior variará entre a face de barlavento e a de sotavento por escalões que dependerão da maior ou menor permeabilidade das diferentes divisórias.
ANEXO 4. Tipos de utilização nos casos em que a concentração de pessoas é o elemento preponderante
Os edifícios são classificados em «Grupos de Utilização», segundo a sua finalidade e tipo de ocupação, de acordo com o Lei n.º 14/2021 (Regime jurídico da construção urbana) e Regulamento Administrativo n.º 38/2022 (Regulamentação do regime jurídico da construção urbana).
GRUPO I. Construções para fins residenciais
Habitações, dormitórios, asilos, casernas e outros edifícios para fins residenciais.
QUADRO 1. Construções para fins residenciais
| Carga uniformemente distribuída (kN/m2) |
ψ0 | ψ1 | ψ2 | |
| Salas de estar e quartos | 2,0 | 0,4 | 0,3 | 0,2 |
| Instalações sanitárias e cozinhas | ||||
| Corredores, escadas e patamares | 3,0 | * | * | * |
| Áreas públicas dos edifícios | 4,0 | 0,7 | 0,6 | 0,4 |
| Varandas | 5,0 | * | * | * |
* Os coeficientes ψ são os mesmos das áreas adjacentes.
GRUPO II. Construções para fins hoteleiros
Hotéis, estalagens, pensões residenciais e outros edifícios do mesmo tipo.
Os valores das cargas indicados no quadro 2 referem-se apenas a áreas em que a concentração de pessoas é o elemento preponderante.
QUADRO 2. Construções para fins hoteleiros
| Carga uniformemente distribuída (kN/m2) |
ψ0 | ψ1 | ψ2 | |
| Quartos, instalações sanitárias | 2,0 | 0,4 | 0,3 | 0,2 |
| Recepção e átrios | 3,0 | 0,7 | 0,6 | 0,4 |
| Restaurantes e "lounges" | ||||
| Instalações sanitárias públicas | ||||
| Áreas com lugares fixos | 4,0 | 0,7 | 0,6 | 0,4 |
| Áreas sem lugares fixos (salões de festas) | 5,0 | 0,4 | 0,3 | 0,2 |
| Corredores, escadas e patamares | 5,0 | * | * | * |
| Varandas |
* Os coeficientes ψ são os mesmos das áreas adjacentes.
GRUPO III. Construções para fins de equipamento social
Postos de polícia, hospitais, sanatórios, clínicas, escolas, liceus, jardins infantis e outros edifícios para fins de equipamento social.
Os valores das cargas indicados no quadro 3 referem-se apenas a áreas em que a concentração de pessoas é o elemento preponderante.
QUADRO 3. Construções para fins de equipamento social
| Carga uniformemente distribuída (kN/m2) |
ψ0 | ψ1 | ψ2 | |
| Quartos de hospitais | 2,0 | 0,4 | 0,3 | 0,2 |
| Salas de aula e dormitórios | 3,0 | 0,7 | 0,6 | 0,4 |
| Salas de leitura sem arquivo de livros | ||||
| Salas de reuniões | ||||
| Instalações sanitárias públicas | ||||
| Salas de operação | ||||
| Áreas com lugares fixos | 4,0 | 0,7 | 0,6 | 0,4 |
| Salas de conferências | ||||
| Cozinhas | ||||
| Cantinas | ||||
| Áreas sem lugares fixos | 5,0 | 0,7 | 0,6 | 0,4 |
| Átrios de escolas | ||||
| Palcos, ginásios e enfermarias | ||||
| Corredores, escadas e patamares | 5,0 | * | * | * |
| Varandas |
* Os coeficientes ψ são os mesmos das áreas adjacentes
GRUPO IV. Construções para fins de serviços
Gabinetes governamentais, serviços administrativos, escritórios, repartições, bancos, agências de viagens, postos de polícia, edifícios de correios, consultórios, cabeleireiros e outros edifícios para fins de serviços.
Os valores das cargas indicados no quadro 4 referem-se apenas a áreas em que a concentração de pessoas é o elemento preponderante.
QUADRO 4. Construções para fins de serviços
| Carga uniformemente distribuída (kN/m2) |
ψ0 | ψ1 | ψ2 | |
| Gabinetes em geral | 3,0 | 0,7 | 0,6 | 0,4 |
| Salas de reuniões | ||||
| Átrios de bancos | ||||
| Salas de computadores | ||||
| Instalações sanitárias públicas | ||||
| Corredores, escadas e patamares | 5,0 | * | * | * |
| Varandas |
* Os coeficientes ψ são os mesmos das áreas adjacentes.
GRUPO V. Construções para fins comerciais
Lojas, «boutiques», centros comerciais e feiras de exposições.
Os valores das cargas indicados no quadro 5 referem-se apenas a áreas em que a concentração de pessoas é o elemento preponderante.
QUADRO 5. Construções para fins comerciais
| Carga uniformemente distribuída (kN/m2) |
ψ0 | ψ1 | ψ2 | |
| Instalações sanitárias públicas | 3,0 | 0,7 | 0,6 | 0,4 |
| Pisos de comércio | 4,0 | 0,7 | 0,6 | 0,4 |
| Corredores, átrios, escadas e patamares | 5,0 | * | * | * |
| Varandas |
* Os coeficientes ψ são os mesmos das áreas adjacentes.
GRUPO VI. Construções para fins industriais
Oficinas, fábricas ou armazéns.
Os valores das cargas indicados no quadro 6 referem-se apenas a áreas em que a concentração de pessoas é o elemento preponderante.
QUADRO 6. Construções para fins industriais
| Carga uniformemente distribuída (kN/m2) |
ψ0 | ψ1 | ψ2 | |
| Salas de trabalho sem equipamentos pesados | 3,0 | 0,7 | 0,6 | 0,4 |
| Instalações sanitárias públicas | ||||
| Áreas públicas | 4,0 | 0,7 | 0,6 | 0,4 |
| Áreas com lugares fixos | ||||
| Cozinhas | ||||
| Cantinas | ||||
| Varandas | 5,0 | * | * | * |
| Corredores, escadas e patamares |
* Os coeficientes ψ são os mesmos das áreas adjacentes.
GRUPO VII. Construções para fins de reunião de público
Cinemas, teatros, salas de espectáculo e de concertos, «cabarets», salas de dança, discotecas, estúdios de televisão e rádio, restaurantes, auditórios, casinos, museus, bibliotecas, centros comunitários, clubes, igrejas e outros estabelecimentos de culto, salas de audiência, salas de conferências, ginásios e piscinas cobertas, parques de atracções, e estádios com tribunas para público.
Os valores das cargas indicados no quadro 7 referem-se apenas a áreas em que a concentração de pessoas é o elemento preponderante.
QUADRO 7. Construções para fins de reunião de público
| Carga uniformemente distribuída (kN/m2) |
ψ0 | ψ1 | ψ2 | |
| Instalações sanitárias públicas | 3,0 | 0,7 | 0,6 | 0,4 |
| Pisos de museus e galerias de arte | 4,0 | 0,7 | 0,6 | 0,4 |
| Áreas públicas | ||||
| Áreas com lugares fixos | ||||
| Áreas sem lugares fixos (salas de dança, discotecas) | 5,0 | 0,4 | 0,3 | 0,2 |
| Corredores, átrios, varandas, escadas e patamares | 5,0 | * | * | * |
| Estádios e recintos desportivos análogos | 6,0 | 0,4 | 0,3 | 0,2 |
* Os coeficientes ψ são os mesmos das áreas adjacentes.


















