|
| |||||||||||
| 相關法規 : | |||
| 相關類別 : | |||
| 《LegisMac》的法例註釋 | |||
鑑於中華人民共和國是一九六九年六月二十三日訂於倫敦的《1969年國際船舶噸位丈量公約》(英文簡稱為“TONNAGE 1969”,以下簡稱“公約”)的締約國,並已於一九八零年四月八日向國際海事組織秘書長交存加入書,此加入書於一九八二年七月十八日產生效力;
鑑於中華人民共和國交存公約加入書時作出如下聲明:
“台灣當局用中國名義對該公約的簽署是非法的、無效的。”
鑑於中華人民共和國於二零零五年七月八日以照會方式通知國際海事組織秘書長公約適用於澳門特別行政區;
同時,鑑於國際海事組織秘書長於二零零五年七月二十六日覆照收到中華人民共和國關於公約適用於澳門特別行政區的通知書,有關通知書自二零零五年七月十八日起產生效力,即國際海事組織收到該通知書的日期;
行政長官根據澳門特別行政區第3/1999號法律第六條第一款的規定,命令公佈:
上述公約的英文正式文本及相應的葡文譯本已公佈於一九九九年十二月十三日第五十期《政府公報》第一組第一副刊第8076-(491)至8076 -(514)頁。
二零零六年七月二十七日發佈。
代理行政長官 陳麗敏
二零零六年七月二十七日於行政長官辦公室
辦公室主任 何永安
[二零零五年七月八日第D070/05號文件]
“(……)
根據《中華人民共和國澳門特別行政區基本法》,中華人民共和國政府決定《1969年國際船舶噸位丈量公約》適用於中華人民共和國澳門特別行政區。
(……)”
各締約國政府,願為國際航行船舶的噸位丈量制訂統一原則和規則,認為締結一個公約可以最好地達到這一目的。
經協議如下:
各締約國政府,應承擔義務實施本公約各項規定和它的附則,附則應視為本公約的組成部分。凡引用本公約時,同時也就意味着引用上述附則。
除另有明文規定外,本公約所用名詞含義如下:
(1)“規則”是指本公約所附的規則;
(2)“主管機關”是指船旗國的政府;
(3)“國際航行”是指由適用本公約的國家駛往該國以外的港口,或與此相反的航行。為此,凡由締約國政府對其國際關係負責的每一領土,或由聯合國管理的每一領土,都被視為單獨的國家;
(4)“總噸位”是指根據本公約各項規定丈量確定的船舶總容積;
(5)“淨噸位”是指根據本公約各項規定丈量確定的船舶有效容積;
(6)“新船”是指在本公約生效之日起安放龍骨,或處於相應建造階段的船舶;
(7)“現有船舶”是指非新船;
(8)“長度”是指水線總長度的96%,該水線位於自龍骨上面量得的最小型深的85%處;或者是指該水線從艏柱前面量到上舵桿中心的長度,兩者取其較大者。如船舶設計具有傾斜龍骨,作為測量本長度的水線應平行於設計水線;
(9)“組織”是指政府間海事協商組織。
(1)本公約適用於從事國際航行的下列船舶:
(a)在締約國政府的國家中登記的船舶;
(b)在根據第20條擴大適用本公約的領土內登記的船舶;
(c)懸掛某締約國政府國旗而不在該國登記的船舶。
(2)本公約適用於:
(a)新船;
(b)經改建或改裝的現有船舶,主管機關認為各種改建或改裝對其現有總噸位有實質上的變更;
(c)經船舶所有人提出要求適用本公約的現有船舶;
(d)本公約生效之日起12年以後的一切現有船舶,但為使其適用於現行其他國際公約的有關要求而需保留其原有噸位的、不屬於本款(b)和(c)項中所述船舶的船舶除外。
(3)對於已經根據本條第(2)款(c)項適用本公約的現有船舶,此後不得再按照本公約生效前該主管機關對國際航行船舶的要求測定該船的噸位。
(1)本公約不適用於下列船舶:
(a)軍艦;
(b)長度小於24m(79ft)的船舶。
(2)本公約的任何規定,不適用於專門航行在下列區域的船舶:
(a)北美洲各大湖和聖勞倫斯河向東到從羅歇爾角至安蒂科斯底島的兩點之間所繪恆向線,以及到安蒂科斯底島北面的西經63°子午線;
(b)裡海;
(c)拉普拉塔河、巴拉那河和烏拉圭河向東到從阿根廷的彭塔─臘薩與烏拉圭的彭塔─特─埃斯特之間所繪恆向線。
(1)在開航時不受本公約約束的船舶,倘由於天氣惡劣或其他不可抗力原因而駛離原定航程,則該船並不因此變為需受本公約約束。
(2)各締約國政府在應用本公約的規定時,應適當考慮任何船舶由於氣候或其他不可抗力引起的偏航和延遲。
總噸位和淨噸位的測定,應由主管機關辦理,但主管機關可以將這種測定工作委託它認可的人員或組織辦理。不論採用何種方式,該主管機關應對總噸位和淨噸位的測定負完全責任。
(1)按照本公約測定總噸位和淨噸位的每艘船舶,應發給國際噸位證書(1969)。
(2)這種證書應由主管機關發給,或由該主管機關正式授權的人員或組織發給。不論屬於哪一種情況,該主管機關應對證書負完全責任。
(1)每一締約國政府,可以應另一締約國政府的請求,根據本公約測定船舶的總噸位和淨噸位,並發給或授權發給該船舶以國際噸位證書(1969)。
(2)證書的副本和噸位計算書的副本,應儘早送交提出請求的政府。
(3)如此發給的證書,必須載明,該證書是應船旗國政府,或行將懸掛該國國旗的政府請求而發給的;該證書應與根據本公約第7條發給的證書具有同等效力,並受到同樣承認。
(4)對於懸掛非締約國政府國旗的船舶,不發給國際噸位證書(1969)。
(1)證書應用發證國的官方語文印寫。如所用語文不是英文或法文,則證書文本應包括有上述兩種語文之一的譯文。
(2)證書格式如附則 II 所示。
(1)當船舶的佈置、結構、容積、處所的用途、載客證書中准許的乘客總數、勘定的載重線或准許的吃水等方面發生變動,致使總噸位或淨噸位必需增加時,則除了附則 I 規則中所規定的例外情況外,國際噸位證書 (1969)應停止生效,並由主管機關予以注銷。
(2)除本條第(3)款的規定外,當船舶轉為懸掛另一國家的國旗時,由原主管機關發給該船的證書應停止生效。
(3)當船舶轉為懸掛另一締約國政府的國旗時,原發國際噸位證書(1969)的繼續有效期應不超過3個月,或直到主管機關發給另一國際噸位證書(1969)來代替原證書為止,二者以較早者為準。船舶原來懸掛其國旗的締約國政府,應於完成轉移之後,儘速將該船轉移時持有的證書副本及其噸位計算書副本送交上述主管機關。
由一締約國政府授權根據本公約發給的證書,其他締約國政府應予承認,並認為在本公約範圍內與其他締約國政府所頒發的證書具有同等效力。
(1)懸掛締約國政府國旗的船舶在其他締約國港口時,應接受該國政府正式授權的官員檢查。這種檢查之目的以核實下述事項為限:
(a)該船是否備有有效的國際噸位證書(1969);
(b)該船的主要特徵是否與證書中所載的數據相符。
(2)在任何情況下,不得因施行這種檢查而滯留船舶。
(3)如果經檢查發現船舶的主要特徵與國際噸位證書(1969)所載不一致,從而導致增加總噸位或淨噸位,則應及時通知該船的船旗國政府。
除持有按本公約簽發的有效證書者外,任何船舶不得要求享有本公約賦予的權利。
(1)本公約締約國政府之間現行的一切有關噸位事項的其他條約、公約和協定,在其有效期間,對下列船舶仍可繼續保持完全有效:
(a)不適用本公約的船舶;
(b)適用本公約的船舶,但本公約未予明確規定的事項。
(2)上述條約、公約或協定與本公約的規定有抵觸時,應以本公約的規定為準。
各締約國政府承擔義務向本組織通知和交存:
(1)足夠份數的、根據本公約規定簽發的證書樣本,以便分送各締約國政府;
(2)在本公約範圍內為各種事項頒佈的法律、法令、命令、規則和其他文件;
(3)經授權代表締約國政府執行有關噸位事項的非政府機構名單,以便分送各締約國政府。
(1)本公約自1969年6月23日起開放6個月,供簽署,此後仍予開放供參加。聯合國或任一專門機構或國際原子能機構的成員國的政府或國際法院規約當事國,可按下列方式參加本公約:
(a)簽署,並對接受無保留;
(b)簽署,並對接受作出保留,隨後予以接受;
(c)加入。
(2)接受或加入本公約,應在接受或加入的文件交存本組織後方為有效。本組織應將它收到的每一份新接受或加入的文件和交存的日期,通知所有已簽署或加入本公約的政府。本組織還應將自1969年6月23日起6個月內任何生效的簽署,通知所有早已簽署本公約的政府。
(1)本公約應在至少有25個國家按第16條規定簽署而不附以關於接受的保留,或者交存接受和加入文件之日起24個月生效,該25個國家共擁有商船船隊的噸位應不少於世界航運總噸位的65%。本組織應將生效日期通知所有已簽署或加入本公約的政府。
(2)對於在本條第(1)款中所述24個月的期間內交存接受或加入本公約的文件的政府,其接受或加入的生效日期,應為本公約生效之日;或者自交存接受或加入文件之日起3個月以後生效,兩者以較遲的日期為準。
(3)對於在本公約生效以後交存接受或加入本公約的文件的政府,本公約應自上述文件交存之日起3個月後生效。
(4)在為使本公約修正案生效所需的一切措施均已完成的日期以後,或在修正案一致接受的情況下,如在第18條第(2)款(b)項所認為需要的一切接受書已提交以後,任何交存的接受或加入的文件應認為適用於經修正的公約。
(1)經一締約國政府提議,可以根據本條所規定的任一程序修改本公約。
(2)經一致接受的修正:
(a)經一締約國政府請求,本組織將該政府修改本公約的任何建議送交所有締約國政府考慮,旨在取得一致接受;
(b)除另行商定更早的日期外,任何這種修正案應在所有締約國政府一致接受之日起12個月後生效。如有某一締約國政府,在本組織第一次通知該修正案之日起24個月內,尚未將它的接受或反對意見通知本組織,應被視為已接受該修正案。
(3)經本組織內審議後的修正:
(a)經某一締約國政府請求,本組織應審議該政府對本公約所提出的任何修正。此項修正案如經本組織海上安全委員會到會並投票的三分之二多數通過,即應在提交本組織大會討論前至少6個月,送交本組織的所有成員國和所有締約國政府;
(b)如經出席大會並投票的三分之二多數通過,此項修訂案應由本組織通知所有締約國政府,以供接受;
(c)上述修訂案應在締約國政府三分之二多數接受之日起12個月生效。該修正案應對所有締約國政府生效,但在該修正案生效前聲明不接受的締約國政府除外;
(d)經出席大會並投票的三分之二多數通過,其中包括有參加海上安全委員會的政府中三分之二多數出席並投票通過,則在採納某一修正案時,得提議決定該修正案具有這樣的重要性,即任何締約國政府根據本款(c)項提出聲明,並在該修正案生效後12個月內仍不接受此項修正,則在上述期限屆滿時,應停止該政府作為本公約參加國。這項決定應事先取得締約國政府中三分之二多數同意;
(e)本款各項規定,並不妨礙原先根據本款對本公約提出修正行動的締約國政府,在任何時候依據本條第(2)或第(4)款採取它所認為適當的任擇其一的行動。
(4)經過會議的修正:
(a)經某一締約國政府請求,同時有至少三分之一的締約國同意,本組織可召集各政府會議,以考慮對本公約的修正;
(b)每一修正案如經上述會議出席並投票的三分之二多數通過,即應由本組織將該修正案通知所有締約國政府,以供接受;
(c)上述修正案應在締約國政府三分之二多數接受之日起12個月後生效。該修正案應對所有締約國政府生效,但在該修正案生效前聲明不接受的締約國政府除外;
(d)根據本款(a)項召集的會議,經出席並投票的三分之二多數通過,則在採納某一修正案時,得決定該修正案具有這樣的重要性,即任何締約國政府根據本款(c)項提出聲明,並在修正案生效後12個月內仍不接受此項修正,則在上述期限屆滿時,應停止該政府作為本公約締約方。
(5)本組織應將根據本條生效的任何修正案及每一修正案將生效的日期,一併通知所有締約國政府。
(6)根據本條規定所作的任何接受或聲明,應以書面交存本組織。本組織收到此項接受或聲明,應通知所有締約國政府。
(1)任何締約國政府,在本公約對該政府生效滿5年後,可以隨時退出本公約。
(2)退出本公約,應以書面通知本組織。本組織應將它所收到的退出本公約文件和收到日期,通知所有其他締約國政府。
(3)退出本公約,應在本組織收到退出文件一年後,或文件中可能指定的較長期限後生效。
(1)(a)如聯合國是某一領土的管理當局,或任何締約國政府對某一領土的國際關係負有責任,應儘速與該領土當局協商或採取適當措施,盡力使本公約適用於該領土,並可隨時用書面通知本組織,聲明本公約擴大適用於該領土;
(b)自收到通知之日或通知中可能指定之日起,本公約即開始擴大適用於通知中所述領土。
(2)(a)根據本條第(1)款(a)項提出聲明的聯合國或任何締約國政府,自本公約擴大適用於該領土之日起滿5年後,可以隨時用書面通知本組織,聲明本公約停止擴大適用於通知中所述領土;
(b)自本組織收到上述通知之日起一年後,或通知中可能指定的較長期限以後,本公約即停止擴大適用於該通知中所述領土。
(3)本組織應將根據本條第(1)款擴大適用於任何領土,和根據第(2)款終止此項擴大適用事項,通知所有締約國政府,並逐一說明本公約擴大適用或終止擴大適用的日期。
(1)本公約應交存於本組織,本組織秘書長應將核證無誤的本公約副本,分送所有簽署國政府和所有加入本公約的政府。
(2)本公約一經生效,根據聯合國憲章第102條,本組織秘書長應將公約文本轉送聯合國秘書處,以供登記和公佈。
本公約用英文和法文寫成,計一份,兩種文本具有同等效力。用俄文和西班牙文寫成的正式譯本應與簽署的原本一起存放。
經各國政府正式授權的下列各代表,特簽署本公約,以昭信守。
1969年6月23日訂於倫敦。
(1)船舶的噸位應包括總噸位和淨噸位。
(2)總噸位和淨噸位應根據本規則各項規定予以測定。
(3)新奇型式船艇的總噸位和淨噸位,由於其構造的特點,以致不能合理應用或難以實用本規則各條規定時,應由主管機關決定其總噸位和淨噸位。如果噸位是這樣決定的,主管機關應將為此採用的方法細節通知本組織,以便分送各締約國政府,供其參考。
(1)上甲板
上甲板是指最高一層露天全通甲板,在露天部分上的一切開口,設有永久性水密關閉裝置,而且在該甲板下面船旁兩側的一切開口,也有永久性的水密關閉裝置。如船舶具有階形上甲板,則取最低的露天甲板線和其平行於甲板較高部分的延伸線作為上甲板。
(2)型深
(a)型深是指從龍骨上面量到船舷處上甲板下面的垂直距離。對木質船舶和鐵木混合結構船舶,垂直距離是從龍骨鑲口的下緣量起。倘船舶中央橫剖面的底部具有凹形,或裝有加厚的龍骨翼板時,垂直距離是從船底平坦部分向內延伸與龍骨側面相交的一點量起;
(b)具有圓弧形舷邊的船舶,型深是量到甲板型線和船舷外板型線相交之點,這些線的延伸是把該舷邊看作是設計為角形的;
(c)當上甲板為階形甲板,並且其升高部分延伸超過決定型深的一點時,型深應量到此甲板較低部分的延伸虛線,此虛線平行於甲板升高部分。
(3)寬度
寬度是指船舶的最大寬度,對金屬殼板的船,其寬度是在船長中點處量到兩舷的肋骨型線,對其他材料殼板的船,其寬度在船長中點處量到船體外面。
(4)圍蔽處所
圍蔽處所是指由船殼、固定的或可移動的隔板或艙壁、甲板或蓋板所圍成的所有處所,但永久的或可移動的天蓬除外。無論是甲板上有間斷處,或船殼上有開口,或甲板上有開口,或某一處所的蓋板上有開口,或某一處所的隔板或艙壁上有開口,以及一面未設隔板艙壁的處所,都不妨礙將這些處所計入圍蔽處所之內。
(5)免除處所
雖然本條第(4)款有所規定,本款下列各項(a)至(e)所述處所仍應稱為免除處所,不計入圍蔽處所容積之內。但符合以下三條件之一者,應作為圍蔽處所:
(a)(i)甲板上建築物內某一處所,它面對着高度為全甲板間的端部開口,且開口上沿板的高度不超過其鄰近甲板橫樑的高度25mm(1in),如開口的寬度等於或大於該開口處甲板寬度的90%,則從實際端部開口起,至等於開口處甲板寬度的一半距離繪一與開口線或面相平行的線,這個處所可不計入圍蔽處所之內(見附錄1中圖1);
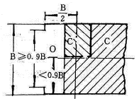
(ii)如該處所的寬度由於任何佈置上的原因,不包括由於船殼板的收斂,使其寬度小於開口處甲板寬度的90%,則從開口線起,至船體橫向寬度等於或小於開口處甲板寬度的90%處繪一與開口平行的線,這個處所可不計入圍蔽處所之內(見附錄1中圖2、3、4);
(iii)如果兩個處所由一間隔區分開,而且間隔區除了舷牆和欄杆外是完全開敞的,則可按(a)(i)或(ii)的規定將其中一個或兩個處所免除量計;但如果兩個處所之間的間隔距離小於間隔區甲板最小寬度的一半,就不適用這種免除(見附錄1中圖5和圖6);
(b)在架空露天甲板下的處所,其開敞的兩側與船體除了必要的支柱外並無其他連接。在這種處所,可以設置欄杆、舷牆及舷邊上沿板,或在船邊安設支柱,但欄杆頂或舷牆頂與舷邊上沿板之間的距離,應不小於0.75m(2.5ft),或不小於該處所高度的l/3,以較大者為準(見附錄1中圖7);
(c)伸展到兩舷的建築物內的處所,其兩側的相對開口的高度不小於0.75m(2.5ft),或不小於建築物高度的1/3,以較大者為準。如果這種建築物只在一側有開口,則從圍蔽處所中免除計量的處所僅限於從開口向內最多伸到該開口處甲板寬度的一半(見附錄1中圖8);
(d)建築物內,直接位於其頂甲板上無覆蓋的開口之下的某一處所,倘這種開口是露天的,則從圍蔽處所中免除計量的處所僅限於此開口區域(見附錄1中圖9);
(e)由建築物的界限艙壁形成的某一壁龕,這種壁龕是露天的,其開口高度為甲板間的全高度,無封閉設備,而且壁龕內寬度不大於其入口處寬度,同時從入口伸至內壁的深度不大於入口處寬度的2倍(見附錄1中圖10)。
(6)旅客
除下列人員外,均為旅客:
(a)船長和船員,以及在船上僱用或從事該船任何業務的其他人員;
(b)一週歲以下的兒童。
(7)載貨處所
淨噸位計算中所包括的載貨處所,是指適宜於運載由船上起卸貨物的圍蔽處所,而且這些處所已經列入總噸位計算之內。上述載貨處所應在易於看到的地方用字母CC(貨艙)作永久性標誌,字母的高度應不小於100mm(4in),以便查核。
(8)風雨密
風雨密是指在任何海況下,水都不會浸入船內。
船舶總噸位(GT)應按下述公式決定:
GT=K1V
其中:
V=船舶所有圍蔽處所的總容積,m3;
K1=0.2+0.02 log10V(或取附錄2表中所示)。
(1)船舶淨噸位(NT)應按下述公式決定:
| NT= K2Vc ( |
4d
|
) 2 + K3 (N1+ |
N2
|
) |
| 3D | 10 |
式中:
| (a)因素 ( |
4d
|
) 2 | 應不大於1; |
| 3D |
| (b) K2Vc ( |
4d
|
) 2 | 應不小於0.25GT; |
| 3D |
(c)NT應不小於0.30GT;
其中:
Vc=各載貨處所的總容積,m3;
K2=0.2+0.02 log10Vc(或取附錄2表中所示);
| K3=1.25 |
GT+10000
|
; |
| 10000 |
D=第2條(2)款中所述船長中點的型深,m;
d=本條第(2)款所述船長中點的型吃水,m;
N1=不超過8個舖位的客艙中的旅客數;
N2=其他旅客數;
N1+N2=船舶乘客證書中所載准許乘客總數;當N1+N2小於13時,N1及N2均取為零;
GT=根據第3條決定的船舶總噸位。
(2)關於本條第(1)款中所指的型吃水,應為下述吃水之一:
(a)對於適用現行《國際船舶載重線公約》的船舶,其吃水相當於按該公約所勘定的夏季載重線(木材載重線除外);
(b)對於客船,其吃水相當於按現行《國際海上人命安全公約》或其他適用的國際協定所勘定的最深分艙載重線;
(c)對於不適用現行《國際船舶載重線公約》而按國家要求勘定其載重線的船舶,其吃水相當於按該國家要求所勘定的夏季載重線;
(d)對於未勘定載重線,但其吃水是按國家要求予以限制的船舶,最大許可吃水即為其型吃水;
(e)對於其他船舶,如以第2條(2)款所述船長中點型深的75%作為型吃水。
(1)當一船的特性,如第3和第4條所述的V,Vc,d,N1或N2有改變,同時這種改變引起船舶按第4條所決定的淨噸位增加時,則此船的淨噸位應迅即按其相應的新特性予以測定。
(2)對於同時按第4條(2)(a)和(2)(b)勘定載重線的船舶,僅需按第4條規定給予一種淨噸位,此淨噸位應適應於按該船從事的業務而勘定的載重線。
(3)當一船的特性,如第3和第4條所述的V,Vc,d,N1或N2有改變,或是因該船從事的業務改變而涉及到本條(2)款所規定的相應載重線改變,並且這種改變引起船舶按第4條所決定的淨噸位減少時,則適合此項淨噸位的新國際噸位證書(1969),應在現行噸位證書簽發之日起12個月以後發給;但這項要求不適用於下述情況:
(a)如果船舶轉移為懸掛另一國家的國旗;
(b)如果船舶經改裝或改建,主管機關認為這種改裝或改建的性質重大,例如因上層建築拆除而需要改變原勘定的載重線;
(c)從事特種業務而載運大量無舖位旅客的客船,例如朝聖業務。
(1)列入總噸位和淨噸位計算中的所有容積,不管是否裝有絕緣物或類似絕緣物,對金屬結構的船舶應量到船殼板內側或結構的邊界板內側;對其他材料結構的船舶,應量到船殼的外表面或結構的邊界內表面。
(2)船體凸出部分的容積,應列入總容積之內。
(3)露天處所的容積,可從總容積中除去。
(1)容積計算中所採用的量度應取至厘米或二十分之一英尺的最近值。
(2)對有關處所的容積應按一般公認的方法計算,並應達到主管機關認可的精確度。
(3)計算應充分詳細,以便於核對。


在下列各圖中:
O = 免除處所
C = 圍蔽處所
I = 作為圍蔽處所的處所
作為圍蔽處所計入的部分劃有影線。
B = 開口處的甲板寬度。對具有圓形舷邊的船舶,此寬度丈量如圖11所示。
| 本規則第2條(5)(a)(i) | 本規則第2條(5)(a)(ii) |
![]() |
![]() |
| 圖 1 | 圖 2 |
| 本規則第2條(5)(a)(ii) | 本規則第2條(5)(a)(ii) |
![]() |
![]() |
| 圖 3 | 圖 4 |
| 本規則第2條(5)(a)(iii) | 本規則第2條(5)(a)(iii) |
![]() |
![]() |
| 圖 5 | 圖 6 |
| 本規則第2條(5)(b) |
![]() |
| 圖 7 |
| 本規則第2條(5)(c) |
![]() |
| 圖 8 |
| 本規則第2條(5)(d) |
![]() |
| 圖 9 |
| 本規則第2條(5)(e) |
![]() |
| 圖 10 |
| 具有圓形舷邊的船舶 |
![]() |
| 圖 11 |
(V或Vc=容積,m3)
| V 或 Vc | |||||||
| 10 | 0.2200 | 45,000 | 0.2931 | 330,000 | 0.3104 | 670,000 | 0.3165 |
| 20 | 0.2260 | 50,000 | 0.2940 | 340,000 | 0.3106 | 680,000 | 0.3166 |
| 30 | 0.2295 | 55,000 | 0.2948 | 350,000 | 0.3109 | 690,000 | 0.3168 |
| 40 | 0.2320 | 60,000 | 0.2956 | 360,000 | 0.3111 | 700,000 | 0.3169 |
| 50 | 0.2340 | 65,000 | 0.2963 | 370,000 | 0.3114 | 710,000 | 0.3170 |
| 60 | 0.2356 | 70,000 | 0.2969 | 380,000 | 0.3116 | 720,000 | 0.3171 |
| 70 | 0.2369 | 75,000 | 0.2975 | 390,000 | 0.3118 | 730,000 | 0.3173 |
| 80 | 0.2381 | 80,000 | 0.2981 | 400,000 | 0.3120 | 740,000 | 0.3174 |
| 90 | 0.2391 | 85,000 | 0.2986 | 410,000 | 0.3123 | 750,000 | 0.3175 |
| 100 | 0.2400 | 90,000 | 0.2991 | 420,000 | 0.3125 | 760,000 | 0.3176 |
| 200 | 0.2460 | 95,000 | 0.2996 | 430,000 | 0.3127 | 770,000 | 0.3177 |
| 300 | 0.2495 | 100,000 | 0.3000 | 440,000 | 0.3129 | 780,000 | 0.3178 |
| 400 | 0.2520 | 110,000 | 0.3008 | 450,000 | 0.3131 | 790,000 | 0.3180 |
| 500 | 0.2540 | 120,000 | 0.3016 | 460,000 | 0.3133 | 800,000 | 0.3181 |
| 600 | 0.2556 | 130,000 | 0.3023 | 470,000 | 0.3134 | 810,000 | 0.3182 |
| 700 | 0.2569 | 140,000 | 0.3029 | 480,000 | 0.3136 | 820,000 | 0.3183 |
| 800 | 0.2581 | 150,000 | 0.3035 | 490,000 | 0.3138 | 830,000 | 0.3184 |
| 900 | 0.2591 | 160,000 | 0.3041 | 500,000 | 0.3140 | 840,000 | 0.3185 |
| 1,000 | 0.2600 | 170,000 | 0.3046 | 510,000 | 0.3142 | 850,000 | 0.3186 |
| 2,000 | 0.2660 | 180,000 | 0.3051 | 520,000 | 0.3143 | 860,000 | 0.3187 |
| 3,000 | 0.2695 | 190,000 | 0.3056 | 530,000 | 0.3145 | 870,000 | 0.3188 |
| 4,000 | 0.2720 | 200,000 | 0.3060 | 540,000 | 0.3146 | 880,000 | 0.3189 |
| 5,000 | 0.2740 | 210,000 | 0.3064 | 550,000 | 0.3148 | 890,000 | 0.3190 |
| 6,000 | 0.2756 | 220,000 | 0.3068 | 560,000 | 0.3150 | 900,000 | 0.3191 |
| 7,000 | 0.2769 | 230,000 | 0.3072 | 570,000 | 0.3151 | 910,000 | 0.3192 |
| 8,000 | 0.2781 | 240,000 | 0.3076 | 580,000 | 0.3153 | 920,000 | 0.3193 |
| 9,000 | 0.2791 | 250,000 | 0.3080 | 590,000 | 0.3154 | 930,000 | 0.3194 |
| 10,000 | 0.2800 | 260,000 | 0.3083 | 600,000 | 0.3156 | 940,000 | 0.3195 |
| 15,000 | 0.2835 | 270,000 | 0.3086 | 610,000 | 0.3157 | 950,000 | 0.3196 |
| 20,000 | 0.2860 | 280,000 | 0.3089 | 620,000 | 0.3158 | 960,000 | 0.3196 |
| 25,000 | 0.2880 | 290,000 | 0.3092 | 630,000 | 0.3160 | 970,000 | 0.3197 |
| 30,000 | 0.2895 | 300,000 | 0.3095 | 640,000 | 0.3161 | 980,000 | 0.3198 |
| 35,000 | 0.2909 | 310,000 | 0.3098 | 650,000 | 0.3163 | 990,000 | 0.3199 |
| 40,000 | 0.2920 | 320,000 | 0.3101 | 660,000 | 0.3164 | 1,000,000 | 0.3200 |
對於V或Vc的中間值,系數K1或K2應用內插法求得。
請使用Adobe Reader 7.0或以上閱讀PDF版本檔案。![]()