|
| |||||||||||
| 經適應化處理 : | |||
| 部份被廢止 : | |||
| 已更改 : | |||
| 相關法規 : | |||
| 相關類別 : | |||
| 《LegisMac》的法例註釋 | |||
第56/96/M號法令
九月十六日
本法規的詞句已被第27/2024號法律適應化處理。
本法規已修改表述 – 請查閱︰第27/2024號法律
第一條
(核准)
核准附於本法規且成為其組成部分之《屋宇結構及橋樑結構之安全及荷載規章》。
第二條
(監察)
土地工務局(葡文縮寫為DSSCU)及其他促進公共工程之實體,負責監察對《屋宇結構及橋樑結構之安全及荷載規章》之遵守。
第三條*
* 不生效 - 請查閱:第27/2024號法律
第四條
(處罰制度)
因不遵守《屋宇結構及橋樑結構之安全及荷載規章》而適用之處罰制度為專有法規之標的。
第五條*
* 不生效 - 請查閱:第27/2024號法律
第六條
(開始生效)
本法規公布六十日後開始生效。
屋宇結構及橋樑結構之安全及荷載規章
第一編
結構安全性之一般標準
第一章
一般規定
第一條
標的及適用範圍
一、本規章之標的為制定一般規則,以確定結構安全,及對其安全確定時所採用之作用作出定義及制定其作用值。
二、本規章適用於一般屋宇、公路橋樑及行人天橋之結構,以及其他種類之結構物可作適度之修正而應用此規章。
第二條
符號及單位
一、本規章所採用之符號係包含於ISO 3898標準中,而其使用原則及相關定義將於附件一中說明。
二、本規章所選用之單位系統為SI單位制,係以八月二十四日第14/92/M號法律及以ISO1000標準為依據,以下為本規章所採用之物理量單位:
| 尺寸 | m; |
| 速度 | m/s; |
| 集中荷載及均佈荷載 | kN, kN/m, kN/m2; |
| 容重、單位重 | kN/m3; |
| 壓力 | kPa; |
| 溫度 | oC; |
| 頻率 | Hz。 |
第三條
結構安全性確定之一般標準
結構安全性之確定應考慮各有關之極限狀態,對結構承受外力作用下而達到之狀態作比較,並且所採用之作用值之制定及其作用效應之組合均按照本規章中相應之規則進行驗算。
第四條
極限狀態
一、整個結構或結構之一部分超過某一特定狀態就不能滿足設計要求之功能,此特定狀態稱為極限狀態。
一般可分為以下兩種極限狀態:
a) 承載能力極限狀態:為結構到達將會喪失其結構穩定性、倒塌或顯著之破壞結果之狀態;
b) 正常使用極限狀態:為結構於所預定期間或重覆使用時到達正常使用之某一項規定限值而不影響結構穩定性之狀態。
二、對於正常使用極限狀態,以下將對其設計基準期作三等級之定義:
a) 極短期:此期間為對應於結構設計使用基準期之數小時;
b) 短期:此期間為對應於結構設計使用基準期之百分之五;
c) 長期:此期間為對應於結構設計使用基準期之一半。
三、當結構以剛體考慮時,必須考慮承載能力極限狀態之情況,例如結構構件或斷面中之過度變形,構件或結構整體之不穩定,結構力學性能之改變及結構局部或整體平衡之喪失等。
四、然而對於考慮正常使用極限狀態之情況,例如結構於正常使用狀態下之不相容變形,混凝土開裂並導致鋼筋受到侵蝕或不美觀,以及結構產生不適當之震動等。
五、建築結構設計時,應考慮各種所指定之極限狀態,及其有關之定義與特性,同時此概念對於各種不同之結構型式及不同種類之材料也均適用。
第五條
結構上作用之分類
為制定作用值及荷載組合之規則,結構上之作用可分為:
a) 永久作用:在設計基準期內其值為固定值,或其變化與平均值相比甚少。例如結構主構體之自重及非主構體之重量、固定之設備重、土壓力、某情況下之靜水壓力、預加應力、混凝土收縮效應及支承沉降等;
b) 可變作用:在設計基準期內其值為可變,且其變化與平均值相比有某程度之變化量。例如樓板活荷載及其動力效應、風荷載、溫度變化、雪荷載、支承間之摩擦力及靜水壓力和動水壓力等;
c) 偶然作用:在設計基準期內此作用出現之概率雖然很低,但應重視其結果,其值可根據由統計所得之標稱值而制定。例如地震作用、爆炸、交通造成之撞擊及火災等。
第六條
作用值之制定標準
一、根據各種情況,作用值可分為標準值、折減值及平均值三種。
二、永久作用所採用之設計值,若其作用值變異性不大,一般採用實際概率分佈之平均值(Gm),但若作用值存有顯著之變異性,則採用標準值(Gk),且其值應根據荷載之設計基準期概率分佈之百分之九十五及百分之五而確定(即作用高標值及低標值)。
可變作用應採用標準值(Qk),其值應根據荷載之設計基準期最大荷載概率分佈之百分之九十五確定(可變作用高標值)。於一般情況中,本規章對概率分佈所考慮之結構設計基準期為五十年。但於風力作用計算時,風荷載標準值之確定應考慮回復期為二百年,係根據統計學上第一類極端分佈評估而得。
三、可變作用之折減值為可變荷載標準值(Qk)乘以組合係數(ψ),同時此值將會用於極限狀態下之荷載組合情況中。
一般而言,以可變荷載標準值(Qk)表示之可變作用折減值,可分為下列幾種:
ψ0Qk ——組合值;
ψ1Qk ——頻繁值;
ψ2Qk ——準永久值;
在本規章中,將制定不同之可變荷載標準值Qk及其對應之組合係數ψ0,ψ1 及ψ2。
第七條
荷載組合之標準
一、結構安全性之確定,應根據各種極限狀態之設計要求,考慮其可能同時出現及對結構產生最不利效應之荷載組合。
二、對於各種不同之荷載組合情況均應對永久作用進行考慮,其作用值可依據作用對結構產生不利或有利之效應而採用永久作用高標值或低標值,然而可變作用則僅對結構產生不利效應之組合情況作考慮。
三、承載能力極限狀態之結構安全性之確定,應考慮兩種荷載組合情況,其相應之設計表達式將詳細描述於第九條中:
a) 基本組合,為永久作用與可變作用之效應組合;
b) 偶然組合,為永久作用與可變作用之外,並與偶然作用之效應組合。
四、對於正常使用極限狀態之結構安全性,其荷載組合之設計表達式應根據第十條之規定,及其組合情況應考慮達到正常使用極限狀態之期間,因此以下為正常使用極限狀態之三種作用效應之組合情況:
a) 稀有組合:適用於極限狀態出現於極短期之情況;
b) 頻繁組合:適用於極限狀態出現於短期之情況;
c) 準永久組合:適用於極限狀態出現於長期之情況。
第二章
結構安全性之確定
第八條
總則
一、結構安全性之確定是按照第三條所述之一般標準為之,並同時應符合:
a) 於極限狀態而言,應對此狀態下所定義之參數限值(如伸長量,變形量,裂縫寬度等)及由荷載作用於結構上並達到此狀態而產生同類之參數值進行比較;
b) 於荷載而言,應對作用之荷載值及導致結構達至極限狀態時所須之同類荷載值進行比較;
c) 於作用效應而言,應對荷載作用於結構上而產生之作用效應及結構達至極限狀態時所得之作用效應進行比較。而一般之作用效應常指結構上之力、彎矩或內應力。
二、根據所考慮之極限狀態和結構行為之理論,按照不同類型之結構物及不同構材之相應規章,並透過極限狀態之定義,可建立出作用值、力、彎矩、內應力及有關參數之關係。
三、對於前所提及之結構安全性之確定規則,將適當地定義於第九條及第十條中,同時應考慮於第六條及第七條中所建立之作用值制定標準及荷載組合標準。
第九條
承載能力極限狀態之結構安全性確定
一、當不考慮結構體之失去平衡或結構材料之疲勞破壞時,承載能力極限狀態之結構安全性之確定應符合下列要求:
Sd ≤ Rd
此處:
Sd——作用效應之組合設計值(結構承受作用所產生之力、彎矩及內應力);
Rd——結構構件之抵抗能力設計值(構件本身所能承受之力、彎矩及內應力)。
本條中以作用效應組合設計值及結構構件抵抗能力設計值之比較作為結構安全性之確定準則之表達式。其中,當確定結構安全性時,可以選擇相應之作用效應值及抵抗能力設計值代入此表達式中作比較。
二、對於計算結構安全性之作用效應組合設計值(Sd)時,考慮此作用效應與外加作用為線性關係,則應考慮以下之荷載組合規定:
a) 基本組合

b) 偶然組合

此處:
SGik——永久作用之荷載效應值,此值選取作用標準值;
SQ1k——首要可變作用之荷載效應值,此值選取作用標準值;
SQjk——次要可變作用之荷載效應值,此值選取作用標準值;
Sfa——偶然作用之荷載效應值,此值選取作用標稱值;
γgi——永久作用之分項安全係數;
γq——可變作用之分項安全係數;
ψ0j, ψ2j ——對應於第j個可變作用之組合係數。
三、對於作用之分項安全係數γg及γq(一般統稱為分項安全係數γf),其值係用於基本組合之計算,為於規章中統一表達各種結構及材料之安全性,其值應依下列指示而選取:
γg=1.35為永久作用對結構產生不利效應之情況下採用;
γg=1.00為永久作用對結構產生有利效應之情況下採用;
γq=1.50適用於所有可變作用。
倘若在基礎安全性之確定時,可根據《地工技術規章》中之規定採用與以上不同之分項係數進行分析。
四、極限狀態下計算結構構件之抵抗能力設計值,應依照有關結構規章中,對不同結構型式及構材考慮構件之斷面承載能力。一般而言,材料性能設計值之確定應根據有關材料規章中所定義之材料性能標準值及材料性能安全係數γm作計算。
五、承載能力極限狀態之安全確定,應對穩定作用及不穩定作用(結構之滑動及傾覆)之荷載效應值進行比較,然而此作用之荷載效應值為結構承受荷載產生之內力及彎矩。
若穩定作用之荷載效應值大於不穩定作用之荷載效應值,則在承載能力極限狀態下結構可視為安全。而此荷載效應值之決定應依照第三款所述,選取適當之分項安全係數γf,及應用第二款中所指定之荷載效應組合,並加以計算而得。
六、對考慮疲勞狀態下之承載能力極限狀態之安全確定,應參照有關之規章,對不同類型之結構及構材,根據疲勞破壞標準而確定。
第十條
正常使用極限狀態之結構安全性確定
一、正常使用極限狀態之結構安全性確定,一般而言,應以此狀態下所定義之參數限值為依據,為於規章中統一考慮不同型式之結構及構材之安全性,其分項安全係數(γf)及材料性能安全係數(γm)均採用為1。
二、結構按正常使用極限狀態設計應符合下列要求:
ps ≤ pl
此處:
pl ——正常使用極限狀態下所定義之參數限值。(如最大容許裂縫寬度,最大容許撓度值等);
ps ——經由荷載組合分析後之同類效應參數值。
三、倘若考慮由正常使用極限狀態所確定之參數值與外加作用為線性關係時,則應考慮以下之作用效應之組合規則。
a)極短期效應之極限狀態情況——稀有組合:
在此荷載組合中,永久作用之設計值可採用其平均值(Gm)。而可變作用,首先考慮首要可變作用之設計值,其值一般採用標準值(Qk),同時,其餘之次要可變作用之設計值可採用其頻繁值(ψ1 Qk)進行作用效應之組合。

b)短期效應之極限狀態情況——頻繁組合:
在此荷載組合中,永久作用之設計值可採用其平均值(Gm)。而可變作用,首先考慮首要可變作用之設計值,其值可採用其頻繁值(ψ1 Qk),同時,其餘之次要可變作用之設計值可採用其準永久值(ψ2 Qk)進行作用效應之組合。

c)長期效應之極限狀態情況——準永久組合:
在此組合中,永久作用之設計值可採用其平均值(Gm),而可變作用之設計值則採用其準永久值(ψ2 Qk)。

此處:
PGim ——永久作用下,經由分析後所產生效應參數值,此值取其平均值;
PQ1k——首要可變作用下,經由分析後所產生之效應參數值,此值取其標準值;
PQjk——次要可變作用下,經由分析後所產生之效應參數值,此值取其標準值;
ψ1j, ψ2j ——對應於第j個可變作用之組合係數。
第二編
作用值之制定
第一章
永久作用
第十一條
總則
一、在結構安全確定中考慮永久作用時,其作用值之變化甚少,因此可將其平均值指定為設計所用之永久作用標準值。
二、對支承之承載能力及土壓力設計標準值之制定,應注意選取適當之相關參數,並應遵照《地工技術規章》之規定。
三、若結構物與海水接觸,應考慮平均海平面所對應之靜水壓力,並以永久作用考慮。而此作用中海平面相對平均海平面發生變化時,應與風力作用同時考慮,並根據由海事署編寫之澳門水域環境“Meio Hídrico de Macau”一書中所訂立之指引進行分析。
第十二條
材料容重
一、計算建築物各構件之重量時,應根據此構件所使用之材料容重,並按實際使用情況進行評估。
二、在應用容重值作計算時,若無其他更準確之材料容重資料,則可採用附件二中所列出之常用建築材料容重值。
第十三條
建築物間隔牆之重量
建築物設計時,應把荷載有效分佈於樓板上,然而間隔牆之重量可視為一永久均勻分佈荷載作用於整個樓板中。其值之估計,可取1米長度之固定牆壁,及根據其厚度和高度計算其重量之25%,並以每平方米此重量之均佈荷載,作為間隔牆之荷載標準值。
第二章
溫度變化之作用
第十四條
總則
一、對結構物在大氣中溫度變化產生之作用,可考慮兩類型之溫度變化情況:均勻溫度變化及不均勻溫度變化。
二、均勻溫度變化為對應於每年之環境溫度之變化,其變化為緩慢且連續之受熱狀況,故此可假定為結構各構件均承受均勻溫度變化。
三、不均勻溫度變化為對應於環境溫度之迅速變化,其特性為每日改變或因不同氣候而改變,故此可導致結構物承受大幅度改變之受熱情況。
第十五條
均勻溫度變化
一、均勻溫度變化之設計標準值係針對當地全年平均氣溫而確定,為於規章中統一各種結構及構材之安全性,可參照以下所列示之溫差值作設計:
| •無保護設施之金屬結構 | + 30oC 及 -20oC; |
| •有保護設施之金屬結構、鋼筋混凝土、預應力混凝土結構及木結構 | ±10oC。 |
此處所提及之“結構保護設施”,係指能把熱能從構件中隔開之良好隔熱設施。
對在施工期間進行結構物各構件之安裝時,溫度之變化除根據當地全年平均氣溫外,並須以現場實際環境作全面之考慮。
二、在當地全年平均氣溫下之均勻溫度變化之設計折減值,可透過以下之荷載組合係數求得,分別為ψ0 = 0.6;ψ1 = 0.5;ψ2 = 0.3。
第十六條
不均勻溫度變化
不均勻溫度變化之情況係根據結構之受熱特性對每一個別情況作考慮。在分析及設計時,並同時可參考對於不同型式之結構物在此問題上之專業技術規章。
第三章
風力作用
第十七條
風力作用之制定
一、風力作用係空氣在建築物之間移動,對結構物所造成之相互作用,並且風壓力係作用於結構物之表面。
陣風速度之設計標準值vkh,係離地高度h之函數,並由地面粗糙度而分類,可經由下列表達式求得。在此表達式中,第一部分係對應於風力之平均速度,而第二部分則考慮亂流導致風速產生波動之影響。
| 第一類粗糙度 | vkh = 46 | h | 0,12 | + 19; | ||
| 10 |
| 第二類粗糙度 | vkh = 34 | h | 0,20 | + 19. | ||
| 10 |
此處:
vkh——離地h高度處之陣風速度標準值,以每秒米(m/sec)表示;
h——離地高度,以米(m)表示。
位於靠近沿海地帶,風力可由海中直接吹襲地區之建築物,可考慮為第一類粗糙度情況。而其他情況則可以第二類粗糙度作考慮。
對位於斜坡之建築物,計算離地高度,應以圖一所定義之參考面求得,此處以虛線表示。
二、風力作用一般可考慮為水平作用於任何方位上。
三、風力作用所採用之數據係根據地球物理氣象局所提供之資料進行分析,此風力資料於嘉樂庇大橋及大炮台中錄得。所採用之風荷載標準值係對應於以二百年為回復週期所量度之陣風速度,並根據統計學上第一類極端分佈評估而得。

圖一
第十八條
風力作用對結構物影響之決定
一、風力作用對結構物之影響情況,可由理論分析方法或經驗法求得,同時應考慮上條之建議及結構物之空氣動力特性而確定。
二、於一般情況中,計算由風力作用所產生之外力,可透過簡化結構物之形狀,同時假設此外力作用於建築物之表面,並為靜壓力。然而此靜壓力之求得,可由第十九條所定義之風荷載標準值乘以空氣動力係數(此處為形狀係數),並將定義於第二十條中。然而,此簡化程序計算所得之結果並不能滿足於分析結構承受較低結構自然頻率之震動,或分析容易受到不穩定空氣動力所影響之結構,或分析在風力作用方向之橫向上承受顯著震動之結構等,對此類情況在分析時應採用結構動態分析。
三、對評估由風力作用導致結構物產生之最大位移之影響,可根據結構物之結構類型及相關規章中所定出之容許最大位移值來確認。
第十九條
風荷載標準值
一、離地面任一高度h處之風荷載標準wkh,可由其相應高度h處之陣風速度標準值vkh求得,其表達式為:
| wkh= | vkh 2 | |
| 1632 |
此處:
vkh——離地面h高度處之陣風速度標準值,以每秒米m/s表示;
wkh——離地面h高度處之風荷載標準值,以kPa表示。
計算風荷載標準值時,可透過以上之表達式,或採用表一所建議之簡化形式。在表一中,將風力作用於建築物上之不同高度分為數個固定範圍之階梯式風壓圖,並定出各高度範圍內對應之風荷載標準值及陣風速度值。當採用此簡化方式時,應按結構物之整體高度細分為指定之階梯式高度,並分別對每一區段求其風荷載值之合力。
二、風荷載之折減值應依照以下之係數確定ψ0 = 0.4;ψ1 = 0.2;ψ2 = 0。然而,若結構之使用情況為第二十七條第三款及第四款所指定之樓宇用途,當以風力作用為首要可變作用,並進行荷載組合時,應採用 ψ0 = 0,6。
表一•風力作用(簡化形式)
| 離地高度h(m) | 風荷載標準值wkh (kpa) |
陣風速度標準值vkh (m/s) (km/h) |
||||
| 第一類 | 第二類 | 第一類 | 第二類 | |||
| 0至10 | 2.59 | 1.72 | 65.0 | 234 | 53.0 | 191 |
| 10至30 | 3.13 | 2.31 | 71.5 | 257 | 61.4 | 221 |
| 30至50 | 3.43 | 2.66 | 74.8 | 269 | 65.9 | 237 |
| 50至100 | 3.89 | 3.26 | 79.6 | 287 | 72.9 | 262 |
| 100至150 | 4.19 | 3.67 | 82.7 | 298 | 77.4 | 279 |
| 150至200 | 4.42 | 4.01 | 84.9 | 306 | 80.9 | 291 |
| 200至250 | 4.60 | 4.30 | 86.7 | 312 | 83.7 | 301 |
| > 250 | 4.77 | 4.55 | 88.2 | 317 | 86.1 | 310 |
第二十條
形狀係數
一、計算風力作用時,在此採用兩種不同之形狀係數:風壓係數及風力係數,對該兩形狀係數之說明及目前較常使用之情況,請參閱附件三。
二、風壓係數δp,係用於計算風力作用於建築物上所產生之壓力值Ph,而此壓力可作用於建築物之某一特定之表面上或某一區間上,並正交於其表面,可表達為:
Ph = δp wh
建築物由於風力作用在其表面承受風壓力,而此壓力對建築物上之構件,可視為外壓力及內壓力之相互作用結果。然而計算外壓力可透過外風壓係數δpe,該係數之大小取決於建築物之形狀、風力作用方向及風力之大小等。若建築物表面出現開孔之情況,則會導致內壓力之產生,而此內壓力之計算可透過內風壓係數δpi,該係數之決定除取決於前述之因素外,並應考慮建築物上開孔位置之分佈情況。對風壓力作用於構件表面時,外風壓係數δpe及內風壓係數δpi分別以正號或負號來表示該壓力作用在構件表面係壓力或吸力。
三、風力係數δf,係直接計算風力作用於建築物上或任一構件中,所造成之作用合力F,可表達為:
F = δf wh Ah
在上式中,Ah係風力作用於結構立面上之投影面積,亦即結構承受風壓之平面,垂直投影於與風向成正交之平面上之面積,並應根據上條中之簡化形式,求出此面積區間中,相應高度下之風荷載標準值wh,並可應用上式計算作用合力。
第四章
地震作用
第二十一條
地震作用之制定
一、地震作用係地震發生期間,土體產生震動,並經由土壤傳遞到結構體中而產生之作用。
二、地震作用之荷載標準值,根據建築物位於不同之地震區域而有所不同,在設計時可透過震力係數αE 反映不同地震區域之地震情況。然而,在整個澳門特別行政區中,屬於較小之地震等級,並選取震力係數為0.5。
三、在一般情況中,只須考慮地震作用於水平方向上,對一些對震動特別敏感之結構物才考慮地震作用於垂直方向上。
第二十二條
地震作用效應之決定
一、橋樑及屋宇設計須遵照以上所定之要求,並根據簡化模式決定地震作用效應。在分析時,可考慮地震力分別作用於結構物之兩個方向,並利用第二十三條所定義之地震影響係數以及第二十四條所指定之方法,分別按結構高度建立水平地震力之豎向分配,並可以此計算出結構線性行為內之地震作用效應。
地震分析時,樓宇應符合以下之要求:
a) 結構平面中,質量與剛度不應有不成比例之分佈出現;即在每一方向上各樓層之質量中心與剛度中心間之距離不可大於該方向上結構物寬度之15%;
b) 隨著結構高度之增加,質量與剛度不可出現過大之變化;
c) 結構框架應係正交之網格式及應避免過大之變形出現;即結構物之基本自然頻率大於0.5Hz及大於8除以樓層數目之商數時,可視為並不出現過大變形;
d) 承受地震水平靜力作用之各樓層可考慮為不變形平面。
地震分析時,橋樑應符合以下之要求:
a) 必須以垂直支柱作為上部結構之支承;
b) 對於橋樑縱軸為近似直線和橋支座方向成一夾角時,此情況可不予考慮;
c) 橋樑各跨距不應有過大之改變,而且橋樑縱軸之垂直面應為結構對稱平面。
二、對不能滿足上款要求之結構物,可把結構視為存有某程度之延性,以靜態分析之簡化方法求取地震作用效應。
然而,對於其他情況,得以動態分析方法決定地震作用效應。
三、倘若考慮地震作用於垂直方向時,可將作用於水平方向之地震總水平靜力折減三分之一考慮為作用於垂直方向上之地震總靜力,並應用簡化模式決定此方向之地震作用效應。
四、計算地震作用效應時,在初步分析中,倘若結構任何兩個相鄰垂直支承構件之相對位移小於此相鄰構件之距離之1.5%,則不需對結構之整體不穩定性作考慮。
第二十三條
地震影響係數
一、對符合上條第一款所描述之結構物,定出地震分析之方向,並確定地震影響係數,當該係數乘以結構之重力荷載作用值便得出結構總水平地震作用靜力值。然而重力荷載作用值係結構物之永久荷載及準永久荷載之總和,最後將該總水平地震作用靜力值適當地分配於結構中,便可藉此求得該方向上之地震作用效應。
二、地震影響係數βE一般採用0.33αE。但若結構物在分析之方向上視為存有某程度之延性,則可根據該類結構之破壞準則,將影響係數折減至0.24αE,而該折減方法並不適用於第三組作社會設備用途之建築物。
第二十四條
水平地震作用靜力值之分配及確定
一、根據上條之定義,應用地震影響係數便可定出結構總水平地震作用靜力值。在設計時應假設地震力分別作用於兩個方向,並應同時作考慮。而總水平地震靜力應按結構物各樓層不同之質量作分配,並且地震影響係數、樓層質量和結構之變形模式均係此地震靜力之函數。
二、對一般屋宇,水平地震靜力可假設為作用於不同樓層上,並可將各樓層視為不同高度之質點。一般而言,只須考慮水平方向之地震作用就已經足夠。
對應於已定之地震分析方向,質點i之水平地震作用靜力值Fki可按下列公式確定:

此處:
βE——對應於設計方向上之地震影響係數;
hi——從地面至質點i之高度值;
Gi——為集中於質點i之永久荷載值及準永久荷載值之總和;
n——從地面算起質點或樓層之數目。
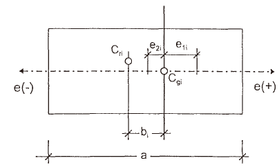
然而,此水平地震靜力應考慮為同時作用於各質點或樓層上,並以e1i或e2i之偏心距離通過質心位置,於設計時應考慮較不利之偏心情況。從圖二中,可由質心定出偏心之位置,並說明偏心距離之求取方法。
|
|
|
| e1i = 0.5bi + 0.05a e2i = 0.05a a- 垂直於地震靜力F之方向上之結構物寬度 Cgi-第i樓層中質心位置 Cri-第i樓層中剛心位置 |
|
圖 2
若結構於地震方向上存在一結構對稱平面,而抗震構件係均勻佈置於其上。在地震分析時,地震之偏心作用效應可考慮為作用於此對稱面上之總水平地震靜力及ξE 係數之乘積,此係數將定義為:
| ξE = 1 + | 0, 6 x |
| a |
X係前述對稱面與所考慮之構件間之距離。
三、於橋樑分析中,地震力可考慮為水平作用於橋樑上,並集中作用於橋樑質量較大之地方,故可把結構適當地按質量分為數個質點,並將水平地震靜力作用於其上。
對一已定之地震設計方向,質點i之水平地震作用靜力值Fki可按下列公式確定:
|
Fki = ( 2 π f )2 |
βE Gi di |
| g |
此處:
f ——對應於設計方向上,結構物之基本自然振動頻率,可由動態分析中求得;
βE——對應於設計方向上之地震影響係數;
Gi——為集中於質點 i 之永久荷載值及準永久荷載值之總和;
di——對應於設計方向上,荷載Gi作用於結構上所導致之位移值;
g——重力加速度。
第五章
屋宇特別荷載
第二十五條
總則
一、在本章中討論及制定屋宇設計所使用之活荷載值標準,然而此活荷載值係根據屋宇之用途不同而有所改變。基本上可分為屋頂活荷載、樓板、露台、通道之活荷載、以及作用於欄杆與女兒牆上之活荷載。
二、對其他不屬於屋宇使用時出現之活荷載,將於本規章之相關章節中訂立。
第二十六條
屋頂活荷載
一、為着本條之效力,把屋頂定義為下列兩類:
a) 可上人屋頂——此屋頂之組成係建築物主構件之一部分,且係一般正常使用之樓板,及有預定之用途及目的;
b) 不可上人屋頂——此類屋頂係不允許任何人進入,只在進行維修時才可通過。
二、對由人群集中所造成屋頂之作用荷載標準值之考慮,如下列所示:
a) 可上人屋頂:在此類屋頂中,屋頂荷載標準值可考慮為2.0 kN/m2之均勻分佈荷載作用於其上,但倘若此屋頂要承擔某些特別之功能及用途時,就應按照其用途類型,並根據第二十七條及第二十九條之規定去考慮適當之荷載標準值;
b) 不可上人屋頂:在此類屋頂中,屋頂荷載標準值可考慮為1.0 kN/m2之均勻分佈荷載作用於其上,但對於工業建築物之不可上人屋頂可採用0.5 kN/m2之均佈荷載作為荷載標準值。
三、於一般情況中,屋頂荷載並無作用荷載折減值。然而,倘若可上人屋頂在使用上,其主要荷載並不是由於人群集中之情況而產生(可參考第二十七條第三款之使用情況),可以根據第二十七條第五款中之規定適當地採用荷載折減值。
第二十七條
樓板活荷載
一、樓板活荷載之確定,根據第14/2021號法律《都市建築法律制度》及第38/2022號行政法規《都市建築法律制度施行細則》中所採用之住宅樓宇分類,並按照設計時預知之樓板用途而制定出樓板荷載標準值,並將於下加以說明。
二、在該類用途中,樓板之主要荷載為人群集中所造成,而荷載標準值之採用係根據下列之樓板用途型式,並可參閱附件四之說明。
a) 設計區間預定為私人用途之性質...................................................................2.0 kN/m2;
b) 設計區間預定為聚集用途之性質,並沒有特別之集中情況出現...............3.0 kN/m2;
c) 設計區間預定為聚集用途之性質,並有中等程度之集中情況出現...........4.0 kN/m2;
d) 設計區間預定為聚集用途之性質,並可能有高度集中情況出現...............5.0 kN/m2;
e) 設計區間預定為聚集用途之性質,並可能有非常高度集中情況出現...... 6.0 kN/m2。
倘若結構構件或基礎所支承之樓層數目大於2時,在計算構件支承力及基礎設計時,允許將活荷載乘以折減係數αn予以折減,αn可由下式求得:
| αn = | 0,7n + 0,6 |
| n |
此處:
n——結構構件或基礎所支承之樓層數目。
倘若樑於其跨度內所支承之樓板面積大於20m2,則樑設計時,允許將活荷載乘以折減係數αA予以折減,αA可由下式求得:
| αA = 0,5 + | A0 | ≥ 0,6 及 ≤ 1,0 |
| A |
此處:
A0—10.0 m2;
A——樑跨度內所支承之樓板之影響面積。
三、然而,若樓板之主要荷載並不是因為人群集中所造成,則樓板荷載可根據每一個別使用情況,作出適當之調整而建立出荷載標準值。對某些使用情況,可考慮下列之荷載最小值,即設計時所用之荷載不可小於此值。
- a) 存放重型設備之辦公室,非住宅用途建築物之廚房...... 4.0kN/m2;
- b) 大型文件,檔案儲存室...................................................... 5.0kN/m2;
- c) 輕工業廠房之工作室.......................................................... 5.0kN/m2;
- d) 輕型車輛之車庫
- 個別的............................................................................... 4.0kN/m2;
- 公共的............................................................................... 5.0kN/m2;
e)專用於停泊輕型客車的停車場,因其空間的大小,尤其淨高度限制從地面算起約為2.20m,不允許較大型的車輛使用,且不能在其上進行任何維修活動,該等停車場可採用3.0kN/m2的均勻分佈荷載作為活荷載值,又或當考慮較不利的情況時,可採用相距1.80m的兩車輪所形成的輪軸,以邊長為0.20m正方形的車輪著地接觸面積,以及每一車輪傳遞15kN集中荷載為活荷載。*
* 已更改 - 請查閱:第19/2024號行政法規
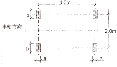
四、對預留作停車用途之樓板,根據經第39/2022號行政法規核准的《樓宇及場地防火安全技術規章》中消防車及其自動雲梯之駕駛及操作,該樓板應能承載總重為230kN且由每兩車輪所成之輪軸間之距離為4.5m之車輛,其平面配置及大小將示於圖三中。然而經由每一輪軸所傳遞之車輛荷載Qr及車輛與地面之接觸面尺寸(a及b)如下所示:
Qr = 75 kN (前輪軸)及 155 kN(後輪軸);
a = 0.20 m; b = 0.60 m

圖三
五、當設計時不能明確定義間隔牆之正確位置,甚至之後由使用者自定。對該情況,設計時考慮之間隔牆重量應根據第十三條之規定,計算牆身之重量,並換算為每平方米之均勻分佈荷載作用於樓板上。
六、樓板荷載之折減值係透過ψ係數表示,並列示於表二中。
表二•樓板活荷載
ψ係數
| 樓板之使用情況屬於第二十七條 | ψ0 | ψ1 | ψ2 |
| 第二款a, d*, e 項 | 0.4 | 0.3 | 0.2 |
| 第二款b, c項及第三款a項 | 0.7 | 0.6 | 0.4 |
| 第三款b, c, d, e項 | 0.8 | 0.7 | 0.6 |
| 第四款 | 0.4 | 0.3 | 0.2 |
*對於運動場及等候室之ψ係數,可考慮為
ψ0 = 0,7;ψ1 = 0,6;ψ2 = 0,4
第二十八條
露台活荷載
一、對露台、或與露台提供同類功能之地方(例如某些看台)之荷載標準值,可考慮鄰接於女兒牆之1m寬度露台採用 5.0 kN/m2 之均佈荷載值,而其餘之露台表面,可按照第二十七條及第二十九條之規定,以其相鄰區間之荷載值作為該餘下部分之荷載標準值。
二、露台活荷載折減值,通常均採用與露台鄰接之區間之荷載折減值作為露台荷載折減值,並且露台荷載應考慮為均佈荷載作用於整個露台表面。
第二十九條
連通道活荷載
一、連通道活荷載係指一般之樓梯、斜坡道、彎道、穿廊、走廊及迴廊之作用荷載。對大部分之使用情況,應採用與該連通道相接之樓板荷載作為該連通道荷載標準值,但該處對住所內部之走道及連通道則屬例外情況。並且該標準值不應少於下列之荷載值:
| 於私人地方上 | 3.0 kN/m2 |
| 於公共地方上 | 5.0 kN/m2 |
二、對預留作停車用途之通道,根據經第39/2022號行政法規核准的《樓宇及場地防火安全技術規章》中消防車及其自動雲梯之駕駛及操作,該通道之樓板應能承載具有第二十七條第四款所定義之特性之車輛及其荷載。
三、連通道荷載折減值,通常透過係數 ψ 表示,並採用與該連通道相接之樓板荷載折減值作為該連通道之荷載折減值。
第三十條
活荷載之動力效應
在本章中已先後對不同使用情況定出活荷載標準值,但在設計時也須相應地考慮動力效應。然而此活荷載之動力效應可由機器之震動,高架起重機及機械設備之配置而產生,因此在設計時應按照實際情況,適當地加以考慮其產生之動力效應。
第三十一條
欄杆及女兒牆之活荷載
對建築物上之欄杆及女兒牆之荷載,可考慮為一均佈荷載水平作用於欄杆或女兒牆之上方,而其荷載標準值如下所示:
a) 位於私人用途之地方.....................................................................1.0 kN/m;
b) 位於聚集用途之地方,並無集中或中等程度集中情況出現......2.0 kN/m;
c) 位於聚集用途之地方,並有可能有非常集中情況出現..............3.0 kN/m。
對於欄杆及女兒牆荷載,並無荷載折減值。
第六章
道路橋樑之特別荷載
第三十二條
總則
一、本章中所要制定之荷載係與交通道路有直接之關係,其中除活荷載標準值外,還包括其固有效應(如離心力、制動力和起動力),同時對於行人道上之荷載,道路欄杆及防欄上之水平荷載,以及風力對車輛之作用均一一作討論。
然而對其他不屬道路橋樑所指定之作用,將於本規章其他章節中訂立。
二、在考慮離心力及制動力(或起動力)之作用效應時,通常以一荷載作用之形式計算離心力及制動力之效應。而該荷載值之大小係直接取決於車輛荷載而得。
在設計及分析時,並不須考慮離心力及制動力(或起動力)於同一時間出現,並產生作用。
第三十三條
活荷載
一、於道路橋樑中,考慮車輛於行車線上移動,大致上可把作用荷載區分為兩類,其定義及相應之道路橋樑荷載標準值將於下列段落中加以說明:
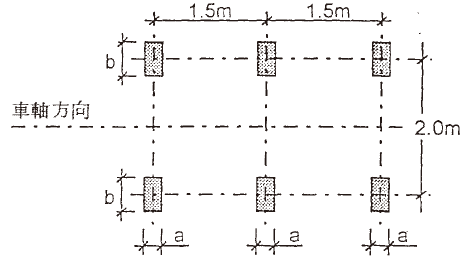
a)車輛以每兩輪為一輪軸,並視為等間距之三輪軸分佈,而車輛之平面位置及車輪及地面之接觸面大小將示於圖四中。
經由每一輪軸所傳遞之車輛荷載Qr及車輪與地面之接觸面尺寸(a及b)如下所示:
Qr = 200 kN; a = 0.20 m;
b = 0.60 m;
b) 可將作用荷載視為一均勻分佈之面荷載 qr1,及單一之均佈線形荷載 qr2 橫向作用於道路橋樑上,其值如下:
qr1 = 4 kN/m2; qr2 = 50 kN/m;
然而此荷載之折減值,可透過下列係數求得:
ψ0 = 0.6;ψ1 = 0.4;ψ2 = 0.2。

圖四
二、對上款所定義之車輛荷載,在設計時考慮面荷載作用於縱向上,並應考慮線荷載橫向作用於最不利之位置上。根據車輛在道路橋樑上運行,應定出各車道之位置及方向,但通常將車軸視作平行於橋樑之縱軸方向。然而,若道路橋樑中有兩條車道,且此兩車道為相同行車方向,則在分析時,應考慮車輛荷載分別作用於各車道上或荷載同時作用於兩車道上,對多車道之道路橋樑均應以此進行核算。
三、考慮土壓力對道路橋樑所造成之荷載效應時,得假設一均佈荷載作用於車道上,其標準值為10 kN/m2。而該荷載之折減值可參考第一款所定之ψ係數值。
第三十四條
離心力
位於曲線上之橋樑,應考慮離心力之作用,而該離心力可視為一水平力法線方向作用於橋樑縱軸,離心力之著力點可簡化地視為作用在橋面上。在設計時,離心力等於均佈之車輛荷載乘以離心力係數αr ,當考慮折減情況時,將此離心力乘以折減係數 βr而得出新之設計值,其中各係數之表達式為:
|
αr = |
Vr2 |
| 127 r |
此處:
Vr —— 彎道上之最大設計行車速度,以每小時仟米表示 (km/h);
r —— 曲率半徑,以米表示(m)。
折減係數βr 為:
| βr = | 5000 |
| Vr2 + 5000 |
此處Vr同為以上定義之行車速度,亦以每小時千米表示 (km/h)。
第三十五條
制動力
制動力為車輛在橋樑上改變速度或剎車時,對橋面所造成之合作用效應,此制動力可視為一縱向之均佈荷載,平行於橋樑縱軸方向,而水平作用於橋樑上,其著力點可簡化地視為作用在橋面上。在計算制動力時,此縱向均佈荷載可考慮為某一寬度下之線形均佈荷載,其荷載標準值為30 kN/m。
第三十六條
道路橋樑上之行人道、欄杆及防欄之作用
一、對道路橋樑上之行人道,在設計時應考慮一均勻分佈荷載或一集中荷載作用於其上,並以其最不利之情況作設計。其相應之荷載標準值為3 kN/m2及20kN。
行人道上之均佈荷載折減值,可由以下之ψ係數求得:ψ0 = 0.6;ψ1 = 0.4;ψ2 = 0.2。對行人道上之集中荷載則無荷載折減值。
二、對道路橋樑上之欄杆,在設計時應考慮一線形均佈荷載水平作用於欄杆之上方,其荷載標準值為1.5kN/m,該欄杆荷載並無荷載折減值。
三、對道路橋樑上之防欄,在設計時應考慮一水平之集中力,以法線方向或切線方向作用於防欄上,其荷載標準值為20kN,該防杆荷載並無荷載折減值。
第三十七條
車輛上之風力作用
車輛上之風力作用,主要為風力作用於車輛上,並經由車輛把作用效應傳遞到道路橋樑中。決定此效應時,應根據第三章之規定。在此風力作用面可考慮為地面至2.5m高之矩形範圍作為受風面。
第七章
行人天橋之特別荷載
第三十八條
總則
在本章中制定行人天橋之橋面板上之活荷載及作用於行人天橋之欄杆上之活荷載,然而此荷載並不包括單車及電單車之重量。
對其他不屬該行人天橋所指定之作用,將於本規章其他相關之章節中訂立。
第三十九條
活荷載值
於分析設計行人天橋時,可考慮荷載作用於橋面板上最不利之位置,並可視為一均勻分佈荷載作用於其上,而荷載標準值可考慮為4 kN/m2。
荷載之折減值可透過以下係數求得:ψ0 = 0.4;ψ1 = 0.3;ψ2 = 0.2。
第四十條
欄杆上之作用
對行人天橋上之欄杆,可考慮為均佈荷載水平作用於欄杆之上方,其荷載標準值可考慮為1.5 kN/m,且並無荷載折減值。
———
附件一 根據ISO3898規定所選定之符號說明
大寫拉丁字體
A 作用
F 風壓力所造成之合力
Fa 偶然作用
G 永久作用
Q 可變作用
Qr 經由車軸傳遞之車輛荷載
R 抵抗力
S 作用效應值
小寫拉丁字體
a,b車輪著地時接觸面之尺寸
d 距離
e 計算地震效應之靜力偏心距離
f 某一震態下結構體之基本自然震動頻率
g 重力加速度
h 離地高度
p 正常使用極限狀態之安全校訂參數
qr1, qr2 道路橋樑之車輛均佈荷載設計值
r 曲率半徑
vkh離地h高度處之風速標準值
vr彎道上之最大設計行車速度
wkh離地h高度處之風荷載標準值
大寫希臘字體
ψ 可變作用之荷載組合係數
ψ0 可變作用代表值之荷載組合係數
ψ1 可變作用頻繁值之荷載組合係數
ψ2 可變作用准永久值之荷載組合係數
小寫希臘字體
αr離心力計算之α係數
αE 震力係數
βr 離心力計算之折減係數
βE 地震影響係數
γf 作用分項係數
γg 永久作用分項係數
γm 材料性能分項係數
γq 可變作用分項係數
δp 風壓係數
δf 風力係數
ξE 地震作用下之地震力放大係數
下標指示
d 意指某一物理量之設計值
k 意指某一物理量之標準值
m 意指某一物理量之平均值
附件二 常用建築材料容重值
| 材料 | 容重值 (kN/m3) |
|
混凝土: |
|
|
﹣素混凝土 |
24.0 |
|
﹣鋼筋混凝土 |
25.0 |
|
水泥砂漿 |
22.0 |
|
水泥: |
|
|
﹣水泥視重 |
14.0 |
|
﹣水泥容重 |
31.0 |
|
砌體: |
|
|
﹣實心磚 |
22.0 |
|
﹣空心磚 |
16.0 |
|
瀝青 |
13.0 |
|
瀝青混凝土 |
19.0 |
|
土壤: |
|
|
﹣平均值 |
18.0 |
|
﹣聚密均勻粒狀土 |
20.0 |
|
石英砂 |
26.0 |
|
水 |
9.8 |
|
軟木(水松): |
|
|
﹣粒狀 |
1.2 |
|
﹣壓縮成型 |
3.8 |
|
玻璃 |
26.0 |
|
鋁 |
27.0 |
|
銅 |
88.0 |
|
黃銅 |
83.0 |
|
青銅 |
88.0 |
|
鐵 |
76.0 |
|
鋼: |
|
|
﹣結構鋼 |
77.0 |
|
﹣鋼筋 |
78.5 |
|
鉛 |
111.0 |
|
鋅 |
70.0 |
附件三 風力作用之形狀係數
1. 風力係數 δf
1.1閉合式建築物
風力係數 δf係應用於整個建築物上,但假若建築物由個別獨立單元組成,並形成高底狀且凸出於一般屋頂,在此情況中,應將建築物之各單元作獨立分析。
對閉合式建築物之風力係數 δf,可由係數 Ch,Cs 及 RA之乘積求得:
δf = Ch Cs RA
於下列表一至表三中,分別根據建築物外觀之大小,建築物之幾何平面,以及垂直於風向之建築物正投影面積來求取係Ch , Cs 及 RA之數值。
表一. 均勻斷面之閉合式建築物之Ch係數
| 高度/寬度 | Ch |
| ≤1.0 | 0.95 |
| 2.0 | 1.00 |
| 4.0 | 1.05 |
| 6.0 | 1.10 |
| ≥10.0 | 1.20 |
| 註:對於高度/寬度之比值為中間值,可以線性插值法求其對應值。 | |
表二. 均勻斷面之閉合式建築物之Cs係數
| 建築物平面 | Cs | ||||||||||||||||||||||||
|
|
||||||||||||||||||||||||
|
|
0.75 | ||||||||||||||||||||||||
|
其他形狀 |
採用與閉合式矩形之相同風向的Cs值。 | ||||||||||||||||||||||||
表三. 均勻斷面之閉合式建築物之RA係數
| 正投影面積(m2) | RA |
| ≤ 500 | 1.00 |
| 800 | 0.97 |
| 1000 | 0.96 |
| 3000 | 0.92 |
| 5000 | 0.89 |
| 8000 | 0.86 |
| 10000 | 0.84 |
| ≥15000 | 0.80 |
| 註:對於正投影面積為中間值時,可以線性插值法求其對應值。 | |
1.2 開孔式建築物
對開孔式建築物之風力係數δf可從表四求得,而該係數為與開孔總面積及外觀表面積成一比例關係,並由Φ值表示。
然而Φ值係建築物在受風面上之正投影面積與該面上建築物外圍和開孔內部之總面積之比值。
表四. 開孔式建築物之風力係數δf
| 係數Φ | δf |
| 0.01 | 2.0 |
| 0.1 | 1.9 |
| 0.2 | 1.8 |
| 0.3 | 1.7 |
| 0.5 | 1.6 |
| 0.8 | 1.6 |
| 0.9 | 1.8 |
| 1.0 | 2.0 |
| 註:對於Φ值為中間值時,可以線性插值法求其對應值。 | |
2. 風壓係數δp
2.1 外風壓係數 δpe
對一般較常出現之矩形平面之建築物,其外風壓係數值將列於表五至表七中。
表五. 建築物外牆之外風壓係數 δpe
| 建築物之 幾何形狀關係 (*) |
建築 平面 |
風力 方向 α (度) |
建築物表面之總體作用 | 對應於圖中著色區域之局部作用 | ||||||||||||||||||
| h/b | a/b | A | B | C | D | ![]() |
||||||||||||||||
|
|
![]() |
||||||||||||||||||||
| 0 | +0.7 | -0.2 | -0.5 | -0.5 | -0.8 | |||||||||||||||||
| 90 | -0.5 | -0.5 | +0.7 | -0.2 | ||||||||||||||||||
|
![]() |
0 | +0.7 | -0.25 | -0.6 | -0.6 | -1.0 | |||||||||||||||
| 90 | -0.5 | -0.5 | +0.7 | -0.1 | ||||||||||||||||||
|
|
![]() |
0 | +0.7 | -0.25 | -0.6 | -0.6 | -1.1 | ||||||||||||||
| 90 | -0.6 | -0.6 | +0.7 | -0.25 | ||||||||||||||||||
|
![]() |
0 | +0.7 | -0.3 | -0.7 | -0.7 | -1.1 | |||||||||||||||
| 90 | -0.5 | -0.5 | +0.7 | -0.1 | ||||||||||||||||||
|
|
![]() |
0 | +0.8 | -0.25 | -0.8 | -0.8 | -1.2 | ||||||||||||||
| 90 | -0.8 | -0.8 | +0.8 | -0.25 | ||||||||||||||||||
|
![]() |
0 | +0.7 | -0.4 | -0.7 | -0.7 | -1.2 | |||||||||||||||
| 90 | -0.5 | -0.5 | +0.8 | -0.1 | ||||||||||||||||||
(*)h代表建築物高度,a及b為對應於建築物平面中主方向上和次方向上之邊長。
表六. 雙斜屋頂之外風壓係數 δpe
![]() |
||
| 結構剖面 | 結構平面 | |
![]() |
![]() |
![]() |
| 建築物之幾何形狀關係 h/b |
斜面之傾斜度 β(度) |
總體作用 | 局部作用 | ||||||||||||||
| 風力方向 | |||||||||||||||||
| α = 0o | α = 90o | ||||||||||||||||
| E, F | G, H | E, G | F, H | L1 | L2 | L3 | L4 | ||||||||||
|
0 | -0.8 | -0.4 | -0.8 | -0.4 | -2.0 | -2.0 | -2.0 | - | ||||||||
| 5 | -0.9 | -0.4 | -0.8 | -0.4 | -1.4 | -1.2 | -1.2 | -1.0 | |||||||||
| 10 | -1.2 | -0.4 | -0.8 | -0.6 | -1.4 | -1.4 | -1.2 | ||||||||||
| 20 | -0.4 | -0.4 | -0.7 | -0.6 | -1.0 | -1.2 | |||||||||||
| 30 | 0 | -0.4 | -0.7 | -0.6 | -0.8 | -1.1 | |||||||||||
| 45 | +0.3 | -0.5 | -0.7 | -0.6 | -1.1 | ||||||||||||
|
0 | -0.8 | -0.6 | -1.0 | -0.6 | -2.0 | -2.0 | -2.0 | - | ||||||||
| 5 | -0.9 | -0.6 | -0.9 | -0.6 | -2.0 | -2.0 | -1.5 | -1.0 | |||||||||
| 10 | -1.1 | -0.6 | -0.8 | -0.6 | -2.0 | -2.0 | -1.5 | -1.2 | |||||||||
| 20 | -0.7 | -0.5 | -0.8 | -0.6 | -1.5 | -1.5 | -1.5 | -1.0 | |||||||||
| 30 | -0.2 | -0.5 | -0.8 | -0.8 | -1.0 | -1.0 | |||||||||||
| 45 | +0.2 | -0.5 | -0.8 | -0.8 | |||||||||||||
|
0 | -0.7 | -0.6 | -0.9 | -0.7 | -2.0 | -2.0 | -2.0 | - | ||||||||
| 5 | -0.7 | -0.6 | -0.8 | -0.8 | -2.0 | -2.0 | -1.5 | -1.0 | |||||||||
| 10 | -0.7 | -0.6 | -0.8 | -0.8 | -2.0 | -2.0 | -1.5 | -1.2 | |||||||||
| 20 | -0.8 | -0.6 | -0.8 | -0.8 | -1.5 | -1.5 | -1.5 | -1.2 | |||||||||
| 30 | -1.0 | -0.5 | -0.8 | -0.7 | -1.5 | ||||||||||||
| 40 | -0.2 | -0.5 | -0.8 | -0.7 | -1.0 | ||||||||||||
| 50 | +0.2 | -0.5 | -0.8 | -0.7 | |||||||||||||
註:在此對之某些特定之局部作用並不作考慮,因此在本表中並無列出其對應之外風壓係數。
表七. 多跨度雙斜屋頂之外風壓係數 δpe


a)總體作用
| 風力方向α= 0o | 風力方向α = 90o | ||||||||||
| 斜面傾斜度β(度) | 斜面上之外風壓係數δpe | 斜邊上之外風壓係數δpe | |||||||||
| c | d | e | f | m | n | x | z | b1 | b2 | b3 | |
| 5 至 10 | -1.1 | -0.6 | -0.4 | -0.3 | -0.3 | -0.3 | -0.3 | -0.4 | -0.8 | -0.6 | -0.2 |
| 20 | -0.7 | -0.6 | -0.4 | -0.3 | -0.3 | -0.3 | -0.3 | -0.5 | ![]() |
||
| 30 | -0.2 | -0.6 | -0.4 | -0.3 | -0.3 | -0.3 | -0.2 | -0.5 | |||
| 45 | +0.3 | -0.6 | -0.6 | -0.4 | -0.2 | -0.4 | -0.2 | -0.5 | |||
b)局部作用
對應於結構平面,其局部作用之外風壓係數δpe,將以圖形標示如下:

2.2 內風壓係數δpi
於2.1節中,係考慮無內部開放平面之情況。但假若內部開放平面存在,且無任何阻隔氣流之循環作用,則應以下列之簡化方式求取內風壓係數,然而該內風壓係數值將受外牆上之開孔分佈情況及其特性而有所影響。
a) 當強風發生並產生作用時,若建築物表面存在著極少之開孔情況,但仍應視其表面為可透風外牆,基本上係因為外牆上窗戶在使用上並不可能完全關閉,因而導致有透風情況出現,因此可考慮下列之兩種情況求取內風壓係數:
兩個受風面為相近透氣性,及其餘兩個受風面為不透氣之δpi為:
| 風向為垂直於透氣表面 | δpi = +0.2 |
| 風向為垂直於不透氣表面 | δpi = - 0.3 |
| 四個受風面均為相近之透氣性 | δpi = - 0.3 |
b) 當強風發生並產生作用時,若開孔存在於建築物之一表面上或多個表面上,對於其主要之開孔面,其內風壓係數 δpi 應為其對應之主要開孔面之外風壓係數 δpe 之75%。若開孔位置位於建築物表面上,並為一特定之外風壓係數δpe (局部作用時),則可利用此δpe 值決定 δpi 。
然而當建築物之內部開放平面為不利於氣流之循環作用時,則其內風壓係數值應採用適當之數值。在這種情況下,內風壓將隨著迎風面到背風面作出改變,其性能將取決於不同間隔牆之透風性能之大小。
附件四 按不同使用形式下,建築物各主要部份因承受人群集中而造成之荷載值
樓宇按其用途及佔用種類,根據第14/2021號法律《都市建築法律制度》及第38/2022號行政法規《都市建築法律制度施行細則》之規定,可分為不同之“使用組”。
第一組 作住宅用途之建築物
住宅、宿舍、收容所、兵營及同類型之其他樓宇。
表一. 作住宅用途之建築物
| 均勻分佈 荷載值 (kN/m2) |
ψ0 | ψ1 | ψ2 | |
| 房間及起居室 | 2.0 | 0.4 | 0.3 | 0.2 |
| 衛浴場所及廚房 | ||||
| 通道、樓梯及樓梯平台 | 3.0 | * | * | * |
| 大廈之公共空間 | 4.0 | 0.7 | 0.6 | 0.4 |
| 露台 | 5.0 | * | * | * |
*以鄰接區域之ψ值作為ψ係數。
第二組 作旅館業用途之建築物
酒店、客棧、旅店、公寓及同類型之其他樓宇。
於表二中所指定之活荷載值,僅適用於主要荷載為人群集中所造成之情況。
表二. 作旅館業用途之建築物
| 均勻分佈 荷載值 (kN/m2) |
ψ0 | ψ1 | ψ2 | |
| 房間及衛浴場所 | 2.0 | 0.4 | 0.3 | 0.2 |
| 接待大堂 | 3.0 | 0.7 | 0.6 | 0.4 |
| 餐室及酒廊 | ||||
| 公共用途之衛浴場所 | ||||
| 有固定座位之開放空間 | 4.0 | 0.7 | 0.6 | 0.4 |
| 無固定座位之開放空間(宴會廳) | 5.0 | 0.4 | 0.3 | 0.2 |
| 通道、樓梯及樓梯平台 | 5.0 | * | * | * |
| 露台 |
*以鄰接區域之ψ值作為ψ係數。
第三組 作社會設備用途之建築物
警察局、醫院、療養院、醫務所、學校、中學、幼兒園及同類型之其他樓宇。
於表三中所指定之活荷載值,僅適用於主要荷載為人群集中所造成之情況。
表三. 作社會設備用途之建築物
| 均勻分佈 荷載值 (kN/m2) |
ψ0 | ψ1 | ψ2 | |
| 病房 | 2.0 | 0.4 | 0.3 | 0.2 |
| 課室及宿舍 | 3.0 | 0.7 | 0.6 | 0.4 |
| 不存放圖書之閱讀室 | ||||
| 會議室 | ||||
| 公共用途之衛浴場所 | ||||
| 手術室 | ||||
| 有固定座位之開放空間 | 4.0 | 0.7 | 0.6 | 0.4 |
| 演講室 | ||||
| 廚房 | ||||
| 飯堂 | ||||
| 無固定座位之開放空間 | 5.0 | 0.7 | 0.6 | 0.4 |
| 學校操場 | ||||
| 劇場、舞台、室內體操場及體育館 | ||||
| 通道、樓梯及樓梯平台 | 5.0 | * | * | * |
| 露台 |
*以鄰接區域之ψ值作為ψ係數。
第四組 作服務性行業之建築物
政府辦公室、行政部門、寫字樓、機關、銀行、旅行社、警署、郵政大樓、診所、理髮廊及同類型之其他樓宇。
於表四中所指定之活荷載值,僅適用於主要荷載為人群集中所造成之情況。
表四. 作服務性行業之建築物
| 均勻分佈 荷載值 (kN/m2) |
ψ0 | ψ1 | ψ2 | |
| 一般用途之辦公室 | 3.0 | 0.7 | 0.6 | 0.4 |
| 會議室 | ||||
| 銀行大堂 | ||||
| 電腦室 | ||||
| 公共用途之衛浴場所 | ||||
| 通道、樓梯及樓梯平台 | 5.0 | * | * | * |
| 露台 |
*以鄰接區域之ψ值作為ψ係數。
第五組 作商業用途之建築物
商店、時裝店、商業中心、超級市場、集市或展覽場地等。
於表五中所指定之活荷載值,僅適用於主要荷載為人群集中所造成的情況。
表五. 作商業用途之建築物
| 均勻分佈 荷載值 (kN/m2) |
ψ0 | ψ1 | ψ2 | |
| 公共用途之衛浴場所 | 3.0 | 0.7 | 0.6 | 0.4 |
| 商業店舖之樓層 | 4.0 | 0.7 | 0.6 | 0.4 |
| 通道、走廊、樓梯及樓梯平台 | 5.0 | * | * | * |
| 露台 |
*以鄰接區域之ψ值作為ψ係數。
第六組 作工業用途之建築物
工作場所、工廠及倉庫。
於表六中所指定之活荷載值,僅適用於主要荷載為人群集中所造成之情況。
表六. 作工業用途之建築物
| 均勻分佈 荷載值 (kN/m2) |
ψ0 | ψ1 | ψ2 | |
| 無重型設備之工作間 | 3.0 | 0.7 | 0.6 | 0.4 |
| 公共用途之衛浴場所 | ||||
| 公共空間 | 4.0 | 0.7 | 0.6 | 0.4 |
| 有固定座位之開放空間 | ||||
| 廚房 | ||||
| 飯堂 | ||||
| 露台 | 5.0 | * | * | * |
| 通道、樓梯及樓梯平台 |
*以鄰接區域之ψ值作為ψ係數。
第七組 作公眾聚集用途之建築物
電影院、劇場、表演廳、音樂廳、夜總會、舞廳、的士高、電台及電視製作室、酒樓/餐廳、禮堂、賭場、博物館、圖書館、社區中心、俱樂部、教堂及其他拜祭機構、會議廳、體操及游泳場、娛樂園地及有公眾看台之體育場。
於表七中所指定之活荷載值,僅適用於主要荷載為人群集中所造成之情況。
表七. 作公眾聚集用途之建築物
| 均勻分佈 荷載值 (kN/m2) |
ψ0 | ψ1 | ψ2 | |
| 公共用途之衛浴場所 | 3.0 | 0.7 | 0.6 | 0.4 |
| 博物館及畫廊等供展覽用途之樓層 | 4.0 | 0.7 | 0.6 | 0.4 |
| 公眾空間 | ||||
| 有固定座位之開放空間 | ||||
| 無固定座位之開放空間(如:舞池、的士高等) | 5.0 | 0.4 | 0.3 | 0.2 |
| 通道、走廊、樓梯及樓梯平台 | 5.0 | * | * | * |
| 露台 | ||||
| 有多層觀眾席之運動場 | 6.0 | 0.4 | 0.3 | 0.2 |
*以鄰接區域之ψ值作為ψ係數。


















