澳 門 特 別 行 政 區
| 廢止 : | |||
| 相關法規 : | |||
| 相關類別 : | |||
| 《LegisMac》的法例註釋 | |||
澳 門 特 別 行 政 區
第27/2021號行政法規
建築物燃氣設施的技術規範
行政長官根據《澳門特別行政區基本法》第五十條(五)項,經徵詢行政會的意見,制定本獨立行政法規。
第一章
總則
第一條
標的及適用範圍
一、本行政法規訂定在住宅建築物及非住宅建築物,以及其附屬建築的燃氣設施的設計、建造、修建、運作、維護、擴建及改建所須遵守的技術條件。
二、在住宅建築物及其附屬建築中,每一用戶的每一分支所安裝的燃氣器具的最大單位功率為70千瓦,如該類建築物的單位屬非住宅用途則適用下款的規定,但不影響第四款及第五十二條第五款規定的適用。
三、非住宅建築物及其附屬建築中每一用戶或每一分支所安裝的燃氣器具的最大單位功率或總功率均為70千瓦,但不影響下款及第五十二條第五款規定的適用。
四、當建築物安裝的燃氣器具超過以上兩款所指的最大單位功率或總功率時,除遵守本行政法規規定外,尚須遵守第26/2002號行政法規《大功率燃氣設備安裝的安全規章》的規定。
五、如燃氣設施的管段設置在庭院中的建築物總截流裝置上行,須遵守第11/2017號行政法規《核准〈低壓燃氣分配網的技術規章〉》的規定。
六、負責編製與燃氣設施有關的專業計劃、指導、監察或實施工程的技術員、自然人商業企業主或公司,尚須遵守其他適用法例,尤其都市建築及防火安全方面的法例,並承擔違反相關法例所產生的責任。
第二條
定義
一、為適用本行政法規的規定,下列用語的含義為:
(一)“一級可到達性”:是指無需樓梯或特別的機械裝置輔助直接到達裝置處;
(二)“二級可到達性”:是指無需樓梯,但需要特別的機械裝置輔助才能到達裝置處;
(三)“三級可到達性”:是指需以樓梯和特別的機械裝置輔助才能到達裝置處;
(四)“混合配件”:是指用於連接兩段不同材料的管段的裝置;
(五)“第一級低壓供氣”:是指向工作壓力超過1.5巴但低於4巴的燃氣設施供氣;
(六)“第二級低壓供氣”:是指向工作壓力超過70毫巴但不超過1.5巴的燃氣設施供氣;
(七)“第三級低壓供氣”:是指向工作壓力不超過70毫巴的燃氣設施供氣;
(八)“燃氣技術箱”:是指設置於建築物中的空間,具有一級可到達性,可用於安裝燃氣計量錶、帶有安全裝置或截流裝置的減壓器等,包括相應的管道;
(九)“附屬建築”:是指附屬於某一建築物並為該建築物提供輔助功能的建築部分;
(十)“燃氣器具”:是指以燃氣作為燃料的器具,屬家用加熱型或工業加熱型,用於食品加工、熱水生產、加熱或其他目的;
(十一)“強制鼓風型燃氣器具”:是指燃氣器具,其燃燒所用的空氣絕大部分由壓縮空氣或與該器具安裝在一起的鼓風機提供;
(十二)“環形裝置”:又稱“套筒”,是指一般以金屬材料製成的專用空間,為燃氣管道的連續封閉裝置,以確保管道與熱、電或化學的隔離、防止機械的干擾及能將洩漏的氣體排出;
(十三)“轉換器”:是指選擇燃氣儲氣罐組的半自動型裝置,以確保儲氣罐用盡時備用的儲氣罐能自動進入運作狀態,並可通過手動方式轉為自動系統;
(十四)“電焊”:是指通過電作用及可使用填充金屬連接母金屬的技術;
(十五)“釺焊”:是指焊接時填充金屬熔化而母金屬不熔化的連接技術;
(十六)“硬釺焊”:是指無須母金屬熔化的連接方式,但須使用熔化溫度至少為450℃的填充金屬進行;
(十七)“軟釺焊”:是指無須母金屬熔化的連接方式,但須使用熔化溫度高於100℃且低於450℃的填充金屬進行;
(十八)“旋塞”:是指能確保小孔密封的配件;
(十九)“管道井”:是指一般以混凝土或磚石製成的專用空間,用於保護管道的機械元件;
(二十)“檢修井”:是指用作藏置管道截流裝置、管道配件或連接裝置,帶有檢修開口的箱井結構,通過其可對上述元件進行檢修;
(二十一)“設備槽”:是指具三級可到達性的密封空間,一般為專用空間,可放置一條或多條的燃氣管道,能裝設多個配件和設備,防止機械的干擾及排出洩漏的氣體;
(二十二)“地庫”:是指超過一半的樓層高度,在地面以下的間隔;
(二十三)“主幹管道”:是指一般為垂直佈置的管道和配件組,與建築物分支或建築物主管線連接,安裝在同一建築物的共同部分內,通過分支連接以確保對建築物的不同樓層供氣;
(二十四)“建築物主管線”:是指連接建築物的總截流裝置和主幹管道的一組管道和配件;
(二十五)“燃氣計量錶”:是指測量流過的燃氣體積的裝置;
(二十六)“修建”:是指在現存建築物中安裝燃氣設施的作業;
(二十七)“絕緣蓋”:是指半圓柱形的元件,須兩個聯合使用,以保護管道;
(二十八)“戶內分支”:是指連接樓層分支或主幹管道至用戶的燃氣器具的一組管道及配件;
(二十九)“樓層分支”:是指一般為水平佈置的管道及配件組,連接建築物內同一層的戶內分支及主幹管道,通過其將主幹管道的燃氣供給戶內分支;
(三十)“截流裝置”:又稱“截流閥”,是指設備的配件,能中斷管道中的燃氣流,包括但不限於電磁閥、鎖式快速截流裝置或分支截流裝置;
(三十一)“四分之一圈型截流裝置”:是指設備的配件,轉動四分之一圈可中斷管道中的燃氣流;
(三十二)“冷凝物排出裝置”:是指設備的配件,能收集和排出冷凝物;
(三十三)“住宅建築物”:是指用於居住用途的建築物,尤其住宅樓宇、社會房屋、經濟房屋、暫住房或臨時居住中心;
(三十四)“非住宅建築物”:是指用於進行專業、商業、公眾、工業活動或其他非居住用途的場所,尤其酒店、醫院、社區中心、學校、診所、行政部門、辦公室、商店、工場、電影院、機場、碼頭、隧道或停車場;
(三十五)“高層建築物”:是指按照有關防火安全的法例,歸類為A級或MA級的建築物;
(三十六)“煙道式燃氣熱水爐”:是指設有煙道系統的燃氣熱水爐,一般分為機動排煙型和自然排煙型,運作時燃燒的空氣須從熱水爐所在間隔或戶內空間抽取;
(三十七)“密封式燃氣熱水爐”:是指設有煙道系統的燃氣熱水爐,一般分為機動排煙型和自然排煙型,其燃燒空氣的進口及廢氣的出口與熱水爐所在空間隔離,且該進出口是露出外牆的;
(三十八)“住宅單位”:是指獨立單位,一般對應於一個家庭;
(三十九)“火源”:是指可以產生火焰、火花或火星、熱點的物體或器材或能引起空氣和燃油蒸汽混合物燃燒的其他來源;
(四十)“濕燃氣”:是指每立方米中含有超過10毫升以液態計算的戊烷及更重的烴類組別的天然氣,其遇冷形成的冷凝物會沉積在管道的較低位置;
(四十一)“燃氣設施”:是指安裝在建築物內的系統,由一組管道、配件、設備及測量裝置組成,能確保將燃氣由建築物的總截流裝置分配至每一燃氣器具;
(四十二)“連接裝置”或“接頭”:是指燃氣設施的兩個元件的耦合系統;
(四十三)“法蘭型連接裝置”:是指在兩個法蘭表面之間壓上密封墊,以實現燃氣回路的密封的連接裝置;
(四十四)“絕緣連接裝置”:是指中斷燃氣設施的連續導電性,但不影響燃氣能正常通過的連接裝置;
(四十五)“機械連接裝置”:是指可使用或不使用輔助密封方法,以不帶密封材料的螺紋實現連接,並通過機械壓縮實現燃氣回路的密封的連接裝置;
(四十六)“螺紋連接裝置”:是指可使用或不使用輔助密封方法,透過金屬與金屬在螺紋上的接觸,以實現燃氣回路的密封的連接裝置;
(四十七)“焊接連接裝置”:是指透過焊接、銅焊或釺焊的方式實現燃氣回路的密封且連接必須牢固和密封的連接裝置;
(四十八)“限壓裝置”:是指減壓層的下行管路的裝置,以防止下行管路的出口處壓力超過預定值;
(四十九)“庭院”:是指屬一幅都市性土地及用作連接建築物的露天空間;
(五十)“填充金屬”:是指合金或金屬,加熱熔解後可連接兩個或多個元件;
(五十一)“建築物燃氣設施的共同部分”:是指建築物中的燃氣設施的一組元件,由總截流裝置至每一用戶單位的入口處,但燃氣計量錶除外;
(五十二)“改建”:是指因改用燃料而須對現有的燃氣設施進行改造的作業;
(五十三)“減壓器”:又稱“壓力調節器”,是指減低燃氣導入壓力的裝置,能將燃氣壓力調節至預設的下行壓力,並確保壓力能維持穩定;
(五十四)“安全減壓器”:是指帶安全裝置的減壓器,確保當出現上行壓力低於或超過正常值的一定百分比,或下行壓力未達到或超過預設的壓力值時,能自動中斷燃氣流;
(五十五)“管道槽”:是指在牆壁或地面開闢一凹陷的坑道,一般用作藏置管道之用;
(五十六)“天井”:是指位於建築物內部的四邊圍合且露天的空間;
(五十七)“外露管道”:是指可見的管道,須透過支撐元件固定在牆壁或天花板;
(五十八)“嵌入式管道”:是指置於建築物的牆壁、地面或天花板內的管道。
二、為適用本行政法規的規定,“耐火等級”及“建築物”的含義,分別與有關防火安全及都市建築的法例的相關定義相同。
第三條
燃氣設施的邊界
建築物的燃氣設施的邊界規定:
(一)上行,包括建築物的總截流裝置在內,並由其至用戶燃氣計量錶前的截流裝置;
(二)下行,包括用戶燃氣計量錶前的截流裝置在內,並由其至燃氣器具的截流裝置。
第四條
組成燃氣設施的元件
建築物的燃氣設施可由下列元件組成:
(一)建築物的總截流裝置;
(二)第二級減壓站,當公共街道的分配壓力高於1.5巴時須設置;
(三)限壓裝置;
(四)減壓器;
(五)主幹管道;
(六)樓層分支及戶內分支,樓層分支僅當建築物每層超過一個住宅單位時須安裝;
(七)冷凝物排出裝置,當使用濕燃氣時須安裝;
(八)安全減壓器;
(九)自動型或手動型截流裝置;
(十)燃氣計量錶;
(十一)轉換器。
第五條
燃氣設施的設計
一、燃料網絡設置計劃的編製及簽署,須由根據第1/2015號法律《都市建築及城市規劃範疇的資格制度》的規定,已於土地工務運輸局註冊獲適當資格的技術員、自然人商業企業主或公司執行。
二、如燃氣設施使用密度大於空氣的燃氣,尤其液化石油氣,則設計時須以天然氣的熱值和密度等特性進行計算,並須預留接駁分配網的燃氣管道的管溝,但現存建築物不受此限。
三、如燃氣管道設置在具建築藝術價值的樓宇或被評定的不動產緩衝區的建築群的外牆,須遵守第11/2013號法律《文化遺產保護法》的規定。
第六條
工作壓力的限制
一、如無其他說明,本行政法規所提到的壓力均為相對壓力。
二、燃氣設施的各種不同管段的最大工作壓力如下:
(一)建築物的總截流裝置與用戶燃氣計量錶的安全減壓器之間或建築物設有第二級減壓站時,第二級減壓站與用戶燃氣計量錶的安全減壓器之間的壓力為1.5巴;
(二)用戶燃氣計量錶的安全減壓器與燃氣器具之間或燃氣設施以第三級低壓供氣時,建築物的總截流裝置與燃氣器具之間的壓力為70毫巴;
(三)每一燃氣器具的功率均超過70千瓦時,用戶燃氣計量錶的安全減壓器的下行最大工作壓力須根據該燃氣器具的操作說明而定;
(四)置於建築物共同部分的假天花與天花板之間的管道,其最大工作壓力不得超過0.4巴,並須符合第十七條第七款的要求。
三、建築物的燃氣設施的工作壓力超過0.4巴時,燃氣設施須以限壓裝置保護,且該裝置須安裝在緊接建築物的總截流裝置的下行,其校正值至少為1.8巴。
四、分配網的工作壓力低於1.8巴,且設有限壓裝置保護時,則可免除安裝上款所指的限壓裝置。
五、燃氣設施以第三級低壓供氣時,燃氣器具的供氣壓力須考慮建築物的高度所產生的影響。
第二章
管道及配件
第七條
材料
一、所有元件必須以符合指定用途的運作及安全條件的材料製造,並須符合適用的技術標準要求。
二、在運送和儲存管道時須防止異物進入管道,並須加以保護,以防止大氣的侵蝕。
三、燃氣設施所使用的元件須附有質量合格證明,並須符合適用的技術標準要求。
第八條
鋼管
一、鋼管須符合下列任一標準:
(一)API SPEC 5L中X42或更高等級;
(二)ISO 3183中L290或更高等級;
(三)GB/T 9711中L290或 X42或更高等級;
(四)其他在技術上相等的標準要求。
二、燃氣設施禁止使用有縫鋼管。
三、僅可使用工廠製造的管道配件,以及使用本行政法規規定的焊接或螺紋連接方法改變鋼管的方向。
四、在不影響下款規定的情況下,鍍鋅鋼管的連接須以電弧焊實現;焊接前須除去坡口邊緣的鍍鋅層,如不除去坡口邊緣的鍍鋅層,則使用氧乙炔焊接的方法,利用填充金屬和熔劑連接,以避免損壞鍍鋅保護層。
五、使用帶有或不帶有鍍鋅保護層的鋼管時,須減少使用螺紋或法蘭的連接;如須使用,則僅限於需要拆卸的管段、設置路線受到嚴重限制的管段或現場焊接操作不可能正確施工的管段。
六、鋼管間或鋼管與任何配件間的螺紋須使用氣密性螺紋的連接,並須符合BS EN 10226-1、ANSI B1.20.1或其他在技術上相等的標準要求。
第九條
銅管
一、銅管須符合BS EN 1057或其他在技術上相等的標準要求。
二、銅管僅可使用在戶內分支管段首個截流裝置的下行外露管道。
第十條
鉛管
禁止燃氣設施使用鉛管。
第十一條
鋁管
禁止燃氣設施使用鋁管。
第十二條
軟管
一、金屬或非金屬的軟管均須符合適用的技術標準要求。
二、軟管須為外露式及安裝在具備良好通風的間隔,長度不得超過2米;如屬非金屬管,其與固定性管道、燃氣器具的連接處須以固定夾或加固裝置固定。
三、橡膠軟管須符合下列任一標準:
(一)AS/NZS 1869;
(二)BS EN 16436-1;
(三)JIS K 6348;
(四)其他在技術上相等的標準要求。
四、橡膠軟管須在其製造標準或檢驗機構核准的期限內使用。
第十三條
非金屬管
禁止燃氣設施使用非金屬管,但不影響第十六條第三款、第四十九條及第五十一條規定的適用。
第十四條
各類配件
一、製造配件和接頭的材料須符合安裝位置所在管道相容的質量及安全要求。
二、如使用可鍛鑄鐵配件,須符合下列要求:
(一)用於工作壓力不超過0.4巴的燃氣設施中;
(二)根據適用的技術標準要求,可鍛鑄鐵配件的質量能與其安裝位置的管道的質量相容,且適合用於燃氣管道中;
(三)通過適當的目視檢查及百分之百的無洩漏測試;
(四)符合BS EN 10242、ISO 49、GB/T 3287或其他在技術上相等的標準要求,而錐形/柱面螺紋的設計符號為A,錐形/錐形螺紋的設計符號則為C。
三、鋼製的對接焊配件須符合ANSI B 16.9或其他等效的技術標準要求。
四、在燃氣設施中使用的所有配件須符合適用的技術標準要求。
五、管段的連接處須儘可能使用焊接、銅焊或釺焊的接頭或連接裝置。
六、不同性質的管道的連接處所用的接頭或連接裝置須在工廠製造。
七、絕緣連接裝置須符合下列要求:
(一)根據使用的連接方式,絕緣連接裝置的端部須為平的、帶螺紋的、法蘭型的或球錐形的;
(二)絕緣連接裝置須在工廠製造。
八、截流裝置須能抵禦所傳輸的燃氣的機械力及化學腐蝕,其外部元件須為不可燃。
九、配件的特性有需要時,截流裝置須永久標示出燃氣流的流動方向。
十、所有在燃氣設施中使用的設備須按照來源地的標準進行鑑定,尤其絕緣連接裝置、截流裝置及燃氣計量錶。
十一、在改建的情況下,燃氣設施改用濕燃氣時,須設置排除冷凝物的金屬裝置,與其安裝位置的管道的質量相容,但不得使用自動排清型的金屬裝置。
十二、對管道進行機械保護的環形裝置、管道井及絕緣蓋須以不可燃材料(M0)製成,但第二十二條第一款的規定除外。
十三、金屬環形裝置須加以保護,以防止腐蝕,且須與所保護的管道進行電力絕緣。
第十五條
輔助密封方法
一、輔助密封方法須使用符合適用的技術標準的材料。
二、連接的填料或黏合劑須能防止所使用的燃氣類型的侵蝕,不得使用天然橡膠、皮革、石棉、細繩、紅丹或紅鉛、亞麻布和含鋅或含鉛的鉛白礦,以及聚合物類型的黏合劑。
三、在不影響上款規定的情況下,須符合下列任一標準:
(一)BS EN 751-1;
(二)BS EN 751-2;
(三)BS EN 751-3;
(四)其他在技術上相等的標準要求。
四、可使用質量合格的帶有彈性密封墊片的連接裝置,但必須能在合適且表面平滑的密封工作面受壓下仍能運作。
第三章
燃氣設施的設計
第一節
總則
第十六條
建築物的管道入口
一、地下管道通過建築物的牆壁或地基進入建築物,管道與牆壁之間的環形空間須以無洩漏方式密封。
二、如燃氣管道穿過具有沉降風險的地方,須考慮沉降的影響而採取必要的補償措施。
三、聚乙烯(PE)管由地面伸出並不嵌入建築物的外牆時,須以金屬環形裝置保護,而該裝置須符合下列要求:
(一)伸入地面至少0.2米;
(二)進行適當的固定;
(三)隨燃氣管道伸出地面至少1.1米,但燃氣管道在較低的高度進入建築物除外;
(四)符合第十四條第十二款及第十三款的規定;
(五)管道與金屬環形裝置之間的環形空間的頂端以惰性材料密封。
四、聚乙烯管嵌入建築物的外牆時,須以能防止砂泥化學侵蝕的環形裝置保護。
五、聚乙烯管在進入建築物的總截流裝置前通過混合配件轉為鋼管,如該段鋼管為埋地管道,須遵守第11/2017號行政法規有關鋼管防腐及負極保護的規定,但該段鋼管如設置在專用的管溝中,則可根據管溝環境而採用合適的防腐措施。
第十七條
管道的設置
一、管道須沿牆設置,並須遵守第十八條、第二十條至第二十二條的規定。
二、燃氣管道不得穿過:
(一)放置液體燃料容器或固體燃料容器的地方;
(二)放置液化石油氣容器的地方,但連接該容器的燃氣管道除外;
(三)接收或儲存生活垃圾或衛生廢物的通道或場所;
(四)其他管道,尤其電線、水管及電話線的管道;
(五)電梯井或貨物升降機井;
(六)載人或載貨升降機的機房;
(七)電力變壓器或電箱的設備室;
(八)樓梯間及隔火室;
(九)室內停車場;
(十)其他容易引起火災的地方。
三、除樓梯間及隔火室外,如燃氣管道安裝在連續和密封的金屬環形裝置內,且其端部置於自由通風的地方,並確保發生燃氣洩漏時,可將燃氣引導至環形裝置的端部,並排出外界,則不受上款規定的限制。
四、燃氣管道禁止穿過雙層牆壁中的中空區域,但燃氣管道通過該區域以不中斷的環形裝置保護,其兩端能伸出牆壁外,且環形裝置與燃氣管道之間的環形空間以惰性和非吸濕材料密封則可除外。
五、燃氣管道不得穿過地庫,但在確保有效通風、排放燃燒殘餘物及連接燃氣器具的情況下,且同時符合下列要求,傳輸密度小於空氣的燃氣的管道可置於地庫第一層:
(一)具備良好的通風設施,換氣次數至少每小時三次,當發生燃氣洩漏事故時,該設施的換氣次數為至少每小時六次;
(二)上項所指的燃氣洩漏事故通風設施為防爆型,且與燃氣探測器及警報系統聯動,並連接後備電源,以確保燃氣洩漏事故發生時能自動切斷其他通風設施;
(三)設置燃氣探測器及警報系統;
(四)在地庫的管道入口處設置一級可到達性的截流裝置。
六、水平設置的管道須符合與其他管道、電纜或類似的管道的距離要求,且該等距離須與不同類型的管道的安裝方法對應,並要遵守下條及第二十條至第二十二條的規定。
七、在符合下列要求的情況下,燃氣管道可設置在假天花與天花板之間:
(一)假天花上有足夠的開放空間,可防止燃氣積聚;
(二)在平行設置時,燃氣管道與其他管道的距離至少為3厘米,交叉設置時為2厘米;
(三)假天花與天花板之間已為管道的整體路線的檢查預留足夠空間。
八、燃氣管道設置在集體或室內停車場時,須透過安裝具有足夠抗衝擊能力的金屬保護裝置加以保護,以防止管道受汽車碰撞。
九、非住宅用途的單位的上行燃氣管路,須置於建築物的共同部分,但沒有共同部分可通達者除外。
第十八條
穿過建築物的管道
屬下列狀況的管道安裝,可穿過建築物:
(一)具備良好通風的通道內;
(二)帶鐵格護蓋或類似設備的管道井內;
(三)通風及可抵禦機械衝擊的環形裝置內;
(四)外露時,須帶有可抵禦安裝位置上倘有的機械衝擊的保護裝置。
第十九條
建築物的燃氣總截流裝置
一、建築物的總截流裝置須具一級可到達性,且為鎖式快速截流裝置;一旦關上,須由燃氣營運實體重新開啟。
二、建築物的總截流裝置須安裝在建築物入口附近,並嵌入或內置在建築物牆壁中的一個可關閉的設備箱內,且可在建築物外打開,但屬改建或修建的情況除外。
三、在上款所指的設備箱外容易看見的地方,須以不可燃材料(M0)製成標識牌,標示“燃氣”的中、葡文字樣,文字須清晰可見且不易擦掉。
四、單住戶型建築物的總截流裝置安裝在緊接燃氣計量錶的上行時,方可由手動四分之一圈型的截流裝置替代。
五、如用作工業活動場所的非住宅建築物的截流裝置為四分之一圈型,則該裝置的安裝位置須由根據第1/2015號法律的規定,已於土地工務運輸局註冊獲適當資格的技術員、自然人商業企業主或公司設計和確定。
六、燃氣設施包含多於一支主幹管道,且由建築物的同一分支供氣時,不管是單幢或是由若干座或幢組成的建築綜合體,除遵守第一款的規定外,每一主幹管道的起始位置須安裝截流裝置;如安裝位置受到限制,得以附有手動截斷功能的常關型電磁閥替代。
七、上款所指的截流裝置或電磁閥的開關,均須具有一級可到達性,並須在容易看見的地方,以不可燃材料(M0)製成標識牌,標示下列資訊,文字須清晰可見且不易擦掉:
(一)“燃氣”的中、葡文字樣;
(二)截流裝置所服務的座數的中、葡文字樣。
八、在有需要時,第二款所指的設備箱內可設置被供氣的建築物所使用的減壓器。
第二十條
外露管道
一、外露管道須符合下列要求:
(一)設置在不可燃材料(M0)的位置上;
(二)水平設置的管段須置於牆壁的頂部,與天花板或阻擋結構的元件等距離不超過20厘米,但屬改建或修建的情況除外;
(三)垂直設置的管段須與其供氣的燃氣器具的截流裝置垂直。
二、外露管道在穿過建築物內部的地面時,須以符合下列要求的環形裝置保護:
(一)可防止水或其他化學的侵蝕;
(二)下端與天花板共面,上端凸出地板至少5厘米;
(三)管道與環形裝置之間的環形空間以絕緣及非吸濕材料填充。
三、如外露管道經過建築物的擴展接縫或破裂接縫,須考慮收縮膨脹的影響而採取必要的補償措施。
四、外露管道不得與任何管道、電纜或類似的管道接觸,在平行設置時彼此之間的距離至少為3厘米,在交叉設置時為2厘米。
五、外露管道不得與排出燃燒殘餘物的管道接觸,並須遵守上款規定的最少距離。
六、外露管道不得與任何電箱、電錶、電插座、電源開關或任何其他電力裝置接觸,且彼此之間的距離至少為15厘米。
七、管道支撐裝置的形狀及其之間的距離,須由根據第1/2015號法律的規定,已於土地工務運輸局註冊獲適當資格的技術員、自然人商業企業主或公司設計和確定;設計時,須確保設施的安全。
八、鋼製的外露燃氣管道須進行防腐蝕保護,可使用環氧富鋅底漆、環氧雲鐵中漆及聚氨酯面漆的塗料組合或其他組合,並須符合ISO 12944、GB/T 30790或其他在技術上相等的標準要求。
九、對外露鋼管進行防腐蝕保護前須進行表面處理,如以手工或電動工具處理,則須符合ISO 8501-1或GB/T 8923.1的技術標準中的St2或以上等級。
第二十一條
嵌入式管道
一、嵌入式管道須符合下列要求:
(一)水平或垂直設置的管段為直向;
(二)水平設置的管段置於牆壁的頂部,與天花板或阻擋結構的元件等距離不超過20厘米;
(三)垂直設置的管段與其供氣的燃氣器具的截流裝置垂直;
(四)管道嵌入地面時,其路徑優先選擇沿平行方向設置及管道之間的距離不超過20厘米,或與相鄰牆壁垂直。
二、嵌入式管道不得使用任何機械連接裝置,如需使用,則須安裝在具有三級可到達性的檢修井內。
三、上款的規定適用於帶有機械連接裝置的截流裝置及其配件。
四、管道的分支或改變方向以焊接或硬釺焊實現時,須安裝在第二款所指的檢修井內,但在具合理解釋的情況下以電弧焊接的鋼管則除外。
五、嵌入式管道的覆蓋層厚度至少為2厘米。
六、嵌入式鋼管須預先塗上惰性及防腐蝕的塗層,並須符合ISO 12944、GB/T 30790或其他在技術上相等的標準要求;如屬嵌入到磚牆的鋼管,則須以環氧煤瀝青加上玻璃布或聚乙烯膠帶等技術進行符合SY/T 0447、GB/T 23257或其他在技術上相等的標準要求的加強級別防腐,且在焊接部位須補充進行加強級別的防腐。
七、嵌入式管道不得與蒸汽、熱水或電力網絡接觸,且彼此之間的最少距離須符合下列要求:
(一)與蒸汽或熱水網絡平行設置時為5厘米,交叉設置時為3厘米;
(二)與電力網絡平行設置時為10厘米,交叉設置時為3厘米;
(三)與煙道的距離為5厘米。
八、管道符合下列條件,則可覆蓋、內置或嵌入在牆壁、隔離牆或地板中:
(一)不與結構的金屬或牆壁、柱子或地面的鋼筋直接接觸;
(二)不穿過磚石或混凝土的擴展接縫和破裂接縫;
(三)不通過中空元件的內部,但管道設置在密封的無中斷環形裝置內,且環形裝置的兩端至少有一端處於通風區域可除外;
(四)非設置在煙道的牆壁內;
(五)修建後才建造的管道槽不得降低工程建築的可靠性、通風性、密閉性、隔熱及隔音功能。
九、燃氣管道置於下列位置時不得設置管道槽:
(一)水平方向,厚度小於6厘米的空心磚建造的牆壁或隔離牆內;
(二)水平方向,厚度小於8厘米的實心或泡沫混凝土建造的牆壁或隔離牆內;
(三)厚度小於10厘米的輕型牆壁或隔離牆內;
(四)厚度小於10厘米的預製牆壁內;
(五)薄的隔離牆內、以剛完成攪拌的混凝土製成的肋骨層或類似條件的地面下。
第二十二條
管道井內的管道
一、如燃氣管道安裝在管道井內,管道井須具有合適的通風,並以不可燃材料(M0)製成,而住宅單位內可使用防燃材料(M1)。
二、管道井須透過密封檢修門進行檢修,該門須使用上款所指的材料製成,每隔4至5層設置,且兩扇門之間的距離不得超過20米。
三、燃氣管道如設置在共同部分的管道井內,則須以中、葡文字樣註明燃氣管道的走向,文字須清晰可見且不易擦掉。
第二十三條
樓層及戶內分支
根據使用的方法,樓層及戶內分支須沿牆壁設置,並須符合第十七條及第二十條至第二十二條的規定。
第二十四條
截流裝置
一、除了建築物的總截流裝置外,燃氣設施須至少在下列位置安裝四分之一圈型截流裝置:
(一)每一樓層分支的起點;
(二)每一戶內分支的起點;
(三)緊接在每一燃氣計量錶的上行;
(四)如住宅單位的燃氣計量錶距離該單位的入口超過20米,則在該單位的管道入口處;
(五)如住宅單位距離該單位的戶內分支起點的截流裝置超過20米,則在該單位的管道入口處。
二、如截流裝置設於上款(四)項或(五)項所指位置,須置於以不可燃材料(M0)製造的箱內,並須確保能將洩漏的燃氣排出室外。
三、如安全減壓器安裝在每一燃氣計量錶的附近,則得以其作為截流裝置,但該減壓器須位於同一樓層或位於上或下一樓層,並與其所服務的住宅單位距離不超過20米。
四、如安全減壓器為自動重啟型,須在其上行安裝一個手動四分之一圈型截流裝置。
五、與樓層分支相關的截流裝置須安裝在檢修井或由燃氣營運實體密封的管道井中,但使用外露管道的設施除外。
六、當多個截流裝置組成一組時,須以不易擦掉和清晰可見的標記註明其所服務的用戶。
七、分支截流裝置安裝在接近單位及其邊界並從單位外部進入時,須在容易看見的地方,以不可燃材料(M0)製成標識牌,標示“燃氣”的中、葡文字樣,文字須清晰可見且不易擦掉。
八、任何情況下,截流裝置均須安裝在具有二級可到達性的位置。
第二十五條
排出冷凝物
一、如使用濕燃氣,燃氣管道須向燃氣來源方向以至少5毫米/米的斜度設置,並斜向冷凝物收集裝置。
二、須安裝冷凝物收集裝置以防止冷凝物流到燃氣計量錶。
三、鑑於第十四條第十一款的規定,濕燃氣的燃氣設施的每一低點須安裝冷凝物排出裝置。
第二十六條
安裝壓力控制裝置
一、每一住宅單位的獨立減壓器須為“安全”型,且須安裝在緊接燃氣計量錶或燃氣器具的上行。
二、燃氣設施使用第三級低壓供氣時,可不安裝上款所指的減壓器。
三、壓力控制裝置的前端須安裝截流裝置,確保在有需要時能替代壓力控制裝置。
四、僅上款所指的截流裝置安裝在共用管段,方可供多個平行設置的減壓器共用。
五、如減壓器設有防止內部過壓的安全系統,則該系統須能確保將洩漏的燃氣釋放至安全的位置,且須符合下列要求:
(一)在下行管路的壓力達到最大工作壓力1.1倍前能發揮作用;
(二)如該系統設於建築物內,能將洩漏的燃氣透過設備槽排出,或在有需要時可用放散管將洩漏的燃氣排出;
(三)如該系統設於建築物外,安裝在通風的燃氣技術箱中。
六、放散管須符合下列要求:
(一)具有向下的自由通風端口,位於建築物外,與燃氣可能進入的孔洞之間的距離至少2米,與任何火源、明火或電力裝置的距離至少3米;但在修建時如不能遵守,則有關距離可減至50厘米;
(二)以金屬製造,須對其端部加以保護,以防止昆蟲或異物進入;
(三)內徑有足夠空間能讓燃氣在不受阻的情況下流通。
第二十七條
安裝燃氣計量錶
一、燃氣計量錶須符合下列任一標準:
(一)GB/T 6968;
(二)OIML R31;
(三)BS EN 1359;
(四)BS EN 12480;
(五)GB/T 18940;
(六)其他在技術上相等的標準要求。
二、燃氣計量錶及其安全減壓器須安裝在燃氣技術箱內,並具有一級可到達性,並須符合第二十九條的規定,但如燃氣計量錶及其安全減壓器安裝在住宅單位的廚櫃內除外。
三、多於一個燃氣計量錶集中在同一空間時,每一燃氣計量錶須以不可燃材料(M0)製成標識牌,標示所服務的用戶,文字須清晰可見且不易擦掉。
四、燃氣計量錶安裝在住宅單位內或私人空間時,須符合下列要求:
(一)置於具備良好的通風的位置;
(二)置於不高於1.8米的位置;
(三)與燃氣器具之間的水平距離至少40厘米;
(四)與電源開關或電插座、排水管及燃燒殘餘物排出管的距離至少20厘米;
(五)如安裝在住宅單位的廚櫃內,該廚櫃與鄰近廚櫃不相通,且設有總面積至少為80平方厘米的永久性通風開口,該開口位置則視乎使用的燃氣特性而定;
(六)如安裝在露台位置,須設於燃氣技術箱內。
五、燃氣計量錶禁止安裝在臥室或浴室內。
六、燃氣計量錶須以外力不傳至其與管道的連接處的方式安裝。
第二十八條
住宅單位內的燃氣設施
一、燃氣計量錶的下行管道除其供氣的住宅單位外,不得穿過其他住宅單位。
二、住宅單位內的總截流裝置須安裝在廚房或露台的管道入口處,距離地面不高於1.8米,並須具有一級可到達性,但在修建的情況下除外。
三、固定性管道須確保能將燃氣傳輸至距離燃氣器具接駁位置不多於2米處。
四、固定性管道須安裝一個四分之一圈型截流裝置,且須接近相應的管道端部。
第二十九條
燃氣技術箱
一、如一個或多個截流裝置、安全減壓器、燃氣計量錶及其對應的管道安裝在燃氣技術箱內,該箱可由一個設備室組成,嵌入或不嵌入建築物的外牆,或置於用戶單位最接近入口處,但須確保不妨礙消防人員及其使用的滅火裝備進入。
二、在容易看見的地方,須以不可燃材料(M0)製成的標識牌,標示燃氣營運實體名稱及緊急聯絡電話、“燃氣”及“禁止吸煙或生火”的中、葡文字樣或對應的符號,文字及符號須清晰可見且不易擦掉。
三、燃氣技術箱須符合下列要求:
(一)嵌入牆壁時,可使用磚石、混凝土、金屬板等不可燃材料(M0)建造,且為至少30分鐘的耐火等級,如屬用作工業活動場所的非住宅建築物則為至少60分鐘的耐火等級;
(二)在高位和低位設置永久性開口作為通風;
(三)裝有以(一)項所指的相同耐火等級的材料製成的門,並帶鎖以及向外側開;
(四)保持清潔、常關、乾燥及通風。
四、在燃氣計量錶的下行管道可能受到機械干擾的位置,須以管道井或環形裝置保護,並須符合第十四條第十二款及第十三款的要求。
五、如燃氣技術箱安裝在建築物的外牆,須確保能讓建築物使用人安全疏散的方式設計。
第二節
設有內部主幹管道的建築物
第三十條
主幹管道
一、安裝在建築物內的主幹管道不得穿過任何住宅單位內部。
二、建築物的抵抗元件以不可燃材料(M0)建造時,主幹管道可穿過建築物的共同部分內部。
三、主幹管道安裝在管道井時,須符合下列要求:
(一)管道為鋼管;
(二)根據適用的技術標準要求進行焊接,且減少連接點。
四、主幹管道的管道井專用於燃氣管道,須儘可能保持直線設置,並須與建築物的整體高度保持一致的截面。
五、主幹管道的管道井整體長度須具有良好的通風,其頂部及底部的通風開口須在建築物外,開口須以防火網保護,且底部的通風開口須距離路面至少2米及距離管道外壁至少2厘米。
六、管道井的垂直線與底部開口之間的設備槽須至少有百分之一的斜度。
七、主幹管道通過樓層地面時,禁止以混凝土錨固,及其管道井須符合第三款的要求,並須為一條自由的通道。
八、管道井頂部的排氣處須加以保護,以防止異物進入及與大氣中的物質產生反應。
九、按使用燃氣的特性,管道井的頂部或底部的通風開口須設置具警報功能的燃氣探測器。
第三十一條
截流裝置
安裝樓層及戶內分支的截流裝置須符合第二十四條的規定。
第三十二條
安裝燃氣計量錶
一、安裝燃氣計量錶除須符合第二十七條的規定外,尚須儘可能安裝在接近主幹管道的位置,以及主幹管道的管道井須與設備槽或設備室相通。
二、通往燃氣計量錶的設備槽或設備室的入口及管道井的入口須有帶鎖的門保護,且該門須具備至少30分鐘的耐火等級,如屬用作工業活動場所的非住宅建築物,該門則至少為60分鐘的耐火等級,並須向外側開及具有自動關閉的裝置。
三、燃氣計量錶的設備槽或設備室及主幹管道的管道井所需的照明等電氣設備,可置於設備室外適合的位置,如置於設備室內,則須為防爆型。
第三節
設有外部主幹管道的建築物
第三十三條
主幹管道及樓層分支
一、除法律另有規定外,建築物均可設置外部主幹管道。
二、外部主幹管道須符合下列要求:
(一)以鋼管建造;
(二)沿建築物外牆建造,對其整體長度進行防腐蝕保護,及在主幹管道高出地面至2.5米加設防機械衝擊裝置。
三、主幹管道的工作壓力超過0.1巴時,須與建築物非用氣間隔室的開口或窗戶距離至少1米,工作壓力不超過0.1巴時,則距離至少為0.3米。
四、如主幹管道的工作壓力超過0.1巴且安裝在環形裝置內,上款所指的1米距離可減少,但該環形裝置須符合下列要求:
(一)具有不小於100平方厘米的截面,專供主幹管道使用;
(二)有合適的通風,其底部開口以防火網保護;
(三)頂部的排氣處加以保護,以防止異物進入及與大氣中的物質產生反應;
(四)樓層分支所用的環形裝置的出口適當密封。
第三十四條
截流裝置
戶內分支的截流裝置須緊接在每個住宅單位管道的入口處,並須安裝在容易到達的地方,如地方受到限制,可安裝在住宅單位外。
第三十五條
安裝燃氣計量錶
安裝燃氣計量錶除須符合第二十七條的規定外,尚須安裝在下列任一地方:
(一)廚房或陽台,須儘可能接近主幹管道;
(二)進入住宅單位的管段上,但燃氣設施須以第三級低壓供氣或在住宅單位外裝有安全減壓器。
第四節
高層建築物
第三十六條
主幹管道
一、如主幹管道安裝在建築物內,須安裝在專用的管道井,並須符合第三十條的規定。
二、管道井頂部和底部的通風開口及管道井的每隔4至5層位置,必須設置具警報功能的燃氣探測器,而兩個燃氣探測器之間的距離不得超過20米,並在燃氣探測器位置,設有自動關閉的密封檢修門。
三、如使用外部主幹管道,其與樓層分支的安裝須符合第三十三條的規定。
第三十七條
截流裝置
一、如使用內部主幹管道,截流裝置的安裝須符合第三十一條的規定。
二、如使用外部主幹管道,截流裝置的安裝須符合第三十四條的規定。
第三十八條
安裝燃氣計量錶
一、如使用內部主幹管道,燃氣計量錶的安裝須符合第三十二條的規定。
二、如使用外部主幹管道,燃氣計量錶的安裝須符合第三十五條的規定。
第四章
現場佈置
第三十九條
一般原則
一、燃料網絡設置計劃的修改,須由根據第1/2015號法律的規定,已於土地工務運輸局註冊獲適當資格的技術員、自然人商業企業主或公司執行,並須在最終設置計劃上作出標示。
二、禁止重複使用曾在其他設施中使用過的管道或連接配件。
三、僅在截流裝置和減壓器經合資格的技術員或機構檢驗,被評定為質量合格並獲發證明文件,方可重複使用。
第四十條
冷凝物排出裝置
一、冷凝物排出裝置的安裝位置須具備或加設抗衝擊、防腐蝕及冷凍的保護設施。
二、排洩活栓必須具可到達性且須由燃氣營運實體密封。
第四十一條
安裝管道
一、鋼管可外露或嵌入建築物的牆壁或地面。
二、鋼管及銅管外露安裝時,須有適當的支撐及固定。
三、通過地面、牆壁或其他障礙物的管道須加以保護。
四、管道如未通氣,須以與管道材料相容的螺紋旋塞或類似的方法封起,禁止採用臨時密封的方法。
第四十二條
管道的接駁、接頭及配件
一、鋼管的連接可採用下列任一方式:
(一)電焊,對接焊縫;
(二)電焊,法蘭或接頭的連接,其壓力等級爲EN 1092-1標凖中PN10、ANSI B 16.5標凖中Class 150或以上等級;
(三)螺紋接頭,適用於外徑不大於60.3毫米的鋼管。
二、機械連接裝置或法蘭型連接裝置限於需要對管道進行拆卸或其管段的設置受限制時方可使用。
三、法蘭材質須符合ASTM A694或其他在技術上相等的標準要求。
四、機械連接裝置的使用限於截流裝置、配件及器具的接駁,當對銅管進行接駁時,禁止在現場進行釺焊。
五、銅管的連接可採用下列方式:
(一)硬釺焊幼焊枝,適用於外徑不大於54毫米的銅管;
(二)釺焊,適用於外徑大於54毫米的銅管,但僅在其外徑大於110毫米時,方可使用硬釺焊。
六、利用黃銅或青銅製成的銅管接駁時,須以硬釺焊進行。
七、鋼管與銅管之間的接駁,須在絕緣連接裝置或混合配件的輔助下進行,在接駁兩個端口時,鋼管一側以焊接或硬釺焊進行,銅管一側以釺焊或焊接進行。
八、使用絕緣連接裝置須符合下列要求:
(一)進行焊接或釺焊時,確保絕緣部分不會出現過熱的情況;
(二)焊件預留至少150毫米的焊接段,且不帶有塗層,以確保焊接時塗層不會出現過熱的情況,焊接完成後以相容的絕緣塗層進行保護;
(三)安裝時確保電氣絕緣性能不受影響。
九、透過金屬與金屬之間的接觸確保非焊接連接裝置的密封性時,可使用少量的輔助物品,尤其聚四氟乙烯(PTFE)帶及適當的黏合劑或黏合液,但禁止使用紗線或聚合物類型的黏合劑。
十、輔助密封方法須遵守第十五條的規定。
十一、地下管道須以焊接或釺焊方式連接。
十二、嵌入式管道的機械連接裝置須置於檢修井內,由設置實體加以密封。
第四十三條
焊接
一、鋼管的焊接須符合API STD 1104或其他在技術上相等的標準要求。
二、焊接須由本地機構認可的合資格的焊接工人按經審批的焊接程序進行。
三、焊接程序、對焊接質量所進行的目視檢查和破壞性及非破壞性測試均須符合土地工務運輸局接受的標準。
四、焊接標準未指出不同的方法時,須進行下列測試:
(一)隨機對管道至少百分之十的焊縫進行目視檢查,並對外徑大於60.3毫米的管道或工作壓力超過0.4巴的燃氣管道焊縫進行至少百分之五且至少對一個焊縫進行非破壞性測試;
(二)對設置在地庫第一層,又或地面層的部分位置低於地面層的間隔的管道或嵌入式管道的所有焊縫進行目視檢查,並對至少百分之五且至少一個焊縫進行非破壞性測試。
第四十四條
填充金屬
一、填充金屬須符合適用的技術標準的要求。
二、鋼管採用的填充金屬須具有與需要焊接的鋼件相容的質量和化學成分。
三、銅管禁止使用含磷的填充金屬。
第四十五條
燃氣設施的接地
一、建築物的燃氣設施須接地,接地電阻不超過4歐姆。
二、在有需要時,可採取靜電跨接等連通措施,以確保金屬管道的電氣持續連通性。
三、禁止使用燃氣管道作為電氣或其他網路的接地裝置。
第四十六條
使用密度小於空氣的燃氣的設施
建築物的集中壓力控制裝置須安裝在建築物的入口附近,可從外面進入,並須安裝在專用的燃氣技術箱中,該箱須能防衝擊、振動和腐蝕,並須遵守第二十九條的規定。
第四十七條
燃氣計量錶的安裝
一、燃氣計量錶及其安全減壓器須固定或安裝在支撐結構上,以及必須確保不影響燃氣設施的密封性和正常運行。
二、燃氣計量錶的技術箱的管道出入口須以惰性材料密封。
三、如燃氣計量錶需安裝旁通管,須預先取得燃氣營運實體明確的書面同意,方可進行安裝。
四、在旁通管分支上的截流裝置須確保在關閉狀況下密封。
第四十八條
燃氣器具的截流裝置
一、在燃氣設施中,須在每個燃氣器具前安裝一個燃氣截流裝置。
二、燃氣截流裝置須為四分之一圈型,並遵守適用的技術標準。
第四十九條
住宅建築物中燃氣器具的連接
一、在下列情況,燃氣器具與燃氣設施的連接以剛性或柔性金屬管進行:
(一)獨立式烤爐或獨立的工作台燃氣爐具;
(二)即熱式或儲水式加熱器具;
(三)固定的環境加熱器具。
二、在下列情況,燃氣器具與燃氣設施的連接以柔性的金屬或非金屬管進行,並須遵守適用的技術標準:
(一)小型烤爐或爐具;
(二)可移動的環境加熱器具;
(三)洗衣機或烘乾機;
(四)洗碗機。
三、供氣點與燃氣器具之間的距離大於2米或供氣點向一個以上燃氣器具供氣時,有關連接須使用金屬管。
四、禁止將燃氣連接至使用“氧氣/燃氣混合氣”及“壓縮空氣/燃氣混合氣”的器具。
第五十條
建築物中燃氣器具的安裝
一、禁止安裝無煙道式燃氣熱水爐。
二、燃氣器具須設有自動安全裝置,以便在火焰意外熄滅時能自動切斷燃氣的供應。
三、住宅建築物的燃氣器具的安裝須符合CJJ 12或其他在技術上相等的標準要求。
四、燃氣爐具須符合下列任一標準:
(一)GB 16410;
(二)EN 30;
(三)JIS S 2103;
(四)其他在技術上相等的標準要求。
五、燃氣熱水爐須符合下列任一標準:
(一)GB 6932;
(二)EN 26;
(三)JIS S 2109;
(四)其他在技術上相等的標準要求。
六、燃氣器具的安裝位置須以不可燃材料(M0)建造。
七、燃氣爐具與可燃材料的距離須符合作為本行政法規組成部分的附件一及附件二的要求,當安裝距離受到限制時,須以有效的防火隔熱材料保護。
八、如使用中央燃氣系統,燃氣爐具的橡膠軟管與燃氣爐具的截流裝置之間須設置溢流控制閥,或該閥與燃氣爐具的截流裝置結合,並與燃氣爐具的橡膠軟管的入口接駁。
九、燃氣熱水爐與可燃材料的距離須至少為3厘米。
十、燃氣爐具除自身的電線、電插座及電源開關外,其與其他電線、電插座、電源開關的距離至少為30厘米。
十一、燃氣熱水爐除自身的電線、電插座及電源開關外,其與其他電線的距離至少為30厘米,與其他電插座及電源開關的距離至少為15厘米。
十二、燃氣器具的安裝和維修,須由根據第3/2003號行政法規《燃氣網絡設置工程的圖則編製、指導和施工以及燃氣器材的安裝和維修的條件》的規定,已於土地工務運輸局註冊的燃氣器材安裝實體執行。
第五十一條
非住宅建築物中燃氣器具的連接
一、用作工業活動場所的非住宅建築物中,僅在設置專用的排煙通道,能將燃燒殘餘物強制排出外界的情況下,方可將燃氣連接至強制鼓風型燃氣器具上,但如設有足夠的聯動強制通風裝置,或連接的燃氣器具置於足夠通風的開放性空間則除外。
二、燃氣連接至上款所指場所以外的其他非住宅建築物中的燃氣器具時,須遵守第四十九條的規定。
第五十二條
通風及燃燒殘餘物的排出
一、通風裝置的技術要求、所用的材料及安裝和排出燃燒殘餘物均須遵守適用的法律規定和技術標準。
二、燃氣熱水爐的排煙禁止排入燃氣爐具的排煙通道。
三、在修建或改建的情況下,燃氣營運實體須檢查通風及燃燒殘餘物的排出條件。
四、使用煙道式或自然排煙型的密封式燃氣熱水爐時,房間及間隔室的通風須符合作為本行政法規組成部分的附件三的要求,而機動排煙型的密封式燃氣熱水爐的通風要求,如安裝說明沒有要求,則按附件三的要求設置。
五、如在現有的建築物內安裝燃氣熱水爐,但未能按照作為本行政法規組成部分的附件三的要求設置,則每一用戶或每一分支所安裝的燃氣熱水爐的單位功率或總功率分別不得超過35千瓦或70千瓦。
六、嵌入式燃氣爐具下方的廚櫃不得與鄰近廚櫃相通,且必須有總面積至少為80平方厘米的永久性通風開口,開口位置須視乎使用的燃氣的特性而定,但屬更換燃氣爐具的情況除外。
七、如使用的燃氣熱水爐的安裝說明沒有要求煙道末端的安裝位置,則須按照作為本行政法規組成部分的附件四的規定安裝。
第五章
使用密度大於空氣的燃氣的設施
第五十三條
液化石油氣儲氣罐站的設置
一、液化石油氣儲氣罐站的設置須遵守第28/2002號行政法規《容積200立方米以下的單個液化石油氣容器之儲存設施的安全規章》及其他適用法律的規定。
二、在高層建築物禁止使用液化石油氣儲氣罐,但屬向建築物供氣的儲氣罐站除外。
三、設置在建築物地面層的非住宅用途的單位,如具有專用的獨立出入口,能直接通往公共街道,且該單位未有中央燃氣系統,則不受上款規定的限制。
四、液化石油氣儲氣罐站須以不可燃材料(M0)製成標識牌,標示下列資訊,文字須清晰可見且不易擦掉:
(一)容許存放最多液化石油氣罐數目的中、葡文字樣;
(二)最大總容積的中、葡文字樣;
(三)燃氣營運實體名稱及緊急聯絡電話的中、葡文字樣。
五、在地庫,又或地面層的部分位置低於地面層且不能讓洩漏的燃氣自由及自然地排出外界的間隔,禁止儲存及使用密度大於空氣的燃氣。
第五十四條
管道的設置
傳輸密度大於空氣的燃氣的管道不得穿過地庫,以及地面層的部分位置低於地面層且不能讓洩漏的燃氣自由及自然地排出外界的間隔。
第五十五條
設施的供氣
一、使用液化石油氣的燃氣設施的減壓器須位於儲氣罐截流裝置上或管道的開端處。
二、建築物內使用液化石油氣的燃氣設施至少設有兩級減壓層,最後一級必須位於燃氣計量錶的入口處。
三、使用液化石油氣的燃氣設施的第二級減壓層如設有限壓裝置,該裝置須安裝在緊接第一級減壓器的下行或在建築物供氣管路的入口處。
四、如使用轉換器,其須配備一個能顯示正在使用中的儲氣罐組裝置。
第五十六條
燃氣器具的供氣
燃氣器具與液化石油氣罐位於同一位置且距離不超過2米時,可免除安裝燃氣器具的截流裝置。
第六章
現場測試
第五十七條
一般原則
一、燃氣設施在投運前,設置實體和燃氣營運實體須進行測試,且燃氣管道須在測試前進行吹掃,吹掃流體可使用空氣或氮氣,但不得使用燃氣。
二、燃氣設施的測試和檢查須符合下列要求:
(一)對所有工作壓力高於0.4巴的管段進行機械強度測試;
(二)對工作壓力不高於0.4巴的固定管段進行無洩漏測試;
(三)如使用軟管,須測試其密封性,但如燃氣器具已固定,則檢查軟管的有效期和質量;
(四)根據第五十二條的規定,檢查通風及燃燒殘餘物的排出條件。
三、對燃氣設施須先進行機械強度測試再進行無洩漏測試,且可連續或不連續進行。
四、對嵌入式管道進行的機械強度測試和無洩漏測試,須於燃氣管道藏置前進行,且不免除對燃氣設施進行最終測試。
五、測試時如發現缺陷,必須在測試壓力降至大氣壓力後進行處理,處理後須重新進行測試。
第五十八條
機械強度測試
一、機械強度測試時,管道須為外露,但安裝在環形裝置內的管段除外。
二、安裝在環形裝置內的管段須在安裝前進行測試。
三、機械強度測試適用於管道及其配件,但壓力調節及限壓裝置、總截流裝置或自動截流裝置及燃氣計量錶除外。
四、在測試前,須確保被測試的管段已與設施的其他管段分開。
五、機械強度測試可使用的測試流體為空氣或氮氣,如測試壓力超過6巴,得以水進行測試,但須採取適當的安全措施。
六、機械強度測試須符合下列要求:
(一)測試壓力至少為6巴,使用波爾登型壓力計或等效的壓力計進行測量,精度為0.1巴;
(二)在檢測及最終洩漏探測所需的時間內,壓力必須維持恆定;
(三)測試時間持續不少於三十分鐘,並以液體或發泡溶液檢查所有接頭。
第五十九條
無洩漏測試
一、可使用空氣、氮氣或在當前工作中所使用的燃氣進行無洩漏測試。
二、使用空氣或氮氣時,在測試結束後須對燃氣設施進行置換。
三、因應燃氣設施的管段安裝位置,分下列兩階段進行無洩漏測試:
(一)燃氣計量錶的上行;
(二)燃氣計量錶的下行。
四、上款所指的階段測試得以整體或分段進行,但須符合下列要求:
(一)對第二級低壓燃氣設施進行測試,測試壓力為工作壓力的1.5倍,最小測試壓力值為1巴,但最後減壓層的下行除外,其測試壓力為150毫巴;
(二)對第三級低壓燃氣設施進行測試,如利用當前工作中所使用的燃氣進行測試,則測試壓力為0.1巴或等於工作壓力;
(三)測試時間持續不少於三十分鐘,並以液體或發泡溶液檢查所有接頭。
第六十條
查找洩漏
一、須採用適當的方法查找洩漏,尤其以液體或發泡溶液進行測試。
二、禁止使用火焰查找洩漏。
第六十一條
測試報告
一、對燃氣設施或其任一管段所進行的測試均須撰寫報告,其中須包括下列內容:
(一)被測試管段的參考資料;
(二)日期、時間及持續時間;
(三)測試期間在流體中檢測出的溫度值;
(四)測試的開始及最終壓力值;
(五)結論;
(六)詳細觀測資料。
二、報告須由根據第1/2015號法律的規定,已於土地工務運輸局註冊獲適當資格的技術員、自然人商業企業主或公司,或由根據第3/2003號行政法規的規定,已於土地工務運輸局註冊的燃氣網絡設置實體撰寫。
第七章
投入服務、檢查及維護
第六十二條
一般規定
一、燃氣營運實體須就管道的運作、維護、檢查及控制擬定一個安全保障程序的方案。
二、燃氣營運實體須擁有適當的資源,尤其人力、技術和材料,以確保能符合上款的規定。
三、燃氣管道僅在完成機械強度測試及無洩漏測試且測試結果良好後,方可投入服務。
四、分層建築物所有權人或用益權人須聘用根據第3/2003號行政法規的規定,已於土地工務運輸局註冊的燃氣網絡設置實體,定期對建築物燃氣設施的共同部分進行全面的檢查,尤其對管道、截流裝置、燃氣探測器及壓力錶,每次檢查之間的間隔期不得超過十二個月。
五、分層建築物所有權人或用益權人須聘用根據第3/2003號行政法規的規定,已於土地工務運輸局註冊的燃氣器材安裝實體,定期對其住宅單位及非住宅用途的單位的燃氣設施尤其燃氣器具、截流裝置及軟管進行全面的檢查,每次檢查之間的間隔期不得超過十二個月。
六、如燃氣營運實體認為建築物的燃氣設施存在安全問題,不予提供服務。
第六十三條
置換氣體的方式
一、燃氣設施在投運前,須對燃氣管道內的氣體進行置換,置換時先注入氮氣或其他惰性氣體,以排清管道內的原有氣體;如管道內的氧氣含量下降至百分之三,方可注入新的燃氣;如新燃氣含量達至百分之九十,即視為置換完成;如管道的水容積少於1立方米,則得以燃氣直接進行置換。
二、燃氣設施在停運前,須對燃氣管道內的氣體進行置換,置換時先注入氮氣或其他惰性氣體,以排清管道內的原有燃氣;如管道內的燃氣含量降至爆炸下限百分之五,方可注入空氣。
第六十四條
燃氣設施的控制
燃氣營運實體必須負責控制下列各項:
(一)管道中的有效壓力值;
(二)管道的密封性。
第八章
技術標準及證明文件
第六十五條
適用的技術標準
一、為適用本行政法規的規定,須遵守作為本行政法規組成部分的附件五所載的技術標準或其他在技術上相等的標準。
二、如在設計或安裝上出現本行政法規未有規定的情況,適用土地工務運輸局所採納的國家標準或國際標準。
第六十六條
證明文件
具備文件證明所涉及的物品、材料、元件及設備的質量和規格符合本行政法規的規定,方可銷售。
第九章
過渡及最後規定
第六十七條
過渡規定
一、本行政法規生效前已遞交予土地工務運輸局的燃氣設施設置計劃,按照遞交計劃當日生效的法例,尤其第30/2002號行政法規《建築物中燃氣管路供氣設施的技術規章》進行審查及作出決定。
二、屬本行政法規生效後才遞交上款所指的計劃的修改計劃的情況,如該計劃的核准批示仍有效,則按照核准該計劃當日生效的法例,尤其第30/2002號行政法規進行審查及作出決定。
三、為確保人身及燃氣設施運行時的安全,土地工務運輸局可根據本行政法規的規定,命令現有的燃氣設施的權利人在指定的期限內作出必要的更改。
第六十八條
更新提述
在法律、規章、合同及其他法律上的行為中對“《建築物中燃氣管路供氣設施的技術規章》”的提述,經必要配合後,視為對“《建築物燃氣設施的技術規範》”的提述。
第六十九條
修改第26/2002號行政法規
第26/2002號行政法規核准的《大功率燃氣設備安裝的安全規章》第一條修改如下:
“第一條
標的及適用範圍
一、本規章訂定在住宅建築物及其附屬建築中安裝以燃氣為燃料,且每一用戶的每一分支的單位功率超過70千瓦,或在該類建築物的非住宅用途單位、在商業建築物或公共建築物及其附屬建築中安裝以燃氣為燃料,且每一用戶或每一分支的單位功率或總功率分別超過70千瓦的燃氣器材所須遵守的技術條件。
二、〔……〕”
第七十條
修改第3/2003號行政法規
第3/2003號行政法規第一條修改如下:
“第一條
標的
一、[……]
二、為適用本行政法規的規定,燃氣器材是指以可燃氣體為燃料的家用或工業用加熱器材。”
第七十一條
廢止
廢止第30/2002號行政法規,但不影響第六十七條第一款及第二款規定的適用。
第七十二條
生效
本行政法規自公佈後滿三十日起生效。
二零二一年七月二十一日制定。
命令公佈。
行政長官 賀一誠
———
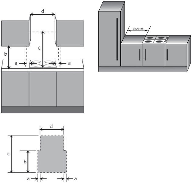
附件一
(第五十條第七款所指者)
全座式燃氣櫃爐與可燃材料的距離

a ≥610mm,如採用的抽油煙機或燃氣爐具的安裝說明另有規定,則以該說明的高度為準。
b ≥150mm。
c ≥20mm。
附件二
(第五十條第七款所指者)
嵌入式燃氣爐具與可燃材料的距離

a ≥50mm。
b ≥460mm。
c ≥600mm,如採用的抽油煙機或燃氣爐具的安裝說明另有規定,則以該說明的高度為準。
d ≥爐盤寛度。
附件三
(第五十二條第四款所指者)
煙道式及自然排煙型的密封式燃氣熱水爐的通風開口要求

註:
1. A、D、E、H及I是與外界相連的永久性通風開口的面積,B、C、F及G是安裝熱水爐的間隔室與相鄰房間之間的永久性通風開口的面積;所有通風開口的面積以燃氣熱水爐的功率計算。
2. 機動排煙型的密封式燃氣熱水爐,須參照製造商的指引。
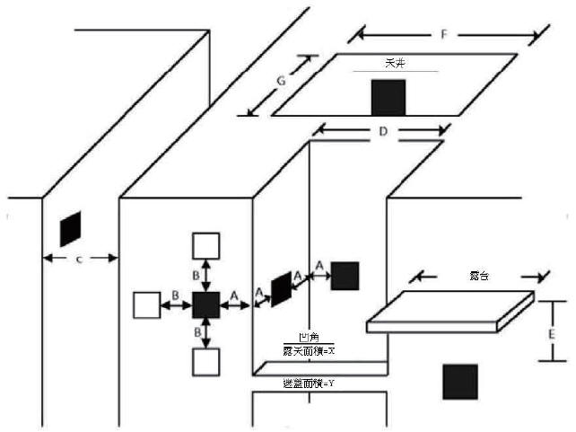
附件四
(第五十二條第七款所指者)
熱水爐煙道末端可接受的安裝位置

| 位置 | 最小距離 (毫米) | |
| A | 距離任何建築物轉角 | 300 |
| B | 距離任何毗鄰的建築物開口 | 300 |
| C | 距離對面的牆壁或周邊 | 1500 |
| D | 凹角的最小平面寛度 | 1500 |
| E | 在露台或同類結構物之下 | 300 |
| F及G | 天井平面面積(F x G) 10樓或以下 20樓或以上 |
3000 4000 5000 |
註:
1.天井
須保持空氣上下流通時並無障礙。
在最低的煙道末端下有通往外界的通風口。每一面向天井的煙道末端,其通風口最小面積需為0.05平方米。通風口內部尺寸最小為200毫米。
2.凹角
須保持空氣上下流通。在任何一層,橫樑所佔的面積,不得使凹角的露天面積減少超過20%【即Y≦20% (X+Y)】。
附件五
(第六十五條第一款所指者)
適用的技術標準
(一)ANSI B1.20.1 – Pipe Threads, General Purpose (Inch);
(二)ANSI B 16.5 – Pipe flanges and flanged fittings;
(三)ANSI B 16.9 – Factory-Made Wrought Buttwelding Fittings;
(四)API SPEC 5L – Specification for Line Pipe;
(五)API STD 1104 – Welding of Pipeline and Related Facilities;
(六)AS/NZS 1869 – Hose and hose assemblies for liquefied petroleum gases (LP Gas), natural gas and town gas;
(七)ASTM A694 – Standard Specification for Carbon and Alloy Steel Forgings for Pipe Flanges, Fittings, Valves, and Parts for High-Pressure Transmission Service;
(八)BS EN 751-1 – Sealing materials for metallic threaded joints in contact with 1st, 2nd and 3rd family gases and hot water. Anaerobic jointing compounds;
(九)BS EN 751-2 – Sealing materials for metallic threaded joints in contact with 1st, 2nd and 3rd family gases and hot water. Non-hardening jointing compounds;
(十)BS EN 751-3 – Sealing materials for metallic threaded joints in contact with 1st, 2nd and 3rd family gases and hot water. Unsintered PTFE tapes;
(十一)BS EN 1057 – Copper and copper alloys – Seamless, round copper tubes for water and gas in sanitary and heating applications;
(十二)BS EN 1359 – Gas meters – Diaphragm gas meters;
(十三)BS EN 10242 – Threaded pipe fittings in malleable cast iron;
(十四)BS EN 10226-1 – Pipe threads where pressure tight joints are made on the threads. Taper external threads and parallel internal threads. Dimensions, tolerances and designation;
(十五)BS EN 12480 – Gas meters – Rotary displacement gas meters;
(十六)BS EN 16436-1 – Rubber and plastics hoses, tubing and assemblies for use with propane and butane and their mixture in the vapour phase – Part 1:Hoses and tubings;
(十七)CJJ 12 – 家用燃氣燃燒器具安裝及驗收規程;
(十八)EN 26 – Gas-fired instantaneous water heaters for the production of domestic hot water;
(十九)EN 30 – Domestic cooking appliances burning gas:
(1)EN 30-1-1 – Domestic cooking appliances burning gas. Safety. General;
(2)EN 30-1-2 – Domestic cooking appliances burning gas. Safety. Appliances having forced-convection ovens and/or grills;
(3)EN 30-1-3 – Domestic cooking appliances burning gas. Safety. Appliances having a glass ceramic hotplate;
(4)EN 30-1-4 – Domestic cooking appliances burning gas. Safety. Appliances having one or more burners with an automatic burner control system;
(5)EN 30-2-1 – Domestic cooking appliances burning gas. Rational use of energy. General;
(6)EN 30-2-2 – Domestic cooking appliances burning gas. Rational use of energy. Appliances having forced-convection ovens and/or grills;
(二十)EN 1092-1 – Flanges and their joints. Circular flanges for pipes, valves, fittings and accessories, PN designated. Steel flanges;
(二十一)GB 6932 – 家用燃氣快速熱水器;
(二十二)GB 16410 – 家用燃氣灶具;
(二十三)GB/T 3287 – 可鍛鑄鐵管路連接件;
(二十四)GB/T 6968 – 膜式燃氣錶;
(二十五)GB/T 8923.1 – 塗覆塗料前鋼材表面處理表面清潔度的目視評定第1部分:未塗覆過的鋼材表面和全面清除原有塗層後的鋼材表面的鏽蝕等級和處理等級;
(二十六)GB/T 9711 – 石油天然氣工業管綫輸送系統用鋼管;
(二十七)GB/T 18940 – 封閉管道中氣體流量的測量 – 渦輪流量計;
(二十八)GB/T 23257 – 埋地鋼質管道聚乙烯防腐層;
(二十九)GB/T 30790 – 色漆和清漆防護塗料體系對鋼結構的防腐蝕保護:
(1)GB/T 30790.1 – 色漆和清漆防護塗料體系對鋼結構的防腐蝕保護第1部分:總則;
(2)GB/T 30790.2 – 色漆和清漆防護塗料體系對鋼結構的防腐蝕保護第2部分:環境分類;
(3)GB/T 30790.3 – 色漆和清漆防護塗料體系對鋼結構的防腐蝕保護第3部分:設計依據;
(4)GB/T 30790.4 – 色漆和清漆防護塗料體系對鋼結構的防腐蝕保護第4部分:表面類型和表型處理;
(5)GB/T 30790.5 – 色漆和清漆防護塗料體系對鋼結構的防腐蝕保護第5部分:防護塗料體系;
(6)GB/T 30790.6 – 色漆和清漆防護塗料體系對鋼結構的防腐蝕保護第6部分:實驗室性能測試方法;
(7)GB/T 30790.7 – 色漆和清漆防護塗料體系對鋼結構的防腐蝕保護第7部分:塗裝的實施和管理;
(三十)ISO 49 – Malleable cast iron fittings threaded to ISO 7-1;
(三十一)ISO 3183 – Petroleum and natural gas industries – Steel pipe for pipeline transportation systems;
(三十二)ISO 8501-1 – Preparation of steel substrates before application of paints and related products. Visual assessment of surface cleanliness. Rust grades and preparation grades of uncoated steel substrates and of steel substrates after overall removal of previous coatings;
(三十三)ISO 12944 – Paints and varnishes – Corrosion protection of steel structures by protective paint systems:
(1)ISO 12944-1 – Paints and varnishes – Corrosion protection of steel structures by protective paint systems – Part 1:General introduction;
(2)ISO 12944-2 – Paints and varnishes – Corrosion protection of steel structures by protective paint systems – Part 2:Classification of environments;
(3)ISO 12944-3 – Paints and varnishes – Corrosion protection of steel structures by protective paint systems – Part 3:Design considerations;
(4)ISO 12944-4 – Paints and varnishes – Corrosion protection of steel structures by protective paint systems – Part 4:Types of surface and surface preparation;
(5)ISO 12944-5 – Paints and varnishes – Corrosion protection of steel structures by protective paint systems – Part 5:Protective paint systems;
(6)ISO 12944-6 – Paints and varnishes – Corrosion protection of steel structures by protective paint systems – Part 6:Laboratory performance test methods;
(7)ISO 12944-7 – Paints and varnishes – Corrosion protection of steel structures by protective paint systems – Part 7:Execution and supervision of paint work;
(三十四)JIS K 6348 – Rubber tubes for gas;
(三十五)JIS S 2103 – Gas Cooking Appliances For Domestic Use;
(三十六)JIS S 2109 – Gas Burning Water Heaters For Domestic Use;
(三十七)OIML R31 – Diaphragm gas meters;
(三十八)SY/T 0447 – 埋地鋼質管道環氧煤瀝青防腐層技術標準。



