|
| |||||||||||
| Adaptações : | |||
| Alterações : | |||
| Diplomas relacionados : | |||
| Categorias relacionadas : | |||
| Notas em LegisMac | |||
Decreto-Lei n.º 60/96/M
de 7 de Outubro
As expressões constantes do presente diploma foram sujeitas à adaptação nos termos da Lei n.º 27/2024.
Alteração de expressão - Consulte também: Lei n.º 27/2024
REGULAMENTO DE ESTRUTURAS DE BETÃO ARMADO E PRÉ-ESFORÇADO
Artigo 1.º
(Aprovação)
É aprovado o Regulamento de Estruturas de Betão Armado e Pré-esforçado, anexo ao presente diploma e do qual faz parte integrante.
Artigo 2.º
(Fiscalização)
Compete à Direcção dos Serviços de Solos e Construção Urbana, adiante designada por DSSCU, e às demais entidades promotoras de obras públicas fiscalizar o cumprimento do Regulamento de Estruturas de Betão Armado e Pré-esforçado.
Artigo 3.º*
* Não está em vigor - Consulte também: Lei n.º 27/2024
Artigo 4.º
(Regime sancionatório)
O regime sancionatório aplicável pelo incumprimento do Regulamento de Estruturas de Betão Armado e Pré-esforçado é objecto de diploma próprio.
Artigo 5.º*
* Não está em vigor - Consulte também: Lei n.º 27/2024
Artigo 6.º
(Entrada em vigor)
O presente diploma entra em vigor 60 dias após a sua publicação.
REGULAMENTO DE ESTRUTURAS DE BETÃO ARMADO E PRÉ-ESFORÇADO
TÍTULO I
Disposições gerais
CAPÍTULO I
Generalidades
Artigo 1.º
(Objecto e âmbito de aplicação)
1. O presente regulamento estabelece as regras a observar no projecto e na execução de estruturas de betão armado e de betão pré-esforçado, tendo como base os critérios gerais de segurança definidos no Regulamento de Segurança e Acções em Estruturas de Edifícios e Pontes (RSA).
2. O presente regulamento não tem em vista as estruturas mistas aço-betão e as estruturas em que se utilizem betões leves ou betões muito densos. Entende-se por «betões leves» e «betões muito densos», os betões de massa volúmica inferior a 2 000 kg/m3 e superior a 2 800 kg/m3, respectivamente.
Artigo 2.º
(Simbologia e unidades)
1. A simbologia utilizada no presente regulamento é indicada no anexo 1.
2. As unidades em que são expressas as diversas grandezas são as do Sistema Internacional de Unidades (SI). Indicam-se seguidamente algumas das unidades recomendadas:
| Massa | kg |
| Forças (concentradas e distribuídas) | kN, kN/m, kN/m2 |
| Pesos volúmicos | kN/m3 |
| Tensões | N/mm2, MPa, GPa |
| Momentos | kNm |
CAPÍTULO II
Concepção das estruturas
Artigo 3.º
(Critérios gerais)
1. As estruturas devem ser concebidas de modo a poderem desempenhar as funções a que se destinam durante o período de vida previsto, com graus de segurança adequados, sem perder de vista os aspectos económicos e estéticos.
2. Os esquemas estruturais adoptados devem permitir uma leitura clara do seu funcionamento e corresponder a comportamentos previsíveis com suficiente justeza pelas teorias e experiências disponíveis. Deve, além disso, procurar-se que as estruturas não sejam susceptíveis de rotura de tipo frágil ou de colapso generalizado em cadeia, originado pela rotura de um elemento (colapso progressivo).
3. Na concepção das estruturas devem ser devidamente tidas em conta, além das acções previsíveis e das propriedades dos materiais constituintes, as condições ambientais, as características dos terrenos de fundação e os processos construtivos a adoptar. Particular atenção deve ser dada às acções do vento e dos sismos, de acordo com os critérios estipulados no artigo seguinte.
4. As acções de acidente a que as estruturas possam estar sujeitas (explosão, incêndio, choque de veículos, etc.) devem ser tidas em conta na concepção, sempre que possível, através de medidas tendentes a minimizar, ou mesmo anular, os seus efeitos.
Artigo 4.º
(Acções do vento e dos sismos)
1. A consideração das acções do vento e dos sismos deve reflectir-se na concepção das estruturas, através de medidas especiais tendentes a melhorar o seu comportamento em face deste tipo de acções. Assim, tanto quanto possível, deve procurar-se que:
a) As características de rigidez das estruturas sejam ponderadas de tal modo que, por um lado, minimizem as acções sísmicas e, por outro, limitem a ocorrência de grandes deslocamentos, calculados para as combinações fundamentais em que a acção variável de base é o vento ou os sismos;
b) As estruturas tenham os seus elementos convenientemente interligados em todas as direcções, de modo a assegurar um eficiente funcionamento de conjunto;
c) A disposição dos elementos da estrutura seja simétrica, o mesmo se recomendando relativamente ao conjunto das massas da construção;
d) As variações de rigidez e de massas, principalmente em altura, não apresentem grandes descontinuidades;
e) As estruturas tenham possibilidade de dissipar energia por deformação não elástica com adequadas características de ductilidade dos seus elementos.
2. Em edifícios ou partes de edifícios com utilização habitacional com altura superior a 30 m, o deslocamento horizontal máximo admitido da estrutura, dw,max, para a combinação fundamental em que a acção variável de base é o vento, é igual a:
| dw, max |
= 0,001 h |
n |
| ———— | ||
| 40 |
em que:
h - altura do edifício acima do solo;
n - número de pisos.
3. As juntas entre estruturas devem, em princípio, ter largura suficiente para evitar entrechoques durante a ocorrência de um sismo, condição que é particularmente importante no caso de estruturas com características de deformabilidade muito diferentes.
CAPÍTULO III
Critérios gerais de segurança
Artigo 5.º
(Verificação da segurança)
A verificação da segurança das estruturas de betão armado e pré-esforçado deve ser efectuada de acordo com os critérios gerais estabelecidos no RSA e tendo em conta as disposições do presente regulamento.
Artigo 6.º
(Estados limites últimos)
Os estados limites últimos a considerar são:
a) Estados limites últimos de resistência - rotura, ou deformação excessiva, em secções dos elementos da estrutura, envolvendo ou não fadiga;
b) Estados limites últimos de encurvadura - instabilidade de elementos da estrutura ou instabilidade da estrutura no seu conjunto;
c) Estados limites últimos de equilíbrio - perda de equilíbrio de parte ou do conjunto da estrutura considerada como corpo rígido.
Para efeitos de verificação da segurança convenciona-se que os estados limites últimos de resistência e de encurvadura correspondem aos valores de cálculo das capacidades resistentes (traduzidas, conforme os casos, por acções, esforços ou tensões) determinados de acordo com as regras estipuladas no presente regulamento.
Artigo 7.º
(Estados limites de utilização)
Os estados limites de utilização a considerar são os estados limites de fendilhação e os estados limites de deformação.
Os estados limites de fendilhação a considerar são, consoante os casos, os seguintes:
a) Estado limite de descompressão - anulamento da tensão normal de compressão devida ao pré-esforço e a outros esforços normais de compressão numa fibra especificada da secção; em geral, a fibra em causa é a fibra extrema, que, sem considerar a actuação do pré-esforço, ficaria mais traccionada (ou menos comprimida) por acção dos restantes esforços;
b) Estado limite de largura de fendas - ocorrência de fendas cujas larguras, a um dado nível da secção, têm valor característico igual a um valor especificado; em geral, o nível tomado para referência é o das armaduras que, para a combinação de acções em consideração, ficam mais traccionadas.
Os tipos de estados limites de fendilhação que devem ser considerados em cada caso, bem como os parâmetros que os definem, são referidos no artigo 63.º
Os estados limites de deformação a considerar são os que correspondem à ocorrência de deformações na estrutura que prejudiquem o desempenho das funções que lhe são atribuídas.
Em certos casos, há que considerar outros tipos de estados limites de utilização. Assim, por exemplo, pode ser necessário limitar as vibrações nas estruturas de forma compatível com as suas condições de utilização, tendo em conta, nomeadamente, o desconforto ou sensação de insegurança dos utilizadores.
Artigo 8.º
(Durabilidade)
1. As estruturas de betão armado e pré-esforçado devem ser projectadas de forma a que a sua segurança e condições de serviço durante a vida útil possam ser mantidas sem elevados e imprevisíveis custos de manutenção e reparação.
Os requisitos de adequada durabilidade de uma estrutura consideram-se satisfeitos se, durante o seu período de vida, a estrutura desempenhar as suas funções em termos de utilização, resistência e estabilidade, sem perda significativa de utilidade ou excesso de manutenção não prevista.
Para proporcionar a durabilidade global necessária, a utilização prevista da estrutura deve ser definida juntamente com as especificações das acções a considerar. O período de vida da estrutura e o programa de manutenção devem ser igualmente considerados ao avaliar o nível de protecção exigido.
A durabilidade pode ser afectada quer por acções directas quer por efeitos indirectos, inerentes ao comportamento da estrutura (por exemplo, deformações, fendilhação, absorção de água, etc.). A importância que os efeitos directos e indirectos possam vir a ter deve ser considerada.
2. As acções devem ser avaliadas de acordo com as definições dadas no capítulo IV. Em casos especiais, pode ser necessário considerar a possibilidade de introduzir modificações nestes valores para satisfazer determinados requisitos de durabilidade.
Ambiente, neste contexto, refere-se às acções químicas e físicas a que a estrutura como um todo, assim como os seus elementos constituintes e o próprio betão, estão expostos, e cujos efeitos não estão incluídos nas hipóteses de carga consideradas no cálculo estrutural.
Para o dimensionamento de edifícios correntes, as condições ambientais são classificadas de acordo com o artigo 62.º
Além disso, pode ser necessário considerar separadamente certas formas de acção agressiva ou indirecta.
3. Os efeitos dos ataques químicos devem ser considerados no projecto, quer sobre o betão como sobre qualquer elemento metálico nele embebido.
Os ataques químicos podem resultar:
- - da utilização da obra (armazenamento de líquidos, etc.);
- - de agressividade do ambiente;
- - do contacto com gases ou com soluções de substâncias químicas, e mais frequentemente da exposição a soluções ácidas ou a soluções de sulfatos;
- - do teor de cloretos do betão;
- - de reacções entre os materiais no betão.
Para a maioria das construções, as reacções químicas prejudiciais podem ser evitadas adoptando-se as especificações apropriadas dos materiais, por exemplo as disposições constantes da Norma de Betões (NB), de forma a obter um betão impermeável e denso, com a composição e as propriedades adequadas. Além disso, é necessário um recobrimento adequado para proteger as armaduras (ver artigo 74.º).
4. Os efeitos dos ataques físicos devem ser tidos em conta no projecto, podendo ocorrer devido a:
- - abrasão;
- - acção gelo-degelo;
- - penetração da água.
Para a maioria das construções, os ataques físicos podem ser combatidos por especificação correcta dos materiais, por exemplo, as disposições da NB, combinada com uma limitação adequada da fendilhação sob a combinação de acções apropriada.
5. A deformação global da estrutura, dos seus elementos constituintes ou de elementos não estruturais (por exemplo, devida a acções impostas, temperatura, fluência, retracção, microfendilhação, etc.) pode conduzir a efeitos indirectos que devem ser tidos em conta no projecto.
Para a maioria das construções, considera-se que a influência dos efeitos indirectos é tida em conta se se cumprirem os requisitos gerais, indicados noutras partes do presente regulamento, relativos a durabilidade, fendilhação, deformação e disposições construtivas, e também os requisitos relativos à resistência, estabilidade e robustez da estrutura como um todo. Além disso, pode ser necessário:
- - minimizar a deformação e a fendilhação devidas a efeitos reológicos;
- - minimizar os impedimentos devidos à deformação (por exemplo, utilizando aparelhos de apoios ou juntas, mas garantindo contudo que estes não permitem a entrada de agentes agressivos);
- - assegurar que os efeitos significativos de eventuais impedimentos são considerados no projecto.
6. Na fase inicial do projecto, os efeitos e a importância eventual das acções definidas no artigo 8.º devem ser considerados em face dos requisitos de durabilidade.
Para a maioria das construções, devem ser tidos em conta os critérios de dimensionamento referidos neste artigo e os requisitos aplicáveis ao recobrimento das armaduras indicados no artigo 74.º, assim como as características gerais dos materiais e da execução referidas noutras partes do presente regulamento.
Entre outros factores a considerar no projecto e nas disposições construtivas, de forma a atingir o nível de desempenho necessário, devem incluir-se também:
- - a adopção de uma forma estrutural que minimize a absorção de água ou a exposição à humidade;
- - as dimensões, a forma e os pormenores construtivos dos elementos ou das estruturas expostas devem ser tais que proporcionem uma drenagem adequada e evitem o escoamento violento da água ou a possibilidade da sua acumulação. É necessário tomar cuidado para minimizar quaisquer fendas que possam reter ou deixar passar água. Na presença de fendas que atravessem completamente uma secção e que possam encaminhar água contendo cloretos, pode ser necessário tomar outras medidas de protecção;
- - a consideração, a nível do projecto e das disposições construtivas, dos diferentes aspectos dos efeitos indirectos;
- - para a maioria dos componentes das construções, a resistência das armaduras à corrosão é assegurada por um recobrimento adequado de betão de baixa permeabilidade e de boa qualidade. Em face de condições de exposição mais severas, pode ser necessário considerar a utilização de barreiras de protecção quer à superfície do betão quer nas armaduras.
Para assegurar a protecção contra a corrosão das armaduras de betão armado, devem respeitar-se os requisitos seguintes:
- - níveis de tensão;
- - fendilhação;
- - deformação;
- - requisitos gerais de durabilidade;
- - recobrimento das armaduras;
- - disposições construtivas.
O recobrimento das armaduras é a distância entre a superfície da armadura (incluindo cintas e estribos) e a superfície livre de betão mais próxima. O recobrimento mínimo de todas as armaduras não deve ser inferior aos valores indicados no artigo 74.º Os recobrimentos mínimos necessários podem ser insuficientes para a protecção contra o fogo. As exigências particulares em relação ao fogo são fixadas no anexo 2.
CAPÍTULO IV
Acções
Artigo 9.º
(Generalidades)
As acções a considerar na verificação da segurança das estruturas de betão armado e pré-esforçado são as estipuladas no RSA, devendo ainda ser tidas em conta as disposições complementares que constam do presente capítulo.
Artigo 10.º
(Variações de temperatura)
1. Na determinação dos esforços devidos às variações uniformes de temperatura, resultantes das variações sazonais da temperatura ambiente, pode considerar-se que o módulo de elasticidade do betão tem valores iguais a metade dos valores indicados no artigo 30.º, e que o coeficiente de dilatação térmica linear do betão e do aço têm o valor de 10 x 10-6/oC.
2. Pode ser dispensada a consideração dos efeitos das variações uniformes de temperatura referidas no número anterior nas estruturas reticuladas cuja maior dimensão em planta (ou espaçamento entre juntas de dilatação) não exceda 30 m.
3. Nos casos especiais em que seja necessário ter em conta variações rápidas de temperatura, uniformes ou diferenciais, os valores do módulo de elasticidade do betão a considerar devem, salvo justificação, ser os indicados no artigo 30.º
Artigo 11.º
(Retracção do betão)
1. Na determinação dos efeitos devidos à retracção do betão devem ser tidos em conta os elementos que constam no artigo 31.º
2. Nos casos correntes, pode simplificadamente considerar-se, para a determinação de esforços actuantes, que os efeitos finais da retracção são assimiláveis aos de um abaixamento lento e uniforme da temperatura de 15oC, sendo portanto também aplicáveis as disposições estabelecidas no artigo 10.º
De acordo com os critérios do RSA, a retracção deve ser classificada como acção permanente e, consequentemente, os valores dos coeficientes ψ a considerar nas combinações de acções devem ser iguais à unidade.
Artigo 12.º
(Acção dos sismos)
As estruturas de betão armado e pré-esforçado, projectadas de acordo com o presente regulamento, têm ductilidade, nas diversas direcções a analisar, que permite reduzir o coeficiente sísmico até 0,24 αE, de acordo com o artigo 23.º do RSA.
Artigo 13.º
(Acções de pré-esforço)
Nas estruturas de betão pré-esforçado, a quantificação das acções de pré-esforço deve ser efectuada de acordo com o estipulado no anexo 3.
Na maior parte dos casos (por exemplo, determinação de tensões e de efeitos hiperestáticos em regime linear), os pré-esforços podem ser considerados como acções permanentes aplicadas às estruturas.
No caso, porém, da determinação dos esforços resistentes últimos das secções, os pré-esforços devem ser tidos em conta através dos estados de coacção que provocam.
A consideração dos pré-esforços como acções permanentes justifica-se porque, apesar de variáveis no tempo, tendem para um valor limite em prazo relativamente curto à escala da vida da estrutura.
CAPÍTULO V
Análise
Artigo 14.º
(Generalidades)
1. A análise tem como objectivo determinar a distribuição dos esforços, tensões, extensões ou deslocamentos, no todo ou em parte da estrutura. Sempre que necessário, deve efectuar-se uma análise local complementar.
2. As análises são efectuadas usando idealizações quer da geometria quer do comportamento da estrutura. As idealizações escolhidas devem ser adequadas ao problema considerado.
Artigo 15.º
(Idealização da estrutura)
1. Os elementos de uma estrutura são normalmente classificados, tendo em conta a sua natureza e função, como vigas, pilares, lajes, paredes, placas, arcos, cascas, etc. Indicam-se regras para a análise dos elementos mais comuns e das estruturas que sejam constituídas por associações destes elementos.
2. Um elemento pode ser considerado como peça linear (viga ou pilar), se a sua maior dimensão não for inferior a duas vezes a altura total da sua secção transversal.
3. Uma viga cujo vão seja inferior a duas vezes a sua altura é considerada como uma viga-parede.
4. Um elemento laminar pode ser considerado como parede quando sujeito a esforços de compressão, associados ou não a flexão, e com largura não inferior a quatro vezes a espessura.
5. Um elemento pode ser considerado como laje, se o seu vão mínimo não for inferior a quatro vezes a sua espessura total.
6. Uma laje sujeita predominantemente a cargas uniformemente distribuídas pode ser considerada como resistente numa só direcção nos casos seguintes:
a) possuir dois bordos livres (não apoiados) sensivelmente paralelos;
b) corresponder à parte central de uma laje sensivelmente rectangular apoiada nos quatro bordos, e com uma relação do vão mais longo para o vão mais curto superior a 2.
7. As lajes nervuradas ou aligeiradas podem ser tratadas como lajes maciças para efeitos de análise, desde que a lajeta ou lâmina de compressão e as nervuras transversais tenham rigidez de torção suficiente. Tal pode ser admitido desde que:
a) o afastamento das nervuras não exceda 1,5 m;
b) a altura da nervura abaixo da lajeta não exceda quatro vezes a sua largura;
c) a espessura da lajeta não seja inferior a 1/10 da distância livre entre nervuras ou a 50 mm;
d) a distância livre entre nervuras transversais não exceda dez vezes a espessura total da laje.
A espessura mínima da lajeta pode ser reduzida de 50 mm para 40 mm nos casos em que se utilizem blocos permanentes entre as nervuras.
8. Um elemento é considerado como parede se o seu comprimento na horizontal não for inferior a quatro vezes a sua espessura. No caso contrário, deve ser considerado como um pilar.
9. Uma estrutura é considerada de nós fixos quando for satisfeita a condição:

sendo η = 0,2 + 0,1 n, para n (número de andares) inferior a 4, e η = 0,6, para n igual ou superior a 4. Nesta expressão os símbolos significam:
htot - altura total da estrutura acima das fundações;
ΣEI - soma dos factores de rigidez de flexão, em fase não fendilhada, de todos os elementos verticais de contraventamento na direcção considerada; se estes elementos não tiverem rigidez constante em altura, deve considerar-se uma rigidez equivalente;
ΣN - soma dos esforços normais ao nível da fundação, não multiplicados pelos factores parciais de segurança γf, correspondentes à combinação de acções relativa ao estado limite último em consideração.
Em caso contrário, as estruturas são consideradas como estruturas de nós móveis.
10. Em vigas em T, a largura efectiva do banzo comprimido depende das dimensões da alma e do banzo, do tipo de carregamento, do vão, das condições de apoio e das armaduras transversais.
Em geral, pode admitir-se no cálculo uma largura constante em todo o vão.
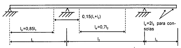
A largura efectiva de uma viga em T simétrica pode ser considerada como:
bef = bw + lo / 5 < b
e, para uma viga de bordo (isto é, com o banzo apenas de um dos lados):
bef = bw + lo / 10 < b1 (ou b2)
(no que respeita às notações, ver a Figura 1 e Figura 2).

Figura 1. Definição das dimensões
A distância lo, entre pontos de momento nulo pode, nos casos correntes, ser obtida a partir da Figura 2.

Figura 2. Definição das distâncias lo,
Esta figura pressupõe que são satisfeitas as condições seguintes:
a) o comprimento da consola deve ser inferior a metade do vão adjacente;
b) a relação dos vãos de dois tramos adjacentes deve situar-se entre 1 e 1,5.
11. O vão efectivo (lef) de um elemento pode ser calculado do modo seguinte:
lef = ln + a1 + a2
em que:
1n é a distância livre entre as faces dos apoios;
os valores de a1 e a2, em cada extremidade do vão, podem ser determinados a partir dos valores correspondentes de ai indicados na Figura 3.

| (a) Elementos sem continuidade | (d) Consola isolada |
| (b) Elementos com continuidade | (e) Consola com continuidade |
| (c) Apoios totalmente encastrados | (f) Caso de aparelho de apoio |
Figura 3. Determinação do vão efectivo
Artigo 16.º
(Métodos de análise)
1. Todos os métodos de análise devem satisfazer as condições de equilíbrio. Se as condições de compatibilidade não forem expressamente verificadas para os estados limites considerados, tomar-se-ão medidas para assegurar que, nos estados limites últimos, a estrutura tenha capacidade de deformação suficiente, e que tenha um desempenho satisfatório nas condições de serviço.
Em princípio o equilíbrio é verificado com base na estrutura não deformada. No entanto, nos casos em que as deformações conduzam a um aumento significativo dos esforços, o equilíbrio deve ser verificado considerando a estrutura deformada.
A análise global para as deformações impostas, tais como os efeitos das variações de temperatura e da retracção, pode ser omitida nos casos em que as estruturas estejam divididas, por meio de juntas, com separação adequada.
2. As análises efectuadas em relação aos estados limites de utilização devem ser, em princípio, baseadas na teoria elástica linear. Neste caso, basta normalmente considerar a rigidez dos elementos correspondente à da secção transversal não fendilhada e o módulo de elasticidade de acordo com o artigo 30.º
Os efeitos reológicos isto é, os efeitos da retracção e fluência do betão e da relaxação dos aços, devem ser considerados caso sejam significativos.
Nos casos em que a fendilhação do betão tenha um efeito significativo no comportamento da estrutura ou do elemento considerado, essa fendilhação deve ser considerada na análise.
3. Dependendo da natureza específica da estrutura, do estado limite a considerar e das condições particulares do projecto ou da execução, a análise em relação aos estados limites últimos pode ser elástica linear, com ou sem redistribuição, não linear ou plástica.
O método utilizado deve ser formulado de forma a que, dentro do seu campo de aplicação, se possa atingir o nível de fiabilidade geralmente estipulado no presente regulamento, tendo em conta as incertezas específicas associadas.
Normalmente a aplicação da teoria elástica linear não requer medidas específicas para garantir a ductilidade adequada, desde que se evitem percentagens muito elevadas de armadura nas secções críticas.
Artigo 17.º
(Análise de estruturas reticuladas)
1. Deve ser tomada em consideração a possível influência de uma redistribuição dos momentos nos vários aspectos do dimensionamento, nomeadamente os relativos à flexão, esforço transverso, amarração e interrupção da armadura, e fendilhação.
2. Os momentos flectores calculados com base numa análise elástica linear podem ser redistribuídos desde que a distribuição de momentos daí resultante respeite as condições de equilíbrio com as acções aplicadas.
No caso de estruturas reticuladas de nós fixos, em que a relação entre vãos adjacentes de vigas contínuas seja inferior a 2, pode proceder-se a uma redistribuição dos esforços obtidos na hipótese de comportamento elástico perfeito, multiplicando os momentos flectores máximos por coeficientes de redistribuição δ, satisfazendo as seguintes condições:
Para betões de classe não superior a B50:
δ≥0,44 + 1,25x/d
Para betões das restantes classes:
δ≥0,56+ 1,25x/d
em que x representa a profundidade da linha neutra na secção em que se reduziu o momento e d é a altura útil da mesma secção.
Os valores de δ são ainda limitados pela seguinte condição:
0,75≤δ≤1
No caso de estruturas de nós móveis não é permitida, em geral, a redistribuição de momentos.
Artigo 18.º
(Análise de lajes)
1. Este artigo visa fundamentalmente as lajes maciças sujeitas a esforços biaxiais. Pode ser também aplicado a lajes não maciças (lajes nervuradas, vazadas, aligeiradas) se a sua resposta for semelhante à de uma laje maciça, especialmente no que respeita à rigidez de torção.
2. Podem utilizar-se os seguintes métodos de análise:
a) análise linear com ou sem redistribuição;
b) análise plástica baseada no método cinemático (limite superior) ou no método estático (limite inferior);
c) métodos numéricos tendo em conta as propriedades não lineares dos materiais.
3. Para a análise linear com ou sem redistribuição, aplicam-se as mesmas condições indicadas para as vigas.
4. Quando se utiliza análise plástica, a área de armadura de tracção não deve exceder, em qualquer ponto ou em qualquer direcção, um valor correspondente a x/d = 0,25. Se a determinação for feita por um método estático, a distribuição de momentos considerada não deve diferir sensivelmente da distribuição de momentos elástica; os momentos nos apoios devem ser, pelo menos, metade dos valores dos momentos elásticos, não podendo também ultrapassá-los em mais de 25%. Se a determinação for feita por um método cinemático, a relação entre os momentos no apoio e no vão de lajes encastradas ou contínuas deve apresentar, em módulo, um valor compreendido entre 0,5 e 2,0.
5. A armadura de uma laje sujeita a um campo de momentos pode ser determinada pelo seguinte método:
a) escolhido um sistema de eixos ortogonais, calculam-se os momentos por unidade de comprimento segundo esses eixos mx, my, mxy, tais que my ≥ mx;
b) as armaduras a dispor nas direcções x e y devem ser calculadas para resistirem aos valores de cálculo dos momentos últimos mudx, m’udx, mudy, m’udy, sendo mudx e mudy, os momentos que provocam tracções na face inferior da laje e m’udx e m’udy os que provocam tracções na face superior da laje;
c) os momentos mudx e mudy obtêm-se da seguinte forma:
| se mx ≥ -∣mxy∣ |
mudx = mx +∣mxy∣ |
e |
mudy = my +∣mxy∣ |
| se mx < -∣mxy∣ |
mudx = 0 |
e |
mudy = my + mxy2 /∣mx∣ |
d) os momentos m’udx e m’udy obtêm-se da seguinte forma:
| se my ≤∣mxy∣ |
m’udx = - mx +∣mxy∣ |
e |
m’udy = - my +∣mxy∣ |
| se my >∣mxy∣ |
m’udx = - mx+mxy2 ∣my∣ |
e |
m’udy = 0 |
Artigo 19.º
(Análise de consolas curtas)
1. As consolas curtas com 0,4 ≤ a ≤ h (ver a Figura 4) podem ser dimensionadas usando um modelo de simples escoras e tirantes.
2. Para consolas curtas com maior altura de secção (a<0,4h), podem considerar-se outros modelos adequados de escoras e tirantes.
3. As consolas curtas para as quais a>h podem ser dimensionadas como vigas em consola.
4. A não ser que se tomem medidas especiais para limitar as forças horizontais no apoio, ou que se apresente outra justificação, uma consola curta deve ser dimensionada para a força vertical F, e para uma força horizontal H ≥ 0,2F actuando na área de apoio.

Figura 4. Exemplo de uma consola curta
Artigo 20.º
(Análise de vigas-parede)
1. As vigas-parede podem ser dimensionadas usando um modelo simples de escoras e tirantes, que tenha em consideração a geometria da viga-parede e o tipo de carregamento.
2. Em certos casos, por exemplo relações mais baixas entre a altura e o vão, cargas distribuídas, mais do que uma carga concentrada, etc., podem usar-se modelos combinados de escoras e tirantes e de treliça.
Artigo 21.º
(Análise de estruturas de outros tipos)
Os critérios utilizados para a determinação dos esforços em estruturas de tipo diferente das consideradas nos artigos anteriores devem ser, em cada caso, convenientemente justificados.
Artigo 22.º
(Determinação dos efeitos do pré-esforço)
1. Este artigo diz respeito a estruturas em que o pré-esforço é realizado por cabos interiores completamente aderentes.
2. Os efeitos a considerar são:
a) efeitos locais na zona das amarrações e nos locais onde os cabos mudam de direcção;
b) efeitos directos em estruturas isostáticas;
c) efeitos directos e efeitos indirectos secundários devidos a ligações superabundantes nas estruturas hiperestáticas.
3. Determinação da força de pré-esforço:
a) As forças instaladas nas armaduras de pré-esforço são variáveis ao longo dessas armaduras e variáveis no tempo.
Podem ser quantificadas a partir da força de pré-esforço na origem, Po’, ou seja, o valor da força exercida na armadura, junto ao dispositivo que aplica as forças e no momento desta aplicação.
Do ponto de vista da variabilidade no tempo e para cada secção à distância x da extremidade, distinguem-se, normalmente, o pré-esforço inicial Po(x) e o pré-esforço final P∞(x) como casos particulares do pré-esforço ao fim do tempo t, Pt(x). O pré-esforço inicial obtém-se do pré-esforço na origem deduzindo-lhe as perdas instantâneas, ou seja, as perdas que se processam antes e durante a transferência das forças dos macacos (ou de dispositivos de amarração exteriores à peça) para os dispositivos de amarração existentes na peça. São perdas deste tipo as devidas a atritos ao longo das armaduras, as devidas à deformação instantânea do betão e as devidas a deformações ou a escorregamentos nos dispositivos de amarração.
O pré-esforço ao fim do tempo t é obtido do pré-esforço inicial deduzindo-lhe as perdas diferidas que se processam durante o tempo t, o pré-esforço final corresponde ao pré-esforço existente ao fim de um intervalo de tempo suficientemente longo para que se possa considerar que, praticamente, se processou a totalidade das perdas diferidas. As principais perdas diferidas a considerar são as devidas à retracção e à fluência do betão e à relaxação das armaduras de pré-esforço.
No que respeita aos limites do pré-esforço inicial e aos métodos de cálculo das perdas, ver anexo 3.
b) Para cálculo em relação aos estados limites de utilização, é necessário ter em conta as possíveis variações do valor de pré-esforço. Os valores característicos da força de pré-esforço para estados limites de utilização calculam-se a partir de:
Pk,sup = rsup pm,t
Pk, inf = r inf p m,t
em que Pk,sup e Pk,inf são, respectivamente, os valores característicos superior e inferior e Pm,t é o valor médio da força de pré-esforço calculado com base nos valores médios das características da deformação e com as perdas calculadas de acordo com o anexo 3. Os coeficientes rsup e rinf podem ser considerados como iguais a 1,1 e 0,9, respectivamente, na ausência de uma determinação mais rigorosa, e desde que a soma das perdas devidas ao atrito e aos efeitos reológicos não seja superior a 30% do pré-esforço. Os valores de Pm,t que em geral são utilizados no dimensionamento são:
Pm,o - o pré-esforço inicial na idade t = 0
Pm,∞ - o pré-esforço depois de ocorrência de todas as perdas.
Os esforços isostáticos e hiperestáticos provocados quando da aplicação do pré-esforço devem ser calculados com base na teoria elástica.
c) Na consideração do estado limite último, o valor de cálculo do pré-esforço é dado por:
Pd = γ p Pm,t
Na análise estrutural, γ p, factor parcial de segurança da acção, pode ser considerado como igual a 1,0. Ao avaliar o comportamento de uma secção em relação ao estado limite último, a força de pré-esforço que actua sobre a secção é considerada com o valor de cálculo, Pd. A deformação prévia correspondente a esta força deve ser considerada na avaliação da resistência da secção. γ p pode ser considerado igual a 1,0 desde que se satisfaçam as duas condições seguintes:
i) não haver mais de 25% de área total da armadura de pré-esforço localizada na zona de compressão da secção;
ii) a tensão na armadura de pré-esforço mais próxima da face traccionada ser superior a fp0,1k/γ m (em que fp0,1k é o valor característico da tensão limite convencional de proporcionalidade a 0,1% do aço das armaduras de pré-esforço e γ m é o factor parcial de segurança relativo ao material e igual a 1,15).
Se estas condições não forem satisfeitas, γ p deve ser considerado como igual a 0,9 nos casos em que o pré-esforço seja favorável.
d) Para ter em conta os efeitos locais em relação ao estado limite último, a força de pré-esforço deve ser considerada como sendo igual ao valor característico da resistência das armaduras.
Artigo 23.º
(Determinação dos efeitos da deformação diferida do betão)
1. A precisão dos métodos para determinação dos efeitos da fluência e da retracção do betão deve ser compatível com a fiabilidade dos dados disponíveis relativos à descrição destes fenómenos e com a importância dos seus efeitos no estado limite considerado.
2. Em geral, os efeitos da fluência e da retracção devem ser considerados apenas para os estados limites de utilização.
3. As hipóteses seguintes podem ser adoptadas para estimar de modo aceitável o comportamento de uma secção de betão desde que as tensões sejam mantidas dentro dos limites correspondentes às condições de serviço normais:
a) a fluência e a retracção são independentes;
b) admite-se uma relação linear entre a fluência e a tensão que a provoca;
c) os efeitos não uniformes de temperatura ou humidade são desprezados;
d) admite-se que o princípio da sobreposição se aplica às acções que ocorrem em idades diferentes;
e) as hipóteses anteriores também se aplicam ao betão traccionado.
4. Para análise dos efeitos da deformação diferida do betão, ver o artigo 31.º
Artigo 24.º
(Modelos físicos)
Poder-se-ão utilizar modelos físicos em projecto, para análise do comportamento da estrutura no todo ou em parte, desde que os ensaios experimentais sejam realizados por técnicos ou instituições de reconhecida competência nesta actividade, recorrendo a técnicas de ensaio apropriadas.
CAPÍTULO VI
Materiais e suas propriedades
SECÇÃO I
A - Betão
Artigo 25.º
(Generalidades)
Os betões a utilizar devem satisfazer as condições estabelecidas na NB e devem obedecer ao estipulado no artigo 26.º do presente regulamento.
Artigo 26.º
(Classes de betões)
1. As classes de betões a considerar são as indicadas no Quadro 1, no qual são também especificados os mínimos a satisfazer pelos valores característicos da tensão de rotura à compressão do betão, definida no artigo 27.º
Quadro 1. Classes de betões
| Designação da classe | Valor característico mínimo da tensão de rotura à compressão do betão, fck, com a idade de 28 dias (MPa) |
|
| Provetes cilíndricos (1) | Provetes cúbicos (2) | |
| B15 B20 |
12 16 |
15 20 |
| B25 B30 |
20 24 |
25 30 |
| B35 B40 |
28 32 |
35 40 |
| B45 B50 |
36 40 |
45 50 |
| B55 B60 |
45 50 |
55 60 |
(1) Cilindros com 150 mm de diâmetro e 300 mm de altura.
(2) Cubos com 150 mm de aresta.
2. Não devem ser utilizados betões de classe inferior a B20 em elementos de betão armado.
3. Não devem ser utilizados betões de classe inferior a B30 em elementos de betão pré-esforçado.
Artigo 27.º
(Tensão de rotura à compressão)
A tensão de rotura à compressão do betão é expressa em termos da resistência característica, definida como o valor da população das resistências do betão especificado que é atingido com a probabilidade de 95%. A resistência deve ser determinada de acordo com a ISO 4012 em cubos de 150 mm (fck,cubo) ou cilindros de 150/300 mm (fck,cyl) com a idade de 28 dias, de acordo com a ISO 1920, fabricados e curados conforme a ISO 2736.
Tem por vezes interesse considerar a variação da tensão de rotura do betão com a idade. O conhecimento desta variação deve ser obtido por via experimental, dada a multiplicidade de factores influentes e que são específicos de cada betão.
Artigo 28.º
(Tensão de rotura à tracção)
Para as aplicações previstas no presente regulamento, os valores médios e característicos a adoptar para a tensão de rotura do betão à tracção simples aos 28 dias, fctm e fctk, correspondentes às classes de betões definidas no artigo 26.º, devem ser os indicados no Quadro 2.
Quadro 2. Valores médio e característico da tensão de rotura do betão à tracção simples, fctm e fctk (MPa)
| Classe do betão | B15 | B20 | B25 | B30 | B35 | B40 | B45 | B50 | B55 | B60 |
| fctm | 1,6 | 1,9 | 2,2 | 2,5 | 2,8 | 3,0 | 3,3 | 3,5 | 3,8 | 4,1 |
| fctk | 1,1 | 1,3 | 1,5 | 1,8 | 2,0 | 2,1 | 2,3 | 2,5 | 2,7 | 2,9 |
Os valores indicados para fctm, foram obtidos pela seguinte expressão:
| fctm | = | 0,30 f | 2/3 |
| ck,cyl |
em que as tensões são expressas em megapascal e fck, cyl representa o valor característico da tensão de rotura por compressão, referida a provetes cilíndricos.
Os valores de fctk são da ordem de 0,7 dos valores de fctm (correspondentes ao quantilho de 5%). Em casos especiais em que seja necessário utilizar o valor característico superior da tensão de rotura à tracção (correspondente ao quantilho de 95%), tal valor pode ser estimado por 1,3 fctm.
Artigo 29.º
(Valores de cálculo das tensões de rotura)
Os valores de cálculo da tensão de rotura do betão à compressão, fcd, são definidos a partir dos correspondentes valores característicos, referidos a provetes cilíndricos, dividindo estes valores por um factor parcial de segurança γ c tomado igual a 1,5. Os valores de cálculo da tensão de rotura do betão à tracção, fctd, são definidos de modo idêntico a partir dos correspondentes valores característicos indicados no artigo 28.º
No Quadro 3 são apresentados os valores de cálculo assim obtidos para as diferentes classes de betões.
Quadro 3. Valores de cálculo das tensões de rotura do betão à compressão e à tracção, fcd e fctd (MPa)
| Classe do betão | B15 | B20 | B25 | B30 | B35 | B40 | B45 | B50 | B55 | B60 |
| fcd | 8,0 | 10,7 | 13,3 | 16,0 | 18,7 | 21,3 | 24,0 | 26,7 | 30,0 | 33,3 |
| fctd | 0,73 | 0,87 | 1,00 | 1,20 | 1,33 | 1,40 | 1,53 | 1,67 | 1,80 | 1,93 |
Artigo 30.º
(Módulo de elasticidade e coeficiente de Poisson)
1. Os valores médios do módulo de elasticidade aos 28 dias de idade a considerar para os betões das classes definidas no artigo 26.º devem ser os indicados no Quadro 4.
As constantes elásticas quantificadas neste artigo destinam-se, obviamente, ao tratamento dos problemas estruturais que envolvem deformações em regime de funcionamento que se possa considerar praticamente elástico. São consequentemente valores que interessam em geral às verificações de segurança em relação a estados limites de utilização.
O valor médio do módulo de elasticidade do betão aos j dias de idade, Ec,j, pode em geral ser estimado a partir do valor médio da tensão de rotura à mesma idade, fcm,j, pela expressão:

em que Ec,j é expresso em gigapascal e fcm,j, expresso em megapascal, é referido a provetes cilíndricos.
Os valores que figuram no Quadro 4 foram obtidos pela expressão anterior, tendo-se considerado que, para a idade de 28 dias, se pode adoptar fcm,28=fck,cyl+8, sendo as tensões expressas em megapascal e referidas a provetes cilíndricos.
Note-se que os valores considerados correspondem a módulos de elasticidade secantes, definidos para níveis de tensão da ordem de 0,4 do valor característico da tensão de rotura; para níveis de tensão da ordem de 0,1 fck, deve adoptar-se um módulo de elasticidade 10% superior ao módulo secante anteriormente referido.
No caso de deformações muito rápidas, os valores do módulo de elasticidade a adoptar podem ser estimados aumentando 25% os valores obtidos de acordo com o anteriormente indicado; se as deformações forem lentas, há que ter devidamente em conta os efeitos da fluência do betão.
2. O valor do coeficiente de Poisson, ν, está compreendido entre 0,2 e 0; o primeiro valor refere-se a deformações em fase não fendilhada e o segundo é de admitir quando se considere que o betão traccionado está fendilhado. Nas aplicações correntes pode, em geral, tomar-se ν = 0,2.
Quadro 4. Valores médios do módulo de elasticidade do betão, Ec,28 (GPa)
| Classe do betão | B15 | B20 | B25 | B30 | B35 | B40 | B45 | B50 | B55 | B60 |
| Ec,28 | 26,0 | 27,5 | 29,0 | 30,0 | 31,5 | 32,5 | 33,5 | 34,5 | 36,0 | 37,0 |
Artigo 31.º
(Fluência e retracção)
1. A deformação total no instante t, εc (t), de um elemento de betão carregado uniaxialmente no instante t0 com uma tensão constante σc(t0), pode ser obtida por:
| εc (t) | = εci (t0) + εcc (t) + εcs (t) + εcT (t) |
| = εcσ (t) + εcn (t) |
em que:
εci (t0) é a deformação instantânea no carregamento
εcc (t) é a deformação de fluência no instante t > t0
εcs (t) é a deformação de retracção
εcT (t) é a deformação térmica
εcs (t) é a deformação dependente da tensão: εcσ (t) = εci (t0) + εcc (t)
εcn (t) é a deformação independente da tensão: εcn (t) = εcs (t) + εcT (t)
2. O modelo de fluência e retracção do betão a seguir apresentado estima o comportamento médio das secções transversais de betão, sendo válido para estruturas correntes de betão das classes B15 a B60, sujeitas a tensões inferiores a 40% da tensão média de rotura na idade em que forem aplicadas as cargas, expostas a humidades relativas do ambiente entre 40% e 100% e temperaturas médias entre 5º C e 30º C.
O modelo de fluência pode também ser aplicado a betão em tracção, embora as expressões que se apresentam tenham sido estabelecidas a partir da informação disponível de ensaios de fluência em compressão.
3. Fluência
a) Hipóteses e expressões de base
Para tensões no betão que satisfaçam a condição ∣σc∣< 0,4 fcm (t0), a fluência é proporcional à tensão aplicada.
Para uma tensão constante aplicada no instante t0, a deformação é assim obtida por:
| εcc (t, t0) = |
σc (t0)
|
Φ (t, t0) |
| Ec,28 |
em que:
Φ (t, t0) é o coeficiente de fluência
Ec,28 é o módulo de elasticidade aos 28 dias de idade
A deformação dependente da tensão εcσ (t, t0) pode ser obtida por:
| εcσ (t, t0) = σc (t0) | [ |
1
|
+ |
Φ (t, t0)
|
] | = σc (t0) J(t, t0) |
| Ec (t0) | Ec,28 |
em que:
J (t, t0) é a função de fluência, representando a deformação total dependente de tensões, por unidade de tensão
Ec (t0) é o módulo de elasticidade no instante de carregamento t0
Para tensões variáveis no tempo, aceita-se o princípio da sobreposição de efeitos.
De acordo com as hipóteses de base e as definições apresentadas, as relações constitutivas do betão podem escrever-se da seguinte forma:
| εc (t) = σc (t0)J(t, t0) + | 1 ∫ 10 |
J(t,τ) | ∂σc(τ) | dτ + εcn (t) |
| ∂τ |
b) Coeficiente de fluência
O coeficiente de fluência pode ser calculado por:
Φ(t,t0) = Φ0ßc(t - t0)
em que:
Φ0 é o valor de referência do coeficiente de fluência
ßc é a função que traduz o desenvolvimento da fluência ao longo do tempo
t é a idade do betão em dias
t0 é a idade do betão quando do carregamento, corrigida tendo em conta o tipo de cimento e a temperatura ambiente durante a cura.
O valor de referência do coeficiente de fluência pode ser obtido por:
Φ0 = ΦRHß(fcm)ß(t0)
com:
| ΦRH = 1 + |
1 - RH/RH0
|
| 0,46(h / h0)1/3 |
| ß (fcm) = |
5,3
|
| (fcm / fcmo)0,5 |
|
1
|
|
| ß (t0) = | 0,1 + (t0 / t1)0,2 |
em que:
h é a espessura fictícia da secção (mm) = 2 Ac / u, em que Ac é a área da secção transversal e u é o perímetro da secção em contacto com o ambiente;
fcm é a resistência média à compressão do betão aos 28 dias de idade (MPa);
fcmo = 10 MPa;
RH é a humidade relativa do ambiente (%);
RH0 = 100%;
h0 = 100 mm;
t1 = 1 dia.
O desenvolvimento da fluência ao longo do tempo é dado por:
| ßc (t - t0) = | [ |
(t - t0) / t1
|
] | 0,3 |
| ßH + (t - t0) / t1 |
com:
| ßH = 150 | { | 1 + | ﴾ | 1,2 |
RH
|
﴿ | 18 | } |
h
|
+ 250 | ≤ 1500 |
| RH0 | h0 |
em que:
t1 = 1 dia;
RH0 = 100%;
h0 = 100 mm.
c) Efeito do tipo de cimento e temperatura durante a cura
O efeito do tipo de cimento no coeficiente de fluência pode ser considerado por uma correcção fictícia da idade de carregamento t0, de acordo com a seguinte expressão:
| t0 = t0,T | [ |
9
|
+ 1 | ] | α | ≥ 0,5 dias |
| 2 + (t0,T / t1,T)1,2 |
em que:
t0,T é a idade do betão no carregamento;
t1,T = 1 dia;
α é o expoente dependente do tipo de cimento e que toma os valores:
- - 1 para cimentos de endurecimento lento;
- 0 para cimentos de endurecimento normal e rápido;
- 1 para cimentos de endurecimento rápido com elevada resistência inicial.
d) Efeito de tensões elevadas
Para tensões no betão no intervalo de 40% a 60% da tensão média de rotura na idade de aplicação das cargas a não linearidade da fluência do betão pode ser considerada pelas seguintes expressões:
| Φ0,K = Φ0 exp [ασ (Kσ - 0,4)] | para 0,4 < Kσ ≤ 0,6 |
| Φ0,K = Φ0 | para Kσ ≤ 0,4 |
em que:
Φ0,K é o valor de referência do coeficiente não linear de fluência;
Kσ = ∣σc ∣/fcm (t0) que é a razão tensão / deformação;
ασ = 1,5.
4. Retracção
A retracção total εcs (t, ts) pode ser obtida por:
εcs (t, ts) = εcs0 ßs (t - ts)
em que:
εcs0 é o valor de referência da retracção;
ßs é a função que traduz a evolução da retracção no tempo;
t é a idade do betão (dias);
ts é a idade do betão (dias) no início do intervalo de tempo de contagem da retracção.
O valor de referência da retracção pode obter-se por:
εcs0 = εs(fcm) ßRH
com:
εs(fcm) = [160 + 10 ßsc (9 - fcm / (fcm0)] x 10-6
em que:
fcm é a resistência média à compressão do betão aos 28 dias de idade (MPa);
fcm0 = 10 MPa;
ßsc é um coeficiente que depende do tipo de cimento e que toma os valores:
4 para cimentos de endurecimento lento;
5 para cimentos de endurecimento normal e rápido;
8 para cimentos de endurecimento rápido com elevada resistência inicial;
ßRH = - 1,55 ßSRH para 40% ≤ RH < 99%;
ßRH =+ 0,25 para RH ≥ 99%.
| ßSRH = 1 - | ﴾ |
RH
|
﴿ | 3 |
| RH0 |
em que:
RH é a humidade relativa do ambiente (%);
RH0 = 100%.
A evolução da retracção ao longo do tempo é dada por:
| ßs (t - ts) = | [ |
(t - ts ) / t1
|
] | 0,5 |
| 350 (h / h0 )2 + (t - ts) / t1 |
em que:
h é a espessura fictícia da secção (mm), em que Ac é a área da secção transversal e u é o perímetro da secção em contacto com o ambiente;
t1 = 1 dia;
h0 = 100 mm.
Artigo 32.º
(Coeficiente de dilatação térmica)
Para efeitos de cálculo, quando não se disponha de informação específica do betão a utilizar, pode considerar-se este coeficiente igual a 10 x 10-6/ oC.
Artigo 33.º
(Relações tensões-extensões de cálculo)
1. O diagrama tensões-extensões do betão, obtido experimentalmente, pode ser substituído por um diagrama idealizado.
2. As relações tensões-extensões de cálculo do betão à compressão, a considerar na determinação dos valores de cálculo dos esforços resistentes para a verificação da segurança de elementos em relação aos estados limites últimos de resistência e de encurvadura que não envolvam fadiga, devem em geral ser as indicadas na Figura 5.
|
![]() |
Figura 5. Relações tensões-extensões de cálculo do betão à compressão
A limitação do valor máximo da tensão nas relações tensões-extensões de cálculo a 0,85 fcd pretende ter em conta uma possível diminuição da tensão de rotura do betão quando sujeito prolongadamente a tensões elevadas.
SECÇÃO II
Armaduras ordinárias
Artigo 34.º
(Características gerais)
1. Este artigo aplica-se a varões redondos, simples ou constituindo redes electrossoldadas, utilizados como armaduras em estruturas de betão.
2. Os varões redondos a utilizar devem satisfazer as condições estabelecidas na Norma de Varões de Aços para Armaduras Ordinárias (NA) e devem obedecer ao estipulado no artigo 35.º do presente regulamento.
3. As redes electrossoldadas utilizadas como armaduras devem obedecer aos requisitos dimensionais das Normas ASTM A185-85 e A497-86.
4. No caso particular de redes electrossoldadas, que podem ser simples ou duplas, consoante, em dada direcção, os varões estejam isolados ou agrupados aos pares, o diâmetro dos varões não deve exceder 12 mm nem ser inferior a 3 mm e o seu espaçamento não deve ser inferior a 50 mm.
Artigo 35.º
(Classes de armaduras ordinárias)
1. As classes de armaduras ordinárias a considerar são as indicadas no Quadro 5, no qual são também especificados os mínimos a satisfazer pela resistência característica e extensão após rotura de armaduras ordinárias.
Quadro 5. Classes de armaduras ordinárias
| Classe | fsyk (MPa) |
Extensão após rotura (%) |
| A235 | 235 | 22 |
| A335 | 335 | 16 |
| A400 | 400 | 14 |
| A500 | 500 | 10 |
2. As armaduras devem possuir marcas indeléveis que permitam a sua fácil identificação em obra.
Artigo 36.º
(Módulo de elasticidade)
O módulo de elasticidade das armaduras ordinárias deve ser tomado igual a 200 GPa.
Artigo 37.º
(Relações tensões-extensões de cálculo)
1. As relações tensões-extensões de cálculo dos aços referidos no Quadro 5, a considerar na determinação dos valores de cálculo dos esforços resistentes para a verificação da segurança de elementos em relação aos estados limites últimos de resistência e de encurvadura que não envolvam fadiga, devem, em geral, ser as indicadas na Figura 6, em que fsyd é o valor de cálculo da tensão de cedência ou da tensão limite convencional de proporcionalidade a 0,2% em tracção; o valor de fsycd pode ser considerado igual a fsyd.
Os valores de cálculo fsyd e fsycd são obtidos dos correspondentes valores característicos dividindo-os por um factor parcial de segurança γs tomado igual a 1,15.
|
![]() |
Figura 6. Relações tensões-extensões de cálculo dos aços
2. As relações tensões-extensões anteriormente estabelecidas podem ser substituídas por outras relações, desde que estas sejam convenientemente justificadas e respeitem os mesmos critérios de segurança utilizados no estabelecimento das relações definidas no n.º 1 deste artigo.
Artigo 38.º
(Aderência)
De acordo com a sua superfície, e tal como definido na NA, os varões podem ser lisos ou nervurados. Os varões nervurados são considerados de alta-aderência. Os varões lisos são considerados de aderência normal.
No artigo 76.º são indicados os valores de cálculo da tensão de aderência para varões lisos e nervurados. Para tipos de varões que não satisfaçam as exigências de geometria referidas na NA, podem utilizar-se valores da tensão de aderência baseados em ensaios e devidamente justificados.
SECÇÃO III
Armaduras de pré-esforço
Artigo 39.º
(Características gerais)
1. As armaduras de pré-esforço devem ser caracterizadas pelo seu processo de fabrico, pela sua constituição e pelas suas propriedades mecânicas e de aderência.
2. A determinação das características das armaduras deve ser efectuada de acordo com as normas e recomendações da RILEM, CEB, FIP e ISO.
Quanto ao processo de fabrico, as armaduras são em geral obtidas por endurecimento a frio (nomeadamente por estiragem ou trefilagem), acompanhado habitualmente de tratamentos térmicos e mecânicos destinados a melhorar as suas propriedades.
As armaduras de pré-esforço podem ser constituídas por fios, varões ou cordões, ou por associação de fios ou cordões paralelos (cabos em feixe), ou ainda por associação de cordões dispostos em hélice em torno de um eixo longitudinal comum (cabos em cordão). A distinção entre fio e varão está ligada à possibilidade de fornecimento em rolos, e é feita habitualmente pelo diâmetro de 12 mm; por cordão entende-se um conjunto de fios enrolados em hélice em torno de um eixo longitudinal comum, podendo este eixo ser materializado por um fio.
No que se refere às propriedades mecânicas; torna-se necessário conhecer o diagrama tensões-extensões (ou forças-deformações), para o que é em geral suficiente conhecer o módulo de elasticidade, as tensões convencionais de proporcionalidade a 0,01%, 0,1% e 0,2%, a tensão de rotura e a extensão uniforme; além disso, há que determinar a extensão após rotura e o comportamento em ensaios de dobragem alternada ou de torção simples. Outra propriedade mecânica cujo conhecimento é importante é a relaxação, sendo habitual distinguir entre aços de relaxação normal e aços de baixa relaxação (obtidos estes por tratamentos especiais). Dependendo do tipo de sistema de pré-esforço pode ser necessário ter em conta outras propriedades, tais como, por exemplo, a aptidão para a soldadura e a possibilidade de formação de betões ou ondulações terminais para amarração. Em alguns casos, há também que caracterizar as armaduras quanto à resistência à fadiga e quanto à sensibilidade à corrosão sob tensão.
Interessa ainda ter em conta as propriedades de aderência, não só no caso das armaduras pré-tensionadas, para transmissão do pré-esforço ao betão, como, em geral, para melhorar o comportamento face a eventual fendilhação.
Artigo 40.º
(Módulo de elasticidade)
O valor do módulo de elasticidade a adoptar para as armaduras de pré-esforço deve ser baseado em determinações experimentais. Nos casos, porém, em que não seja necessário grande rigor no conhecimento desta grandeza, pode-se tomar o valor de 200 GPa.
Artigo 41.º
(Relaxação)
A relaxação das armaduras de pré-esforço, que depende fundamentalmente da tensão inicial aplicada e da temperatura, deve ser determinada por ensaios que permitam obter os valores necessários para o dimensionamento. Em geral, os ensaios devem ser efectuados para tensões iniciais de 0,6, 0,7 e 0,8 da tensão de rotura e para a temperatura de 20º C.
A caracterização das armaduras de pré-esforço no que se refere à relaxação é frequentemente feita apenas pela indicação dos valores de relaxação até às 1 000 h.
Quando haja necessidade de estimar valores de relaxação ao fim de um tempo t2, superior a 100 h, a partir de valores correspondentes a um tempo t1, não menor que 1 000 h, pode-se recorrer à seguinte expressão:
|
∆σpt1,r
|
﴾ |
t1
|
﴿ | ß |
| ∆σpt2,r | t2 |
em que:
∆σpt2,r perda de tensão ao fim do tempo t2;
∆σpt1,r perda de tensão ao fim do tempo t1;
ß expoente cujo valor depende do tipo de aço e da tensão inicial e pode situar-se entre 0,15 e 0,25; na falta de dados mais precisos é suficiente considerá-lo igual a 0,20.
Para estimar o valor da relaxação a tempo infinito, pode aplicar-se a expressão anterior considerando t2 = 105 h.
Quando não se disponha de resultados experimentais e não seja necessário grande rigor, poder-se-ão admitir, no caso de a tensão inicial ser igual a 0,7 da tensão de rotura, os seguintes valores de relaxação a tempo infinito, expressos em percentagem da tensão inicial:
- Aços de relaxação normal 15%
- Aços de baixa relaxação 6%
Para outros valores da tensão inicial, inferiores porém a 0,8 da tensão de rotura, pode-se ainda estimar a relaxação de modo simplificado, admitindo que esta tem uma variação linear e que se anula para uma tensão inicial igual a 0,5 da tensão de rotura.
Finalmente, convém chamar a atenção para que a relaxação aumenta significativamente com a temperatura. Quando nas aplicações a temperatura for bastante superior a 20oC (tomada como de referência nos ensaios correntes) , há que ter tal facto em consideração, sendo então conveniente utilizar aços de baixa relaxação.
Artigo 42.º
(Relações tensões-extensões de cálculo)
1. As relações tensões-extensões de cálculo das armaduras de pré-esforço, a considerar na determinação dos valores de cálculo dos esforços resistentes para a verificação da segurança de elementos em relação aos estados limites últimos de resistência e de encurvadura que não envolvam fadiga, devem ser obtidas a partir do diagrama tensões-extensões característico por uma minoração traduzida por um factor parcial de segurança γs =1,15 aplicada segundo uma afinidade paralela à recta que define o comportamento elástico.
2. As relações tensões-extensões de cálculo definidas de acordo com o estipulado neste artigo podem ser substituídas por relações simplificadas desde que os resultados obtidos concordem satisfatoriamente com os resultados do emprego das relações indicadas e se situem do lado da segurança.
Ao contrário da orientação seguida para as armaduras ordinárias, não se fixam os diagramas de cálculo para as armaduras de pré-esforço. Este procedimento justifica-se em face da variedade de formas de diagramas tensões-extensões que estas armaduras apresentam, podendo uma tipificação geral levar a erros consideráveis nas aplicações. No entanto, e desde que seja garantida a segurança estabelecida no artigo, podem ser usados diagramas simplificados.
TÍTULO II
Verificação da segurança
CAPÍTULO I
Verificação da segurança em relação aos estados limites últimos de resistência
SECÇÃO I
Regras de verificação da segurança
Artigo 43.º
(Generalidades)
A verificação da segurança em relação aos estados limites últimos de resistência que não envolvem fadiga deve em geral ser feita em termos de esforços. No caso das lajes, quando seja utilizada a análise plástica, a verificação da segurança deve, em princípio, ser formulada em termos de acções.
Artigo 44.º
(Verificação da segurança em termos de esforços)
1. A verificação da segurança em termos de esforços consiste em satisfazer a condição seguinte:
Sd ≤ Rd
em que:
Sd valor de cálculo do esforço actuante;
Rd valor de cálculo do esforço resistente.
Os valores de cálculo dos esforços actuantes devem ser determinados de acordo com os critérios estabelecidos no capítulo V e considerando as combinações de acções e os factores parciais de segurança γf especificados no RSA para os estados limites últimos que não envolvam perda de equilíbrio ou fadiga.
Porém, o factor parcial de segurança γg relativo às acções permanentes pode ser reduzido até 1,2, no caso da acção do pré-esforço, excepto se os efeitos desta acção forem os predominantes na verificação da segurança, em que deve ser tomada o valor de 1,35 especificada no RSA.
2. Os valores de cálculo dos esforços resistentes devem ser determinados de acordo com as teorias de comportamento estabelecidas no presente capítulo, onde são apresentadas regras relativas aos diversos tipos de esforço, tendo em conta os valores de cálculo das propriedades dos materiais definidos no capítulo VI.
Artigo 45.º
(Verificação da segurança em termos de acções)
No caso das lajes, quando seja utilizada análise plástica, a verificação da segurança consiste em satisfazer a condição de o valor de cálculo das acções ser inferior ao valor de cálculo da resistência expressa em termos de acções.
SECÇÃO II
Esforços resistentes
Artigo 46.º
(Esforços normais e de flexão)
1. A determinação do valor de cálculo dos esforços resistentes das secções de elementos sujeitos a tracção, compressão e flexão simples ou, ainda, a flexão composta ou desviada deve ser feita admitindo as seguintes hipóteses:
a) As secções mantêm-se planas na deformação;
b) O betão não resiste à tracção;
c) As relações tensões-extensões de cálculo a adoptar para o betão, armaduras ordinárias e de pré-esforço são as indicadas respectivamente nos artigos 33.º, 37.º e 42.º;
d) A extensão máxima de encurtamento no betão é limitada a 3,5x10-3, excepto quando toda a secção estiver sujeita a tensões de compressão, situação em que tal valor limite varia gradualmente entre 3,5x10-3 e 2x10-3, correspondendo este último valor ao caso em que as extensões são uniformes em toda a secção;
e) A extensão máxima de alongamento das armaduras é limitada a 10x10-3, valor este que, no caso de armaduras de pré-esforço, deve ser contado a partir do valor da extensão nessas armaduras correspondente ao valor característico do pré-esforço instalado.
2. No que diz respeito à flexão desviada, simples ou composta, o problema da determinação dos esforços resistentes pode ser resolvido de modo aproximado, utilizando uma fórmula de interacção do tipo:
| ﴾ |
MRd,x
|
﴿ | α | + | ﴾ |
MRd,y
|
﴿ | α | = 1 |
| MRd,xo | MRd,yo |
em que:
MRd,x, MRd,y componentes, segundo 2 eixos ortogonais x e y da secção, do momento resistente de cálculo em flexão desviada, composta com um esforço normal resistente de cálculo NRd;
MRd,xo, MRd,yo momento resistente de cálculo segundo cada um dos referidos eixos em flexão não desviada, composta com o mesmo esforço normal resistente de cálculo NRd;
α expoente cujo valor depende de vários factores, nomeadamente do valor do esforço normal, da forma da secção e da percentagem de armadura; no caso de secções rectangulares com armaduras iguais nas 4 faces, pode-se tomar α = 1,2; em qualquer caso, é do lado de segurança tomar α = 1.
3. Na análise de uma secção que tenha de resistir à flexão e a um pequeno esforço normal, o efeito deste pode ser desprezado se não exceder o produto de 0,08 fck pela área da secção.
Artigo 47.º
(Esforço transverso)
1. O disposto neste artigo aplica-se a vigas e lajes dimensionadas à flexão de acordo com o artigo anterior, bem como a elementos pré-esforçados e pilares com esforços transversos significativos dimensionados com o artigo anterior e o artigo 51.º
2. Em geral, deve utilizar-se uma armadura mínima de esforço transverso, mesmo nos casos em que os cálculos indiquem que tal armadura não é necessária. Este mínimo pode ser omitido em elementos, tais como lajes, (maciças, nervuradas, vazadas), que tenham suficiente capacidade de distribuição transversal de cargas e que não estejam sujeitos a forças de tracção significativas. A armadura de esforço transverso mínima também pode ser omitida em elementos de pequena importância (por exemplo, um lintel com um vão inferior a 2 m), que não contribuam significativamente para a resistência e para a estabilidade globais da estrutura.
3. O método de cálculo correspondente ao esforço transverso baseia-se em três valores do esforço transverso resistente:
VRd1 valor de cálculo do esforço transverso resistente do elemento sem armadura de esforço transverso;
VRd2 valor máximo do esforço transverso que pode ser suportado sem esmagamento das bielas fictícias de compressão do betão;
VRd3 valor de cálculo do esforço transverso que pode ser suportado por um elemento com armadura de esforço transverso.
4. O valor de cálculo do esforço transverso resistente do elemento sem armadura de esforço transverso, VRd1, é dado por:
VRd1 = [τRd k ( 1,2 + 40ρ1) + 0,15 σcp ] bwd
em que:
τRd valor de referência para cálculo do esforço transverso resistente, indicado no Quadro 6, e igual a 0,25 fctd;
k 1 para elementos em que mais de 50% da armadura inferior é interrompida no vão; no caso contrário: k = 1,6 - d (d em metros);
ρ1 = Asl/(bw d) ≤ 0,02
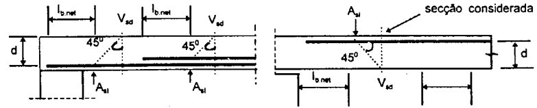
Asl área da armadura de tracção prolongando-se não menos do que d + 1b,net, para além da secção considerada (ver a Figura 7);
lb,net é definido no artigo 77.º e na Figura 14;
bw largura mínima da secção ao longo da altura útil;
d altura útil da secção;
σcp = NSd / Ac;
NSd esforço normal na secção devido às cargas aplicadas ou ao pré-esforço (compressão positiva).
Quadro 6. Valores de τRd para diferentes classes de betão
| Classe do betão | B15 | B20 | B25 | B30 | B35 | B40 | B45 | B50 | B55 | B60 |
|
τRd |
0,18 | 0,22 | 0,25 | 0,30 | 0,33 | 0,35 | 0,38 | 0,42 | 0,45 | 0,48 |

Figura 7. Definição de Asl
5. O valor máximo do esforço transverso que pode ser suportado sem esmagamento das bielas fictícias de compressão do betão, VRd2, é dado por:
VRd2 = τRd2 bw d
em que τRd2 é uma tensão cujo valor é indicado no Quadro 7, obtida por:
τRd2 = 0,45 Vv fcd
υv = 0,7 - fck / 200 ≥ 0,5
Quadro 7. Valores de τRd2 para diferentes classes de betão
| Classed o betão | B15 | B20 | B25 | B30 | B35 | B40 | B45 | B50 | B55 | B60 |
| τRd2 | 2,3 | 3,0 | 3,6 | 4,2 | 4,7 | 5,2 | 5,6 | 6,0 | 6,6 | 7,2 |
6. O valor de cálculo do esforço transverso que pode ser suportado por um elemento com armadura de esforço transverso, VRd3, é dado por:
VRd3 = Vcd + Vwd
em que Vcd é a contribuição do betão, igual a VRd1, e Vwd é a contribuição da armadura de esforço transverso.
No caso de elementos sujeitos a esforços de tracção significativos, o termo Vcd deve ser tomado igual a 0.
7. O valor de Vwd deve ser determinado pela expressão:
Vwd = 0,9 d (Asw/S) fsyd (1+cotg α) sin α
em que:
d altura útil da secção;
Asw área da secção da armadura de esforço transverso (no caso de estribos, compreende os vários ramos do estribo);
s espaçamento das armaduras de esforço transverso;
fsyd valor de cálculo da tensão de cedência ou da tensão limite convencional de proporcionalidade a 0,2% do aço das armaduras de esforço transverso;
α ângulo formado pelas armaduras de esforço transverso com o eixo do elemento (45o ≤ α ≤ 90o).
8. As secções em que o valor de cálculo do esforço transverso actuante, VSd, seja inferior a VRd1, não necessitam de armadura de esforço transverso, embora se devam prever as armaduras mínimas de acordo com o artigo 87.º
9. Para as secções em que VSd seja superior a VRd1, deve utilizar-se uma armadura de esforço transverso que permita a verificação da condição:
VSd = VRd3
10. O valor de cálculo do esforço transverso nunca deve ser superior a VRd2 em qualquer secção ou elemento. Quando o elemento esteja sujeito a esforços normais de compressão, VRd2 deve ser reduzido de acordo com a expressão:
VRd2,red = 1,67 VRd2 ( 1 - σcp,ef / fcd) ≤ VRd2
em que:
VRd2,red valor reduzido de VRd2;
σcp,ef tensão média efectiva no betão devida ao esforço normal, dada pela expressão:
σcp,ef = ( NSd - fsyd As2 ) / Ac;
NSd valor de cálculo do esforço normal;
As2 área da armadura na zona de compressão;
Ac área total da secção de betão.
11. Relativamente aos elementos sem armadura de esforço transverso, e aos elementos com armadura específica de esforço transverso e em que as condições estabelecidas no número seguinte sejam satisfeitas, permite-se uma majoração da resistência ao esforço transverso, mas apenas para cargas concentradas situadas a uma distância x ≤ 2,5 d da face do apoio. Neste caso, pode multiplicar-se o valor τRd por um coeficiente ßv, ao calcular VRd1, em que:
ßv = 2,5 d / x, com 1,0 ≤ ßv ≤ 5,0
Quando se considera esta majoração, VRd1, e a armadura de esforço transverso devem ser calculados para todas as secções críticas ao longo do comprimento 2,5 d a partir da face do apoio, com ßv = 1,0 do lado do vão correspondente às cargas concentradas em causa; a armadura de esforço transverso máxima, obtida desta forma, deve ser utilizada ao longo de todo este comprimento.
Nos casos em que a carga predominante numa viga seja uma carga concentrada junto a um apoio, o método anterior pode conduzir à utilização de uma armadura mínima em toda a viga. Estes casos exigem cuidado especial, podendo o projectista basear a resistência no valor não majorado de VRd1.
12. Devido ao aumento de resistência resultante da transmissão directa das cargas junto dos apoios, normalmente é conservativo calcular VSd a uma distância d a partir da face do apoio directo de vigas e lajes sujeitas a cargas distribuídas.
Ao considerar o aumento da resistência ao esforço transverso junto dos apoios definido no número anterior, devem satisfazer-se as seguintes condições:
a) as cargas e as reacções do apoio provocam compressão diagonal no elemento;
b) num apoio extremo, toda a armadura de tracção necessária a uma distância 2,5 d contada a partir do apoio deve ser amarrada no apoio;
c) num apoio intermédio, a armadura de tracção necessária à face do apoio deve prolongar-se no vão dum comprimento pelo menos igual a 2,5 d + lb,net.
13. Para o cômputo do valor de bw, no caso da alma da secção conter, a dado nível, varões ou cabos com diâmetro superior a um oitavo da largura da secção a esse nível, deve considerar-se a largura, a esse nível, reduzida de metade da soma dos diâmetros de tais armaduras.
14. No caso de elementos pré-esforçados com cabos inclinados ou de elementos de altura variável, há que ter em consideração os efeitos daí resultantes, corrigindo o valor do esforço transverso actuante atendendo às componentes transversais do pré-esforço ou das forças desenvolvidas nos banzos da treliça.
Artigo 48.º
(Punçoamento)
1. As regras indicadas neste artigo respeitam à verificação da resistência ao punçoamento em lajes dispondo de armadura de flexão determinada de acordo com o artigo 46.º Aplicam-se também ao punçoamento em lajes de fundação e em lajes aligeiradas com uma secção maciça em torno da área carregada. O punçoamento pode resultar de uma carga concentrada ou de uma reacção actuando numa área relativamente pequena de uma laje ou de uma sapata de fundação (área carregada).
2. A resistência ao punçoamento deve ser verificada ao longo de um contorno crítico definido.
Fora do contorno crítico, a laje tem de satisfazer os requisitos estipulados no artigo 47.º Se a espessura de uma laje não for suficiente para assegurar uma adequada resistência ao punçoamento, devem utilizar-se, por exemplo, armaduras de esforço transverso ou capitéis.
3. Designa-se por área crítica a que é delimitada pelo contorno crítico. A secção crítica é a secção que acompanha o contorno crítico e se estende ao longo da altura útil, d.
4. As regras indicadas neste artigo aplicam-se também a lajes nervuradas com uma secção maciça em torno da área carregada, desde que a área carregada se prolongue, pelo menos, 1,5 d para além do contorno crítico.
5. O disposto neste artigo aplica-se aos seguintes tipos de área carregada, admitindo que esta área não está tão próxima de outras forças concentradas que os seus contornos críticos se intersectem, nem se encontra numa zona sujeita a esforços transversos significativos de origem diferente:
- - circular, com diâmetro não superior a 3,5 d;
- - rectangular, com perímetro não superior a 11 d e com a relação entre o comprimento e a largura não superior a 2;
- - qualquer, sendo as dimensões limite fixadas por analogia com as formas precedentes.
Nota: d indica a altura útil média do elemento estrutural sujeito a punçoamento.
6. Se as condições estipuladas sobre a forma da área carregada não forem satisfeitas no caso de apoios de paredes ou pilares rectangulares, uma vez que o esforço transverso em apoios deste tipo se concentra nos cantos, só devem tomar-se em consideração os contornos críticos definidos na Figura 8, a menos de uma análise mais rigorosa.

Figura 8. Aplicação das disposições sobre punçoamento em casos não normalizados
7. O contorno crítico de uma área carregada de forma circular ou rectangular, afastada de bordos livres, é definido como o contorno envolvendo a área carregada e afastado desta de uma distância igual a 1,5d. Ver a Figura 9.

Figura 9. Contorno crítico de áreas carregadas afastadas de bordos livres
8. Para áreas carregadas localizadas junto de aberturas, se a distância mais curta entre o contorno da área carregada e o bordo da abertura não for superior a 6d, a parte do contorno crítico que está contida entre duas tangentes traçadas desde o centro da área carregada até ao contorno da abertura é considerada como não efectiva. Ver a Figura 10.

Figura 10. Contorno crítico de uma área carregada localizada junto de uma abertura
9. Para uma área carregada localizada junto de um bordo livre ou de um canto, o contorno crítico deve ser considerado conforme ilustrado na Figura 11, se daí resultar um contorno (excluindo os bordos livres) inferior ao obtido a partir dos n.os 7 e 8 deste artigo.*
* Alterado - Consulte também: Rectificação

Figura 11. Contornos críticos junto de bordos livres
10. O método de verificação ao punçoamento definido nos números seguintes baseia-se em três valores do esforço transverso resistente no contorno crítico:
vRd1 valor de cálculo do esforço transverso resistente por unidade de comprimento do contorno crítico, para uma laje sem armadura de esforço transverso;
vRd2 valor de cálculo máximo do esforço transverso resistente por unidade de comprimento do contorno crítico, para uma laje com armadura de esforço transverso;
vRd3 valor de cálculo do esforço transverso resistente por unidade de comprimento do contorno crítico, para uma laje com armadura de esforço transverso.
11. Não é necessária armadura de esforço transverso se vSd ≤ vRd1. No caso de VSd ser superior a vRd1, deve utilizar-se uma armadura de esforço transverso de modo que vSd ≤ vRd3
12. No caso de uma carga concentrada ou de uma reacção de apoio, o esforço transverso aplicado por unidade de comprimento é:
vSd = VSd ßp / u
em que:
VSd valor de cálculo total do esforço transverso actuante (numa laje este valor é calculado ao longo do perímetro u; numa sapata de fundação este valor é calculado ao longo do contorno da base do tronco de cone de punçoamento, considerando que se forma a 33,7o, desde que esteja contido na fundação);
u perímetro do contorno crítico;
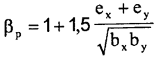
ßp coeficiente que tem em conta os efeitos de excentricidade das cargas (nos casos em que não existe excentricidade de cargas ßp pode ser considerado igual a 1,0) podendo adoptar os seguintes valores:
a) para área carregada de contorno circular (ou assimilável):
| ßp = 1 + |
2e
|
| do |
em que:
e excentricidade de VSd (ex e ey são as componentes segundo as direcções x e y);
do diâmetro do contorno crítico;
b) para área carregada de contorno rectangular:

em que:
bx, by dimensões do contorno crítico medidas segundo as direcções x e y paralelas aos lados da área carregada.
c) em alternativa podem tomar-se os seguintes valores para ßp:
|
ßp = 1,50 |
para pilar de canto |
|
ßp = 1,40 |
para pilar de bordo |
|
ßp = 1,15 |
para pilar interior |
13. O valor de cálculo do esforço transverso resistente por unidade de comprimento do contorno crítico, para lajes não pré-esforçadas sem armadura de punçoamento, VRd1, é dado por:
VRd1 = τRd k (1,2 + 40ρ1 ) d
em que:
τRd tensão cujo valor é indicado no Quadro 6;
k = 1,6 - d ≥ 1,0 (d em metros);
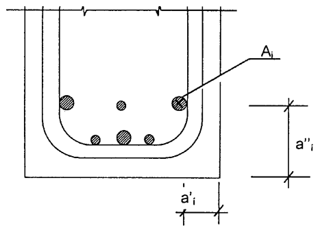
| ρ1 = | √ |
ριx ριy
|
≤ 0,015; |
ριx e ριy armadura de tracção nas direcções x e y, respectivamente;
d = (dx +dy ) / 2;
dx e dy alturas úteis da laje nos pontos de intersecção da superfície de rotura de cálculo com a armadura longitudinal, nas direcções x e y, respectivamente.
14. O valor de cálculo do esforço transverso resistente por unidade de comprimento do contorno crítico, para lajes pré-esforçadas sem armadura de punçoamento, VRd1, obtém-se pela expressão anterior, tendo em conta que:
| ρ1 = | √ |
ριx ριy
|
+ |
σcpo
|
≤ 0,015; |
| fsyd |
σcpo = Npd / Ac;
Npd força de pré-esforço correspondente ao valor inicial sem perdas (se a força de pré-esforço for diferente nas direcções de pré-esforço utiliza-se o seu valor médio).
15. No caso da existência de armaduras específicas de punçoamento, que devem respeitar as disposições construtivas indicadas no artigo 100.º, os esforços resistentes de punçoamento são dados por:
VRd2 = 1,6 VRd1
VRd3 = VRd1 + ΣAsw fsyd sin α / u
A soma das componentes das forças de cálculo na armadura de esforço transverso na direcção da força aplicada é representada por ΣAsw fsyd sin α sendo α o ângulo entre a armadura e o plano da laje.
16. Para assegurar que a resistência ao punçoamento se pode desenvolver, a laje deve ser dimensionada para valores mínimos de momentos flectores por unidade de largura, mSdx e mSdy, nas direcções x e y, a não ser que a análise estrutural conduza a valores mais elevados (ver Figura 12). Na ausência de outras disposições, deve satisfazer-se:
mSdx (ou mSdy) ≥ n VSd
em que:
VSd esforço transverso actuante;
n coeficiente de momentos, indicado no Quadro 8.
Quadro 8. Coeficiente de momentos n
| Posição do pilar | n para mSdx | n para mSdy | ||||
| Face superior | Face inferior | Largura efectiva | Face superior | Face inferior | Largura efectiva | |
| Pilar interior | -0,125 | 0 | 0,3 ly | -0,125 | 0 | 0,3 lx |
| Pilares de bordo, bordo da laje paralelo ao eixo x | -0,25 | 0 | 0,15 ly | -0,125 | +0,125 | (por m) |
| Pilares de bordo, bordo da laje paralelo ao eixo y | -0,125 | +0,125 | (por m) | -0,25 | 0 | 0,15 lx |
| Pilar de canto | -0,5 | +0,5 | (por m) | +0,5 | -0,5 | (por m) |
Figura 12. Momentos flectores e larguras efectivas
Artigo 49.º
(Esforço de torção)
1. Quando o equilíbrio estático de uma estrutura dependa da resistência à torção de elementos dessa estrutura, é necessário o dimensionamento à torção. Em estruturas hiperestáticas, quando os esforços de torção resultem apenas de considerações de compatibilidade, e em que a estabilidade da estrutura não dependa da resistência à torção, não é necessário considerar o estado limite último, havendo que limitar a fendilhação excessiva no estado limite de utilização.
2. A determinação do valor de cálculo do momento torsor resistente de secções, cheias ou vazadas, de elementos sujeitos a torção circular, deve ser efectuada com base na consideração de uma treliça tubular formada por bielas de betão comprimidas e por armaduras traccionadas transversais e longitudinais situadas na periferia da secção.
O valor de cálculo do momento torsor actuante deve satisfazer as duas condições seguintes:
TSd ≤ TRd1
TSd ≤ TRd2
em que:
TRd1 momento torsor máximo que pode ser suportado pelas bielas comprimidas de betão;
TRd2 momento torsor máximo que pode ser suportado pelas armaduras.
3. O valor de cálculo do momento torsor máximo que pode ser suportado pelas bielas comprimidas de betão, TRd1, é dado por:
TRd1 = Vt fcd t Ak = 1,56 τRd2 tAk*
* Alterado - Consulte também: Rectificação
em que:
t espessura da parede de uma secção oca eficaz, fictícia, contida na secção real, (t ≤ A / u, não inferior ao dobro do recobrimento dos varões longitudinais e não superior à espessura real da parede);
u perímetro do contorno exterior;
A área total da secção transversal definida pelo contorno exterior;
Ak área limitada pela linha média de uma secção oca eficaz, fictícia, contida na secção real;
τRd2 definido no Quadro 7;*
* Alterado - Consulte também: Rectificação
Vt = 0,7 x (0,7 - fck / 200 ) ≥ 0,35
4. O valor de cálculo do momento torsor máximo que pode ser suportado pelas armaduras, TRd2, é dado por:
TRd2 = 2 Ak fsyd Asw / s
em que:
Asw área da secção transversal dos varões utilizados como estribos;
s espaçamento dos estribos;
fsyd valor de cálculo da tensão de cedência ou da tensão limite convencional de proporcionalidade a 0,2% do aço da armadura transversal de torção.
5. A área adicional de armadura longitudinal de torção, Asl, é dada por:
Asl = [TRd2 uk / ( 2Ak )] / fsyd*
* Alterado - Consulte também: Rectificação
em que:
uk perímetro da área Ak
Artigo 50.º
(Esforço de torção associado a flexão ou a esforço transverso)
1. No caso de secções sujeitas a torção circular associada a flexão, simples ou composta, a determinação dos esforços resistentes deve ser feita independentemente para cada um dos esforços, considerando separadamente as armaduras longitudinais de torção e de flexão.
2. No caso de secções sujeitas a torção circular associada a esforço transverso, os valores de cálculo do esforço transverso e do momento torsor actuantes, VSd e TSd, devem satisfazer a seguinte condição:
| ﴾ |
VSd
|
﴿ | 2 | + | ﴾ |
TSd
|
﴿ | 2 | ≤ 1 |
| VRd2 | TRd1 |
em que:
VRd2, TRd1 valores máximos do esforço transverso e momento torsor resistentes, quando esses esforços são considerados separadamente, obtidos pelas seguintes expressões:
VRd2 = 0.45Vv fcd bw d = τRd2 bw d*
TRd1 = Vt fcd t Ak = 1,56 τRd2 t Ak*
τRd2, Vv, Vt, t, Ak têm os significados atribuídos nos artigos 47.º e 49.º*
* Alterado - Consulte também: Rectificação
O cálculo dos estribos pode ser feito separadamente para cada um dos esforços, pelas regras indicadas nos artigos 47.º e 49.º, considerando separadamente as armaduras transversais de esforço transverso e de torção.
CAPÍTULO II
Verificação da segurança em relação ao estado limite último de encurvadura
SECÇÃO I
Disposições gerais
Artigo 51.º
(Generalidades)
As regras contidas no presente capítulo referem-se à verificação da segurança em relação à encurvadura de estruturas reticuladas constituídas por vigas e pilares, de nós fixos ou de nós móveis, de acordo com o n.º 8 do artigo 15.º, para as quais os efeitos de 2.ª ordem não possam ser desprezados.
Artigo 52.º
(Esbelteza dos pilares. Comprimento efectivo de encurvadura)
1. A esbelteza, λ, de um pilar de secção constante é definida, para uma dada direcção, pela expressão:
λ = Io / i
em que:
Io comprimento efectivo de encurvadura na direcção considerada;
i raio de giração da secção transversal do pilar na direcção considerada, supondo-a constituída apenas por betão.
Os pilares não devem, em caso algum, ter esbelteza λ superior a 140.
2. O comprimento efectivo de encurvadura, Io, é definido pela distância entre os pontos de momento nulo da distribuição final de momentos ao longo do pilar.
A determinação de Io para os pilares de estruturas reticuladas deve ser efectuada tendo em consideração as não linearidades físicas e geométricas. Nos casos correntes, poder-se-á, porém, por simplificação, definir Io do modo seguinte:
Io = ηI
em que I é o comprimento livre do elemento e η é um factor que depende das condições de ligação das suas extremidades e que pode considerar-se com os seguintes valores:
Pilares de estruturas de nós fixos: o menor dos valores dados por:
η = 0,7 + 0,05 (α1 + α2) ≤1
η = 0,85 + 0,05 αmin ≤1
Pilares de estruturas de nós móveis: o menor dos valores dados por:
η = 1,0 + 0,15 (α1 + α2)
η = 2,0 + 0,3αmin
em que:
α1 parâmetro relativo a uma das extremidades do pilar, dado pela relação entre a soma das rigidezes de flexão dos pilares que concorrem no nó e a soma das rigidezes de flexão das vigas que aí também concorrem;
α2 parâmetro idêntico a α1, relativo à outra extremidade do pilar;
αmin o menor dos valores de α.
Nas extremidades de pilares ligadas a elementos de fundação devem considerar-se os seguintes valores de α:
no caso de sapatas que confiram ao pilar encastramento parcial: α = 1;
no caso de sapatas que confiram ao pilar encastramento perfeito (por exemplo, maciços de grandes dimensões): α = 0;
no caso de sapatas cuja ligação ao pilar não assegure transmissão de momentos: α = 10.
Artigo 53.º
(Verificação da segurança das estruturas)
1. A verificação da segurança das estruturas relativamente ao estado limite último de encurvadura deve ser efectuada adoptando os mesmos factores parciais de segurança estabelecidos no artigo 44.º para os estados limites últimos de resistência, e tendo em conta as não linearidades físicas e geométricas do comportamento da estrutura.
2. No caso de estruturas de nós fixos poder-se-á em geral reduzir o problema à verificação da segurança de cada um dos pilares, efectuada de modo indicado na parte B do presente capítulo, atribuindo-lhes comprimentos efectivos de encurvadura determinados de acordo com o artigo 52.º e considerando-os solicitados nas suas extremidades pelos esforços resultantes de uma análise linear da estrutura, efectuada segundo os critérios estabelecidos no artigo 17.º
3. No caso de estruturas de nós móveis, se não for de temer instabilidade de conjunto, poder-se-á proceder de modo análogo ao indicado no n.º 2 deste artigo, considerando para esbelteza de cada pilar de um dado andar o valor médio das esbeltezas dos pilares desse andar, não se podendo, porém, relativamente a cada pilar, ser conduzido a uma capacidade resistente superior à que se obteria considerando o pilar como pertencendo a uma estrutura de nós fixos.
O problema da verificação da segurança das estruturas relativamente à encurvadura é bastante complexo, pois implica o conhecimento da deformada final da estrutura no seu conjunto, entrando em consideração com a modificação dos efeitos das acções devida à deformação (não linearidade geométrica) e com a alteração das características de rigidez dos elementos em função dos esforços desenvolvidos (não linearidade física).
No entanto, para as estruturas correntes, e dentro de certos limites, são aceitáveis processos simplificados, tais como os preconizados neste artigo. Chama-se no entanto à atenção para que no caso de estruturas de nós móveis com pilares muito esbeltos, apresentando grande deformabilidade horizontal, a aplicação de tais processos pode conduzir a resultados pouco realistas e por vezes inseguros; nestes casos deverá, consequentemente, proceder-se a uma análise mais rigorosa.
SECÇÃO II
Verificação da segurança dos pilares
Artigo 54.º
(Critérios de verificação da segurança)
1. A verificação da segurança dos pilares relativamente à encurvadura pode em geral ser reduzida à verificação de estados limites últimos de resistência por flexão com compressão em certas secções críticas do pilar.Tal verificação deve ser efectuada separadamente em relação a cada uma das direcções principais de inércia da secção do pilar, e ser complementada por uma verificação interessando simultaneamente ambas as direcções referidas. Esta verificação complementar pode ser dispensada nos casos em que, por motivo da existência de diferentes condições de ligação do pilar, as suas secções críticas, numa e noutra das direcções principais de inércia, não se situem na mesma zona do pilar.
No caso, porém, dos pilares que satisfaçam as condições indicadas no n.º 4 deste artigo não se torna necessário proceder à verificação da segurança em relação à encurvadura.
2. A verificação da segurança segundo uma dada direcção deve ser efectuada considerando que o valor de cálculo do momento flector actuante, MSd (definido no artigo 55.º) na secção crítica e na direcção em causa é acrescido do momento definido pela expressão:
NSd (ea+e2+ec)
em que NSd é o valor de cálculo do esforço normal actuante e os restantes símbolos representam excentricidades adicionais definidas no artigo 56.º e correspondentes à direcção considerada; nesta verificação não é necessário ter em conta a flexão desviada resultante da existência de momento na outra direcção.
A verificação complementar referida no n.º 1 deste artigo é uma verificação em flexão desviada que, de modo simplificado, pode ser efectuada admitindo uma interacção linear expressa por:
|
M’Sd,x
|
+ |
M’Sd,y
|
≤1 |
| MRd,xo | MRd,yo |
em que:
M’Sd,x = MSd,x + NSd (ea,x + e2,x + ec,x)
M’Sd,y = MSd,y + NSd (ea,y + e2,y + ec,y)
e MRd,xo e MRd,yo são os valores de cálculo dos momentos resistentes segundo cada um dos eixos principais de inércia da secção em flexão não desviada, composta com um esforço normal de valor igual a NSd.
A verificação da segurança em relação à encurvadura pode ser dispensada nos casos em que se verifique uma das seguintes condições:
as relações entre os valores de cálculo dos momentos flectores e esforços normais actuantes, MSd e NSd sejam as seguintes:
| MSd/NSd > 3,5 h | para λ < 70 |
| MSd/NSd > 3,5 h (λ/70) | para λ > 70 |
em que h representa a altura da secção;
a esbelteza seja inferior ou igual a 35 no caso de estruturas de nós móveis e, no caso de estruturas de nós fixos, satisfaça a condição:
λ ≤ 50 - 15 MSd,b / MSd,a
em que MSd,b e MSd,a têm o significado e os sinais indicados no n.º 2 do artigo 55.º e λ é a esbelteza definida no n.º 1 do artigo 52.º
Note-se que as regras dadas para a verificação da segurança em relação à encurvadura de pilares são também aplicáveis, naturalmente, a outros elementos comprimidos, tais como escoras, vigas sujeitas a esforços de compressão, paredes, etc. A razão de se ter referenciado as regras em causa aos pilares deve-se ao facto de ser para estes elementos que, na grande maioria dos casos, o fenómeno tem maior acuidade.
Artigo 55.º
(Momentos actuantes nas secções críticas)
1. Nos pilares pertencentes a estruturas de nós móveis, pode considerar-se que as secções críticas se localizam junto das extremidades dos pilares, sendo, portanto, em relação aos valores de cálculo dos momentos flectores MSd, aí actuantes, que deve proceder-se à verificação da segurança de acordo com os critérios estabelecidos no artigo 54.º
2. Nos pilares pertencentes a estruturas de nós fixos, a secção crítica não se localiza em geral junto das extremidades dos pilares (mas antes numa zona intermédia), e o valor de cálculo do momento MSd a considerar deve ser o maior dos valores obtidos pelas seguintes expressões:
MSd = 0,6 MSd,a + 0,4 MSd,b
MSd = 0,4 MSd,a
em que MSd,a e MSd,b são os valores de cálculo dos momentos actuantes nas extremidades do pilar, supondo-se ∣MSd,a∣ ≥ ∣MSd,b∣ e atribuindo-lhes o mesmo sinal ou sinais contrários consoante determinam uma deformada do pilar com simples ou com dupla curvatura, respectivamente.
Artigo 56.º
(Excentricidades adicionais)
1. As excentricidades adicionais ea, e2 e ec, referidas no artigo 54.º, designadas respectivamente excentricidade acidental, excentricidade de 2.ª ordem e excentricidade de fluência, devem ser quantificadas de acordo com os números seguintes e ser tomadas com o sentido mais desfavorável no plano de encurvadura em consideração.
2. A excentricidade acidental, ea, que se destina a ter em conta os efeitos das imperfeições geométricas da execução dos pilares ou da deficiente avaliação da posição da resultante das forças neles actuantes, deve ser quantificada em face das condições particulares de cada caso.
Nos casos correntes, porém, pode tomar-se para ea um valor igual a Io/300, com o mínimo de 20 mm, sendo Io o comprimento efectivo de encurvadura definido no artigo 52.º
3. A excentricidade de 2.ª ordem, e2, corresponde à flecha do pilar, relativa à secção crítica, que torna máxima, nesta secção, a diferença (M’Rd - NSd e2 ), em que M’Rd é um momento resistente que, sob a acção de NSd e satisfazendo as hipóteses do artigo 46.º, é compatível com e2.
Pode admitir-se que a relação entre a excentricidade e2 e a curvatura do pilar na secção crítica, 1/r, é expressa por:
| e2 = |
1
|
I02
|
| r | 10 |
Nos casos correntes, e de modo simplificado, poder-se-á adoptar para 1/r o valor dado pela seguinte expressão:
|
1
|
= |
5
|
x 10-3 | η |
| r | h |
em que h representa a altura da secção no plano de encurvadura considerado e η é um coeficiente dado pela expressão:
| η = |
0,4 fcd Ac
|
| NSd |
cujo valor, porém, não deve ser considerado superior à unidade; nesta expressão, Ac representa a área da secção transversal do pilar.
4. A excentricidade de fluência, ec, que se destina a ter em conta o acréscimo de deformação do pilar devido aos efeitos da fluência, deve ser quantificada em face dos esforços actuantes e das propriedades reológicas do betão. Nos casos correntes, pode considerar-se para esta excentricidade o valor dado pela expressão:
| ec = | ﴾ |
MSg
|
+ ea | ﴿ | [ | exp | ﴾ |
φc(t∞,t0)NSg
|
﴿ | - 1 | ] |
| NSg | NE - NSg |
em que:
MSg, NSg esforços devidos às acções com carácter de permanência (que provocam fluência), não afectadas do factor parcial de segurança γf;
ea excentricidade acidental, definida no n.º 2 deste artigo;
φc(t∞,t0) coeficiente de fluência que poderá, em geral, tomar o valor 2,5;
NE carga crítica de Euler, definida por 10 EC,28 Ic / I02, em que EC,28 é o modulo de elasticidade do betão, Ic é o momento de inércia da secção transversal do pilar, na direcção considerada e referido à área de betão, e I0 é o comprimento efectivo de encurvadura.
A excentricidade de fluência poderá, no entanto, deixar de ser considerada nos casos em que se verifique uma das seguintes condições:
MSd/NSd ≥ 2,0 h
λ ≤ 70
Note-se que, no caso de pilares pré-esforçados, os valores de NSd, NSg e MSg que figuram nas expressões apresentadas para o cálculo de η e ec, devem incluir, além dos efeitos hiperestáticos do pré-esforço, os efeitos isostáticos devidos ao pré-esforço instalado nesses pilares.
CAPÍTULO III
Verificação da segurança em relação aos estados limites de utilização
SECÇÃO I
Disposições gerais
Artigo 57.º
(Generalidades)
Para a verificação da segurança em relação aos estados limites de utilização (fendilhação e deformação) interessa considerar, de acordo com o RSA, estados limites de muito curta duração, de curta duração e de longa duração. A estes tipos de estados limites correspondem, respectivamente, os seguintes tipos de combinações de acções: combinações raras, combinações frequentes e combinações quase-permanentes.
Artigo 58.º
(Regras de verificação da segurança)
1. A verificação da segurança em relação aos estados limites de utilização deve em geral ser efectuada em termos dos parâmetros que definem esses estados limites, devendo os valores atribuídos a tais parâmetros ser iguais ou superiores aos valores que eles assumem devido às acções, combinadas e quantificadas segundo as regras estipuladas pelo RSA.
2. Os valores dos parâmetros que definem os estados limites, bem como as teorias de comportamento a utilizar, constam das partes B e C do presente capítulo, respectivamente para a fendilhação e para a deformação.
3. Observe-se que, de acordo com o RSA, para os estados limites de utilização os coeficientes de segurança γf, relativos às acções (permanentes e variáveis), e os coeficientes de segurança γm, relativos às propriedades dos materiais, devem ser considerados iguais à unidade.
SECÇÃO II
Fendilhação
Artigo 59.º
(Generalidades)
A fendilhação deve ser limitada a um nível que não afecte o funcionamento correcto da estrutura, nem torne o seu aspecto inaceitável.
A fendilhação é praticamente inevitável em estruturas de betão armado sujeitas a flexão, esforço transverso, torção ou tracção, resultantes de acções directas ou de impedimentos às deformações impostas.
As fendas também podem ser provocadas por outras causas, como retracção plástica, reacções químicas de expansão interna do betão endurecido.
Para limitar as larguras das fendas a valores aceitáveis deve garantir-se uma percentagem mínima de armadura aderente, bem como o afastamento e o diâmetro dos varões.
Artigo 60.º
(Armaduras mínimas)
1. Para efeito do disposto neste artigo, entende-se por zona traccionada a parte de uma secção que tem tracções imediatamente antes da formação da primeira fenda.
2. As áreas mínimas de armadura necessárias para assegurar o controlo da fendilhação, num elemento ou parte do elemento que possa estar sujeito a tensões de tracção devidas ao impedimento das deformações impostas, podem ser calculadas a partir da relação:
As = kc k fct,ef Act / σs
em que:
| As | área da armadura na zona traccionada; |
| Act | área de betão na zona traccionada; |
| σs | tensão máxima admissível na armadura, imediatamente antes da formação da fenda (fsyk ou um valor inferior, de acordo com o Quadro 9); |
| fct,ef | resistência do betão à tracção, quando da primeira formação de fendas; |
| kc | coeficiente que tem em conta a natureza da distribuição de tensões na secção, imediatamente antes da fendilhação; |
| = 1,0 para tracção simples | |
| = 0,4 para flexão simples | |
| = 0,2 para flexão com compressão | |
| k | coeficiente que considera o efeito de tensões auto-equilibradas não uniformes. |
| = 0,8 para tensões de tracção devidas a impedimentos a deformações intrínsecas em geral (por exemplo, a retracção do betão) | |
| = 1,0 para tensões devidas a impedimentos a deformações extrínsecas (por exemplo, assentamentos de apoio). |
Artigo 61.º
(Controlo da fendilhação sem cálculo directo)
1. Para lajes armadas ou pré-esforçadas de edifícios sujeitas a flexão sem tracção axial significativa, quando a sua altura total não seja superior a 200 mm, e se respeite o disposto nos artigos 93.º a 108.º, não são necessárias outras medidas para controlar a fendilhação.
2. Quando se respeite a armadura mínima indicada no artigo anterior e as disposições construtivas aplicáveis do capítulo II do título III, em ambientes das classes de exposição 1 e 2 de acordo com a classificação do artigo seguinte, basta verificar os valores dos diâmetros máximos dos varões e o seu espaçamento máximo, definidos no Quadro 9 e no Quadro 10.
Quadro 9. Diâmetros máximos dos varões
| Tensão da armadura (MPa) | Diâmetros máximos dos varões (mm) | |
| Secções armadas | Secções pré-esforçadas | |
| 160 | 32 | 25 |
| 200 | 25 | 16 |
| 240 | 20 | 12 |
| 280 | 16 | 8 |
| 320 | 12 | 6 |
| 360 | 10 | 5 |
| 400 | 8 | 4 |
| 450 | 6 | - |
Quadro 10. Espaçamento máximo dos varões
| Tensão da armadura (MPa) | Espaçamento máximo dos varões (mm) | ||
| Flexão simples | Tracção simples | Secções pré-esforçadas (flexão) | |
| 160 | 300 | 200 | 200 |
| 200 | 250 | 150 | 150 |
| 240 | 200 | 125 | 100 |
| 280 | 150 | 75 | 50 |
| 320 | 100 | - | - |
| 360 | 50 | - | - |
Artigo 62.º
(Agressividade do ambiente e sensibilidade das armaduras à corrosão)
1. Para a escolha dos estados limites de fendilhação em relação aos quais há que verificar a segurança, interessa considerar a agressividade do ambiente e a sensibilidade das armaduras à corrosão.
2. As classes de exposição, correspondentes aos diferentes tipos de ambientes na Região Administrativa Especial de Macau a que o betão pode ficar exposto, de acordo com a NB, são as seguintes:
Classe 1: betão sem contacto directo com águas ou solos;
Classe 2: betão exposto ao ar, a águas ou solos não agressivos;
Classe 3: betão em contacto com água do mar ou solos agressivos.
3. Do ponto de vista da sensibilidade à corrosão, e para efeitos de aplicação do presente regulamento, consideram-se como muito sensíveis as armaduras de pré-esforço e as armaduras ordinárias com diâmetro inferior a 3 mm e como pouco sensíveis as armaduras ordinárias.
Artigo 63.º
(Estados limites de fendilhação a considerar)
1. Os estados limites de fendilhação a considerar para assegurar a conveniente durabilidade das estruturas devem ser escolhidos em relação a cada tipo de combinação de acções referidas no artigo 57.º, tendo em conta a agressividade do ambiente e a sensibilidade das armaduras à corrosão.
De acordo com o disposto no artigo 7.º, os estados limites de fendilhação a considerar podem ser o de descompressão e o de largura de fendas.
2. No caso de armaduras de pré-esforço, os estados limites a considerar são o de descompressão e o de largura de fendas, nas condições indicadas no Quadro 11.
Quadro 11. Estados limites de fendilhação - Armaduras de pré-esforço
| Classe de exposição ambiental | Combinações de acções | Estado limite |
| Classes 1 e 2 | Frequentes | Largura de fendas, w = 0,2 mm |
| Quase permanentes | Descompressão | |
| Classe 3 | Raras | Largura de fendas, w = 0,2 mm |
| Frequentes | Descompressão |
Além da quantificação dos estados limites, outras exigências devem também ser respeitadas, tais como a espessura dos recobrimentos e a composição do betão.
Tem interesse ainda chamar à atenção para que o problema da fendilhação pode estar ligado apenas ao tipo de utilização que vai ser dada à estrutura; é o caso, por exemplo, dos depósitos, em que a estanquidade exige a não existência de fendas. Trata-se, porém, de situações particulares, que como tal devem ser encaradas.
3. Note-se que os estados limites de fendilhação considerados dizem fundamentalmente respeito a fendilhação transversal às armaduras de elementos sujeitos a esforços normais e de flexão. A limitação da fendilhação de outros tipos, como, por exemplo, a devida a esforços transversos e de torção, e a que se desenvolve paralelamente às armaduras longitudinais, é assegurada por disposições construtivas apropriadas, indicadas no presente regulamento.
Artigo 64.º
(Estado limite de descompressão)
A segurança em relação ao estado limite de descompressão considera-se satisfeita se não existirem, nas secções do elemento, tracções ao nível da fibra extrema que ficaria mais traccionada (ou menos comprimida) por efeito dos esforços actuantes, com exclusão do pré-esforço.
A determinação de tensões necessária à verificação desta condição deve ser feita considerando as secções em fase não fendilhada, descontando os vazios correspondentes à eventual existência de armaduras ainda não aderentes e admitindo comportamento elástico perfeito dos materiais.
No caso de se pretender ter em conta a contribuição de armaduras aderentes, o valor do coeficiente de homogeneização α = Es / Ec a considerar deve reflectir a influência da duração das acções sobre o valor do módulo de elasticidade do betão; nos casos correntes pode considerar-se α = 18 para acções com carácter de permanência (que provocam fluência) e pode tomar-se α = 6 nas restantes situações.
Artigo 65.º
(Estado limite de largura de fendas)
1. A segurança em relação ao estado limite de largura de fendas considera-se satisfeita se o valor de cálculo da largura das fendas, ao nível das armaduras mais traccionadas, não exceder o valor de w especificado no artigo 63.º
A determinação do valor de cálculo da largura das fendas, wk, pode ser efectuada pela expressão seguinte:
Wk = ßSrm εsm
em que:
Srm distância média final entre fendas;
εsm extensão média tendo em conta, para a combinação de acções apropriada, os efeitos da rigidez da zona traccionada;
ß coeficiente relacionando a largura média das fendas com o valor de cálculo
= 1,7 para fendilhação devida às acções aplicadas e para fendilhação devida a deformações impedidas em secções com uma dimensão mínima superior a 800 mm;
= 1,3 para fendilhação devida a deformações impedidas em secções cuja dimensão mínima (altura, largura, ou espessura) seja igual ou inferior a 300 mm;
para secções com dimensões intermédias os valores podem ser interpolados.
2. No caso de elementos sujeitos a tracção ou a flexão, simples ou composta, a distância média final entre fendas e a extensão média da armadura podem ser calculadas do modo a seguir indicado:
a) Distância média entre fendas:
| Srm = 50 + 0,25 k1k2 |
Φ
|
| ρr |
em que:
Φ diâmetro dos varões da armadura em mm (no caso de se utilizarem varões de diâmetros diferentes pode considerar-se um diâmetro médio);
k1 coeficiente dependente das características de aderência dos varões, que deve ser tomado igual a 0,8 para varões de alta aderência e igual a 1,6 para varões de aderência normal;
k2 coeficiente dependente da distribuição de tensões de tracção na secção, dado por:
| k2 = |
ε1 + ε2
|
| 2ε1 |
em que ε1 e ε2 são, respectivamente, a maior e a menor extensão de tracção nas fibras extremas da secção considerada, calculadas em secção fendilhada (pode-se tomar k2 = 0,5 para flexão simples e k2 = 1,0 para tracção simples);
ρr percentagem efectiva de armadura, As/Ac,ef em que As é a área de armadura contida na área traccionada efectiva, Ac,ef; a área traccionada efectiva é geralmente a área de betão que rodeia a armadura de tracção, com uma altura igual a 2,5 vezes a distância da face traccionada da secção ao baricentro da armadura. (Figura 13); para lajes ou para elementos pré-esforçados em que a altura da zona de tracção pode ser pequena, a altura da área efectiva não deve ser considerada maior do que (h-x)/3.
Figura 13. Área efectiva (casos típicos)
b) Extensão média das armaduras traccionadas:
| εsm = |
σs
|
[ | 1 - ß1ß2 | ﴾ |
σsr
|
﴿ | 2 | ] |
| Es | σs |
em que:
σs tensão de tracção na armadura (ou variação de tensão no caso de armaduras de pré-esforço), correspondente ao esforço resultante da combinação de acções em causa; esta tensão deve ser calculada em secção fendilhada;
σsr tensão de tracção na armadura (ou variação de tensão no caso de armadura de pré-esforço), calculada em secção fendilhada, correspondente ao esforço que provoca o início da fendilhação; este esforço é o que, em secção não fendilhada, conduz a uma tensão de tracção máxima no betão de valor fctm;
Es módulo de elasticidade do aço;
ß1 coeficiente dependente das características de aderência dos varões da armadura, que deve ser tomado igual a 1,0 para varões de alta aderência e igual a 0,5 para varões de aderência normal;
ß2 coeficiente dependente da permanência ou da repetição das acções, que deve ser tomado igual a 0,5 no caso de combinações frequentes ou quase permanentes e igual a 1,0 no caso de combinações raras de acções.
No caso de armaduras pré-esforçadas, as variações de tensão σs, e σsr devem ser calculadas a partir do estado correspondente ao anulamento das tensões de compressão induzidas pelo pré-esforço no betão envolvente da armadura.
3. O valor da extensão média das armaduras não pode, em caso algum, ser considerado inferior a 0,4 σs / Es.
4. Para a determinação das tensões nas armaduras em secção fendilhada pode admitir-se comportamento elástico perfeito dos materiais com um coeficiente de homogeneização adequado à natureza (duração) das acções; no entanto, pode, por simplificação, adoptar-se para tal coeficiente o valor de α = 15.
Artigo 66.º
(Verificação da tensão máxima de compressão)
A verificação da segurança em relação aos estados limites de fendilhação deve ser complementada por uma verificação de tensão máxima de compressão no betão, efectuada para as combinações raras de acções.
O valor desta tensão é limitado em geral a fcd, valor de cálculo da tensão de rotura à compressão. No caso, porém, de o betão não ter atingido a idade de 28 dias, o valor limite da tensão deve ser fck,j / γc em que fck,j é o valor característico da tensão de rotura do betão à compressão, referido a provetes cilíndricos, determinado para a idade j em consideração e γc é o factor parcial de segurança cujo valor é 1,5.
A verificação em causa deve ser feita admitindo comportamento elástico perfeito dos materiais e considerando a secção fendilhada ou não fendilhada consoante existam ou não tensões de tracção (calculadas em secção não fendilhada) de valor superior ao valor fctm, definido no artigo 28.º
SECÇÃO III
Deformação
Artigo 67.º
(Estados limites de deformação a considerar)
1. Os valores limites das deformações (flechas, rotações, deslocamentos) a considerar em correspondência com as combinações de acções referidas no artigo 57.º, com vista à verificação da segurança em relação ao estado limite de deformação, dependem do tipo de estrutura e das condições da sua utilização, devendo, portanto, ser convenientemente estabelecidos em cada caso.
2. Os valores limites das flechas indicados nos n.os 3 e 4 deste artigo constam da ISO 4356 e permitem garantir em geral um desempenho adequado de edifícios de habitação e de escritórios, edifícios públicos ou fábricas. É necessário tomar cuidado para assegurar que não há circunstâncias especiais que os tornem inadequados para a estrutura considerada. Outras informações relativas a problemas de flechas e dos seus valores limites podem ser obtidas na ISO 4356.
3. O aspecto e as condições de utilização da estrutura podem ser afectados quando a flecha calculada para uma viga, laje ou consola sujeitas a acções quase permanentes for superior ao valor vão/250. A flecha é calculada em relação aos apoios. Pode utilizar-se uma contraflecha para compensar alguns ou todos os deslocamentos, mas em geral qualquer contraflecha na cofragem não deve ser superior ao valor vão/250.
4. As flechas podem danificar as divisórias, os elementos ligados ou em contacto com o elemento considerado, e os equipamentos ou acabamentos, se o seu valor calculado, que ocorra depois da construção dos elementos susceptíveis de serem danificados, for excessivo. O limite apropriado depende da natureza dos elementos susceptíveis de serem danificados mas, a título de orientação, considera-se que um limite igual a vão/500 é razoável na maioria das circunstâncias. Este limite pode ser reduzido quando os elementos susceptíveis de serem danificados tenham sido dimensionados para suportar grandes deslocamentos, ou quando se saiba que são capazes de suportar deformações superiores sem sofrerem danos.
Artigo 68.º
(Dispensa de cálculo de flechas)
1. Em geral, não é necessário calcular explicitamente as flechas, pois que regras simples, tais como limites para a relação vão/altura, são adequados para evitar problemas de deslocamentos nos casos correntes. É necessário fazer verificações mais rigorosas no que respeita aos elementos que não respeitam esses limites ou nos casos em que sejam apropriados outros limites, que não os implícitos nos métodos simplificados.
2. Desde que as vigas ou lajes de betão armado de edifícios sejam dimensionadas de forma a satisfazerem os limites da relação vão/altura indicados neste artigo, os seus deslocamentos não excedem normalmente os limites estabelecidos no n.º 3 e n.º 4 do artigo 67.ºA relação limite vão/altura obtém-se considerando uma relação de base indicada no Quadro 12 e multiplicando-a por factores de correcção de forma a ter em conta o tipo de armadura utilizada e outras variáveis. Na elaboração deste quadro não foi tida em conta qualquer contraflecha.
Quadro 12. Relações de base vão/altura útil para elementos de betão armado sem esforço normal de compressão
| Sistema estrutural | Betão fortemente solicitado | Betão fracamente solicitado |
| Viga simplesmente apoiada, laje simplesmente apoiada armada numa ou em duas direcções | 18 | 25 |
| Vão extremo de uma viga contínua; laje contínua armada numa direcção ou laje armada em duas direcções, contínuas sobre o lado maior | 23 | 32 |
| Vão interior de viga ou de laje armada numa ou em duas direcções | 25 | 35 |
| Laje apoiada em pilares sem vigas (laje fungiforme) (referência ao maior vão) | 21 | 30 |
| Consola | 7 | 10 |
3. O valor obtido no Quadro 12 pode ser reduzido nos seguintes casos:
a) Para secções em T em que a relação entre a largura do banzo e a largura da nervura seja superior a 3, os valores podem ser multiplicados por 0,8;
b) No caso de elementos com vãos superiores a 7 m, com excepção de lajes fungiformes suportando divisórias que possam ser danificadas por deformações excessivas, o valor pode ser multiplicado por 7/lef (lef em metros);
c) No caso de lajes fungiformes em que o vão maior, lef, é superior a 8,5 m, os valores podem ser multiplicados por 8,5/lef (lef em metros).
4. Os valores indicados no Quadro 12 foram obtidos admitindo que a tensão na armadura, para o valor de cálculo da carga de utilização, numa secção fendilhada a meio-vão de uma viga ou laje ou no apoio de uma consola, é igual a 250 MPa (o que corresponde aproximadamente a fsyk = 400 MPa). Nos casos em que se utilizem outros níveis de tensões, os valores indicados no Quadro 12 devem ser multiplicados por 250/σs, em que σs é a tensão na secção acima indicada para a combinação frequente de acções. Normalmente é conservativo admitir que:
250 / σs = 400 / (fsyk As,cal / As,ef)
em que:
As,ef área de armadura utilizada na secção considerada;
As,cal área de armadura necessária na secção para garantir o valor de cálculo do momento de resistência último.
5. Ao interpretar o Quadro 12, deve ter-se em conta o seguinte:
a) em geral, os valores indicados são conservativos, podendo os cálculos revelar frequentemente que é possível utilizar elementos menos espessos;
b) os elementos em que o betão é fracamente solicitado são aqueles em que ρ < 0,5% (ρ = As/ bd). Normalmente pode admitir-se que as lajes são fracamente solicitadas;
c) se a percentagem de armadura for conhecida, podem obter-se por interpolação os valores intermédios entre os relativos ao betão fortemente solicitado (correspondente a ρ = 1,5%) e ao betão fracamente solicitado (correspondente a ρ = 0,5%);
d) para lajes armadas em duas direcções, a verificação deve ser efectuada em relação ao menor vão. Para lajes fungiformes deve considerar-se o maior vão;
e) os limites indicados para lajes fungiformes correspondem a uma limitação menos exigente do que uma flecha a meio vão igual a vão/250 relativa aos pilares. A experiência demonstrou que este valor é satisfatório.
Artigo 69.º
(Verificação das flechas por meio de cálculo)
1. Nos casos em que se considere necessário efectuar o cálculo, as flechas devem ser calculadas para as condições de carregamento que sejam apropriadas ao objectivo da verificação.
2. O método de cálculo adoptado deve representar o comportamento real da estrutura sob as acções correspondentes, com um grau de precisão adequado para os objectivos do cálculo. A deformação de elementos de betão armado ou pré-esforçado é influenciada por numerosos factores que não se conhecem com rigor. Os valores obtidos por cálculo não podem ser considerados como uma previsão precisa de flechas que se espera venham a ocorrer. Por este motivo, é de evitar a utilização de métodos de cálculo excessivamente elaborados.
3. Admite-se que existem duas condições limites em relação à deformação das secções de betão.
- condição não fendilhada:
neste estado, o aço e o betão actuam elasticamente em conjunto quer em tracção quer em compressão;
- condição totalmente fendilhada:
neste estado, despreza-se a influência do betão traccionado.
Considerar-se-ão não fendilhados os elementos para os quais não se prevê que venham a estar solicitados acima do nível que levaria a que a resistência do betão à tracção fosse ultrapassada em qualquer ponto do elemento. Os elementos que possam vir a fendilhar comportar-se-ão de uma maneira intermédia entre as condições não fendilhadas e totalmente fendilhadas e, no caso de elementos predominantemente sujeitos a flexão, pode fazer-se uma previsão adequada do comportamento através da expressão fundamental:
α = ζ α|| + (1 - ζ) α|
em que:
α parâmetro considerado que pode ser, por exemplo, uma extensão, uma curvatura ou uma rotação (como simplificação, α também pode ser considerado como uma flecha);
α|, α| |valores do parâmetro calculado, respectivamente, para as condições não fendilhada e totalmente fendilhada;
ζ coeficiente de distribuição igual a zero para secções não fendilhadas e dado pela seguinte expressão em secções fendilhadas:
| ζ = 1 - ß1ß2 | ﴾ |
σsr
|
﴿ | 2 |
| σs |
σs, σsr, ß1 ß2 têm o mesmo significado definido no artigo 65.º
(σs / σsr pode ser substituído por M / Mcr para a flexão ou N /Ncr para a tracção pura).
As propriedades críticas dos materiais necessárias para permitir a determinação das deformações devidas ao carregamento são a resistência à tracção e o módulo de elasticidade efectivo do betão.
No Ouadro 2 apresenta-se a gama de valores prováveis da resistência à tracção. De um modo geral, obter-se-á uma estimativa melhor do comportamento utilizando fctm.
Pode obter-se uma estimativa do módulo de elasticidade do betão a partir do Quadro 4. A fluência pode ser considerada utilizando um módulo efectivo:
Ec,ef = Ec/(1+Φ)
em que Φ é o coeficiente de fluência.
As curvaturas de retracção podem ser calculadas por:
1/rcs = εcsαθS / I
em que:
1/rcs curvatura devida à retracção;
εcs extensão de retracção livre;
S momento estático da área da armadura em relação ao baricentro da secção;
1 momento de inércia da secção;
αθ coeficiente de homogeneização efectivo (αθ = Es/Ec,ef).
S e I devem ser calculados para a condição não fendilhada e para a condição totalmente fendilhada, sendo a curvatura final avaliada por meio da expressão fundamental.
O método mais rigoroso para determinação das flechas consiste em calcular as curvaturas em várias secções ao longo do elemento e determinar em seguida as flechas por integração numérica. Esta técnica é laboriosa e normalmente não se justifica, sendo aceitável calcular apenas dois valores para as flechas, admitindo, primeiro, que todo o elemento se encontra na condição não fendilhada e, depois, na condição totalmente fendilhada e utilizando em seguida a expressão fundamental. A abordagem indicada não é directamente aplicável a secções fendilhadas sujeitas a esforço normal significativo.
TÍTULO III
Disposições de projecto e disposições construtivas
CAPÍTULO I
Disposições gerais relativas a armaduras
Artigo 70.º
(Armaduras principais e secundárias)
1. Nas estruturas de betão armado e pré-esforçado devem dispor-se, além das armaduras principais dimensionadas de acordo com as regras estabelecidas no presente regulamento, armaduras secundárias que garantam a eficiência do funcionamento daquelas armaduras, assegurem a ligação entre partes dos elementos que tenham tendência a destacar-se, e limitem o alargamento da fendilhação localizada.
2. Em muitos casos a determinação das armaduras secundárias pode ser efectuada a partir da consideração de adequados equilíbrios de forças nas zonas de perturbação em causa; algumas das disposições construtivas constantes desta terceira parte do regulamento têm como base análises deste tipo.
Artigo 71.º
(Utilização conjunta de aços de tipos diferentes)
A utilização conjunta de aços de tipos diferentes exige que tal facto seja devidamente considerado no dimensionamento e que na obra se tomem precauções que evitem erros resultantes de incorrecta identificação dos aços.
Artigo 72.º
(Agrupamento de armaduras)
1. No caso de armaduras ordinárias os agrupamentos de varões que haja necessidade de utilizar não devem ser constituídos por mais de 3 varões; admite-se porém que, para armaduras verticais sempre comprimidas, este número possa aumentar para 4. Além disso, os varões de um agrupamento devem ser dispostos de tal modo que, numa dada direcção, não existam mais de 2 varões em contacto.
Em qualquer caso, porém, o diâmetro equivalente do agrupamento, Φn definido pela expressão:

não deve ser superior a 55 mm; nesta expressão, Φi é o diâmetro de cada um dos n varões do agrupamento.
Para observância das regras do presente regulamento em que o diâmetro dos varões seja parâmetro condicionante, deve considerar-se para os agrupamentos o seu diâmetro equivalente.
2. No caso de armaduras pós-tensionadas com bainhas cujo diâmetro não exceda 50 mm, cada agrupamento pode comportar, no máximo, 4 bainhas, dispostas de tal modo que, numa dada direcção, não haja mais de 2 bainhas em contacto. No caso de bainhas com diâmetro superior a 50 mm, só é permitido o agrupamento de 2 bainhas e, no caso de vigas e lajes, apenas na direcção vertical.
3. No caso de armaduras pré-tensionadas, cada agrupamento só pode comportar 2 armaduras.
Artigo 73.º
(Distância mínima entre armaduras)
1. A distância livre entre armaduras ou bainhas ou entre agrupamentos destes elementos deve ser suficiente para permitir realizar a betonagem em boas condições, assegurando-lhes desta forma um bom envolvimento pelo betão e as necessárias condições de aderência.
2. No caso de armaduras ordinárias a distância livre entre varões não deve ser inferior ao maior diâmetro dos varões em causa (ou ao diâmetro equivalente dos seus agrupamentos), com o mínimo de 20 mm.
3. No caso de armaduras pós-tensionadas, a distância livre entre bainhas ou entre agrupamentos não deve ser inferior ao maior diâmetro das bainhas em causa nem a 40 mm e 50 mm, respectivamente nas direcções vertical e horizontal; no entanto, no caso de um agrupamento na horizontal, as distâncias às bainhas mais próximas não devem ainda ser inferiores a 1,2 e 1,5 vezes o maior diâmetro das bainhas, respectivamente nas direcções vertical e horizontal.
4. No caso de armaduras pré-tensionadas, as distâncias livres não devem ser inferiores ao maior dos diâmetros das armaduras em causa nem a 10 mm e 20 mm, respectivamente nas direcções vertical e horizontal.
No caso de um agrupamento na vertical, as distâncias às armaduras mais próximas não devem ser inferiores a 1,5 vezes o maior diâmetro das armaduras em causa nem a 10 mm e 25 mm, respectivamente nas direcções vertical e horizontal.
No caso de um agrupamento na horizontal, as distâncias às armaduras mais próximas não devem ser inferiores a 2 vezes o maior diâmetro das armaduras em causa nem a 30 mm, quer na direcção vertical quer na direcção horizontal.
5. As distâncias entre armaduras, além de obedecerem aos mínimos indicados neste artigo, devem ainda ser compatibilizadas com a máxima dimensão do inerte utilizado (dg) ou 20 mm, com vista a assegurar um eficaz envolvimento das armaduras pelo betão. Além disso, nos casos em que dg > 32 mm, essas distâncias não devem ser inferiores a dg + 5 mm.
Nos casos em que haja grande densidade de armaduras, os varões das diferentes camadas devem ficar alinhados em planos verticais, com reserva de espaço para passagem de uma agulha de vibração.
6. A exigência de distâncias mínimas especificadas neste artigo não se aplica ao cruzamento ou à emenda por sobreposição de armaduras.
Artigo 74.º
(Recobrimento mínimo das armaduras)
1. O recobrimento das armaduras ou bainhas (ou dos agrupamentos destes elementos) deve permitir realizar a betonagem em boas condições e assegurar não só a necessária protecção contra a corrosão mas também a eficiente transmissão das forças entre as armaduras e o betão.
2. Os recobrimentos mínimos a adoptar em elementos não laminares em que se utilize betão de classe inferior a B30 e armaduras ordinárias devem ser os seguintes, de acordo com a classe de exposição ambiental:
| classe 1 | 20 mm |
| classe 2 | 30 mm |
| classe 3 | 40 mm |
havendo que aumentar em 10 mm estes valores no caso de armaduras de pré-esforço.
Os valores referidos podem, no entanto, ser diminuídos de:
5 mm, no caso de elementos laminares;
5 mm, para betões das classes B30, B35 e B40;
10 mm, para betões de classes superiores a B40.
Estas diminuições são cumulativas, não se devendo, porém, em caso algum, adoptar recobrimento inferior a 15 mm.
Além de satisfazer as condições anteriormente estabelecidas, o recobrimento mínimo não deve ser inferior ao diâmetro das armaduras ordinárias (ou ao diâmetro equivalente dos seus agrupamentos). No caso de armaduras pré-esforçadas, o recobrimento mínimo não deve também, para as armaduras pós-tensionadas, ser inferior ao diâmetro das bainhas com o mínimo de 40 mm e, para as armaduras pré-tensionadas, ser inferior a 2 vezes o diâmetro das armaduras com o mínimo de 20 mm; em agrupamentos na horizontal de armaduras pós-tensionadas, o recobrimento lateral não deve ainda ser inferior a 2 vezes o maior diâmetro das bainhas.
Artigo 75.º
(Curvatura máxima das armaduras)
1. A curvatura máxima que pode ser imposta a uma armadura deve ser tal que não afecte a resistência desta e não provoque o esmagamento ou fendimento do betão por efeito da pressão que se exerce na zona da curva.
2. No caso de armaduras ordinárias as dobragens dos varões devem ser executadas com diâmetros não inferiores aos indicados no Quadro 13.
Quadro 13. Diâmetros interiores mínimos de dobragem de armaduras ordinárias
| Ganchos, cotovelos, laços (ver Figura 14) |
Varões inclinados ou outros varões dobrados | ||||
| Diâmetro dos varões | Valor do recobrimento mínimo das armaduras, perpendicular ao plano da curvatura | ||||
| Φ< 20 mm | Φ ≥ 20 mm | > 100 mm e > 7Φ | > 50 mm e > 3Φ | ≤ 50 mm ≤ 3Φ | |
| Varões lisos A235 | 2,5Φ | 5Φ | 10Φ | 10Φ | 15Φ |
| Varões de alta aderência A335, A400, A500 | 4Φ | 7Φ | 10Φ | 15Φ | 20Φ |
3. No caso de armaduras ordinárias formando laço, o diâmetro de dobragem não deve ser inferior ao dado pela expressão:
| ﴾ | 0, 7 + 1,4 |
Φ
|
﴿ |
σsSd
|
Φ |
| a | 1,5fcd |
em que σsSd é a tensão na armadura no início da dobra, correspondente ao valor de cálculo do esforço actuante, e a é a menor das duas quantidades seguintes: distância entre o plano do laço e a face da peça; distância entre o plano do laço e o plano do laço vizinho.
Artigo 76.º
(Aderência das armaduras ao betão)
1. A aderência das armaduras ao betão, propriedade que interessa não apenas ao problema do funcionamento conjunto dos dois materiais, mas também à definição dos critérios de amarração e de emenda das armaduras, é quantificada basicamente através de uma tensão de rotura de aderência, cujos valores dependem das características de aderência das armaduras, da classe do betão e das condições de envolvimento das armaduras pelo betão.
2. Do ponto de vista da aderência, as armaduras ordinárias classificam-se em armaduras de aderência normal e armaduras de alta aderência. Quanto às condições dependentes do envolvimento dos varões pelo betão, considera-se que estes se encontram em condições de boa aderência quando, na ocasião da betonagem, formem com a horizontal um ângulo compreendido entre 45o e 90o, ou quando os varões estejam integrados em elementos cuja espessura, na direcção da betonagem, não exceda 250 mm; no caso de esta espessura exceder 250 mm, considera-se que os varões estão ainda em condições de boa aderência se se situarem na metade inferior do elemento (ou na metade inferior da parte betonada numa mesma fase de betonagem) ou a mais de 300 mm da sua face superior.
Os valores de cálculo da tensão de rotura da aderência, fbd, das armaduras ordinárias são indicadas no Quadro 14.
Quadro 14. Valores de cálculo da tensão de rotura da aderência, fbd, de armaduras ordinárias(1) (MPa)
| Características de aderência dos varões | Classe de betão | |||||||||
| B15 | B20 | B25 | B30 | B35 | B40 | B45 | B50 | B55 | B60 | |
| Aderência normal | 0,8 | 1,0 | 1,1 | 1,2 | 1,3 | 1,4 | 1,5 | 1,6 | 1,6 | 1,7 |
| Alta aderência | 1,6 | 2,0 | 2,3 | 2,7 | 3,0 | 3,2 | 3,4 | 3,8 | 4,1 | 4,3 |
(1) Os valores indicados referem-se a varões betonados em condições de boa aderência; para outras condições de aderência, estes valores devem ser multiplicados por 0,7.
Os valores de cálculo da tensão de rotura da aderência especificados no Quadro 14 resultam da aplicação das seguintes expressões:
| varões de aderência normal: fbd = 0,30 | √ |
fcd
|
(fcd em MPa); |
varões de alta aderência: fbd = 2,25 fctd
3. Nos casos em que as armaduras estejam submetidas a elevados gradientes de tensão, particularmente se forem de grande diâmetro, deve proceder-se a uma verificação local da aderência, que consiste em satisfazer a condição:
| τbSd = |
∆FsSd
|
≤ fbd |
| u∆x |
em que:
τbSd tensão de aderência correspondente ao valor de cálculo do esforço actuante;
∆FsSd diferença entre as forças na armadura em 2 secções distantes de ∆x, sendo ∆x ≤ Φ (correspondente ao valor de cálculo do esforço actuante);
u perímetro da secção da armadura; no caso de agrupamentos, é o perímetro da secção de diâmetro equivalente definido no n.º 1 do artigo 72.º;
fbd valor de cálculo da tensão de rotura da aderência.
4. No caso de elementos sujeitos predominantemente a acções variáveis que determinem variações de tensão muito repetidas e de grande amplitude nas armaduras, é prudente reduzir estes valores, considerando as suas consequências nas condições de amarração e de emenda das armaduras.
Artigo 77.º
(Amarração de varões de armaduras ordinárias)
1. As extremidades dos varões das armaduras ordinárias devem ser fixadas ao betão por amarrações, que podem ser realizadas por prolongamento recto ou curvo dos varões, por laços ou por dispositivos mecânicos especiais.
2. A utilização das amarrações por prolongamento dos varões, que, quando curvo, pode incluir gancho ou cotovelo com as características geométricas indicadas na Figura 14, depende da capacidade de aderência dos varões ao betão e do tipo de esforços a que estes estão submetidos. Assim, tratando-se de varões de aderência normal devem utilizar-se apenas amarrações com ganchos, excepto se os varões estiverem sempre sujeitos à compressão, caso em que convém usar amarrações rectas. Para os varões de alta aderência devem utilizar-se amarrações rectas, excepto se os varões estiverem sempre sujeitos a tracção, caso em que se permite a utilização de ganchos ou cotovelos.
3. Nas zonas de amarração de varões, o betão deve ser cintado por uma armadura transversal (estribos ou cintas) distribuída ao longo da zona de amarração, no caso de varões traccionados com amarrações rectas, e concentrada junto aos extremos dos varões, nos restantes casos; em particular, nas amarrações de varões comprimidos, a armadura de cintagem deve ainda abranger uma zona que se estenda, para além da amarração, de um comprimento igual a 4 vezes o diâmetro dos varões amarrados.
A área total mínima das armaduras transversais ao longo do comprimento de amarração deve corresponder a 25 por cento da área de um varão amarrado.
A exigência desta armadura pode ser dispensada no caso de amarrações de varões traccionados em zonas dos elementos sujeitas a compressão transversal à direcção dos varões (devida, por exemplo, a uma reacção de apoio) e no caso de varões cuja distância à face do elemento ou a outros varões seja relativamente grande.

Figura 14. Comprimento de amarração necessário
4. Os comprimentos da amarração, 1b,net (Figura 14), são definidos pela expressão:
| lb,net = lb |
As,cal
|
α1 |
| As,ef |
em que:
| lb = |
Φ
|
fsyd
|
| 4 | fbd |
não devendo, porém, em caso algum, ser tomados inferiores a qualquer dos seguintes valores: 10 Φ; 100 mm; 0,3 lb, no caso de varões traccionados; 0,6 lb, no caso de varões comprimidos.
Os símbolos utilizados têm o seguinte significado:
As,cal secção da armadura requerida pelo cálculo;
As,ef secção da armadura efectivamente adoptada
α1 coeficiente que toma o valor de 0,7, no caso de amarrações curvas em tracção, e é igual à unidade nos restantes casos;
Φ diâmetro do varão ou diâmetro equivalente do agrupamento;
fsyd valor de cálculo da tensão de cedência ou da tensão limite convencional de proporcionalidade a 0,2% do aço;
fbd valor de cálculo da tensão de rotura da aderência, definido no artigo 76.º
5. No caso de agrupamentos de varões, cada varão deve ser amarrado individualmente com o comprimento de amarração correspondente ao varão isolado, mas as extremidades das amarrações resultantes devem ficar separadas entre si de, pelo menos, 1,3 vezes o comprimento de amarração; no caso, porém, de agrupamentos que terminem em apoios, poder-se-á fazer a amarração conjunta de todos os varões, mas com o comprimento de amarração correspondente ao diâmetro equivalente do agrupamento.
6. No caso de se utilizarem amarrações com laços, considera-se assegurada a amarração a uma distância da tangente exterior do laço igual a metade do diâmetro interior do laço acrescido de 3 vezes o diâmetro do varão.
Para atenuar o risco de fendimento do betão, deve dispor-se, em direcção perpendicular ao plano do laço, uma armadura adequada, que pode, porém, ser dispensada nas mesmas condições enunciadas em 3 relativamente à dispensa de armadura aí referida.
7. A utilização de dispositivos mecânicos especiais para a realização de amarrações necessita de adequada justificação.
Artigo 78.º
(Amarração de cintas e de armaduras de esforço transverso)
A amarração de cintas e de armaduras de esforço transverso é normalmente efectuada por meio de ganchos, ou de armaduras transversais soldadas. Os varões e fios de alta aderência também podem ser amarrados por meio de cotovelos. Deve colocar-se um varão no interior do gancho ou cotovelo. Considera-se que a amarração no seu conjunto é satisfatória:
- se a curva de um gancho ou cotovelo é prolongada por um comprimento recto que não seja inferior a:
5Φ com um mínimo de 50 mm se for a continuação de um arco de 135o ou mais (Figura 15a);*
10Φ com um mínimo de 70 mm se for a continuação de um arco de 90o (Figura 15b);*
* Alterado - Consulte também: Rectificação
- quando existirem próximo da extremidade de um varão recto:
dois varões transversais soldados (Figura 15c);
ou um único varão transversal soldado cujo diâmetro não seja inferior a 1,4 vezes o diâmetro do varão (Figura 15d).

Figura 15. Amarração de cintas
Artigo 79.º
(Amarração de redes electrossoldadas)
1. As extremidades dos varões longitudinais das redes electrossoldadas devem ser fixadas ao betão por amarrações rectas.
Estas amarrações, a menos do caso referido no n.º 3 deste artigo, devem em geral ter um comprimento superior a 350 mm e incluir o número mínimo de varões transversais a seguir indicado:
Redes simples; redes duplas com varões longitudinais de diâmetro igual ou inferior a 8,5 mm:
Varões de aderência normal - 3 varões transversais;
Varões de alta aderência - 2 varões transversais;
Redes duplas com varões longitudinais de diâmetro superior a 8,5 mm:
Varões de aderência normal - 4 varões transversais;
Varões de alta aderência - 3 varões transversais.
O número de varões transversais e o comprimento mínimo indicados anteriormente podem ser reduzidos na proporção da relação As,cal/As,ef entre a secção de armadura requerida pelo cálculo e a secção de armadura efectivamente adoptada, devendo o número de varões ser obtido por arredondamento ao inteiro superior e o comprimento a utilizar não ser inferior a 100 mm.
2. No caso de elementos sujeitos a acções que determinem variações de tensão de grande amplitude e muito frequentes, o número mínimo de varões transversais indicado no n.º 1 deste artigo deve ser aumentado de uma unidade.
3. No caso de redes constituídas por varões de alta aderência em que não se possa contar com a contribuição dos varões transversais, as amarrações devem ser estabelecidas adoptando as regras indicadas no artigo 78.º para as amarrações rectas de varões.
No caso de redes duplas em que os varões constituam agrupamentos, poder-se-á porém efectuar sempre a amarração conjunta dos varões de cada agrupamento, mas com o comprimento de amarração correspondente ao seu diâmetro equivalente.
4. No caso de redes em que os varões transversais desempenhem também funções resistentes (por exemplo, em lajes armadas em 2 direcções), as amarrações de tais varões devem, obviamente, ser realizadas de acordo com as regras indicadas para os varões longitudinais.
Artigo 80.º
(Amarração de armaduras de pré-esforço)
A amarração das armaduras de pré-esforço deve ser executada por meio dos dispositivos previstos pelo sistema de pré-esforço utilizado, tendo em atenção o estipulado no anexo 3, quanto à difusão do pré-esforço a partir da extremidade da armadura, e o estipulado nos artigos 120.º a 122.º relativamente às condições de resistência do elemento na zona da amarração.
Artigo 81.º
(Emenda de varões de armaduras ordinárias)
1. As emendas dos varões das armaduras ordinárias - que podem ser realizadas por sobreposição, por soldadura ou por meio de dispositivos mecânicos especiais - devem ser empregadas o menos possível e, de preferência, em zonas em que os varões estejam sujeitos a tensões pouco elevadas.
2. As emendas de varões por sobreposição, excepto nos casos referidos em 3, devem ser realizadas de acordo com o disposto nas alíneas seguintes:
a) As amarrações dos varões na zona da sobreposição devem satisfazer o disposto no n.º 2 do artigo 77.º, no que respeita à eventual necessidade de ganchos terminais, e no n.º 3 do artigo 77.º, no que se refere à exigência de uma armadura transversal de cintagem do betão na zona da emenda;
b) Os comprimentos mínimos de sobreposição, lb,o, no caso de varões traccionados, devem satisfazer à expressão:
lb,o = α2 lb,net
não podendo, em caso algum, ser inferiores a 15Φ nem a 200 mm. Nesta expressão, lb,net deve satisfazer as condições indicadas no n.º 4 do artigo 77.º O coeficiente α2 toma os seguintes valores:
α2 = 1,0 para comprimentos de sobreposição de varões comprimidos e para comprimentos de sobreposição de varões traccionados quando menos de 30% dos varões da secção estejam sobrepostos e, de acordo com a Figura 16, quando a ≥ 10Φ e b ≥ 5Φ
α2 = 1,4 para comprimentos de sobreposição de varões traccionados se se verificar apenas uma das condições:
i) 30% ou mais dos varões numa secção estão sobrepostos;
ii) de acordo com a Figura 16, se a < 10Φ ou b < 5Φ.
α2 = 2,0 para comprimentos de sobreposição de varões traccionados se as condições (i) e (ii) se aplicarem simultaneamente.

Figura 16. Avaliação de α2
No caso de varões comprimidos, as emendas por sobreposição devem ser feitas apenas com troços rectos, e os comprimentos mínimos de sobreposição lb,o devem ser iguais ao valor de lb definido no artigo 77.º
c) O número de varões emendados numa mesma secção, no caso de varões traccionados, pode ser a totalidade destes se se tratar de varões de alta aderência de diâmetro inferior a 16 mm, não podendo porém a secção dos varões emendados exceder 1/2 da secção total da armadura se se tratar de varões de diâmetro igual ou superior a 16 mm; no caso de varões de aderência normal, esta relação deve ser considerada igual a 1/2 e 1/4, respectivamente, para cada um daqueles escalões de diâmetro. Para os efeitos destas disposições, somente se pode considerar que duas emendas não estão na mesma secção se, na direcção longitudinal do elemento, a distância entre pontos médios das emendas for superior a 1,5 lb,o.
Nos casos de varões comprimidos, não há condições especiais a respeitar quanto ao número de varões a emendar.
3. As emendas de varões por sobreposição em elementos sujeitos predominantemente a esforços de tracção (tirantes) devem sempre que possível ser evitadas, não podendo porém ser utilizadas se o diâmetro dos varões for superior a 16 mm ou se a percentagem de armadura exceder 1,5.
Para a realização de tais emendas devem aplicar-se, na generalidade, as regras indicadas no n.º 2 deste artigo para as armaduras traccionadas, atendendo porém às seguintes disposições particulares:
a) O número de varões emendados numa mesma secção não deve corresponder a mais de 1/4 da secção total dos varões da armadura;
b) Na determinação do comprimento de sobreposição, lb,o, por aplicação do disposto no n.º 2 deste artigo, alínea b), para o caso de varões traccionados, deve sempre calcular-se lb,net considerando que os varões não se encontram em condições de boa aderência;
c) A armadura transversal de cintagem referida no n.º 3 do artigo 77.º, envolvendo toda a armadura na zona da emenda e distribuída ao longo desta, deve ser constituída por varões não espaçados de mais de 4 vezes o diâmetro do varão emendado.
4. As emendas por sobreposição de agrupamentos de varões devem ser executadas varão a varão e de tal modo que os pontos médios das emendas dos diferentes varões fiquem separados entre si de, pelo menos, 1,3 vezes o comprimento de sobreposição correspondente à emenda dos varões isolados.
5. O disposto nos números anteriores é também aplicável ao caso de emendas por sobreposição com laços, com excepção do valor do comprimento mínimo de sobreposição, lb,o, dado no n.º 2 deste artigo, alínea b), que deve ser tomado igual ao diâmetro interior do laço, acrescido de 7 vezes o diâmetro do varão.
6. As emendas por soldadura somente são de admitir em varões que possuam as necessárias características de soldabilidade, em face do processo de soldadura utilizado.
Para efeitos de dimensionamento, deve considerar-se para secção de um varão soldado, na zona da emenda, somente 80% do seu valor nominal, podendo-se contudo não ter em conta esta penalização se forem satisfeitas simultaneamente as seguintes condições:
- - a soldadura for cuidadosamente realizada e controlada;
- - a secção dos varões soldados numa mesma secção do elemento não exceder 1/5 da secção total da armadura;
- - o elemento não estiver sujeito a acções que determinem esforços com variações de grande amplitude e muito frequentes.
7. A utilização de dispositivos mecânicos especiais para a realização de emendas necessita de adequada justificação.
Artigo 82.º
(Emenda de redes electrossoldadas)
1. As emendas dos varões longitudinais das redes electrossoldadas devem ser realizadas por sobreposição de troços rectos e satisfazer o estipulado nos n.os 2, 3, 4 e 5 deste artigo. Tais emendas só são permitidas em zonas em que a relação As,cal/As,ef, entre a secção de armadura requerida pelo cálculo e a secção de armadura efectivamente adoptada, não seja superior a 0,7.
No caso de redes duplas com varões longitudinais de diâmetro superior a 8,5 mm, só é permitida a realização de emendas desde que a armadura seja constituída por redes sobrepostas, não podendo, no entanto, tais emendas ser realizadas na camada situada junto da face mais traccionada.
2. Os comprimentos mínimos de sobreposição nas emendas, a menos dos casos referidos nos n.os 3 e 4 deste artigo, devem ser em geral superiores a 450 mm e incluir o número mínimo de varões transversais a seguir indicado:
| Varões de aderência normal: | 5 varões transversais; |
| Varões de alta aderência: | 4 varões transversais. |
3. No caso de redes constituídas por varões de alta aderência em que não se possa contar com a contribuição dos varões transversais, os comprimentos de sobreposição nas emendas devem ser determinados de acordo com as regras indicadas no artigo 81.º relativas às emendas de varões por sobreposição de troços rectos.
No caso de redes duplas em que os varões constituam agrupamentos, poder-se-á efectuar a emenda conjunta dos varões de cada agrupamento, mas com o comprimento de sobreposição correspondente ao seu diâmetro equivalente.
4. No caso de elementos sujeitos a acções que determinem variações de tensão de grande amplitude e muito frequentes, não são permitidas emendas de redes constituídas por varões de aderência normal; se os varões forem de alta aderência é permitida a realização de emendas, mas, neste caso, os comprimentos de sobreposição devem ser determinados de acordo com as regras estipuladas no n.º 3 deste artigo.
5. No caso de armaduras constituídas por redes sobrepostas, as emendas destas redes devem ser desfasadas de uma distância pelo menos igual a 1,5 vezes o comprimento mínimo de sobreposição.
6. As emendas dos varões transversais das redes, quando desempenhem apenas funções de armadura de distribuição, devem ser realizadas com comprimentos de sobreposição não inferiores a 200 mm e que incluem, no mínimo, 2 ou 3 varões longitudinais, consoante os varões transversais tenham diâmetro não superior a 6,5 mm ou superior a este valor; no caso previsto no n.º 4 deste artigo, porém, o número de varões referido deve ser aumentado de uma unidade.
Artigo 83.º
(Emenda de armaduras de pré-esforço)
A emenda de armaduras de pré-esforço deve ser realizada por meio dos dispositivos específicos do sistema de pré-esforço utilizado.
CAPÍTULO II
Disposições relativas a elementos estruturais
SECÇÃO I
Vigas
Artigo 84.º
(Armadura longitudinal mínima e máxima)
1. A percentagem da armadura longitudinal de tracção das vigas, ρ, não deve ser inferior ao que resulta das condições expressas no artigo 60.º nem inferior a:
- Esta percentagem é definida pela relação:
| 0,25 | no caso de armaduras de aço A235; |
| 0,18 | no caso de armaduras de aço A335; |
| 0,15 | no caso de armaduras de aço A400; |
| 0,12 | no caso de armaduras de aço A500. |
ρ = As / ( bt d ) x 100
2. A área da armadura longitudinal de tracção ou de compressão não deve exceder 4% da área total da secção da viga.
Artigo 85.º
(Interrupção da armadura longitudinal)
1. A armadura longitudinal de tracção das vigas só pode ser interrompida desde que garanta a absorção das forças de tracção correspondentes a um diagrama obtido por translação, paralela ao eixo da viga, do diagrama de MSd/ z, em que MSd é o valor de cálculo do momento actuante numa dada secção e z é o braço do binário das forças interiores na mesma secção (Figura 17).
O valor da translação, al, depende do valor de cálculo do esforço transverso actuante,Vsd, e do tipo de armadura de esforço transverso, de acordo com o que a seguir é indicado:
Nas zonas em que VSd = 2/3 VRd2:
al = d no caso de estribos verticais;
al = 0,75d no caso de estribos verticais associados a varões inclinados a 45o;
al = 0,5d no caso de estribos inclinados a 45o;
Nas zonas em que VSd > 2/3 VRd2:
os valores indicados anteriormente para al podem ser diminuídos de 0,25d.
Nestas expressões, τRd toma os valores indicados no artigo 47.º e bw e d têm o significado também aí referido.

Figura 17. Comprimentos de amarração
2. Os varões da armadura podem ser dispensados à medida que o diagrama (b) da Figura 17 o permita, devendo ser prolongados, para além dele, dos comprimentos de amarração definidos nos artigos 77.º e 78.º, respectivamente para armaduras ordinárias em geral e para redes electrossoldadas.
3. No caso de os varões da armadura longitudinal, depois de dispensados, serem utilizados como armaduras inclinadas para absorção de esforços transversos, eles devem ser prolongados, para além do troço inclinado, de comprimentos de amarração obtidos dos definidos no artigo 77.º, aumentando-os ou diminuindo-os de 30% consoante a amarração se situe em zona traccionada ou comprimida da viga, respectivamente.
Artigo 86.º
(Armadura longitudinal nos apoios)
1. Nos apoios de encastramento (ou de continuidade), as amarrações que haja necessidade de aí realizar na armadura longitudinal de tracção correspondente ao momento de encastramento devem ser efectuadas com os comprimentos definidos nos artigos 77.º e 78.º, contados a partir de uma secção situada a uma distância da face interior do apoio igual ao menor dos valores seguintes: largura do apoio, 2 vezes a altura útil da viga.
2. Deve ser mantido até aos apoios das vigas (sem mudança de direcção), pelo menos, 1/4 da armadura máxima de tracção correspondente ao momento no vão; as amarrações destas armaduras devem ser realizadas de acordo com os critérios especificados nas alíneas seguintes:
a) Nos apoios com liberdade de rotação (ou com fraco grau de encastramento), as armaduras devem ser amarradas a partir da face interior do elemento de apoio, no caso de apoios directos, e a partir de uma secção situada a uma distância da face interior do apoio igual a 1/3 da largura deste, no caso de apoios indirectos (ver artigo 91.º). Os comprimentos de amarração devem ser determinados segundo os artigos 77.º e 78.º para uma força de tracção nas armaduras, Fs, dada por:
Fs = VSd al / d
em que:
VSd valor de cálculo do esforço transverso actuante no apoio;
al translação referida no artigo 85.º
Contudo, tratando-se de apoios directos, os comprimentos de amarração assim determinados podem ser reduzidos de 1/3, mantendo-se, porém, os mínimos especificados no artigo 78.º, no caso de redes electrossoldadas, e apenas o mínimo de 10Φ indicado no n.º 4 do artigo 77.º, no caso de varões em geral;
b) Nos apoios de encastramento ou de continuidade, as amarrações devem ser efectuadas segundo o critério indicado na alínea anterior para os apoios directos. Se os apoios forem de continuidade, alguns varões da armadura em causa devem transitar de vão para vão, através do apoio, sem interrupção.
Artigo 87.º
(Armadura de esforço transverso)
1. As vigas devem ser armadas ao longo de todo o vão com estribos que abranjam a totalidade da sua altura, os quais devem envolver a armadura longitudinal de tracção e também a armadura de compressão quando esta seja considerada como resistente.
As extremidades dos estribos devem terminar por meio de ganchos, podendo ser empregados cotovelos no caso de varões de alta aderência; estes ganchos e cotovelos devem ser executados com as dimensões indicadas no artigo 78.º
A distância entre 2 ramos consecutivos do mesmo estribo não deve exceder a altura útil da viga nem 600 mm; a percentagem mínima de estribos e o seu espaçamento máximo devem respeitar as condições estabelecidas nos números seguintes.
2. A percentagem de estribos, ρw, não deve, em geral, ser inferior a:
| 0,16, | no caso de armaduras de aço A235; |
| 0,12, | no caso de armaduras de aço A335; |
| 0,10, | no caso de armaduras de aço A400; |
| 0,08, | no caso de armaduras de aço A500. |
Esta percentagem é definida pela relação:
| ρw = |
Asw
|
x 100 |
| bws sin α |
em que:
Asw área total da secção transversal dos vários ramos do estribo;
bw largura da alma da secção, considerada de acordo com o artigo 47.º;
s espaçamento dos estribos;
α ângulo formado pelos estribos com o eixo da viga (45o<α<90o).
Nas zonas das vigas em que se verifique a condição VSd < VRd1, estes valores mínimos da percentagem de estribos podem ser reduzidos multiplicando-os pela relação VSd / VRd1, em que VSd é o valor de cálculo do esforço transverso actuante e VRd1 toma os valores referidos no n.º 4 do artigo 47.º
3. O espaçamento dos estribos, s, deve, no caso de estribos normais ao eixo da viga, respeitar as condições:
nas zonas em que VSd ≤ 1/6 VRd2:
s ≤ 0,9 d, com o máximo de 300 mm;
nas zonas em que 1/6 VRd2 ≤ VSd ≤ 2/3 VRd2;
s ≤ 0,5 d, com o máximo de 250 mm;
nas zonas em que VSd > 2/3 VRd2:
s ≤ 0,3 d, com o máximo de 200 mm.
Nestas expressões, VRd2 toma os valores referidos no artigo 47.º
No caso de os estribos serem inclinados de um ângulo α relativamente ao eixo da viga, os valores do espaçamento indicados podem ser majorados pelo factor (1+cotg α), não excedendo, porém, em qualquer caso, o máximo de 300 mm.
4. Pode considerar-se que a fendilhação devida a efeitos de esforços transversos é convenientemente controlada desde que se respeitem os espaçamentos dos estribos indicados no Quadro 15. Não é necessário fazer nenhuma verificação para os elementos em que 3 VRd1 > VSd, pois nestes casos não ocorrem fendas de esforço transverso sob as cargas de utilização.
Quadro 15. Espaçamento dos estribos
| (VSd-3VRd1) / ρw bw d (MPa) | Espaçamento dos estribos (mm) |
| ≤50 | 300 |
| 75 | 200 |
| 100 | 150 |
| 150 | 100 |
| 200 | 50 |
5. A armadura de esforço transverso constituída por varões inclinados deve, tanto quanto possível, ser disposta simetricamente em relação ao plano de flexão e por forma que os varões não fiquem próximos das faces do elemento. O espaçamento longitudinal, s, destas armaduras não deve exceder 0,9d(1+cotg α), valor que deve ser reduzido a metade quando VSd exceder 2/3 VRd2.
Artigo 88.º
(Armadura de torção)
A armadura transversal de torção deve ser constituída por cintas fechadas por meio de emendas executadas de acordo com o artigo 81.º; o seu espaçamento não deve exceder (1/8) Uk, em que Uk é o perímetro definido no artigo 49.º, com o máximo de 300 mm.
Os varões da armadura longitudinal de torção devem ser dispostos ao longo do contorno interior das cintas, com um espaçamento máximo de 350 mm; em cada vértice do contorno referido deve existir, pelo menos, 1 varão.
Artigo 89.º
(Armadura de alma)
Nas vigas de altura superior a 1 m deve ser disposta uma armadura de alma constituída por varões longitudinais colocados junto das faces laterais da viga e distribuídos ao longo da altura da secção transversal, de preferência na sua zona traccionada.
Esta armadura de alma deve ser constituída por varões do mesmo aço que o da armadura longitudinal de tracção, e a área total da sua secção, em cada face, não deve ser inferior a 4% da área da secção dessa armadura longitudinal.
Artigo 90.º
(Armadura de ligação dos banzos à alma)
Em vigas com banzos, comprimidos ou traccionados, devem dispor-se armaduras de ligação entre os banzos e a alma, distribuídas ao longo dos banzos perpendicularmente aos planos de união paralelos ao plano de flexão da viga.
Estas armaduras devem assegurar a absorção das forças longitudinais desenvolvidas por acção do esforço transverso ao longo daqueles planos de união.
Nos casos correntes em que os banzos sejam betonados conjuntamente com a alma, pode dispensar-se o dimensionamento específico desta armadura, desde que a área da sua secção não seja inferior a metade da área total da secção dos estribos e tenha o mesmo espaçamento destes.
Quando os banzos estejam submetidos a flexão num plano perpendicular ao plano de flexão da viga, as suas armaduras de flexão podem ser consideradas para efeitos de armaduras de ligação.
Artigo 91.º
(Armadura de suspensão. Apoios indirectos)
1. O apoio de uma viga secundária numa viga principal - apoio indirecto - quando haja interpenetração das duas vigas, deve realizar-se por meio de armaduras de suspensão constituídas por estribos adicionais da viga principal, cuja secção seja suficiente para absorver a força de apoio da viga secundária. Estes estribos devem ser distribuídos na zona de intersecção das duas vigas, zona que pode estender-se, ao longo da viga principal, para um e outro lado do eixo da viga secundária, de um comprimento igual ao maior dos seguintes valores: b2/2 e h1/2, sendo b2 a largura da viga secundária e h1, a altura da viga principal.
A área da secção dos estribos de suspensão pode ser reduzida na relação h2/h1, entre as alturas da viga secundária e da viga principal, no caso de ambas as vigas terem as faces superiores ao mesmo nível.
As armaduras longitudinais da viga secundária que terminem na viga principal devem ser amarradas nesta segundo as regras indicadas no artigo 86.º Ao dobrar os varões para realizar esta amarração, os troços dobrados não devem dispor-se em planos perpendiculares à direcção da armadura longitudinal da viga principal.
2. No caso de cargas aplicadas à parte inferior das vigas (cargas suspensas), deve dispor-se de uma armadura de suspensão ligando a zona de aplicação da carga à parte superior da viga, onde deve ser eficientemente amarrada. A área da secção da armadura de suspensão deve ser dimensionada para absorver a totalidade da carga em causa.
Artigo 92.º
(Armadura para absorção de forças de desvio)
As forças que se originam em zonas de mudança de direcção dos esforços internos de compressão ou de tracção e que são dirigidas para o exterior dos elementos (forças de desvio) devem ser convenientemente absorvidas por armaduras.
Observe-se que as forças de desvio ocorrem, em regra, nas zonas comprimidas junto de ângulos salientes das peças e nas zonas traccionadas junto de ângulos reentrantes. Neste último caso, tais forças podem ser absorvidas cruzando as armaduras longitudinais de tracção na zona de mudança de direcção e prolongando-as convenientemente para além desta zona.
SECÇÃO II
Lajes maciças
Artigo 93.º
(Espessura mínima)
1. A espessura das lajes maciças não deve ser inferior aos valores seguintes:
- 50 mm, no caso de lajes de terraços não acessíveis;
- 70 mm, no caso de lajes submetidas principalmente a cargas distribuídas;
- 100 mm, no caso de lajes submetidas a cargas concentradas relativamente importantes;
- 120 mm, no caso de lajes submetidas a cargas concentradas muito importantes;
- 150 mm, no caso de lajes apoiadas directamente em pilares.
2. A espessura das lajes, além dos condicionamentos indicados no número anterior, e a menos de justificação especial com base no estipulado nos artigos 67.º e 68.º, deve satisfazer as condições indicadas no Quadro 12.
Artigo 94.º
(Armadura principal mínima)
A percentagem de armadura principal das lajes não deve ser inferior aos valores mínimos indicados no artigo 84.º para as vigas.
Nas lajes armadas em duas direcções, o condicionamento deste artigo aplica-se a cada uma das duas armaduras principais.
Artigo 95.º
(Espaçamento máximo dos varões da armadura principal)
1. No caso de armaduras ordinárias, o espaçamento dos varões da armadura principal não deve ser superior a 1,5 vezes a espessura da laje, com o máximo de 350 mm.
2. Além das condições referidas no número anterior, o espaçamento máximo dos varões não deve também, nos casos correntes, exceder valores duplos dos indicados no artigo 61.º para as vigas, a menos de justificação especial com base nos artigos 63.º e 65.º
Artigo 96.º
(Interrupção da armadura principal. Armadura nos apoios)
Os critérios a respeitar para a interrupção das armaduras principais das lajes maciças e para o prolongamento de armaduras até aos apoios e sua amarração são idênticos aos estipulados para as vigas nos artigos 85.º e 86.º, respectivamente. Porém, a armadura a prolongar de acordo com o n.º 2 do artigo 86.º deve ser pelo menos 1/2 da armadura máxima de tracção existente no vão, tanto para os apoios com liberdade de rotação (ou com fraco grau de encastramento) como para os apoios de encastramento ou de continuidade. Por outro lado, no caso de lajes sem armadura de esforço transverso, a translação al referida no n.º 1 do artigo 85.º deve ser tomada igual a 1,5 d.
Artigo 97.º
(Armadura de esforço transverso)
1. Nas zonas das lajes em que seja necessário dispor de armadura para resistir a esforço transverso, a percentagem de tal armadura não deve ser inferior aos valores indicados no n.º 2 do artigo 87.º para estribos em vigas, embora possa neste caso incluir varões inclinados.
A armadura de esforço transverso pode ser realizada totalmente por varões inclinados nas zonas em que o esforço transverso actuante por unidade de largura, vSd, não exceda (1/3) τRd d, em que τRd toma os valores indicados no artigo 47.º Porém, nas zonas em que VSd exceda aquele valor, deve realizar-se com estribos uma parte da armadura de esforço transverso que corresponda, pelo menos, à percentagem mínima anteriormente referida.
2. As distâncias entre os varões da armadura de esforço transverso devem, no máximo, ser as seguintes:
na direcção do vão: 1,2d para varões inclinados a 45o e 0,6d para estribos verticais;
na direcção transversal ao vão: 1,5d, com o máximo de 600 mm, tanto para varões inclinados como para ramos de estribos.
Artigo 98.º
(Armadura de distribuição das lajes armadas numa só direcção)
1. Nas lajes maciças armadas numa só direcção devem ser colocadas armaduras de distribuição adequadas, constituídas por varões não espaçados de mais de 350 mm.
Na face da laje oposta à da aplicação das cargas, tal armadura deve ser disposta transversalmente ao vão e a sua secção deve, localmente, ser pelo menos igual a 20% da secção da armadura principal aí existente. No caso, porém, de lajes em consola, aquela percentagem deve ser referida à secção da armadura principal no encastramento, devendo, além disso, dispor-se junto àquela mesma face uma armadura na direcção do vão.
Na face de aplicação das cargas, caso exista armadura principal, deve dispor-se ainda uma armadura de distribuição, colocada transversalmente àquela, e que respeite a condição geral de espaçamento anteriormente referida.
2. No caso de existirem apoios de encastramento ou de continuidade, paralelos à armadura principal da laje (não considerados nas hipóteses de dimensionamento), deve dispor-se sobre esses apoios, em direcção transversal e junto à face superior da laje, uma armadura adequada para resistir aos esforços aí desenvolvidos. Esta armadura deve estender-se, a partir do apoio, de um comprimento pelo menos igual a 1/4 do vão teórico correspondente à armadura principal.
3. No caso da existência de cargas concentradas, há que atender também às disposições contidas no artigo 101.º
Artigo 99.º
(Armadura nos bordos livres)
Ao longo dos bordos livres das lajes deve dispor-se uma armadura constituída, no mínimo, por 2 varões, um junto de cada aresta, e uma armadura transversal ao bordo, envolvendo a primeira e prolongando-se para o interior da laje, junto de ambas as faces, de um comprimento igual pelo menos a 2 vezes a espessura da laje.
A área da secção desta armadura transversal, em cada face, expressa em centímetros quadrados por metro, não deve ser inferior a 0,05d para o aço A235 e a 0,025d para os aços A335, A400 ou A500, sendo d a altura útil da laje, expressa em centímetros; o espaçamento dos varões desta armadura não deve exceder 350 mm.
Para efeitos de constituição das armaduras de bordo podem ser tidas em conta outras armaduras existentes na laje.
Artigo 100.º
(Armadura de punçoamento)
A armadura de punçoamento, constituída por estribos ou varões inclinados, deve ser distribuída em toda a zona da laje compreendida entre o contorno da área directamente carregada e um contorno exterior a este, situado à distância de 1,5d, e os varões que constituem tal armadura não devem ser afastados entre si mais de 0,75d em qualquer direcção.
No caso de varões inclinados, a distância 1,5d que define aquele contorno exterior deve ser referida aos pontos em que os varões intersectam o plano médio da laje; além disso, só devem ser considerados como eficazes os varões que atravessam a zona da laje directamente carregada.
Artigo 101.º
(Armadura das lajes armadas numa só direcção sujeitas a cargas concentradas)
1. A menos de uma análise mais rigorosa, os momentos flectores máximos (no vão e nos apoios) e os esforços transversos nos apoios devidos a cargas concentradas actuando em lajes armadas numa só direcção podem ser calculados assimilando a laje a uma viga com os mesmos vãos, condições de apoio e espessura da laje e com uma largura bm (Figura 18) igual à largura b de distribuição da carga, adiante definida, acrescida da largura b1, obtida a partir das expressões que constam do Quadro 16. Este processo de calculo pressupõe que a carga actua suficientemente afastada dos bordos paralelos à direcção do vão.

Figura 18. Distribuição de cargas em lajes armadas numa só direcção
A zona de distribuição da carga concentrada obtém-se supondo uma degradação segundo linhas a 45º a partir do contorno da área carregada até ao plano situado a meio da altura útil da laje; numa dada direcção, a dimensão b de distribuição será:
b = a + 2h1 + d
em que:
a dimensão da área carregada na direcção considerada;
h1 espessura do revestimento sob a área carregada;
d altura útil da laje.
2. Nas lajes armadas numa só direcção, sujeitas a cargas concentradas, toda a armadura principal respeitante a estas cargas, deve ser disposta numa faixa de largura igual a 0,5 bm, mas não menor que a largura bγ considerada para a distribuição da carga.
Deve dispor-se também, a menos de uma determinação mais rigorosa, uma armadura de distribuição transversal à anterior, colocada junto à face oposta à da aplicação da carga, totalizando a sua secção 60% da secção da armadura principal de flexão respeitante à carga na zona em que esta actua, e distribuída numa faixa de largura igual a 0,5 bm mas não menor que bx. Os varões desta armadura devem estender-se ao longo do comprimento bm e ser prolongados para um e outro lado dos respectivos comprimentos de amarração.
No caso particular de lajes em consola, o valor de 60% que define a secção desta armadura de distribuição deve ser referido à secção da armadura principal exigida no encastramento por acção da carga. Se esta actuar em zona afastada do bordo extremo da consola, deve dispor-se ainda, e também junto à face oposta à de aplicação da carga, uma armadura longitudinal para resistir aos momentos que se desenvolvem localmente nessa direcção.
Quadro 16. Largura de distribuição de cargas concentradas em lajes - Valores de b1

SECÇÃO III
Lajes aligeiradas
Artigo 102.º
(Generalidades)
As regras apresentadas nos artigos seguintes são aplicáveis às lajes essencialmente constituídas por nervuras dispostas numa só ou em duas direcções ortogonais, solidarizadas por uma lajeta de compressão, e podendo conter, nelas incorporados, blocos de cofragem.
Artigo 103.º
(Espessura mínima)
A espessura das lajes aligeiradas deve, a menos de justificação especial com base no estipulado nos artigos 67.º e 68.º, satisfazer as condições indicadas para as lajes maciças no n.º 2 do artigo 93.º
Artigo 104.º
(Largura e espaçamento das nervuras)
1. A largura mínima das nervuras não deve ser inferior a 50 mm e a distância entre faces de nervuras consecutivas não deve ser superior a 800 mm.
2. No caso de lajes armadas numa só direcção, devem dispor-se nervuras transversais de solidarização com largura não inferior a 50 mm e cuja distância entre eixos não seja superior a 10 vezes a espessura da laje; a altura destas nervuras não deve ser inferior a 0,8 vezes a espessura da laje.
Artigo 105.º
(Espessura mínima da lajeta)
A espessura da lajeta, no caso de não existirem blocos de cofragem incorporados, não deve ser inferior a 50 mm; no caso de existirem tais blocos, esta espessura pode ser reduzida a 40 mm consoante a distância entre faces de nervuras consecutivas exceder ou não 500 mm.
Nos casos correntes de pavimentos de edifícios sujeitos a cargas distribuídas de valor moderado, as espessuras mínimas indicadas são em geral suficientes para conferir à lajeta resistência que assegure o seu funcionamento conjunto com as nervuras. No caso de cargas distribuídas de valor elevado ou de cargas concentradas importantes, pode ser necessário adoptar espessuras superiores às mínimas indicadas.
Artigo 106.º
(Armadura das nervuras)
1. As armaduras longitudinal e de esforço transverso das nervuras devem satisfazer o estipulado para as vigas na parte A do presente capítulo.
2. As nervuras transversais de solidarização das lajes armadas numa só direcção devem ser armadas longitudinalmente com varões colocados junto à face oposta à da actuação das cargas; a secção desta armadura deve, no mínimo, ser igual a 10% da secção das armaduras das nervuras principais existentes numa largura igual ao espaçamento das nervuras transversais. Estas nervuras devem também possuir estribos convenientemente espaçados.
Artigo 107.º
(Armadura mínima da lajeta)
A lajeta deve ser armada nas duas direcções com varões cujo espaçamento não exceda 250 mm.
No caso, porém, de lajes armadas numa só direcção, o espaçamento dos varões colocados em direcção paralela à das nervuras principais pode ser aumentado até 350 mm.
SECÇÃO IV
Lajes fungiformes
Artigo 108.º
(Generalidades)
1. Consideram-se lajes fungiformes as lajes contínuas apoiadas directamente em pilares, armadas em duas direcções, e que podem ser aligeiradas nas zonas centrais dos vãos.
2. Aplicam-se a este tipo de lajes, com as adaptações convenientes, as disposições relativas a lajes maciças e a lajes aligeiradas que constam das partes B e C do presente capítulo.
SECÇÃO V
Pilares
Artigo 109.º
(Dimensões mínimas)
1. A dimensão mínima da secção transversal dos pilares não deve ser inferior a 200 mm. No caso de secções constituídas por associações de elementos rectangulares (por exemplo, em T, L ou I), o lado menor dos rectângulos componentes pode ser reduzido a 150 mm, devendo, porém, respeitar-se o mínimo de 200 mm para o comprimento de cada rectângulo.
Nas secções ocas, a espessura mínima das paredes não deve ser inferior a 100 mm.
2. Em qualquer caso, e de acordo com o artigo 52.º, a esbelteza, λ, dos pilares não deve exceder 140.
Artigo 110.º
(Armadura longitudinal)
1. A secção total da armadura longitudinal dos pilares não deve ser inferior a 0,8% da secção do pilar, no caso de armaduras de aço A235, e a 0,6% no caso de armaduras de aço A335, A400 ou A500.
Porém, se a secção de betão for por si só suficiente para conferir ao pilar resistência superior à exigida pelos esforços actuantes de cálculo, a armadura mínima a utilizar pode ser reduzida, aplicando as percentagens referidas não à secção do pilar mas a uma secção fictícia, homotética daquela, estritamente necessária para assegurar ao pilar a resistência àqueles esforços; na determinação desta secção, os parâmetros relacionados com encurvadura podem continuar a ser referidos à secção real do pilar. Contudo, a secção total da armadura longitudinal não pode, em caso algum, ser inferior a 0,4% da secção real do pilar para o aço A235 e a 0,3 % para os aços A335, A400 ou A500.
2. A secção total da armadura longitudinal não deve ser superior a 8% da secção do pilar, limite que deve ser respeitado mesmo em zonas de emenda de varões por sobreposição.
3. A armadura longitudinal deve compreender, no mínimo, 1 varão junto de cada ângulo da secção (saliente ou reentrante) e 6 varões no caso de secções circulares ou a tal assimiláveis. O diâmetro mínimo destes varões é de 12 mm, para o aço A235, A335, A400 ou A500.
4. O espaçamento dos varões da armadura longitudinal não deve exceder 300 mm; porém, em faces cuja largura seja igual ou inferior a 400 mm, basta dispor de varões junto aos cantos.
Artigo 111.º
(Armadura transversal)
1. Os pilares devem possuir armadura transversal destinada a cintar o betão e impedir a encurvadura dos varões da armadura longitudinal.
O espaçamento dos varões da armadura transversal não deve exceder o menor dos seguintes valores:
- - 12 vezes o menor diâmetro dos varões da armadura longitudinal;
- - a menor dimensão da secção do pilar;
- - 300 mm.
2. Sempre que se utilizem nas armaduras longitudinais varões com diâmetro igual ou superior a 25 mm, a armadura transversal deve ser constituída por varões de diâmetro não inferior a 8 mm.
3. A forma das armaduras transversais deve ser tal que cada varão longitudinal seja abraçado por ramos dessas armaduras formando ângulo, em torno do varão, não superior a 135o. A condição relativa ao ângulo referido pode ser dispensada no caso de varões que não sejam de canto e que se encontrem a menos de 150 mm de varões em que se cumpra tal condição; não é necessário também respeitar a referida condição de ângulo no caso de pilares de secção circular ou a tal assimiláveis.
4. Nas zonas dos pilares situadas junto à sua ligação com outros elementos (vigas, fundações) ou em zonas de mudança de direcção das armaduras longitudinais, é conveniente reforçar a armadura transversal, diminuindo o seu espaçamento ou aumentando o seu diâmetro; esta armadura reforçada deve ser estendida a toda a altura dos nós das estruturas reticuladas.
Chama-se ainda a atenção para que os nós das estruturas devem ser objecto de tratamento cuidadoso do ponto de vista da disposição e dimensionamento das armaduras, em face das diferentes forças transmitidas pelos elementos que neles concorrem.
SECÇÃO VI
Paredes
Artigo 112.º
(Generalidades)
1. As disposições referidas nos artigos 113.º a 116.º são, em princípio, aplicáveis a todos os tipos de paredes, independentemente do seu modo de funcionamento. No entanto, paredes que desempenhem funções particulares, tais como paredes de contraventamento ou paredes destinadas fundamentalmente a resistir a forças aplicadas no seu plano (vulgarmente designadas na literatura por shear-walls), exigem normalmente disposições construtivas complementares.
Artigo 113.º
(Espessura mínima)
A espessura mínima das paredes não deve ser inferior a 100 mm e a sua esbelteza, λ, definida de acordo com o n.º 1 do artigo 52.º, não deve exceder 120.
Artigo 114.º
(Armadura vertical)
1. A secção total da armadura vertical das paredes não deve ser inferior a 0,4% da secção da parede, no caso de armaduras de aço A235, e a 0,3% no caso de armaduras de aço A335, A400 ou A500.
2. A secção total da armadura vertical não deve ser superior a 4% da secção da parede.
3. Os varões da armadura vertical devem ser distribuídos pelas duas faces da parede com espaçamentos não superiores a 2 vezes a espessura desta, com o máximo de 300 mm.
Artigo 115.º
(Armadura horizontal)
1. Nas paredes devem dispor-se armaduras horizontais colocadas junto de ambas as faces, exteriormente à armadura vertical; sendo b a espessura da parede, a secção desta armadura em cada face e numa altura a não deve ser inferior a:
| 0,001b a | no caso de armaduras de A235; |
| 0,0005b a | no caso de armaduras de aço A335, A400 ou A500. |
2. Os varões de armadura horizontal não devem ser espaçados mais de 300 mm.
Artigo 116.º
(Armadura de cintagem)
Quando a secção total da armadura vertical exceder 2% da secção da parede, esta armadura deve ser convenientemente cintada de acordo com os mesmos critérios estabelecidos no artigo 111.º para os pilares, com excepção das condições aí referidas relativas ao espaçamento das armaduras, o qual não deve exceder o menor dos seguintes valores:
- - 16 vezes o menor diâmetro dos varões da armadura vertical;
- - 2 vezes a espessura da parede;
- - 300 mm.
SECÇÃO VII
Vigas-parede
Artigo 117.º
(Armadura principal)
A armadura correspondente aos tirantes considerados no modelo de cálculo deve ser totalmente amarrada para além dos nós, dobrando-se os varões, utilizando cintas em U ou por meio de dispositivos de amarração, a não ser que exista um comprimento suficiente entre o nó e a extremidade da viga que possibilite um comprimento de amarração igual a lb,net.
Artigo 118.º
(Armadura de alma)
As vigas-parede devem, normalmente, dispor de uma armadura distribuída ao longo de ambas as faces, sendo o efeito de cada uma delas equivalente ao de uma rede ortogonal com uma percentagem de armadura de pelo menos 0.15% em ambas as direcções.
SECÇÃO VIII
Consolas curtas
Artigo 119.º
(Armadura mínima. Distribuição da armadura)
1. A armadura correspondente aos tirantes considerados no modelo de cálculo deve ser totalmente amarrada para além do nó sob a placa de apoio, utilizando-se cintas em U ou dispositivos de amarração, a não ser que exista um comprimento lb,net entre o nó e o parâmento exterior da consola curta. O comprimento lb,net deve ser medido a partir do ponto em que as tensões de compressão mudam de direcção.
2. Nas consolas curtas com h ≥ 300 mm, quando a área do tirante horizontal principal As for tal que:
As ≥ 0,4Ac fcd/fyd
em que Ac representa a área da secção de betão da consola junto ao pilar, devem distribuir-se estribos fechados, com uma área total de pelo menos 0,4 As, ao longo da altura útil d, a fim de ter em conta as tensões de tracção transversais às escoras de betão. Esses estribos podem ser colocados na horizontal ou inclinados (Figura 19).

Figura 19. Estribos horizontais e inclinados
SECÇÃO IX
Zonas de elementos sujeitas a forças concentradas
Artigo 120.º
(Generalidades)
As zonas dos elementos na vizinhança da actuação de forças concentradas devem ser objecto de verificações específicas, tendo como base resultados obtidos por meio da teoria da elasticidade ou por consideração de equilíbrios de sistemas internos de esforços, devidamente apoiados por comprovações experimentais.
A segurança destas zonas pode ser, em geral, garantida através de uma limitação da pressão local exercida no betão e da colocação de armaduras para fazer face às tensões de tracção transversais a que as forças concentradas dão origem.
Artigo 121.º
(Verificação da pressão local no betão)
1. A segurança em relação ao esmagamento do betão, na zona de actuação de uma força concentrada, considera-se satisfeita desde que se verifique a seguinte condição:
FSd ≤ pcRd Ao
em que:
FSd valor de cálculo da força concentrada;
pcRd valor de cálculo da pressão local a que o betão pode resistir;
Ao área sobre a qual se exerce directamente a força.
O valor de pcRd é dado pela seguinte expressão:

em que:
fcd valor de cálculo da tensão de rotura do betão à compressão;
A1 maior área delimitada por um contorno fictício contido no contorno da peça e com o mesmo centro de gravidade de Ao (ver Figura 20); no caso de várias forças, as respectivas áreas A1 não devem sobrepor-se.
Em qualquer caso, porém, não pode considerar-se um valor de pcRd superior a 3,3 fcd.

Figura 20. Definição das áreas Ao e A1
2. No caso de o betão, à data de aplicação das forças concentradas, não ter atingido a idade de 28 dias, deve substituir-se na expressão anterior fcd por fck,j /γc, sendo fck,j o valor característico da tensão de rotura do betão à compressão, referido a provetes cilíndricos, determinado para a idade j em consideração, e γc o factor parcial de segurança cujo valor é 1,5.
Artigo 122.º
(Tensões de tracção a absorver. Caso de uma só força concentrada)
As tensões de tracção transversais originadas pela actuação de uma força concentrada na superfície do elemento devem ser absorvidas por armaduras, dispostas em planos normais à direcção de actuação da força e segundo duas direcções ortogonais.
Em cada uma destas direcções, as armaduras devem ser dimensionadas para absorver a força de tracção resultante, Ft1,Sd, dada pela expressão:
| Ft1,Sd = 0,3 FSd | ﴾ | 1 - |
a0
|
﴿ |
| a1 |
em que:
FSd valor de cálculo da força aplicada;
a0, a1 dimensões, segundo a direcção considerada, das áreas A0 e A1 definidas no artigo 121.º (ver Figura 21).

Figura 21. Definição das dimensões a0 e a1
Em cada direcção, a secção de armadura, As, deve ser determinada pela expressão:
| As = |
Ft1,Sd
|
| fsyd |
em que fsyd é o valor de cálculo da tensão de cedência ou da tensão limite convencional de proporcionalidade a 0,2% do aço. No caso de se tratar de zonas de amarração de armaduras de pré-esforço, não deve tomar-se para fsyd um valor superior a 270 MPa.
As armaduras devem, em cada direcção, ficar contidas num prisma de base A1 e altura igual a a1 (Figura 21) e ser repartidas em profundidade, entre as cotas 0,1a1 e a1, tendo em consideração que a resultante Ft1,Sd se situa à cota 0,4a1, e devem ser convenientemente amarradas de forma a garantir o seu funcionamento eficiente ao longo do comprimento a1. A cada nível, as armaduras devem distribuir-se numa largura igual à dimensão correspondente da área A1 na direcção normal à direcção considerada.
TÍTULO IV
Execução dos trabalhos e garantia de qualidade
CAPÍTULO I
Execução dos trabalhos
SECÇÃO I
Tolerâncias
Artigo 123.º
(Generalidades)
As tolerâncias de execução a respeitar devem ser as indicadas no projecto. Nos casos correntes, as tolerâncias devem satisfazer o estipulado nos artigos seguintes.
Os casos tratados nos artigos seguintes dizem apenas respeito a algumas características dimensionais das peças, que têm directa influência na sua resistência e peso e, consequentemente, na própria segurança das estruturas; não são tratados desvios com efeitos semelhantes, tais como desaprumo e desalinhamento de pilares, devendo no entanto ser devidamente considerados.
Os valores de tolerâncias indicados nos artigos seguintes correspondem a técnicas de execução habituais, embora cuidadas, não devendo obviamente perder-se de vista a necessidade de, em todos os casos, se procurar cumprir, tanto quanto possível, os valores nominais previstos no projecto. Note-se que os valores estipulados não se referem a elementos pré-fabricados industrialmente, em relação aos quais se podem exigir tolerâncias bastante mais severas.
As tolerâncias de construção com reflexos na utilização da obra, como as relativas a espaços a preencher por outros elementos ou componentes da construção (divisórias, janelas, determinados equipamentos, etc.), devem ser especificadas no projecto, não sendo porém do âmbito do presente regulamento.
Artigo 124.º
(Dimensões das secções)
As dimensões das secções de betão - altura total de vigas e lajes, largura (e espessura de alma) de vigas, dimensões de secções de pilares - devem satisfazer as tolerâncias Δa a seguir indicadas, em que a representa a dimensão em causa:
| para a<400 mm | Δa= ± 0,05 a |
| para a≥400 mm | Δa= ± 20 mm |
Artigo 125.º
(Posicionamento das armaduras ordinárias)
O posicionamento das armaduras ordinárias deve ser tal que a altura útil dos elementos, d, satisfaça as tolerâncias Δd a seguir indicadas:
| para d≤200 mm | Δd = ± 0,075 d |
| para 200<d<400 mm | Δd = ± (0,05 d + 5 mm) |
| para d≥400 mm | Δd = ± 25 mm |
Artigo 126.º
(Posicionamento das armaduras de pré-esforço)
1. O posicionamento das armaduras de pré-esforço deve satisfazer as tolerâncias a seguir indicadas:
a) Segundo a altura do elemento, sendo d a altura útil:
| para d ≤200 mm | Δd = ± 0,025 d |
| para 200<d<1 000 mm | Δd = ± 5 mm |
| para d ≥ 1 000 mm | Δd = ± 10 mm |
b) Segundo a largura do elemento, sendo b a largura ao nível da armadura em causa:
| para b ≤200 mm | Δb = ± 5mm |
| para 200< b<1 000 mm | Δb = ± 10 mm |
| para b ≥1000 mm | Δb = ± 20 mm |
2. No caso de a armadura ser constituída por vários componentes, as tolerâncias de posicionamento individual podem exceder as indicadas no número anterior, sem ultrapassar, porém, o limite de ± 25 mm, desde que a posição da resultante das forças de pré-esforço respeite aquelas tolerâncias.
Artigo 127.º
(Recobrimento das armaduras)
A tolerância do recobrimento das armaduras é de -5 mm.
SECÇÃO II
Moldes e cimbres
Artigo 128.º
(Características gerais dos moldes e cimbres)
Os moldes e cimbres devem ser concebidos e construídos de modo a satisfazer as seguintes condições:
a) Suportarem com segurança satisfatória as acções a que vão estar sujeitos, em particular as resultantes do impulso do betão fresco durante a sua colocação e compactação;
b) Terem rigidez suficiente para não sofrerem deformações excessivas, de modo que a forma da estrutura executada corresponda, dentro das tolerâncias previstas, à estrutura projectada;
c) Serem suficientemente estanques para não permitirem a fuga da pasta ligante; no caso de serem constituídas por materiais absorventes de água, devem ser abundantemente molhados antes da betonagem, tendo-se o cuidado, no entanto, de remover toda a água em excesso;
d) Permitirem fácil desmoldagem, que não provoque danos no betão e tenha em conta o plano de desmoldagem previsto, podendo ser necessária a utilização de dispositivos especiais (cunhas, caixas de areia, parafusos, macacos, etc.);
e) Permitirem a aplicação correcta dos pré-esforços, sem contrariar os deslocamentos ou as deformações correspondentes;
f) Disporem, se necessário, de aberturas que permitam a sua conveniente limpeza e inspecção antes da betonagem e facilitem a colocação e compactação do betão;
g) Terem superfícies de moldagem com características adequadas ao aspecto pretendido para a peça desmoldada.
Artigo 129.º
(Desmoldagem e descimbramento)
1. As operações de desmoldagem e de descimbramento somente devem ser realizadas quando a estrutura tiver adquirido resistência suficiente (pelo endurecimento do betão e, quando for o caso, pela aplicação de pré-esforço) não só para que seja satisfeita a segurança em relação aos estados limites últimos mas também para que não se verifiquem deformação e fendilhação inconvenientes. Tais operações devem ser conduzidas com os necessários cuidados, de modo a não provocar esforços prejudiciais, choques ou fortes vibrações.
2. Nos casos correntes e a menos de justificação especial, em condições normais de temperatura e humidade e para betões com coeficientes de endurecimento correntes, os prazos mínimos para a retirada dos moldes e dos escoramentos, contados a partir da data de conclusão da betonagem, são os indicados no Quadro 17.
Aos prazos de desmoldagem e descimbramento indicados no quadro deve adicionar-se o número de dias em que a temperatura do ar, no local da obra, se tenha mantido inferior a 5oC, durante e depois da betonagem.
Quadro 17. Prazos mínimos de desmoldagem e descimbramento
| Moldes e escoramentos | Tipo de elemento | Prazo (dias) |
| Moldes de faces laterais |
Vigas, pilares, paredes |
3(1) |
| Moldes de faces inferiores |
Lajes (3) l ≤ 6m |
7 |
|
Vigas |
14 |
|
| Escoramentos |
Lajes (3) l ≤ 6m |
14(2) |
|
Vigas |
21(2) |
(1) Este prazo pode ser reduzido para 12 h se forem tomadas precauções especiais para evitar danificações das superfícies.
(2) Este prazo deve ser aumentado para 28 dias no caso de lajes e vigas que, na ocasião do descimbramento, fiquem sujeitas a acções de valor próximo do que, satisfeita a segurança, corresponde à sua capacidade resistente.
(3) No caso de lajes em consola, deve tomar-se como vão, l, o dobro do balanço teórico.
3. Nos casos especiais, ou nos casos tratados no número anterior em que se pretenda não cumprir o ali especificado, os prazos de desmoldagem e descimbramento devem ser estabelecidos e justificados tendo em atenção o preceituado no n.º 1 deste artigo e atendendo à evolução das propriedades mecânicas do betão, convenientemente determinadas por ensaios. Não poderá, no entanto, proceder-se à retirada dos moldes de faces inferiores e dos escoramentos de lajes e vigas antes que o betão atinja uma resistência à compressão superior ao dobro da tensão máxima resultante das acções a que a peça fica então sujeita, com o mínimo de 10 MPa.
Chama-se a atenção para que, segundo o estipulado no n.º 4 do artigo 149.º, as datas de desmoldagem e descimbramento dos diversos elementos devem ser devidamente anotadas no livro de registo da obra juntamente com todos os elementos de informação pertinentes às correspondentes decisões.
SECÇÃO III
Armaduras ordinárias
Artigo 130.º
(Transporte e armazenamento das armaduras)
1. O transporte e o armazenamento das armaduras devem ser efectuados de modo a evitar, entre a recepção e a colocação em obra, deteriorações tais como:
mossas ou entalhes;
reduções de secção devidas a corrosão;
deposição na superfície de substâncias que possam prejudicar quimicamente o aço ou o betão ou que tenham efeito desfavorável sobre a aderência;
perda da possibilidade de identificação.
2. No caso de armaduras prefabricadas, há que cuidar, em especial, da manutenção da sua forma e das posições relativas dos varões que as constituem.
Artigo 131.º
(Corte e dobragem de varões)
1. O corte dos varões deve ser feito, de preferência, por meios mecânicos.
2. A dobragem dos varões, em que se respeita o estipulado no artigo 75.º, deve ser feita por meios mecânicos, a velocidade constante, com auxílio de mandris, de modo a assegurar um raio de curvatura constante na zona dobrada.
Não é permitido aquecimento com maçarico a fim de facilitar a operação de dobragem, a menos que se prove que uma tal operação não altera as características mecânicas do aço.
3. No caso de a temperatura ambiente ser baixa (inferior a cerca de 5oC), devem ser tomadas precauções especiais na dobragem dos varões, tais como reduzir a velocidade de dobragem, aumentar os raios de curvatura ou até aquecer ligeiramente a zona a dobrar.
4. Só é permitido efectuar desdobragem de varões nos casos especiais em que tal seja indispensável (varões de espera, por exemplo) e desde que, obviamente, a operação não danifique os varões.
Artigo 132.º
(Soldadura de varões)
A soldadura de varões só é permitida em armaduras ordinárias de diâmetro não inferior a 10 mm. A soldadura pode ser utilizada para emendar varões (topo a topo ou com sobreposição lateral) ou para posicionamento relativo dos varões de uma armadura.
As soldaduras a maçarico ou por forjagem não devem ser utilizadas.
Artigo 133.º
(Emenda e amarração de varões)
1. As emendas e as amarrações de varões, que devem respeitar o disposto nos artigos 77.º, 79.º, 81.º e 82.º, devem ser cuidadosamente realizadas de acordo com o projecto.
2. As emendas por soldadura só devem ser realizadas em troços rectilíneos dos varões, salvo casos especiais devidamente justificados.
3. Nas emendas por soldadura com sobreposição lateral, o comprimento dos cordões individuais não deve exceder 5 vezes o diâmetro do varão; a distância entre cordões sucessivos não deve ser inferior ao mesmo valor.
4. Nas emendas por soldadura topo a topo de varões endurecidos a frio por torção é necessário eliminar as pontas não torcidas.
Artigo 134.º
(Montagem e colocação das armaduras)
1. A montagem das armaduras deve ser efectuada de modo a respeitar as dimensões do projecto, dentro das tolerâncias prescritas (artigo 125.º), e a assegurar suficiente rigidez de conjunto para que a armadura mantenha a sua forma durante o transporte, a colocação e a betonagem. Devem ainda ter-se presentes os condicionamentos ligados à colocação e à compactação do betão.
2. A colocação das armaduras nos moldes deve ser feita de modo a respeitar os recobrimentos previstos no projecto. Os posicionadores a utilizar devem ser convenientemente envolvidos pelo betão, não devem prejudicar a betonagem nem devem contribuir para o enfraquecimento da peça, quer directamente quer facilitando a acção agressiva do meio ambiente; devem, além disso, ser constituídos por materiais inertes relativamente ao betão e ao aço das armaduras, e ser adequados ao tipo de acabamento pretendido para as superfícies da peça.
SECÇÃO IV
Armaduras de pré-esforço
Artigo 135.º
(Transporte e armazenamento das armaduras)
As armaduras de pré-esforço, as bainhas e os dispositivos de amarração e de emenda devem ser convenientemente protegidos durante o seu transporte e armazenamento, o qual deve ser feito ao abrigo da chuva, da humidade do solo e de ambientes agressivos. Em particular, devem evitar-se deteriorações tais como:
corrosões devidas a agentes químicos, electroquímicos ou biológicos;
deformações excessivas das armaduras;
entalhes ou mossas, especialmente das bainhas;
perda de estanquidade das bainhas;
deposição, nas superfícies, de substâncias que possam prejudicar a aderência;
danos resultantes de aquecimento provocado por chama ou por partículas projectadas por soldaduras feitas na proximidade.
Para evitar deformações excessivas das armaduras de pré-esforço, o seu transporte e armazenamento em bobinas só é permitido para fios e cordões, não podendo este processo ser utilizado no caso de varões. O diâmetro do núcleo das bobinas deve ser suficientemente grande (em geral não inferior a 200Φ), de modo que as armaduras possam recuperar a forma recta quando desenroladas.
Artigo 136.º
(Corte e dobragem das armaduras)
1. O corte das armaduras de pré-esforço deve, de preferência, ser feito por meios mecânicos convenientes (discos abrasivos de alta velocidade, serras de aço rápido, etc.). O corte a maçarico oxi-acetilénico pode também ser utilizado desde que a operação seja realizada com excesso de oxigénio, se tomem precauções para evitar o contacto da chama com os dispositivos de amarração ou outros cabos e desde que seja feito a uma distância não inferior a cerca de 30 mm do dispositivo de amarração.
O corte de armaduras sob tensão deve ser evitado.
2. No caso de processos especiais de pré-esforço que exijam dobragem de armaduras, esta deve ser feita de acordo com as especificações do processo em causa, utilizando meios mecânicos, a velocidade constante, e de forma a assegurar um raio de curvatura constante na zona dobrada.
A desdobragem de armaduras de pré-esforço não é permitida.
Artigo 137.º
(Emenda e amarração das armaduras)
As emendas e as amarrações das armaduras de pré-esforço devem ser executadas por meio dos dispositivos específicos do processo de pré-esforço utilizado e de acordo com as técnicas nele previstas.
Artigo 138.º
(Montagem e colocação das armaduras)
1. A montagem e a colocação das armaduras de pré-esforço devem ser efectuadas de acordo com o projecto e com as exigências do processo de pré-esforço utilizado. Deve atender-se, em especial, aos aspectos ligados ao recobrimento e ao espaçamento das armaduras, ao seu posicionamento de acordo com as tolerâncias previstas (artigo 126.º) e à facilidade de betonagem.
2. Os dispositivos de posicionamento devem satisfazer as exigências indicadas no n.º 2 do artigo 134.º Em particular, devem ser suficientemente rígidos e próximos de forma a impedir o deslocamento das armaduras ou das bainhas durante a betonagem.
A utilização da soldadura para o posicionamento das bainhas só é permitida se estas não contiverem já as armaduras no seu interior e desde que se tomem os cuidados necessários para evitar danos nas bainhas.
3. As armaduras, bainhas e dispositivos de amarração devem, antes da sua montagem, ser limpos de matérias prejudiciais (carepa de laminagem, ferrugem, óleo, etc.); o ar comprimido usado para limpeza das bainhas não deve conter óleo e água em teores prejudiciais.
A utilização de processos não adequados para o posicionamento das armaduras pode originar alterações sensíveis nos pré-esforços aplicados (forças e momentos), não só devido ao aumento de atrito em resultado de ondulações excessivas das bainhas mas também devido a variações das excentricidades.
O traçado das armaduras deve ser regular e sem mudanças bruscas de direcção e deve ser devidamente referenciado no projecto, de modo a permitir correcto posicionamento e fácil verificação. Nas zonas de amarração o posicionamento das armaduras deve ser particularmente cuidado.
Chama-se ainda a atenção para que os posicionadores devem também impedir a eventual subida das bainhas durante a betonagem, por efeito da impulsão exercida pelo betão fresco.
Artigo 139.º
(Bainhas)
1. As bainhas a utilizar, cuja constituição e características devem ser conformes às exigências do projecto, devem possuir flexibilidade suficiente para se adaptarem ao traçado das armaduras (embora com rigidez que lhes permita manter a forma da secção), ser posicionadas de acordo com o estipulado no artigo 138.º e ser estanques relativamente ao betão fresco.
2. As superfícies exterior e interior das bainhas devem apresentar características que favoreçam a aderência do betão e do material de injecção.
As bainhas devem ainda possuir respiradouros, não só nas extremidades, como também nas zonas altas do seu traçado; no caso de bainhas de grande comprimento, devem ainda existir respiradouros suplementares convenientemente espaçados.
Devem ser tomadas as precauções necessárias para que os respiradouros não sejam acidentalmente obstruídos antes da injecção e, bem assim, para que não entre água ou outras matérias estranhas nas bainhas.
3. A fim de facilitar a injecção das bainhas, estas devem ter secção interior superior a 2 vezes a secção da armadura e diâmetro interior que seja superior em 10 mm, pelo menos, ao diâmetro da armadura, valores estes que devem ser aumentados no caso de armaduras verticais ou muito inclinadas.
4. Nas emendas de bainhas que haja necessidade de realizar devem ser tomados os cuidados adequados para assegurar a manutenção da estanquidade.
SECÇÃO V
Fabrico, colocação e cura do betão
Artigo 140.º
(Fabrico e colocação do betão)
O fabrico e a colocação em obra do betão devem ser executados de acordo com as regras estabelecidas na NB.
Artigo 141.º
(Cura do betão)
1. A cura do betão deve, em condições correntes, ser efectuada de acordo com o preceituado na NB.
2. Os processos especiais de cura do betão, eventualmente utilizados, devem ser aplicados de acordo com uma técnica de eficácia comprovada. Devem além disso, ter-se em conta as eventuais alterações das propriedades do betão motivadas por tais processos, em particular no que se refere à evolução da resistência no tempo, à relação entre as resistências à compressão e à tracção e às propriedades reológicas (retracção e fluência).
SECÇÃO VI
Operações de pré-esforço
Artigo 142.º
(Operações preliminares)
A aplicação dos pré-esforços deve ser precedida das verificações necessárias para assegurar que é possível realizar esta operação de acordo com as exigências do projecto e do processo de pré-esforço a utilizar e com as adequadas precauções quanto à segurança do pessoal e do equipamento. Em particular, deve verificar-se:
se o betão adquiriu a resistência exigida;
se as armaduras não estão impedidas de deslizar nas bainhas ou nas condutas;
se o elemento a pré-esforçar possui a liberdade de deformação que lhe é exigida para receber o pré-esforço;
se o espaço para a operação dos macacos é suficiente em face dos deslocamentos previstos;
se os dispositivos de amarração estão bem posicionados e se é possível colocar em posição definitiva as peças de bloqueamento.
É condição essencial para a correcta aplicação do pré-esforço a liberdade de movimento das armaduras dentro das bainhas ou condutas. Neste sentido, estas devem ser inspeccionadas imediatamente após a betonagem, a fim de detectar eventual obstrução; para isso, poder-se-á insuflar ar comprimido ou fazer jogar o cabo, se este já se encontrar montado, ou fazer passar um objecto-testemunha em caso contrário. Em casos especiais pode ser necessário comprovar, através de ensaios efectuados na obra, o valor das perdas por atrito nas bainhas.
Artigo 143.º
(Aplicação do pré-esforço)
1. As operações de aplicação do pré-esforço devem ser realizadas por pessoal devidamente qualificado, observando todos os requisitos técnicos inerentes ao processo de pré-esforço utilizado e de acordo com o programa pré-estabelecido.
2. O controlo dos valores do pré-esforço deve ser feito simultaneamente por medição das forças aplicadas e por verificação do alongamento das armaduras. A aplicação das forças deve ser feita sempre de modo contínuo e regular.
Todos os elementos relativos a estes controlos devem, de acordo com o n.º 4 do artigo 149.º, ser devidamente anotados no livro de registo da obra.
3. No caso de elementos pré-tensionados, a transferência do pré-esforço deve, sempre que possível, ser feita simultaneamente por todas as armaduras e de modo gradual.
4. No caso de elementos pré-tensionados, devem ser cuidadosamente respeitadas as indicações do projecto relativas à ordem de aplicação do pré-esforço nas diversas armaduras (e, eventualmente, às fases desta aplicação); igualmente devem ser seguidas as instruções relativas às extremidades das armaduras em que devem actuar os macacos.
Artigo 144.º
(Protecção das armaduras)
1. As armaduras pós-tensionadas devem ser, no menor prazo possível após a aplicação do pré-esforço, convenientemente protegidas contra a corrosão, o que é usualmente conseguido por injecção de produtos apropriados nas condutas ou nas bainhas. Cuidados semelhantes devem ser tidos em relação aos dispositivos de amarração.
2. Os materiais de injecção a utilizar (salvo nos casos particulares de protecções provisórias) devem apresentar boa aderência às armaduras e às bainhas ou condutas e possuir resistência mecânica suficiente. As caldas de cimento a empregar para este fim devem satisfazer as condições indicadas no artigo 145.º
3. A injecção deve ser executada de modo a assegurar o preenchimento completo dos espaços entre a armadura e a conduta ou a bainha. Na sua execução devem ser respeitadas as regras indicadas no artigo 146.º
É em geral recomendável não exceder o prazo de 7 dias entre a aplicação do pré-esforço e a protecção da armadura. Razões de alta agressividade ambiente (por exemplo, humidade e temperatura elevadas) podem aconselhar a redução deste prazo.
No caso, porém, de, por circunstâncias particulares (construtivas, climáticas, etc.), o prazo ter de ser dilatado, deve proceder-se a uma protecção provisória por meio de processos e produtos adequados que, no entanto, não venham a prejudicar a aderência.
No caso de decorrer bastante tempo (2 a 3 meses) entre a colocação das armaduras e das bainhas e a aplicação do pré-esforço, há que, igualmente, conferir-lhe adequada protecção durante tal situação.
Artigo 145.º
(Caldas de injecção)
1. As caldas de cimento para injecção de bainhas devem satisfazer os condicionamentos impostos para os seus componentes na NB, em particular no que se refere à presença de iões agressivos.
A sua composição deve conferir-lhes as necessárias características de fluidez e de resistência, com uma razão água/cimento tão baixa quanto possível, podendo para o efeito ser utilizados adjuvantes adequados, os quais, igualmente, não devem conter substâncias agressivas para as armaduras. O cimento deve ser de fabricação recente e, no momento da sua aplicação, encontrar-se a temperatura inferior a 40º C.
2. A resistência à compressão da calda endurecida, determinada aos 7 dias de idade sobre provetes cúbicos com área das faces de 5 000 mm2, não deve ser inferior a 17 MPa.
3. O fabrico da calda deve ser feito mecanicamente (lançando no misturador primeiro a água e depois o cimento), de modo a obter a necessária homogeneidade, e não deve demorar mais de 5 minutos.
A calda deve ser utilizada num prazo que não exceda meia hora, a menos que sejam empregados retardadores de presa; entretanto, deve ser continuamente agitada. Antes da sua utilização, convém fazê-la passar por um peneiro.
A determinação da resistência à compressão das caldas endurecidas deve ser efectuada seguindo, na medida do possível, os critérios e as normas adoptados para a determinação da resistência à compressão do betão.
Outras características das caldas de injecção que podem ter interesse em certos casos são, por exemplo, a resistência à congelação, a exsudação e as variações volumétricas.
Artigo 146.º
(Injecção das bainhas)
1. A injecção das bainhas deve ser efectuada através do ponto de injecção situado a cota mais baixa. No caso, porém, de não haver grande diferença de cotas ao longo da bainha, a injecção pode ser realizada por uma das extremidades.
2. A injecção deve ser contínua, com avanço de 6 a 12 m/min ao longo da bainha, e não deve ser interrompida até que a calda que vai saindo pelos vários respiradouros (que vão sendo progressivamente obturados) tenha consistência idêntica à da calda no ponto de injecção.
3. A injecção deve ser efectuada por bomba mecânica (e não por ar comprimido), assegurando o caudal necessário a uma pressão máxima de 2 MPa, valor este que deve ser limitado por válvula automática. Todo o equipamento deve ser concebido de modo a evitar que seja introduzido ar na bainha.
4. A injecção de bainhas paralelas, quando muito próximas, deve, sempre que possível, ser feita simultaneamente.
5. A menos que sejam tomadas precauções especiais, não devem ser realizadas operações de injecção quando a temperatura ambiente seja inferior a 5oC ou se possa temer que tal ocorra durante as 48 horas após a injecção.
6. A injecção de bainhas verticais ou muito inclinadas, em particular quando de grande comprimento, exige técnicas especiais, que devem ser cuidadosamente aplicadas.
CAPÍTULO II
Garantia de qualidade
Artigo 147.º
(Generalidades)
A metodologia destinada a assegurar a aptidão da obra para a utilização prevista - garantia de qualidade - apenas é encarada no presente regulamento nos aspectos relativos à segurança e durabilidade das estruturas. Com este objectivo apresentam-se no presente capítulo critérios gerais relativos aos controlos preliminares, aos controlos de produção e de conformidade da obra, à recepção desta e à sua manutenção.
Um sistema de garantia de qualidade envolve, em princípio todos os participantes no processo construtivo (dono da obra, projectista, construtor, fiscalização, laboratório, utilizador, autoridades, etc.) e estende-se a todas as suas fases (concepção, projecto, construção e utilização).
A matéria apresentada no presente capítulo tem em vista, fundamentalmente, estabelecer alguns conceitos gerais sobre garantia de qualidade e respectiva terminologia, numa base internacionalmente aceite, fornecendo assim orientações para a elaboração dos cadernos de encargos das obras.
Não são tratados, porém, quaisquer aspectos contratuais ou jurídicos ligados à garantia de qualidade; em particular, as consequências de uma rejeição (penalidades, indemnizações, etc.) e a repartição das responsabilidades entre os diversos intervenientes na obra estão fora do âmbito do presente regulamento.
Artigo 148.º
(Controlos preliminares)
Os controlos efectuados antes do início da execução destinam-se a assegurar que é possível realizar satisfatoriamente a obra prevista com os técnicos, os materiais e os métodos de execução disponíveis.
Estes controlos devem incidir, nomeadamente, sobre a qualidade e a adequabilidade do projecto, dos materiais e dos meios de execução que vão ser utilizados.
Artigo 149.º
(Controlo de produção)
1. O controlo de produção consiste num conjunto de acções, exercidas durante a execução da obra, com vista a obter um grau razoável de garantia, de que as condições que lhe são exigidas são satisfeitas.
Este controlo deve incidir, fundamentalmente, sobre os materiais e sobre o modo como é executada a obra.
2. As características dos materiais a utilizar devem ser verificadas à chegada ao estaleiro, podendo para este efeito ser tidos em conta eventuais controlos a que tenham sido sujeitos durante a sua produção. No caso de tais controlos oferecerem as necessárias garantias, estas acções podem limitar-se a simples operações de identificação.
No que se refere ao controlo dos componentes do betão, ou do próprio betão quando recebido de uma central industrial, devem ser tidas em consideração as condições especificadas na NB.
Imediatamente antes da utilização dos materiais deve ser verificado se, durante o seu armazenamento e manuseamento, sofreram danos que os tornem impróprios para a aplicação prevista.
3. A execução da obra deve ser acompanhada das verificações necessárias para assegurar o cumprimento das condições estipuladas no projecto e ter em consideração as regras de execução contidas no capítulo I do título IV do presente regulamento.
4. No livro de registo da obra devem ser indicadas, cronologicamente, todas as ocorrências verificadas no decurso da obra e que interessam à realização desta. Este livro deve ser facultado aos agentes das entidades que tenham jurisdição sobre a obra sempre que estes o solicitarem, para que possam visá-lo ou nele inscrever as observações que o andamento dos trabalhos lhes sugerir.
Artigo 150.º
(Controlo de conformidade)
1. O controlo de conformidade consiste num conjunto de acções e de decisões efectuadas com base em regras pre-estabelecidas (regras de conformidade que têm em conta os critérios de amostragem e os critérios de aceitação-rejeição) e destinadas a verificar se a obra cumpre as exigências que lhe são atribuídas, permitindo, em consequência, efectuar um julgamento de «conformidade» ou de «não conformidade».
Estas acções devem incidir sobre os materiais, sobre a execução dos trabalhos e sobre a obra terminada.
2. O controlo de conformidade dos materiais e componentes pode basear-se em resultados de ensaios e verificações do controlo da sua produção. Caso tal controlo não ofereça as necessárias garantias, ou mesmo se não tiver sido efectuado, há que proceder às verificações e ensaios necessários para habilitar ao julgamento de conformidade.
No controlo de conformidade do betão devem ser tidos em conta os critérios estipulados na NB.
3. O controlo de conformidade da execução dos trabalhos deve basear-se nos controlos de produção referidos no artigo 149.º e ter em conta os elementos que constam do livro de registo da obra.
4. O controlo de conformidade final da obra deve exercer-se, em regra, através de verificações de formas e dimensões, dando atenção particular a eventual existência de deformações excessivas, fendas, defeitos de betonagem, insuficiência de recobrimentos de armaduras, etc. Em certos casos, em face da importância ou das características especiais da obra, pode ser prevista a realização de ensaios complementares, com vista a confirmar o seu comportamento.
Artigo 151.º
(Recepção)
1. A recepção é o acto de decisão final que, em face dos resultados do controlo de conformidade, consiste em aceitar ou rejeitar a obra.
No caso de «conformidade», a obra deve ser aceite; no caso de «não conformidade», a obra será, em princípio, rejeitada, podendo no entanto vir ainda a ser aceite nas condições a seguir indicadas.
2. No caso de os resultados do controlo de conformidade não serem satisfatórios, a obra pode ainda ser aceite, desde que se faça um julgamento do problema, tendo em atenção as suas condições específicas, e seja feita prova de que as condições regulamentares de segurança são satisfeitas.
Esta verificação de segurança pode ser realizada com base nos próprios resultados dos ensaios efectuados durante o controlo, ou com base em resultados de ensaios suficientemente representativos e devidamente interpretados, realizados sobre provetes extraídos expressamente para este efeito.
Artigo 152.º
(Manutenção)
1. As estruturas devem ser mantidas em condições que preservem a sua aptidão para o desempenho das funções para que foram concebidas. Com esta finalidade, devem ser objecto de inspecções regulares e, se necessário, de reparações adequadas.
2. Durante a vida da estrutura devem ser efectuadas inspecções regulares, a fim de detectar possíveis danos e permitir a sua reparação em tempo útil. A periodicidade destas inspecções depende de vários factores, entre os quais o tipo de utilização da obra, a importância desta e as condições de agressividade do ambiente.
Nas inspecções deve ser dada particular atenção a mudanças localizadas de cor dos revestimentos, a descasques destes, ao aparecimento de ferrugem, a fendilhações e a deformações excessivas, factores estes que podem ser sinais de anomalias da estrutura que seja necessário corrigir.
3. No caso de as inspecções revelarem qualquer deficiência no comportamento da estrutura, há que investigar as suas causas com vista a proceder aos necessários trabalhos de reparação.
A estrutura, após reparação, deve satisfazer a segurança regulamentar relativamente às condições de utilização previstas.
Em certos casos, pode ser conveniente colocar, em locais apropriados, placas com a indicação das sobrecargas de utilização máximas permitidas, a fim de alertar os utilizadores para o facto de que a aplicação de sobrecargas superiores às indicadas pode danificar a estrutura.
Quanto à periodicidade das inspecções, para estruturas correntes não sujeitas a ambientes particularmente agressivos, podem ser recomendadas as seguintes:
| Habitações | 10 anos |
| Construções industriais | 5 a 10 anos |
| Pontes rodoviárias | 1 a 5 anos |
| Pontes ferroviárias | 1 a 2 anos |
Anexo 1 Simbologia
Maiúsculas latinas
| A | área. |
| Ac | área de betão da secção transversal de um elemento. |
| Ac,ef | área da secção de betão envolvente de uma armadura (fendilhação). |
| Act | área de betão na zona traccionada. |
| Ak | área limitada pela linha média da secção oca eficaz (torção). |
| Ap | área da secção de uma armadura de pré-esforço. |
| As | área da secção de uma armadura, em geral, ordinária. |
| As,cal | área da secção de armadura requerida pelo cálculo. |
| As,ef | área da secção de armadura efectivamente adoptada. |
| Asl | área total da secção da armadura longitudinal de torção. |
| Ast | área da secção das cintas da armadura transversal de torção. |
| Asw | área da secção de uma armadura de esforço transverso. |
| As2 | área da armadura na zona de compressão. |
| A0 | área sobre a qual se exerce directamente a força. |
| A1 | maior área delimitada por um contorno fictício. |
| E | módulo de elasticidade. |
| Ec | módulo de elasticidade do betão. |
| Ec,ef | módulo efectivo. |
| Ec,j | módulo de elasticidade do betão aos j dias de idade. |
| Ec(t0) | módulo de elasticidade do betão no instante de carregamento. |
| Ec,28 | módulo de elasticidade do betão aos 28 dias de idade. |
| Ep | módulo de elasticidade de uma armadura de pré-esforço. |
| Es | módulo de elasticidade do aço, em geral, de uma armadura ordinária. |
| El | factor de rigidez de uma secção em flexão. |
| F | força; força vertical. |
| Fs | força numa armadura. |
| FSd | valor de cálculo de uma força actuante. |
| Ft1,Sd | força de tracção resultante. |
| H | força horizontal. |
| I | momento de inércia de uma secção. |
| Ic | momento de inércia da parte de betão da secção de um elemento. |
| J(t,t0) | função de fluência. |
| M | momento flector. |
| Mcr | momento correspondente ao início da fendilhação. |
| M’Rd | momento resistente (excentricidades adicionais). |
| MRd,x, MRd,y | componentes, segundo 2 eixos ortogonais x e y de uma secção, do valor de cálculo do momento resistente em flexão desviada. |
| MRd,xo, MRd,yo | valores de cálculo dos momentos resistentes em flexão segundo cada um de 2 eixos ortogonais x e y de uma secção. |
| MSd | valor de cálculo do momento flector actuante. |
| MSd,a, MSd,b | valores de cálculo dos momentos flectores actuantes, relativos às extremidades de um pilar (encurvadura). |
| MSg | momento flector actuante devido às acções permanentes. |
| MSd,x, MSd,y | componentes, segundo 2 eixos ortogonais x e y de uma secção, do valor de cálculo do momento flector actuante. |
| Mo | momento flector de descompressão. |
| N | esforço normal. |
| Ncr | tracção correspondente ao início da fendilhação. |
| NE | carga crítica de Euler. |
| NRd | valor de cálculo do esforço normal resistente. |
| Npd | força de pré-esforço correspondente ao valor inicial sem perdas. |
| NSd | valor de cálculo do esforço normal actuante. |
| NSg | esforço normal actuante devido às acções permanentes. |
| Pd | valor de cálculo de pré-esforço. |
| Pk,sup | valores característicos da força de pré-esforço superior. |
| Pk,inf | valores característicos da força de pré-esforço inferior. |
| Pm,t | valor médio da força de pré-esforço. |
| Pm,o | pré-esforço inicial na idade t = 0. |
| Pm,∞ | o pré-esforço depois de ocorrência de todas as perdas. |
| Po’ | valor do pré-esforço na origem. |
| Pt(x) | valor do pré-esforço ao tempo t na secção de abcissa x. |
| Po(x) | valor do pré-esforço inicial na secção de abcissa x. |
| P∞(x) | valor do pré-esforço final na secção de abcissa x. |
| Rd | valor de cálculo de um esforço resistente. |
| RH | humidade relativa do ambiente. |
| S | momento estático da área da armadura em relação ao baricentro de secção. |
| Sd | valor de cálculo de um esforço actuante. |
| T | momento torsor; temperatura. |
| TRd1 | momento torsor máximo que pode ser suportado pelas bielas comprimidas de betão. |
| TRd2 | momento torsor máximo que pode ser suportado pelas armaduras. |
| TSd | valor de cálculo do momento torsor actuante. |
| V | esforço transverso. |
| Vcd | parcela do valor de cálculo do esforço transverso resistente que depende da resistência do betão. |
| VRd1 | valor de cálculo do esforço transverso resistente do elemento sem armadura de esforço transverso. |
| VRd2 | valor máximo do esforço transverso que pode ser suportado sem esmagamento das bielas fictícias de compressão do betão. |
| VRd2,red | valor reduzido de VRD2. |
| VRd3 | valor de cálculo do esforço transverso que pode ser suportado por um elemento com armadura de esforço transverso. |
| VSd | valor de cálculo do esforço transverso actuante. |
| Vwd | parcela do valor de cálculo do esforço transverso resistente que depende da armadura de esforço transverso. |
Minúsculas latinas
| a, ai | dimensão; distância; flecha de um elemento flectivo. |
| aI | translação do diagrama de forças Msd/Z. |
| a0, a1 | dimensões das áreas A0 e Al. |
| b, bi, b’i | dimensão; largura de uma secção. |
| bef, bef1, bef2 | largura efectiva. |
| bm | largura de uma laje. |
| bt | largura média da zona traccionada de uma secção. |
| bw | largura da alma de uma secção. |
| bx, by | dimensões do contorno crítico medidas segundo as direcções x e y paralelas aos lados de área carregada. |
| c | recobrimento de uma armadura. |
| d | altura útil de uma secção; diâmetro. |
| dg | máxima dimensão do inerte. |
| dw,max | deslocamento horizontal máximo admitido da estrutura. |
| d0 | diâmetro do contorno crítico de punçoamento. |
| e, ex, ey | excentricidade. |
| ea, eax, eay | excentricidade acidental (encurvadura). |
| ec, ecx, ecy | excentricidade de fluência (encurvadura). |
| e2, e2x, e2y | excentricidade de 2.ª ordem (encurvadura). |
| fbd | valor de cálculo da tensão de rotura da aderência. |
| fc | valor da tensão de rotura do betão à compressão. |
| fcd | valor de cálculo da tensão de rotura do betão à compressão. |
| fck | valor característico da tensão de rotura do betão à compressão aos 28 dias de idade. |
| fck,cubo | valor característico da tensão de rotura do betão à compressão (em cubos). |
| fck,cyl | valor característico da tensão de rotura do betão à compressão (em cilindros). |
| fck,j | valor característico da tensão de rotura do betão à compressão aos j dias de idade. |
| fcm | valor médio da tensão de rotura do betão à compressão aos 28 dias de idade. |
| fcm,j | valor médio da tensão de rotura do betão à compressão aos j dias de idade. |
| fct,et | resistência do betão à tracção, quando da primeira formação de fendas. |
| fctd | valor de cálculo da tensão de rotura do betão à tracção. |
| fctk | valor característico da tensão de rotura do betão à tracção simples aos 28 dias de idade. |
| fctk,j | valor característico da tensão de rotura do betão à tracção simples aos j dias de idade. |
| fctm | valor médio da tensão de rotura do betão à tracção simples aos 28 dias de idade. |
| fpuk | valor característico da tensão de rotura à tracção do aço das armaduras de pré-esforço. |
| fp0,1k | valor característico da tensão limite convencional de proporcionalidade a 0,1 % à tracção do aço das armaduras de pré-esforço. |
| fsycd | valor de cálculo da tensão de cedência ou da tensão limite convencional de proporcionalidade a 0,2% à compressão do aço das armaduras ordinárias. |
| fsyd | valor de cálculo da tensão de cedência ou da tensão limite convencional de proporcionalidade a 0,2% à tracção do aço das armaduras ordinárias. |
| fsyk | valor característico da tensão de cedência à tracção do aço das armaduras ordinárias. |
| h, hi | altura total de uma secção; espessura de uma laje. |
| htot | altura total de uma estrutura. |
| i | raio de giração de uma secção. |
| j | dias de idade do betão. |
| k | desvio angular parasita por unidade de comprimento da armadura de pré-esforço; coeficiente que considera o efeito de tensões auto-equilibradas não uniformes. |
| kc | coeficiente que tem em conta a natureza da distribuição de tensões na secção. |
| k1 | coeficiente dependente das características de aderência dos varões. |
| k2 | coeficiente dependente da distribuição de tensões de tracção na secção. |
| kσ | razão tensão/deformação. |
| I | vão teórico; comprimento livre de um pilar. |
| Ib | valor de base do comprimento da amarração de uma armadura. |
| Ib,net | comprimento de amarração de uma armadura. |
| Ibp | comprimento de amarração de uma armadura pretensionada. |
| Ib,o | comprimento de sobreposição na emenda de armaduras. |
| Ief | vão efectivo. |
| Ii | vão equivalente de uma viga ou de uma laje. |
| In | distância livre entre as faces dos apoios. |
| Io | comprimento efectivo de encurvadura. |
| Io’ | distância entre pontos de momento nulo. |
| Ip | distância de regularização de tensões devidas ao pré-esforço. |
| Ix, Iy, I1, I2 | distância entre eixos dos apoios. |
| mSdx, mSdy | valores mínimos de momentos flectores por unidade de largura nas direcções x e y. |
| mx, my, mxy | campo de momentos. |
| n | número de andares. |
| pcRd | valor de cálculo da resistência do betão a uma pressão localizada. |
| r | raio de curvatura. |
| rcs | raio de curvatura devida à retracção. |
| rinf | coeficiente inferior. |
| rsup | coeficiente superior. |
| s | espaçamento dos varões de uma armadura. |
| srm | distância média entre fendas. |
| t | tempo; idade do betão. |
| ts | idade do betão no início do intervalo de tempo de contagem da retracção. |
| t0 | instante de carregamento corrigida, idade do betão à data em que foi aplicado o pré-esforço. |
| t0,T | instante de carregamento. |
| u | perímetro. |
| uk | perímetro da linha média da secção oca eficaz (torção). |
| VRd1 | valor de cálculo do esforço transverso resistente por unidade de comprimento do contorno crítico, para uma laje sem armadura de esforço transverso. |
| VRd2 | valor de cálculo máximo do esforço transverso resistente por unidade de comprimento do contorno crítico, para uma laje com armadura de esforço transverso. |
| VRd3 | valor de cálculo do esforço transverso resistente por unidade de comprimento do contorno crítico, para uma laje com armadura de esforço transverso. |
| Vsd | valor de cálculo do esforço transverso (ou de punçoamento) actuante por unidade de comprimento. |
| w | largura de fendas. |
| wm | valor médio da largura de fendas. |
| wk | valor característico da largura de fendas. |
| x | coordenada; profundidade da linha neutra. |
| z | braço do binário das forças interiores em flexão. |
Maiúsculas gregas
| Δa, Δb, Δd | tolerâncias dimensionais. |
| ΔFsSd | diferença entre as forças na armadura em 2 secções. |
| Δx | distantes. |
| Δσ | variação de tensão. |
| Δσpti,r | perda de tensão, ao fim do tempo t, devida à relaxação das armaduras de pré-esforço. |
| Δσp,t-to,r(x) | perda de tensão, entre os tempos t e t0, na secção x da armadura de pré-esforço, devida à relaxação. |
| Δσpt,s+c+r(x) | perda de tensão, ao fim do tempo t, na secção x da armadura de pré-esforço, devida à retracção, à fluência e à relaxação. |
| Δσpo,i(x) | designação genérica de uma perda instantânea de tensão na secção x da armadura de pré-esforço. |
| Δσpo,e(x) | perda instantânea de tensão na secção x da armadura de pré-esforço, devida à deformação do betão. |
| Δσpo,fr(x) | perda instantânea de tensão na secção x da armadura de pré-esforço, devida ao atrito. |
| Δσp∞r(x) | perda de tensão a tempo infinito, na secção x da armadura de pré-esforço, devida à relaxação. |
| Δσp∞s+c(x) | perda de tensão, a tempo infinito, na secção x da armadura de pré-esforço, devida à retracção e à fluência do betão. |
| Δσp∞s+c+r(x) | perda de tensão, a tempo infinito, na secção x da armadura de pré-esforço, devida à retracção, à fluência e à relaxação. |
| Φ, Φn | diâmetro equivalente de um agrupamento de armaduras. |
Minúsculas gregas
| α | expoente; ângulo; coeficiente; coeficiente de homogeneização aço-betão; expoente dependente do tipo de cimento (fluência). |
| αa | coeficiente (amarração). |
| αE | coeficiente sísmico. |
| αe | coeficiente (emenda). |
| αmin | menor dos valores de α1 ou α2. |
| αθ | coeficiente de homogeneização. |
| α1, α2 | parâmetro relativo a umas das extremidades do pilar. |
| αI, αII | valores do parâmetro calculado, respectivamente, para as condições não fendilhada e totalmente fendilhada. |
| ß | expoente; ângulo; coeficiente. |
| ßc | função que traduz o desenvolvimento da fluência ao longo tempo. |
| ßp | coeficiente que tem em conta os efeitos de excentricidade das cargas. |
| ßs | função que exprime a variação da retracção do betão no tempo. |
| ßsc | coeficiente que depende do tipo de cimento (retracção). |
| ßv | coeficiente (majoração da resistência ao esforço transverso). |
| ß1 | coeficiente dependente das características de aderência dos varões da armadura. |
| ß2 | coeficiente dependente da permanência ou da repetição das acções. |
| γc | factor parcial de segurança relativo às características resistentes do betão. |
| γf | designação geral dos factores parciais de segurança relativos às acções. |
| γg | factor parcial de segurança relativo às acções permanentes, excepto pré-esforço. |
| γm | designação geral dos coeficientes factores parciais de segurança relativos às características resistentes dos materiais. |
| γp | factor parcial de segurança às acções de pré-esforço. |
| γs | factor parcial de segurança relativo às características resistentes do aço das armaduras. |
| δ | coeficiente de redistribuição dos esforços. |
| εc | deformação do betão. |
| εc(t) | deformação total no instante t. |
| εcc(t), εCc(t,t0) | deformação de fluência no instante t > t0. |
| εci(t0) | deformação instantânea no carregamento. |
| εcn(t) | deformação independente da tensão no instante t > t0. |
| εcs | extensão de retracção livre. |
| εcs(t) | deformação de retracção no instante t > t0. |
| εcs(t, ts) | deformação devida à retracção livre do betão entre as idades ts e t. |
| εcs(t∞, t0) | deformação devida à retracção livre do betão entre as idades t0 e t∞. |
| εcso | valor de referência da extensão devida à retracção do betão. |
| εcT(t) | deformação térmica no instante t > t0. |
| εcσ(t), εcσ(t,t0) | deformação dependente da tensão no instante t > t0. |
| εc1 | extensão no betão na fibra mais comprimida. |
| εc2 | extensão no betão na fibra menos comprimida. |
| εs | extensão da armadura. |
| εsm | extensão média da armadura. |
| ε1, ε2 | a maior e a menor extensão de tracção nas fibras extremas de secção. |
| ζ | coeficiente de distribuição. |
| η | coeficiente. |
| θ | ângulo. |
| λ | coeficiente; esbelteza de um elemento. |
| µ | coeficiente de atrito. |
| ν | coeficiente de Poisson. |
| ρ | percentagem de armadura. |
| ρlx, ρly | armadura de tracção nas direcções x e y. |
| ρw | percentagem da armadura de esforço transverso. |
| ρr | percentagem efectiva de armadura. |
| σc | tensão de compressão no betão. |
| σc(x) | tensão de compressão no betão na secção x. |
| σcp,ef | tensão média efectiva no betão devida ao esforço normal. |
| σc,g(x) | tensão no betão, na secção x, devida às acções permanentes, excepto pré-esforço. |
| σc,max | tensão máxima. |
| σc,po(x) | tensão no betão, na secção x, devida ao pré-esforço inicial. |
| σc,p∞(x) | tensão no betão, na secção x, devida ao pré-esforço final. |
| σc(t0) | tensão constante aplicada ao betão a partir da idade t0 (fluência). |
| σp(x) | tensão na armadura de pré-esforço na secção x. |
| σpo | tensão na armadura de pré-esforço correspondente ao pré-esforço na origem. |
| σpo(x) | tensão na secção x da armadura de pré-esforço, devida ao pré-esforço inicial. |
| σpo+g(x) | tensão na secção x na armadura de pré-esforço, devida ao pré-esforço inicial e às outras acções permanentes. |
| σp∞(x) | tensão na secção x da armadura de pré-esforço, correspondente ao pré-esforço final. |
| σs | tensão no aço, em geral de uma armadura ordinária. |
| σsSd | tensão na armadura correspondente ao valor de cálculo de um esforço actuante. |
| σsr | tensão na armadura correspondente ao início da fendilhação. |
| τbSd | tensão de aderência correspondente ao valor de cálculo de um esforço actuante. |
| τRd, τRd2 | tensões relacionadas com os valores de cálculo do esforço transverso e do momento torsor resistente. |
| Φ, Φi | diâmetro de um varão, fio ou cabo. |
| Φn | diâmetro equivalente de um agrupamento de armaduras. |
| Φ(t, t0) | coeficiente de fluência do betão na idade t, correspondente à aplicação da tensão à idade t0. |
| Φ(t∞, t0) | coeficiente de fluência do betão a tempo infinito, correspondente à aplicação da tensão à idade t0. |
| Φo | valor de referência de coeficiente de fluência. |
| Φo,k | valor de referência do coeficiente não linear de fluência. |
| Ψ | designação genérica dos coeficientes que determinam os valores reduzidos das acções. |
Abreviaturas
| ASTM | American Society for Testing and Materials |
| A235, A335, A400, A500 | Designações dos tipos correntes de armaduras ordinárias. |
| B15, B20, ... | Designações das classes de betões. |
| FIP | Fédération Internationale de la Précontrainte. |
| ISO | International Organization for Standardization. |
| CEB | Comité Euro-international du Béton. |
| LNEC | Laboratório Nacional de Engenharia Civil. |
| LNECE-... | Especificação do Laboratório Nacional de Engenharia Civil n.º ... |
| NA | Norma de Aços para Armaduras Ordinárias |
| NB | Norma de Betões. |
| NP-... | Norma Portuguesa n.º ... |
| RILEM | Réunion Internationale des Laboratoires d'Essais et de Recherches sur les Matériaux et les Constructions. |
| REBAP | Regulamento de Estruturas de Betão Armado e Pré-Esforçado. |
| RSA | Regulamento de Segurança e Acções para Estruturas de Edifícios e Pontes. |
Anexo 2
Verificação da Segurança de Estruturas de Betão Armado e Pré-esforçado em Relação à Acção do Fogo
1. Generalidades
Este anexo contém as regras práticas para a verificação da segurança de vigas, lajes, pilares, paredes e tirantes, tendo em conta as classes de resistência ao fogo definidas no Regulamento técnico de segurança contra incêndios em edifícios e recintos, aprovado pelo Regulamento Administrativo n.º 39/2022, em função das classes de altura e grupos de utilização dos edifícios. Estas regras permitem conferir às estruturas segurança satisfatória face à acção do fogo, nos aspectos relacionados quer com a função de suporte quer com as funções de comparticipação, sejam estas de isolamento térmico ou de estanquidade às chamas.
Para cada tipo de elemento, em função das suas dimensões e condições de exposição, definem-se as exigências relativas à espessura do elemento e do recobrimento das armaduras, expressas em quadros, elaborados admitindo que se trata de elementos cuja armadura é a mínima compatível com a segurança requerida à temperatura ordinária, em que se tomou γf = 1,5 e γs = 1,15. Nestes casos, considerando que os coeficientes parciais de segurança γf e γs são iguais à unidade em presença da acção do fogo, a tensão correspondente ao colapso quando se considera essa acção - tensão crítica - é igual a cerca de 58% (1 / 1,15 / 1,5) do valor característico da tensão de cedência ou da tensão limite convencional de proporcionalidade a 0,2% do aço à temperatura ordinária.
Em vigas com os aços correntemente utilizados em armaduras ordinárias, a tensão crítica corresponde a uma temperatura da ordem de 500oC - temperatura crítica -, conforme se verifica na Figura 22. No entanto, no caso dos aços de pré-esforço (Figura 23) a temperatura crítica é da ordem de 350 oC, pelo que a utilização dos quadros requer a correspondente correcção, dado que estes foram elaborados para a temperatura de referência de 500 oC.
O mesmo se aplica ao caso de haver excesso de armadura relativamente à mínima compatível com a segurança requerida à temperatura ordinária (ou seja, MRd > MSd), em que a tensão crítica na armadura é inferior a 58%. Esta tensão pode ser estimada, com suficiente aproximação, multiplicando a tensão crítica determinada na hipótese de armadura mínima pela relação MSd/ MRd, relação esta que, aproximadamente, pode ser considerada igual à razão entre a área da armadura mínima e a área da armadura existente. A este valor da tensão crítica corresponde um valor da temperatura crítica mais elevado do que 500 oC, que se pode obter a partir da Figura 22 .

Figura 22. Variação da tensão de cedência ou da tensão limite convencional de proporcionalidade a 0,2% de aços para armaduras ordinárias, fsyk, com a temperatura.

Figura 23. Variação da tensão de rotura de aços para armaduras de pré-esforço, fpuk, com a temperatura.
O caso de pilares e paredes é mais complexo, pois a acção do fogo pode reduzir significativamente a secção útil do betão e agravar os fenómenos de encurvadura. A informação disponível, porém, permite tratar estes elementos simplificadamente, tomando também, para referência nos respectivos quadros, uma temperatura crítica de 500 oC.
2. Condições gerais de aplicação dos quadros
Os quadros são aplicáveis a betões correntes satisfazendo a Norma de Betões. Todas as dimensões que neles figuram estão expressas em centímetros.
Estes quadros são de aplicação directa no caso de elementos com armaduras ordinárias e com a percentagem mínima correspondente à segurança requerida à temperatura ordinária, situação em que a temperatura crítica do aço é de 500 oC. Nos casos de outros tipos de armaduras ou de percentagens superiores, há que proceder a ajustamentos, fazendo intervir outros valores da temperatura crítica. Para as vigas armadas com aço de pré-esforço ou com percentagens superiores à mínima, tal temperatura pode ser estimada da forma indicada na secção anterior. Para os pilares, não se pondo em geral o problema do tipo de aço, e uma vez que o benefício resultante da existência de percentagens superiores à mínima não é de considerar perante o modo simplificado como estes elementos são tratados, os respectivos quadros podem ser aplicados sem correcções em todos os casos.
Quando a temperatura crítica for diferente de 500oC, a correcção dos valores de a e b indicados nos quadros deve ser feita do seguinte modo:
- • a distância a deve ser aumentada 0,5 cm por cada redução de 50oC da temperatura crítica, e ser reduzida do mesmo valor por cada acréscimo de 50oC;
- • para valores da temperatura crítica inferiores a 400oC, os valores mínimos de b devem ser aumentados de 4 cm por cada redução de 50oC relativamente àquele limite.
O valor de a indicado nos quadros é um valor ponderado, tendo em conta a área da secção de cada varão da armadura interessada e as distâncias do seu eixo às faces do elemento expostas ao fogo:
| a = | Σ i |
Asi ai |
| Σ i |
Asi |
em que Asi é a área da secção do varão de ordem i e ai é a menor das distâncias do eixo desse varão às faces expostas ao fogo, ou seja, a menor das distâncias ai', e a"i (Figura 24).

Figura 24. Elementos para determinação da distância a.
Para o cômputo dos parâmetros a e b pode ser tida em conta a eventual existência de revestimentos isolantes, desde que mantenham a sua eficiência durante a exposição ao fogo. Apresentam-se em seguida coeficientes que, multiplicando a espessura do revestimento, permitem reduzi-la a uma espessura equivalente de betão:
| • argamassa de cimento, cal e areia | 0,6 |
| • massas à base de gesso (estuque) | 1,5 |
| • argamassa de gesso com inertes leves (vermiculite, perlite, fibras minerais) | 2,0 |
A espessura destes revestimentos não deve exceder 2,5 cm e, quando estiver em causa elevada resistência ao fogo, convém utilizar redes metálicas para melhorar a sua fixação. Em qualquer caso, o parâmetro a deverá também satisfazer as exigências relativas ao recobrimento das armaduras que constam do artigo 74.º deste Regulamento.
As tensões de compressão devem ser limitadas a fim de minorar o risco de destacamento do betão devido à acção do fogo. Para tal, a relação entre a largura b0 da zona de compressão em causa e a tensão máxima de compressão nessa zona, σcmax, correspondente à combinação acidental de acções relativa à acção do fogo, sem considerar a tensão resultante dessa acção, deve satisfazer a condição:
σcmax ≤3 (b0 - 8)
em que b0 é expresso em cm e σcmax em MPa.
3. Vigas
Os quadros que se apresentam nesta secção referem-se a vigas expostas ao fogo por três faces, admitindo-se que a face superior está protegida pelo pavimento. Para vigas com todas as faces expostas ao fogo são apresentadas condições especiais.
As larguras b e bw da secção das vigas consideradas nos quadros são as indicadas na Figura 25, e o valor ast significa a distância do eixo dos varões extremos à face lateral da viga.
Figura 25. Dimensões de referência de vigas.
Para além das condições expressas nos quadros, quando se exija classe de resistência ao fogo superior a CRF 90, devem ser usados estribos de, pelo menos, 4 ramos, sempre que o valor de cálculo do esforço transverso actuante exceder VRd1, calculado de acordo com o artigo 47.º do presente Regulamento, b é a largura da alma (bw para vigas em I) e d é a altura útil da viga.
Para as vigas em I devem ter-se ainda em conta as seguintes condições:
• em todos os casos há que respeitar a relação:
d1 + 0,5 d2 ≥ bmin
sendo bmin o valor mínimo de b indicado nos quadros;
• quando b > 1,4 bw, o valor de a indicado nos quadros deve ser substituído por:

• quando b > 3,5 bw, os quadros relativos a vigas já não devem ser utilizados, e o talão da viga deve ser considerado como tirante (ver secção 7 deste anexo);
• para secções em que bw < b/2 deve ser disposta uma armadura de esforço transverso, constituída por estribos verticais, cuja percentagem, ρw, não seja inferior a 0,25, sendo:
| ρw = |
Asw
|
x 100 |
| bw |
em que Asw é a área total da secção dos vários ramos de um estribo e s é o espaçamento dos estribos. A fim de evitar o destacamento do betão, a distância dos ramos exteriores destes estribos às faces da alma, contada a partir do eixo dos varões, não deve exceder 0,2 bw.
3.1. Vigas simplesmente apoiadas
No Quadro 18 apresentam-se as regras a observar para garantir às vigas simplesmente apoiadas segurança perante a acção do fogo, para as diferentes classes de resistência CRF consideradas.
3.2. Vigas contínuas
Nos tramos das vigas contínuas sujeitas à acção do fogo pela parte inferior desenvolvem-se, devido a essa acção, momentos negativos quer nos vãos quer nos apoios.
Quadro 18. Vigas simplesmente apoiadas
| Classes de resistência ao fogo | Valores mínimos de bw (cm) | Valores mínimos de b e correspondentes mínimos de a (cm) | Valores mínimos de a para os valores de b indicados (cm) | ||||
| CRF60 | 10 | b a |
12 4,0 |
b a |
16 3,5 |
20 3,0 |
≥30 2,5 |
| CRF90 | 10 | b a |
15 5,5 |
b a |
20 4,5 |
24 4,0 |
≥40 3,5 |
| CRF120 | 12 | b a |
20 6,5 |
b a |
24 5,5 |
30 5,0 |
≥50 4,5 |
| CRF180 | 14 | b a |
24 8,0 |
b a |
30 7,0 |
40 6,5 |
≥60 6,0 |
| CRF240 | 16 | b a |
28 9,0 |
b a |
35 8,0 |
50 7,5 |
≥70 7,0 |
Nota: No caso de armadura disposta numa só camada, deve considerar-se ast ≥ a + 1,0, para valores de b inferiores a 20, 30, 40, 50, 60 e 70, respectivamente, para CRF 60, 90, 120, 180 e 240; nos restantes casos será ast ≥ a.
Daqui resulta que, nos vãos, as tensões na armadura de momentos positivos diminuem, o que permite a esta armadura suportar temperaturas mais elevadas e, consequentemente, possibilita a utilização de recobrimentos menos espessos. Os valores de a estabelecidos no Quadro 19 evidenciam este facto, quando comparados com os que constam do Quadro 18.
No que diz respeito às armaduras de momentos negativos, apesar do aumento destes momentos anteriormente referido, os valores de cálculo dos momentos actuantes em situação de fogo (soma dos momentos devidos às cargas com os devidos à acção do fogo, afectados do coeficiente γf = 1,0) são, em geral, inferiores aos correspondentes valores de cálculo dos momentos actuantes considerados na verificação da segurança à temperatura ordinária, em que se adopta o coeficiente γf = 1,5; portanto, uma vez que a resistência destas armaduras não é afectada pelo pequeno aumento de temperatura que sofrem, não é necessário reforçar a sua secção. Deve, porém, evitar-se a ocorrência de tensões muito elevadas na zona comprimida de betão, visto que ela ficará submetida a elevadas temperaturas, com a consequente diminuição da resistência do betão nas suas camadas exteriores.
No entanto, dado que a zona da viga sujeita a momentos negativos aumenta, é necessário prolongar as armaduras dimensionadas para a temperatura ordinária, mediante as seguintes regras:
- • deve estender-se a todo o vão pelo menos 20% da armadura existente nos apoios;
- • deve prolongar-se de um comprimento igual a 0,15 do vão a armadura existente no apoio, considerando-se, para o efeito, o maior dos vãos adjacentes; este prolongamento deve ser contado a partir da extremidade da armadura considerada para a temperatura ordinária.
Por outro lado, no caso de vigas contínuas em que, junto aos apoios intermédios, podem ocorrer esforços de flexão e esforços transversos de valor elevado, para exposições ao fogo prolongadas, os valores de b devem satisfazer as seguintes condições:
| CRF 120 | b ≥ 22 cm |
| CRF 180 | b ≥ 40 cm |
| CRF 240 | b ≥ 60 cm |
A aplicação desta regra é particularmente importante, por exemplo, no caso de vigas contínuas de dois tramos em que se verifiquem simultaneamente as seguintes situações:
- • liberdade de rotação nos apoios extremos da viga;
- • existência de esforços transversos actuantes com valor de cálculo superior a VRd1;
- • quando a capacidade resistente da viga for fundamentalmente condicionada pela existência de cargas concentradas, que determinem relações MSd / VSd compreendidas entre 2,5 e 3, sendo MSd e VSd, respectivamente, os valores de cálculo do momento flector e do esforço transverso actuantes, e d a altura útil da secção.
Como foi referido, o Quadro 19 tem em conta os efeitos da redistribuição de esforços devidos à elevação da temperatura. Consequentemente, as suas possíveis correcções, quando da utilização de armaduras pré-esforçadas ou armaduras sobredimensionadas à temperatura ordinária, devem ser feitas de acordo com as regras gerais indicadas no ponto 2 deste anexo, sem considerar qualquer efeito adicional da redistribuição de esforços.
Quadro 19. Vigas contínuas
| Classes de resistência ao fogo | Valores mínimos de bw (cm) | Valores mínimos de b e correspondentes mínimos de a (cm) | Valores mínimos de a para os valores de b indicados (cm) | ||
| CRF 60 | 10 | b a |
12 2,5 |
b a |
≥20 1,5 |
| CRF 90 | 10 | b a |
15 3,5 |
b a |
≥25 2,5 |
| CRF 120 | 12 | b a |
20 4,5 |
b a |
≥30 3,5 |
| CRF 180 | 14 | b a |
24 5,0 |
b a |
- |
| CRF 240 | 16 | b a |
28 6,0 |
b a |
- |
Notas: São de aplicar a ast, as condições indicadas na nota ao Quadro 18. Nas vigas em I, a largura mínima da alma, numa extensão igual a duas vezes a altura da viga, contada para um e outro lados dos apoios intermédios, não deve ser menor do que a correspondente ao valor mínimo de b.
3.3. Vigas com todas as faces expostas ao fogo
No caso de vigas com todas as faces expostas ao fogo, podem aplicar-se as regras e quadros anteriormente apresentados, desde que sejam observadas as seguintes disposições:
- • a altura da viga não deve ser inferior ao valor de bmin correspondente à classe de resistência ao fogo em causa;
- • a área da secção transversal da viga não deve ser inferior a 2 b2min;
- • os valores das distâncias a devem ser aplicados a todas as armaduras longitudinais, seja qual for a face a que se encontrem adjacentes;
- • nas vigas em I aplicam-se ao banzo superior as mesmas regras indicadas para o banzo inferior.
4. Lajes
As lajes desempenham, em geral, além da função de suporte, a função de compartimentação, ao passo que só a primeira função é exigida às vigas.
No que se refere à função de suporte, ela é condicionada pela protecção das armaduras, que é naturalmente dependente do seu revestimento. A função de compartimentação, em especial no aspecto de isolamento térmico, está relacionada fundamentalmente com a espessura da laje e com a eventual presença de revestimentos isolantes, desde que estes mantenham a sua eficiência perante o aumento de temperatura a que ficam sujeitos.
Deste modo, os dados apresentados nas secções seguintes, relativos a lajes maciças, a lajes aligeiradas (vazadas, nervuradas, ou com blocos de cofragem incorporados) e a lajes fungiformes, referem-se a classes de resistência ao fogo, CRF, que envolvem os dois tipos de exigências indicados - de suporte e de compartimentação.
Note-se que os valores de a especificados nos quadros são análogos aos indicados para as vigas, embora menores nos casos em que é possível ter em conta os efeitos do funcionamento bidireccional das lajes.
Quadro 20. Lajes maciças
| Classes de resistência ao fogo | Valores mínimos da espessura h (cm) | Valores mínimos de a (cm) | |||
| Lajes simplesmente apoiadas | Lajes contínuas | ||||
| armadas numa só direcção | armadas nas duas direcções | ||||
| ly / lx ≤ 1,5 | ly / lx = 2,0 | ||||
| CRF 60 | 8 | 2,5 | 1,0 | 2,5 | 1,0 |
| CRF 90 | 10 | 3,5 | 1,5 | 3,5 | 1,5 |
| CRF 120 | 12 | 4,5 | 2,0 | 4,5 | 2,0 |
| CRF 180 | 15 | 6,0 | 3,0 | 6,0 | 3,0 |
| CRF 240 | 18 | 7,0 | 4,0 | 7,0 | 4,0 |
Notas: h é a espessura da laje acrescida das espessuras equivalentes, em betão, dos revestimentos de piso e de tecto (ver parte final da secção 2 do presente capítulo); lx e ly são os vãos da laje (ly > lx);
para 1,5 < ly / lx < 2,0, os valores de a podem ser interpolados linearmente; nas lajes contínuas armadas numa só direcção devem ser aplicadas as regras definidas para as vigas contínuas no que se refere às armaduras de momentos negativos.
4.1. Lajes maciças
No Quadro 20 apresentam-se as regras a observar para conferir às lajes maciças segurança em face da acção do fogo, no que se refere quer à função de suporte - parâmetro a - quer à função de compartimentação parâmetro h.
4.2. Lajes vazadas
As lajes vazadas podem ser tratadas como lajes maciças, desde que o valor da espessura da laje seja substituído pelo valor da relação Ac / m, em que Ac é a área de betão correspondente à largura m indicada na Figura 26.
Figura 26. Laje vazada
No caso da existência de vazios de grande largura, a espessura de betão acima e abaixo desses vazios não deve ser inferior a 5 cm.
4.3. Lajes nervuradas
Do ponto de vista da resistência ao fogo, as lajes nervuradas devem satisfazer as condições indicadas no Quadro 21, quando a distância entre nervuras não exceder 1,50 m e quando a rotura de uma nervura não envolver o colapso da laje. Se qualquer destas condições não se verificar, as nervuras devem ser tratadas como vigas e as lajetas como lajes maciças.
4.4. Lajes com blocos de cofragem incorporados
As lajes com blocos de cofragem incorporados devem ser tratadas como lajes nervuradas. No entanto, se na face inferior da laje for aplicado um revestimento adequado e se a distância entre nervuras (ou entre vigotas incorporadas) não exceder 0,60 m, estas lajes podem ser consideradas como lajes vazadas.
Consideram-se adequados os revestimentos de argamassa de cimento, cal e areia de espessura não inferior a 1,5 cm e os de argamassa de gesso de espessura não inferior a 1,0 cm.
4.5. Lajes fungiformes
As lajes fungiformes devem satisfazer as condições expressas nas secções anteriores excepto no que se refere à espessura da zona maciça sobre os apoios.
Com efeito, esta espessura que, de acordo com o artigo 93.º, não deve nunca ser inferior a 15 cm, deverá ser aumentada para 20 cm, no mínimo, no caso de pilares sem capitéis e desde que a classe de resistência ao fogo seja igual ou superior a CRF 60.
Quadro 21. Lajes nervuradas
| Classes de resistência ao fogo | Valores mínimos da espessura da lajeta h (cm) | Valores mínimos de b e correspondentes mínimos de a (cm) | |||
| Lajes simplesmente apoiadas | Lajes contínuas | ||||
| CRF 60 | 8 | b a |
9 3,0 |
b a |
8 2,5 |
| CRF 90 | 10 | b a |
11 4,0 |
b a |
9 3,0 |
| CRF 120 | 12 | b a |
13 5,5 |
b a |
11 4,5 |
| CRF 180 | 14 | b a |
15 6,5 |
b a |
13 5,5 |
| CRF 240 | 15 | b a |
18 7,5 |
b a |
15 6,5 |
Nota: h é a espessura da lajeta acrescida das espessuras equivalentes, em betão, dos revestimentos de piso e de tecto (ver parte final da secção 2 do presente capítulo).
5. Pilares
O comportamento dos pilares de betão armado face à acção do fogo é influenciado, de modo muito significativo, pelas condições de exposição, pela maior sensibilidade aos fenómenos de encurvadura e ainda pela ocorrência de deslocamentos transversais das extremidades dos pilares, devido à dilatação das vigas a que se encontram ligados, o que pode causar roturas por esforço transverso no caso de pilares muito rígidos.
O tratamento geral do problema é portanto naturalmente complexo, só sendo possível estabelecer regras simples desde que se delimite o seu campo de aplicação. Assim, as indicações contidas no Quadro 22 são apenas aplicáveis aos casos correntes de pilares de secção rectangular que satisfaçam as seguintes condições:
- • a esbelteza deve ser limitada de modo que a relação l / b não exceda valores da ordem de 25, sendo l a altura do pilar e b a menor dimensão da sua secção recta;
- • as extremidades dos pilares devem estar ligadas a vigas ou outros elementos que lhes confiram um certo grau de encastramento;
- • o deslocamento relativo entre as extremidades do pilar, resultante da dilatação térmica das vigas, não deve ser significativo (o que pode ser conseguido por meio de uma adequada compartimentação corta-fogo ou por recurso a juntas de dilatação);
- • os varões longitudinais devem ser suficientemente cintados.
Quadro 22. Pilares
| Classes de resistência ao fogo | Pilares expostos por todas as faces | Pilares expostos por uma só face | ||||
| Valores mínimos de b e correspondentes mínimos de a (cm) | Valores mínimos de a para os valores de b indicados (cm) | Valores mínimos de b e correspondentes mínimos de a (cm) | ||||
| CRF 60 | b a |
20 3,0 |
b a |
≥24 2,5 |
b a |
12 2,5 |
| CRF 90 | b a |
24 4,5 |
b a |
≥30 3,5 |
b a |
14 3,5 |
| CRF 120 | b a |
30 5,5 |
b a |
≥40 4,5 |
b a |
16 4,5 |
| CRF 180 | b a |
40 7,0 |
b a |
≥50 6,0 |
b a |
20 6,0 |
| CRF 240 | b a |
45 8,0 |
b a |
- | b a |
24 7,0 |
Nota: O valor de b, no caso de pilares expostos por todos os lados, é o da menor dimensão da secção transversal; no caso de pilares expostos apenas por uma face, o valor de b é o da face exposta ao fogo.
6. Paredes
6. 1. Paredes sem funções de suporte de cargas
As paredes de que se trata nesta secção são paredes maciças de betão (armado ou não armado) destinadas, fundamentalmente, a funções de compartimentação, embora possam também servir como elementos de contraventamento.
As exigências de resistência ao fogo atribuídas a estas paredes reduzem-se às que são específicas daquelas funções (estanquidade às chamas e isolamento térmico) e são satisfeitas, essencialmente, condicionando a sua espessura. No Quadro 23 apresentam-se, em função da classe de resistência ao fogo, as espessuras mínimas requeridas.
Quadro 23. Paredes sem funções de suporte de cargas
| Classes de resistência ao fogo | Espessura da parede |
| CRF 60 | 8 |
| CRF 90 | 10 |
| CRF 120 | 12 |
| CRF 180 | 15 |
| CRF 240 | 18 |
6.2. Paredes com funções estruturais
As paredes com funções estruturais têm que assegurar, em todos os casos, estabilidade ao fogo e, frequentemente, também estanquidade às chamas e isolamento térmico correspondentes às funções de compartimentação.
As regras indicadas no Quadro 24 aplicam-se a paredes que obedeçam às seguintes condições:
- • a razão entre a altura da parede e a sua espessura não seja superior a 25;
- • a relação entre o momento flector e o esforço normal, em qualquer secção, não seja superior a 1/6 da espessura da parede.
Quadro 24. Paredes com funções estruturais
| Classes de resistência ao fogo | Valores mínimos de e (espessura da parede) e correspondentes mínimos de a, em função da tensão máxima σ cmax na parede (cm) | |||
| σ cmax < 15 fck | 0,15 fck ≤ σ cmax < 0,30 fck | |||
| CRF 60 | e a |
12 1,5 |
e a |
14 2,5 |
| CRF 90 | e a |
14 2,5 |
e a |
17 3,5 |
| CRF 120 | e a |
16 3,5 |
e a |
22 4,5 |
| CRF 180 | e a |
20 5,5 |
e a |
30 6,5 |
| CRF 240 | e a |
24 7,5 |
e a |
40 8,5 |
7. Tirantes
Para assegurar a resistência ao fogo dos elementos sujeitos predominantemente a esforços de tracção, as dimensões da secção transversal e o recobrimento das armaduras devem ser tais que respeitem as condições indicadas no Quadro 25, relativas a elementos expostos ao fogo por todas as faces.
Quadro 25. Tirantes
| Classes de resistência ao fogo | Valores mínimos de b e correspondentes mínimos de a (cm) | Valores mínimos de a para os valores de b indicados (cm) | ||
| CRF 60 | b a |
12 5,0 |
b a |
≥30 3,5 |
| CRF 90 | b a |
15 6,5 |
b a |
≥40 4,5 |
| CRF 120 | b a |
20 7,5 |
b a |
≥50 5,5 |
| CRF 180 | b a |
24 9,0 |
b a |
≥60 7,0 |
| CRF 240 | b a |
28 10,0 |
b a |
≥70 8,0 |
Nota: O valor de b corresponde a menor dimensão da secção transversal do tirante.
Quando haja que considerar a deformabilidade dos tirantes devido à elevação da temperatura, por os alongamentos resultantes poderem comprometer a capacidade resistente da estrutura, deve-se considerar a variação, com a temperatura, do módulo de elasticidade e do coeficiente de dilatação térmica do aço.
Anexo 3 Pré-esforços
1. Valor máximo do pré-esforço na origem
O valor máximo do pré-esforço na origem po’, traduzido pela correspondente tensão na armadura, σpo’ não deve ser superior a 0,75 do valor característico da tensão de rotura, fpuk, nem exceder 0,85 do valor característico da tensão limite convencional de proporcionalidade a 0,1%, fp0,1k, ou seja:
σpo’ ≤ 0,75 fpuk
σpo’ ≤ 0,85 fp0,1k
2. Perdas instantâneas devidas a atritos ao longo das armaduras
Em elementos de betão pós-tensionados, as perdas de tensão por atrito ao longo das armaduras, Δσpo,fr(x), quando da aplicação do pré-esforço, podem ser calculadas pela expressão:
Δσpo,fr(x) = σpo’(1 - e-µ(ß + kx))
em que:
x distância da secção considerada à extremidade da armadura em que é aplicado o pré-esforço; no caso de ser aplicado em ambas as extremidades, a distância x será referida à extremidade que determina o maior valor de pré-esforço na secção;
σpo’ tensão de tracção (positiva) correspondente ao pré-esforço na origem, Po,;
µ coeficiente de atrito entre a armadura de pré-esforço e a conduta;
ß soma dos valores absolutos (em radianos) dos ângulos de desvio do traçado da armadura de pré-esforço, ao longo da distância x;
k desvio angular parasita por unidade de comprimento.
Os valores de µ e de k dependem basicamente das características das superfícies em contacto e das condições em que se encontram (lubrificadas, por exemplo) e devem, portanto, para cada tipo de armadura e de conduta, ser objecto de determinações experimentais.
Em elementos de betão pretensionados não há, em geral, que considerar perdas por atrito. Nos casos, porém, em que o traçado da armadura entre os dispositivos de aplicação de forças não seja livre, mas vinculado de qualquer forma, haverá que ter tal facto em consideração, determinando experimentalmente as perdas de tensão.
No caso de não se dispor de dados experimentais de confiança para a fixação dos valores de k e µ, poderão adoptar-se para k o valor de 0,01 por metro e para µ os valores seguintes:
| para armaduras em condutas sem revestimento | µ = 0,50 |
| para cabos em feixe, constituídos por fios ou por cordões, em bainhas metálicas | µ = 0,30 |
| para cordões ou fios isolados, em bainhas metálicas | µ = 0,25 |
Estes valores de µ pressupõem que não são utilizados lubrificantes e que, no caso de cabos, todos os seus elementos são traccionados simultaneamente; o emprego de lubrificantes permitiria considerar valores menores, enquanto que deverão ser adoptados valores mais elevados se a aplicação de tensão aos elementos do cabo não for simultânea. Os valores de k são dependentes dos deslindamentos parasitas das bainhas e estão portanto relacionados com a rigidez das bainhas e a perfeição do seu posicionamento.
Note-se, finalmente, que a expressão apresentada em 2.1 pode, nos casos em que µ(ß+kx)<0,20, ser substituída por:
Δσpo,fr(x) = σpo’ [µ(ß+kx)]
3. Perdas instantâneas devidas à deformação do betão
Em elementos de betão pretensionados, as perdas de tensão devidas à deformação instantânea do betão, Δσpo,e (x), podem ser calculadas pela expressão:
| Δσpo,e (x) = - |
Ep
|
σc (x) |
| Ec,j |
em que:
Ep módulo de elasticidade da armadura de pré-esforço;
Ec,j módulo de elasticidade do betão com a idade que tem quando lhe são aplicadas as acções (pré-esforço e outras acções permanentes);
σc (x) tensão de compressão (negativa) no betão, na secção x, calculada ao nível do centro mecânico da armadura de pré-esforço, resultante do pré-esforço aplicado e de outras acções permanentes actuantes.
Em elementos de betão pós-tensionados, haverá que considerar perdas deste tipo para atender aos efeitos da aplicação do pré-esforço em cada armadura sobre os pré-esforços das armaduras vizinhas, já tensionadas anteriormente.
De uma forma simplificada e nos casos em que as armaduras sejam iguais e se situem relativamente próximas umas das outras, poder-se-ão estimar as perdas referidas no artigo, assimilando-as a uma perda média, afectando cada uma das armaduras, dada por:
| Δσpo,e (x) = | - |
1
|
n - 1
|
Ep
|
σc (x) |
| 2 | n | Ec,j |
sendo n o número de armaduras e compreendendo σc (x) a totalidade do pré-esforço.
4. Perdas instantâneas nos dispositivos de amarração
As perdas de tensão devidas ao escorregamento da armadura no dispositivo de amarração, e à deformação ou deslocamento deste, devem ser convenientemente consideradas com base em resultados experimentais relativos ao sistema de pré-esforço em causa.
No caso de elementos pretensionados, as perdas deste tipo a considerar são as resultantes do deslizamento eventual da armadura em relação à sua amarração na mesa de fabrico.
Note-se que estas perdas de tensão, no caso de elementos pós-tensionados, são máximas na extremidade da armadura e decrescem, devido ao atrito, para o interior do elemento, podendo mesmo anular-se a partir de uma certa distância da extremidade.
5. Outras perdas instantâneas de pré-esforço
Além das perdas referidas nos artigos anteriores, deverá ainda considerar-se a possibilidade de ocorrência de outras perdas instantâneas resultantes do processo particular de execução.
Em especial, no caso de elementos pretensionados, devem considerar-se como perdas instantâneas a perda de tensão devida a relaxação das armaduras, desde o seu traccionamento até à sua libertação, efectuada após a presa do betão já processada quando se efectua a referida libertação.
6. Pré-esforço inicial
A tensão na armadura de pré-esforço na secção x, devida ao pré-esforço inicial σpo (x), obtém-se da tensão na origem, σpo, subtraindo-lhe o somatório das perdas instantâneas, ΣΔσpo,i (x), referidas nos (2) a (5). Será portanto:
σpo (x) = σpo’ - ΣΔσpo,i (x)
7. Perdas diferidas resultantes da retracção e fluência do betão e da relaxação das armaduras
As perdas de tensão devidas à retracção e fluência do betão e à relaxação das armaduras, Δσpt,s+c+r (x), devem ser determinadas tendo em conta a evolução destes fenómenos no tempo e considerando de modo adequado a sua interacção.
Em geral, e quando as armaduras de pré-esforço estejam tão próximas que possam ser assimiladas a uma única armadura, as perdas referidas podem ser determinadas de modo suficientemente aproximado pela expressão seguinte:
| Δσpt,s+c+r (x) = |
|
εcs(t, t0)Ep + a φc (t, t0) [σc,g (x) + σc,po (x)] - Δσp,t-to,r (x)
|
|||||||
| 1 - α |
σc,po (x)
|
[ | 1 + |
φc (t, t0)
|
] | ||||
| σpo (x) | 2 | ||||||||
em que
t0 idade do betão à data em que foi aplicado o pré-esforço;
t idade do betão à data em que se pretende determinar as perdas de pré-esforço;
εcs(t, t0) extensão devida à retracção livre do betão entre as idades t0 e t (sinal negativo para encurtamento);
Ep módulo de elasticidade da armadura de pré-esforço;
α coeficiente de homogeneização aço-betão, considerando os valores do módulo de elasticidade do betão Ec28 indicados no artigo 30.º;
φc (t, t0) coeficiente de fluência na idade t, correspondente à aplicação da tensão na idade t0;
σc,g (x), σc,po (x) tensões no betão na secção x, calculadas ao nível da armadura de pré-esforço, devidas às acções permanentes (com exclusão do pré-esforço) e ao pré-esforço inicial, respectivamente (sinal negativo para compressão);
σpo (x) tensão na armadura de pré-esforço, na secção x, devida ao pré-esforço inicial (sinal positivo);
Δσp,t-to,r (x) perda de tensão na armadura de pré-esforço, na secção x, devida à relaxação entre t0 e t, calculada para uma tensão inicial dada por:
σp (x) = σpo+g(x) - 0,3 Δσpt,s+c+r (x)
sendo σpo+g a tensão na armadura devida ao pré-esforço inicial e às outras acções permanentes actuantes a partir da idade t0.
A determinação da fluência e da retracção do betão deve ser feita de acordo com o exposto no artigo 31.º; no que se refere a relaxação do aço, a sua quantificação deve ser efectuada de acordo com o artigo 41.º
No presente artigo, porém, trata-se de quantificar as perdas de pré-esforço devidas à acção dos referidos factores, intervindo simultaneamente e, portanto, com efeitos interdependentes. A resolução do problema é em si bastante complexa mas, atendendo a que a quantificação precisa dos múltiplos parâmetros que influenciam o fenómeno é, em geral, muito difícil, nas situações correntes são aceitáveis soluções aproximadas do problema tais como a indicada no artigo.
Refira-se também que, frequentemente, além do pré-esforço inicial, interessa apenas conhecer o pré-esforço final, para o que basta calcular as perdas diferidas a tempo infinito. Para este efeito, com aproximação aceitável, pode utilizar-se a seguinte expressão:
| Δσp∞,s+c+r (x) = Δσp∞,s+c (x) + Δσp∞,r (x) | [ | 1 - |
2 Δσp∞,s+c (x)
|
] |
| σpo (x) |
em que:
Δσp∞,s+c (x) = - εcs (t∞, t0)Ep - αφc (t∞, t0) [σc,g (x) + σc,p∞ (x)]
8. Pré-esforço final
A tensão na armadura de pré-esforço, na secção x, devida ao pré-esforço final σp∞ (x), obtém-se da tensão devida ao pré-esforço inicial σpo (x), subtraindo-lhe as perdas diferidas a tempo infinito, calculadas de acordo com o (7). Será portanto:
Δp∞ (x) = σpo (x) - Δσp∞,s+c+r (x)
9. Transmissão do pré-esforço ao betão
As tensões induzidas no betão pelas armaduras de pré-esforço só poderão considerar-se linearmente distribuídas na secção transversal da peça a uma distância da extremidade dessas armaduras (distância de regularização), determinada com base no especificado nos números seguintes.
No caso de elementos pós-tensionados, a referida distância de regularização de tensões pode ser determinada, admitindo que as forças de pré-esforço se difundem, a partir do órgão de amarração, no interior de um ângulo de abertura ß, tal que tgß=2/3 (Figura 27). Quando tal difusão, partindo da alma, atinja o plano médio de um banzo, pode admitir-se que a difusão ao longo deste se faz também de forma idêntica.
Figlura 27. Regularização de tensões em elementos pós-tensionados.
No caso de elementos pré-tensionados, a distância de regularização, lp, deve ser obtida pela expressão:

em que:
lbp comprimento de amarração da armadura de pré-esforço;
a distância entre o baricentro da armadura de pré-esforço e a fibra extrema mais afastada.










