| 
  | |||||||||||
| ¸g¾AÀ³¤Æ³B²z : | |||
| ¤w§ó§ï : | |||
| ¬ÛÃöªk³W : | |||
| ¬ÛÃöÃþ§O : | |||
| ¡mLegisMac¡nªºªk¨ÒµùÄÀ | |||
²Ä60/96/M¸¹ªk¥O
¤Q¤ë¤C¤é
¥»ªk³Wªºµü¥y¤w³Q²Ä27/2024¸¹ªk«ß¾AÀ³¤Æ³B²z¡C
¥»ªk³W¤w×§ïªíz ¡V ½Ð¬d¾\¡J²Ä27/2024¸¹ªk«ß
¿ûµ¬²V¾®¤g¤Î¹wÀ³¤O²V¾®¤gµ²ºc³W³¹
²Ä¤@±ø
¡]®Öã¡^
®Öãªþ©ó¥»ªk³W¥B¦¨¬°¨ä²Õ¦¨³¡¤À¤§¡m¿ûµ¬²V¾®¤g¤Î¹wÀ³¤O²V¾®¤gµ²ºc³W³¹¡n¡C
²Ä¤G±ø
¡]ºÊ¹î¡^
¤g¦a¤u°È§½¡]¸²¤åÁY¼g¬°DSSCU¡^¤Î¨ä¥L«P¶i¤½¦@¤uµ{¤§¹êÅé¡At³dºÊ¹î¹ï¡m¿ûµ¬²V¾®¤g¤Î¹wÀ³¤O²V¾®¤gµ²ºc³W³¹¡n¤§¿í¦u¡C
²Ä¤T±ø*
* ¤£¥Í®Ä - ½Ð¬d¾\¡G²Ä27/2024¸¹ªk«ß
²Ä¥|±ø
¡]³B»@¨î«×¡^
¦]¤£¿í¦u¡m¿ûµ¬²V¾®¤g¤Î¹wÀ³¤O²V¾®¤gµ²ºc³W³¹¡n¦Ó¾A¥Î¤§³B»@¨î«×¬°±M¦³ªk³W¤§¼Ðªº¡C
²Ä¤±ø*
* ¤£¥Í®Ä - ½Ð¬d¾\¡G²Ä27/2024¸¹ªk«ß
²Ä¤»±ø
¡]¶}©l¥Í®Ä¡^
¥»ªk³W¤½§G¤»¤Q¤é«á¶}©l¥Í®Ä¡C
¿ûµ¬²V¾®¤g¤Î¹wÀ³¤O²V¾®¤gµ²ºc³W³¹
²Ä¤@½s
¤@¯ë³W©w
²Ä¤@³¹
Á`«h
²Ä¤@±ø
¼Ðªº¤Î¾A¥Î½d³ò
¤@¡B¥»³W³¹¨î©w¤F¿ûµ¬²V¾®¤g¤Î¹wÀ³¤O²V¾®¤g³]p»P¬I¤u»Ý¥Î¤§³W«h¡A¨Ã¥H«Î¦tµ²ºc¤Î¾ô¼Ùµ²ºc¤§¦w¥þ¤Î²ü¸ü³W³¹¡]RSA¡^¤¤©Ò¦C¤§¤@¯ë¦w¥þ¼Ð·Ç¬°°ò¥»¡C
¤G¡B¥»³W³¹¤£¦Ò¼{¿û-²V¾®¤g½Æ¦Xµ²ºc¡B»´½è²V¾®¤gµ²ºc¡B¤Î«½è²V¾®¤gµ²ºc¡C»´½è²V¾®¤g«ü¨ä±K«×¤p©ó2000 kg/m3¡A¦Ó«½è²V¾®¤g«h«ü¨ä±K«×¤j©ó2800 kg/m3¡C
²Ä¤G±ø
²Å¸¹¤Î³æ¦ì
¤@¡B¥»³W³¹©Ò±Ä¥Î¤§²Å¸¹¦C©ú©óªþ¥ó¤@¡C
¤G¡B¤£¦PºØÃþ¤§ª«²z¶q³æ¦ì«Y«ö·Ó°ê»Ú¼Ð·Ç³æ¦ì¡]SI¡^¡A¥H¤U¬°¤@¨Ç«ØÄ³¤§³æ¦ì¡G
| ½è¶q | kg | 
| ¶°¤¤²ü¸ü¤Î§¡§G²ü¸ü | kN, kN/m, kN/m2 | 
| ®e« | kN/m3 | 
| À³¤O¡B±j«× | N/mm2, MPa, GPa | 
| Ås¯x | kN/m | 
²Ä¤G³¹
µ²ºc·§©À
²Ä¤T±ø
¤@¯ë¼Ð·Ç
¤@¡Bµ²ºcª«À³¦b¨ä³]p¹Ø©R´Á¶¡¦b¨¬°÷¤§¦w¥þ«×¤U¼i¦æ©Ò©w¤§¥\¥Î¡A¦Ó¥B¤£¦Ü²£¥Í¸gÀÙ¤W¤Î¬üÆ[¤W¤§·l¥¢¡C
¤G¡B±Ä¥Î¤§µ²ºcÅéÀ³²M·¡µù©ú¨ä¥\¥Î¤Î¥H¨¬°÷²z½×¤Î¸gÅ笰¨Ì¾Ú¨Ó½T¥ß¹wp¤§ª¬ºA¡C°£¦¹¤§¥~¡A¥çÀ³¥Oµ²ºc¤£·|¥X²{³Ò·l¯}Ãa©Î¦]¨ä¤¤¤@ºc¥ó¯}Ãa¦Ó¾ÉP³sÂê˶ò¡]º¥¶i˶ò¡^¡C
¤T¡Bµ²ºc·§©À°£¦Ò¼{³]p²ü¸ü¤Î§÷®Æ©Ê¯à¥~¡A¥çÀ³Ó§O¦Ò¼{¥~¬ÉÀô¹Ò¡B¦a°ò¤gÄ[¯S©Ê¤Î©Ò¿ï¥Î¤§«Ø¿v¤èªk¡C®Ú¾Ú¸ü©ó¤U±ø¤§¼Ð·Ç¡A¯S§O»Ýnª`·N·¤O§@¥Î¤Î¦a¾_§@¥Î¡C
¥|¡Bµ²ºc·§©ÀÀ³¦Ò¼{¨CºØ¥i¯à±µÄ²¨ì¤§°¸µM§@¥Î¡]Ãz¬µ¡B¤õ¨a¡B¨T¨®¼²À»µ¥¡^¡A¨Ã¾¨¥i¯à³q¹L³]¬I±N¨ä®ÄÀ³´î»´©Î´î¦Ü³Ì§C¡C
²Ä¥|±ø
·¤Î¦a¾_§@¥Î
¤@¡Bµ²ºc·§©À¤¤À³¤Ï¬M¥X¹ï·¤O§@¥Î¤Î¦a¾_§@¥Î¤§¦Ò¼{¡A·í±¹ï¸Ó§@¥Î®É¡A»Ý³q¹L¯S§O³]¬I¨Ó¥[±jµ²ºc¤§¥\¯à¡C¦]¦¹¡A¦b¥i¦æ±¡ªp¤UÀ³¦Ò¼{¤U¦CnÂI¡G
a¡^ µ²ºcè©Ê¤@¤è±nÅU¤Î±N¦a¾_§@¥Î©Ò³y¦¨¤§¼vÅT´î¦Ü³Ì§C¡A¥t¤@¤è±¥çn¨î¤j¦ì²¾¤§¥X²{¡A¨Ã¥H·¤O§@¥Î¤Î¦a¾_§@¥Î§@¬°ºn¥iÅܤƧ@¥Î¥H°ò¥»²Õ¦X§@pºâ¡F
b¡^ µ²ºc¤¤©Ò¦³ºc¥óÀ³¯à¬Û¤¬³sµ²©ó©Ò¦³¤è¦V¤W¡A³sµ²¼Ò¦¡n½T«O¨ä¦³®Ä¹B§@¡F
c¡^ µ²ºcÅ餧§G¸mÀ³±Ä¥Î¹ïºÙ§Î¦¡¡A¨Ã«ØÄ³¦¹§Î¦¡À³«ö«Ø¿vª«¤§½è¶q§@¹ïºÙ¦Ò¼{¡F
d¡^ ÀHµÛ°ª«×¤§¼W¥[¡Aè«×¤Î½è¶q¤£¥i¥X²{¹L¤jÅܤơF
e¡^µ²ºcÅé«Y¥i¥H§Q¥Î«D¼u©ÊÅܧζi¦æ®ø¯à¡A¦ý¨äºc¥ó»Ýn¦³¨¬°÷¤§©µ®i©Ê¡C
¤G¡B¦í¦v©Î°Ó¦í¼Ó¦t°ª«×¶W¹L 30 m ®É¡A«ö·¤O§@¥Î¬°¥iÅܧ@¥Î¤§°ò¥»²Õ¦X¤U¡Aµ²ºcÅé©Ò¤¹³\¤§³Ì¤j¤ô¥¦ì²¾dw,max¬°¡G
| dw, max | = 0.001h | n | 
| 40 | 
¦¹³B¡G
h ¦a±¤W°_p¤§¼Ó¦t°ª«×¡F
n ¦a±¤W°_p¤§¼Ó¦t¼h¼Æ¡C
¤T¡B¨â¬Û¾Fµ²ºcÅ餧¶¡n¦³¨¬°÷¤§¶ZÂ÷¥H¨¾¤î¥Ñ©ó¦a¾_¦Ó²£¥Í¸I¼²¡A·í¨âµ²ºcÅ餧ÅܧίS©Ê¬Û²§«Ü¤j®É¡A¸Ón¨D¤×¨ä«n¡C
²Ä¤T³¹
¤@¯ë¦w¥þ¼Ð·Ç
²Ä¤±ø
¦w¥þ©Ê¤§½T©w
¿ûµ¬²V¾®¤g¤Î¹wÀ³¤O²V¾®¤gµ²ºc¦w¥þ©Ê¤§½T©w¡AÀ³®Ú¾Ú¥ÑRSA©Ò«Ø¥ß¤§¤@¯ë¼Ð·Ç¤Î¥»³W³¹¤§³W©w¬°¤§¡C
²Ä¤»±ø
©Ó¸ü¯à¤O·¥ª¬ºA
©Ó¸ü¯à¤O·¥ª¬ºA¥i¦Ò¼{¬°¡G
a¡^ ±j«×¤§©Ó¸ü¯à¤O·¥ª¬ºA¡X¡X¹ïµ²ºcºc¥óÂ_±¨ü¯h³Ò©Î«D¯h³Ò§@¥Î¦Ó¾ÉP¤§¯}Ãa©Î¹L¤j¤§ÅܧΡF
b¡^ ®À¦±¤§©Ó¸ü¯à¤O·¥ª¬ºA¡X¡X¹ïµ²ºcºc¥ó¤§¤£Ã©w©Îµ²ºcÅ饻¨¤§¤£Ã©w¡F
c¡^ ¥¿Å¤§©Ó¸ü¯à¤O·¥ª¬ºA¡X¡X±Nµ²ºcÅé¦Ò¼{¬°èÅé®É¡A¨äµ²ºc¤@³¡¤À©Î¾ãÓµ²ºcÅ餧¥¢¥h¥¿Å¡C
©Ó¸ü¯à¤O·¥ª¬ºA¦w¥þ©Ê½T©w³W©w¤F±j«×¤Î®À¦±¤§©Ó¸ü¯à¤O·¥ª¬ºAÀ³²Å¦X©è§Ü¯à¤O³]pÈ¡]«ö±¡ªp§ï¬°¥H²ü¸ü¡A¤O©ÎÀ³¤O§@¦Ò¼{¡^¡A¦Ó¦¹³]pÈ«Y®Ú¾Ú¥»³W³¹¤¤¤§³W«h©Ò¨D±o¡C
²Ä¤C±ø
¥¿±`¨Ï¥Î·¥ª¬ºA
¥¿±`¨Ï¥Î·¥ª¬ºA¬°¦b¥¿±`¨Ï¥Î¤U¡AµõÁ_¤è±¤§·¥ª¬ºA¤ÎÅܧΤ豤§·¥ª¬ºA¡C
µõÁ_¤è±¤§·¥ª¬ºA¥i¦Ò¼{¬°¤U¦C±¡ªp¡G
a¡^ ´îÀ£¤§·¥ª¬ºA¡X¡X´îÀ£§Y¬°¸g¥Ñ¹w¤O©Î¨ä¥L¥¿¦VÀ£¤O©óÂ_±¬Y¤@¯S©wÅÖºû³B©Ò§Î¦¨¤§¥¿¦VÀ£¤O°§C¡C¤@¯ë¦Ó¨¥¡AÂ_±¤¤¤§¯S©wÅÖºû³B«Y«üÂ_±³Ì¥~½t¤§ÅÖºû¼h¡C·í¹wÀ³¤O¬I¥[«á¡AÂ_±±i©Ô§¹¦¨¡AÂ_±¤¤¤£¦Ò¼{¥~¥[¹wÀ³¤O§@¥Î®É¡A¥Ñ©ó´Ý¾l¤O¤§§@¥Î¸ÓÅÖºû¼h·|¥X²{±i¤O¤§¼W¥[¡]§YÀ£¤O¤§´î¤Ö¡^¦Ó§Î¦¨´îÀ£²{¶H¡F
b¡^ µõÁ_¼e«×¤§·¥ª¬ºA¡X¡X©óÂ_±¬Y°ò·Ç±¤W¥X²{µõÁ_¡A¨ä¼e«×¯S¼xÈÀ³µ¥©ó¼e«×³W©wÈ¡C¤@¯ë¦Ó¨¥¡A©Ò¿ï¨ú¤§°ò·Ç±¥i°Ñ¦Ò¿ûµ¬¦ì¸m¡A©Î¹ï©ó©Ò¦Ò¼{¤§²ü¸ü²Õ¦X¬°²£¥Í¸û¤j±i¤O¤§¦ì¸m¡C
¹ï©óµõÁ_¤è±¤§·¥ª¬ºAÀ³¹ï¨C¤@Ó§O±¡ªp¶i¦æ¦Ò¼{¡A¦Ó¦U°Ñ¼Æ¤§¥¿½T©w¸q¥i°Ñ¦Ò²Ä¤»¤Q¤T±ø©Òz¡C
ÅܧΤ§·¥ª¬ºA«Y¦bµ²ºcÅ餤¥X²{ÅܧΡA¦Ó¸ÓÅܧΫYÄݩ󦳷lµ²ºc¨Ï¥Î¥\¯à¤è±¤§ÅܧΡC
¦b¬Y¨Ç±¡ªp¤U¡A»Ýn¦Ò¼{¨ä¥LºØÃþ¤§¥¿±`¨Ï¥Î·¥ª¬ºA¡C¨Ò¦p¡A©óµ²ºcÅé¨Ï¥Î±ø¥ó¤W¦³»Ýn¨îµ²ºcÅ餧¾_°Ê¶q¡A³q±`À³Á×§K¦¹¾_°Ê¾ÉP¨Ï¥ÎªÌ·P¨ì¤£µÎªA©Î¦s¦³¤£¦w¥þ¤§·Pı¡C
²Ä¤K±ø
@¤[©Ê
¤@¡B¿ûµ¬²V¾®¤g¤Î¹wÀ³¤O²V¾®¤gµ²ºc¤§³]p¡AÀ³¦b¨ä¨Ï¥ÎÄÖ´Á¤º¹ï¥»¨¤§¦w¥þ¤Î¨Ï¥Îª¬ªp¤£ºc¦¨©ù¶Q¤Î¹w´Á¤£¨ì¤§«O¾i¤Îºû×¶O¥Î¡C
ÕY¤@µ²ºc©ó¨ä³]p¨Ï¥ÎÄÖ´Á¤º¡An¹F¨ì¨¬°÷@¤[©Ê¯à¼Ð·Ç®É¡A«hµ²ºc¦b¨Ï¥Î¯à¤O¡B±j«×¤Îéw©Êµ¥¥\¯à¤WÀ³¨S¦³ÅãµÛ¤§®Ä¯à·l¥¢¡A©Î¤£À³¥X²{¹L¦hºû׫O¾i¤§±¡ªp¡C
Y¤@µ²ºcn±o¨ì©Ò»Ý¤§¾ãÅé@¤[©Ê¡A«hÀ³©w¸q¥Xµ²ºc¤§¥Dn¥Î³~¤Î¹ï¨ä²ü¸ü³W©w§@¦Ò¼{¡C¦P®É¥çÀ³¦Ò¼{µ²ºc©Ò»Ý¤§¨Ï¥ÎÄÖ´Á¤Îºû׫O¾ip¹º¡A¥Î¥Hµû¦ôµ²ºc©Ò»Ý«OÅ@¤§µ{«×¡C
µ²ºc@¤[©Ê¥i¯à¨üª½±µ§@¥Î¼vÅT¤Î¸Óµ²ºc¥»¨¯S©Ê©Ò±a¨Ó¤§¶¡±µ¼vÅT¡]¨Ò¦p¡AÅܧΡB¶}µõ¡B§l¤ô©Êµ¥¡^¡CµM¦Ó¹ï¦³¥i¯à¥X²{¤§ª½±µ¤Î¶¡±µ¼vÅT¥çÀ³¤©¥H¦Ò¼{¡C
¤G¡B²ü¸üÀ³®Ú¾Ú²Ä¥|³¹¤§©w¸q¶i¦æµû¦ô¡C©ó¯S§O±¡ªp¤U¡A¥i¯à»Ýn¹ï¦¹²ü¸üȧ@¥X¾A·í¤§×§ï¥H²Å¦XÓ§O¤§@¤[©Ên¨D¡C
©ó¥»¤å¤¤¡AÀô¹Ò§@¥Î¤@Ãã¹ê¬°±Nµ²ºcµø§@¤@¾ãÅé¡A¨ä¤¤¦Uºc¥ó»Pµ²ºc¤¤¤§²V¾®¤g§¡¼ÉÅS©ó¥~¬ÉÀô¹Ò¤¤¨Ã©Ó¨üµÛ¤Æ¾Ç§@¥Î¤Îª«²z§@¥Î¡A¦Ó©Ò³y¦¨¤§®ÄÀ³¤£¯à¥]¬Aµ²ºc³]p®É©Ò¦Ò¼{¤§²ü¸ü§@¥Î¡C
¹ï¤@¯ë«Ø¿vª«¤§³]p¡A¥~¬ÉÀô¹Ò±ø¥ó¥i®Ú¾Ú²Ä¤»¤Q¤G±ø¶i¦æ¤ÀÃþ¡C
°£¦¹¥H¥~¡A¹ï¬Y¨ÇÓ§O¤§«I»k©Ê©Î¶¡±µ©Ê¤§Àô¹Ò§@¥Î¤]»Ý¤©¥H¦Ò¼{¡C
¤T¡B¤Æ¾Ç©Ê«I»k¹ï²V¾®¤g¤Î©Ò¦³¹w®Iª÷Äݧ÷®Æ©Ò³y¦¨¤§¼vÅTÀ³¦C¤J³]p©Ò¦Ò¼{¤§½d³ò¤º¡C
¤Æ¾Ç©Ê«I»k¥i¥H¤U¦C±¡ªp¥X²{¡G
- ¡X¡X ¥Ñ«Ø¿vª«¤¤©Ò¨Ï¥Î¤§¤Æ¾Çª««~¡]¥H²GºA¶JÂõ¥¡^¡F
 - ¡X¡X ¥Ñ«I»k©ÊÀô¹Ò²£¥Í¡F
 - ¡X¡X ¸g¥Ñ¤j¶q¤Æ¾Çª«¤§®ðÅé©Î²GÅé©Ò±µÄ²¡A¦ý³q±`¦h¥Ñ»Ä©Ê·»²G©Î²¸»ÄÆQ©Ò³y¦¨¡F
 - ¡X¡X ¥Ñ©ó²V¾®¤g¤¤§t¦³´â¤Æª«¡F
 - ¡X¡X ¥Ñ©ó²V¾®¤g¤º¦U²Õ¦¨§÷®Æ¶¡¤§¬Û¤¬¤Æ¾Ç¤ÏÀ³¡C
 
¹ï©ó¤j³¡¤À«Ø¿vª«¡A±o³z¹L±Ä¥Î¦X¾A¤§§÷®Æ³W½d¨Ó¨¾¤î¦³®`¤§¤Æ¾Ç¤ÏÀ³¡C¨Ò¦p²V¾®¤g¼Ð·Ç¡]NB¡^¤¤«ü¥X¡An±o¨ì¤@¸û¤j±K«×¥B¤£©öº¯³z¤§²V¾®¤g¡AÀ³±Ä¥Î¦X¾A¤§ì®Æ¤Î°t¦X¤ñ¡C°£¦¹¥H¥~¡A¨¬°÷¤§«OÅ@¼h«p«×n¨D§¡¥i¹ï¿ûµ¬°_«OÅ@§@¥Î¡C¡]¨£²Ä¤C¤Q¥|±ø¡^¡C
¥|¡Bª«²z©Ê«I»k©Ò±a¨Ó¤§¼vÅTÀ³¦C¤J³]p©Ò¦Ò¼{¤§½d³ò¤º¡Cª«²z©Ê«I»k¤§¥X²{¥i¤À¬°¡G
- ¡X¡X ¿i¯Ó¡F
 - ¡X¡X á-¿Ä¡]·¤Æ§@¥Î¡^¡F
 - ¡X¡X ¤ôº¯³z¡C
 
¹ï©ó¤j¦h¼Æ«Ø¿vª«¡Aª«²z©Ê«I»k±o³z¹L±Ä¥Î¥¿½T¤§§÷®Æ³W½d¤©¥H©è§Ü¡A¨Ò¦p±Ä¥ÎNB¨ÃÁp¦P¦³Ãö¤§²ü¸ü²Õ¦X¤U¾A·í¤§¶}µõ·¥¤©¥H±±¨î¡C
¤¡Bµ²ºc¾ãÅéÅܧΡBµ²ºc¥Dºc¥óÅܧΩΫD©Ó¸üºc¥óÅܧΡ]¨Ò¦p¸g¥Ñ¥~¥[²ü¸ü¡B·Å«×ÅܤơBįÅÜ¡B¦¬ÁY¤Î·L¤p¶}µõ©Ò¤Þ°_¡^§¡¯à¾ÉP¶¡±µ®ÄÀ³¥X²{¡A¦¹®ÄÀ³À³¦C¤J³]p¤§¦Ò¼{½d³ò¤º¡C
¹ï©ó¤j³¡¤À«Ø¿vª«¡A¶¡±µ®ÄÀ³¤§¼vÅT¥i©M¥»³W³¹¤¤¤§¤@¯ë©Ên¨D§@¦P®É¦Ò¼{¡A¨ä¤¤¥]¬A@¤[©Ê¡BµõÁ_¡BÅܧΤκc³y°t¸m¡A¦P®É¨än¨D¤]¥]¬A±j«×¤è±¡Béw©Ê¤Îµ²ºc¾ãÅ餧éTµ¥¡C
°£¦¹¥H¥~¡A¨Ã»Ýn¦Ò¼{¡G
- ¡X¡X ¾¨¶q´î¤Ö¨ü®É¶¡¼vÅT¤§ÅܧΤζ}µõ¡F
 - ¡X¡X ¾¨¶q´î¤Ö¥ÑÅܧΩҳy¦¨¤§»Ùê¡]¨Ò¦p¡A·í¤ä©Ó©Î¸`ÂI¥X²{ÅܧήɡAÀ³½T«O¤£·|¨ü¨ì«I»k¾¯¤§¤J«I¡F
 - ¡X¡X ÕY¦¹Ãþ»Ùê¥X²{¡AÀ³½T«O¥ô¦ó¦³Ãö¤§ÅãµÛ®ÄÀ³§¡¦b³]p¦Ò¼{½d³ò¤º¡C
 
¤»¡B¦b¦´Á³]pµ{§Ç¤¤¡A¥Ñ²Ä¤K±ø©Ò©w¸q¤§§@¥Î©Ò²£¥Í¤§§@¥Î®ÄÀ³À³¥H@¤[©Ên«×§@¦Ò¼{¡C
¹ï©ó¤j¦h¼Æ«Ø¿vª«¡A³]p¼Ð·ÇÀ³°Ñ·Ó¥»±ø¡A¿ûµ¬«OÅ@¼hn¨DÀ³°Ñ·Ó²Ä¤C¤Q¥|±ø¡A§÷®Æ¤Î¬I¤u¤§¤@¯ë¯S©Ê«h¥i°Ñ·Ó¥»³W³¹¤§¨ä¥L±ø´Ú¡C¬°¯à¹F¨ì©Ò»Ý¤§©Ê¯àn¨D¡A©ó³]p¤Î¬I¤u®ÉÀ³¦Ò¼{¤U¦C¦]¯À¡G
- ¡X¡X ©Ò±Ä¥Î¤§µ²ºc§Î¦¡À³¾¨¶q°§C¨ä§l¤ô©Ê©ÎÁ×§K¥~ÅS©ó¤ô¥÷¤¤¡F
 - ¡X¡X ¥~ÅSµ²ºc©Î¥~ÅSºc¥ó¤§²Ó³¡³]p¡A¦b¨ä¥~§Î¤Î¤Ø¤o¤W§¡À³¨ã¦³¾A·í¤§±Æ¤ô³]¬I¡A¨ÃÀ³Á×§K¹L¦h¤§¤ô¬y¸g¨ä¤W¤Î¥ô¦ó¦³¥i¯à¥X²{¤§¿n¤ô±¡ªp¡C¾¨¶q¤p¤ß¥HÁY´î¥ô¦ó¥i¯à¾ÉP¤ô¥÷µ²¶°©Î³q¹L¤§µõÁ_¡CÕYµõÁ_³q¹L¾ãÓÂ_±¨Ã¦³¥i¯à¾ÉP§t´â¦¨¥÷¤§¤ô¥÷º¯¤J¡A«h¦³¥²n¶i¦æÃB¥~¤§«OÅ@±¹¬I¡F
 - ¡X¡X ¹ï¤£¦P¤è±¤§¶¡±µ®ÄÀ³À³©ó³]p¤Î¬I¤u¶¥¬q¤¤¥[¥Hª`·N¡F
 - ¡X¡X ¹ï¤j³¡¤À«Ø¿vª«¤§²Õ¦¨ºc¥ó¡A¿ûµ¬¤§§Ü«I»k©Ê¯à«Y¥Ñ¤@¾A·í¤§«OÅ@¼h©Ò´£¨Ñ¡A¦Ó¸Ó«OÅ@¼hÀ³¬°§C³z¤ô©Ê¡B°ª«~½è¤§²V¾®¤g¡C¦b±¹ï¸û¬°´c¦H¤§¥~ÅSÀô¹Ò®É¡A«h¦³¥²n©ó²V¾®¤gªí±¤Î©ó¿ûµ¬¤W±Ä¥Î¨¾Å@ªý¹j³]¬I¡C
 
¬°½T«O¿ûµ¬²V¾®¤g¤¤¤§¿ûµ¬¨¾«I»k«OÅ@¡AÀ³¿í¦u¤U¦C¦U¶µn¨D¡G
- ¡X¡X À³¤O´T«×¡F
 - ¡X¡X µõÁ_¡F
 - ¡X¡X ÅܧΡF
 - ¡X¡X ¤@¯ë@¤[©Ên¨D¡F
 - ¡X¡X ²V¾®¤g«OÅ@¼h¡F
 - ¡X¡X ¿ûµ¬¤§¬I¤u°t¸m¡C
 
¿ûµ¬«OÅ@¼h«p«×¬°¿ûµ¬ªí±¡]¥]¬AÁpôµ¬¤ÎãTµ¬¡^¨ì³Ì±µªñ¤§²V¾®¤g¦Û¥Ñªí±¶¡¤§¶ZÂ÷¡C«OÅ@¼h¤§³Ì¤p«p«×¤£À³¤p©ó²Ä¤C¤Q¥|±ø©Ò©w¤§È¡CµM¦Ó¡A¸Ó«OÅ@¼h¤§³Ì¤p«p«×¥i¯à¤£¨¬¥Hº¡¨¬¦Ò¼{¨¾¤õ®É©Ò¶·¤§«OÅ@¡C¦³Ãö¨¾¤õ®É«OÅ@¼h©Ò¶·¤§¯S§On¨D±N©óªþ¥ó¤G¤¤»¡©ú¡C
²Ä¥|³¹
§@¥Î
²Ä¤E±ø
Á`«h
½T©w¿ûµ¬²V¾®¤g¤Î¹wÀ³¤O²V¾®¤gµ²ºc¦w¥þ©Ò¨ú¤§§@¥Î¤w¦C©ú©óRSA¤¤¡A¥»³¹¥u¥[¥H¾A·í¤§¸É¥R¡C
²Ä¤Q±ø
·Å«×ÅܤÆ
¤@¡Bnpºâ¥X¤j®ð·Å«×©u¸`ÅܤƩҲ£¥Í¤§§¡¤Ã·Å«×ÅܤƼvÅT¡A²V¾®¤g¼u©Ê¼Ò¶qÈ¥i«ö²Ä¤T¤Q±ø¤¤©Ò¦C¤§È¤§¤G¤À¤@¨ú¥Î¡A¦Ó²V¾®¤g¤Î¿ûµ¬¤§¼ö¿±µÈ«Y¼Æ¡A¥i¥H³]¬°10 x 10-6/oC¡C
¤G¡B·í®Ø¬[µ²ºc¤§³Ì¤j¥±¤Ø¤o¡]¦ùÁYÁ_¤§¶¡¤§¶ZÂ÷¡^¤£¶W¹L30 m®É¡A¥i¥H¤£¦Ò¼{¤W´Ú©Òz¤§§¡¤Ã·Å«×ÅܤơC
¤T¡B¦b¯S§O±¡ªp¤U¡A»Ýn¦Ò¼{§Ö³t§¡¤Ã©Î¤£§¡¤Ã·Å«×ÅܤƮɡA¦pµL¨ä¥¦ÃÒ©ú¡A²V¾®¤g¤§¼u©Ê¼Ò¶qÈÀ³¨ú²Ä¤T¤Q±ø¤¤©Ò¦C¤§È¡C
²Ä¤Q¤@±ø
²V¾®¤g¦¬ÁY
¤@¡Bpºâ²V¾®¤g¦¬ÁY©Ò°µ¦¨¤§¼vÅT¡AÀ³°Ñ·Ó²Ä¤T¤Q¤@±ø¡C
¤G¡B¦b¤@¯ë±¡ªp¤U¡Apºâ²V¾®¤g¦¬ÁY¤§¥~¥[§@¥Î®É¡A¨ä³Ì²×¼vÅT¥i²¤Æ¬°¬Ûµ¥©ó¤@ºC³t¤§§¡¤Ã·Å«×¤U° 15o C¹ïµ²ºc¤§¼vÅT¡A¥ç¥i«ö²Ä¤Q±ø¤§³W©w¶i¦æpºâ¡C
«ö·Ó RSA ¤§¼Ð·Ç¡A²V¾®¤g¦¬ÁYÀ³¤ÀÃþ¬°¥Ã¤[§@¥Î¡A¦]¦¹¦b¦U²ü¸ü²Õ¦X¤¤©Ò¥Î¤§¥iÅܧ@¥Î¤§²Õ¦X«Y¼Æ£r§¡±Ä¥Î¬°1¡C
²Ä¤Q¤G±ø
¦a¾_§@¥Î
«ö¥»³W³¹³]p¤§¿ûµ¬²V¾®¤g¤Î¹wÀ³¤O²V¾®¤gµ²ºc¡A¦b¦UºØ¤ÀªR½d³ò¤U¡A¥i³]¦³¨¬°÷¤§©µ®i©Ê¥H¤¹³\±N RSA ²Ä¤G¤Q¤T±ø©Òz¤§¦a¾_¼vÅT«Y¼Æ°§C¦Ü0.24 £\E¡C
²Ä¤Q¤T±ø
¹wÀ³¤O§@¥Î
³]p¹wÀ³¤O²V¾®¤g®É¡A¨ä¹wÀ³¤O§@¥ÎȤ§¨î©wÀ³«öªþ¥ó¤T¤§»¡©ú¬°¤§¡C
¦b¤j³¡¤À±¡ªp¤U¡]¨Ò¦ppºâÀ³¤O¤Î½u©Ê°Ï°ì¤º¤§¶WÀR©w®ÄÀ³¡^¡A¬I©óµ²ºcÅé¤W¤§¹wÀ³¤O¥iµø§@¥Ã¤[§@¥Î¡C
·ípºâºI±¤§·¥©Ó¸ü¤O®É¡A¹ï©Ò¨Ï¥Î¤§¹wÀ³¤OÀ³¥ý¦Ò¼{¦]¨ä¤Þ°_¤§¬ÛÃöª¬ºA¡C
¹wÀ³¤OÁöµMÀH®É¶¡ÅܤơA¦ý¨ä§@¥Î¤´¥iµø¬°¥Ã¤[§@¥Î¡A¦]¬°¨ä§@¥ÎÅܤƮɶ¡»Pµ²ºc¹Ø©R¬Û¤ñ©Ò¦û¤ñ¨Ò¬Æ¤Ö¡C
²Ä¤³¹
µ²ºc¤ÀªR
²Ä¤Q¥|±ø
Á`«h
¤@¡Bµ²ºc¤ÀªR¤§¥Øªº«Ypºâ¥X¾ãÅéµ²ºc©Î¨ä³¡¤À¤§¤ºÀ³¤O¡BÀ³ÅܩΦ첾¡C·í¦³»Ýn®É¡AÀ³ªþ¥[§½³¡¤ÀªR¡C
¤G¡B¤ÀªR«Y±Nµ²ºcÅ餧´X¦ó§Îª¬¤Î¥\¯à³]¬°²z·Q¤Æ¼Ò¦¡¡A©Ò¿ï¤§²z·Q¤Æ¼Ò¦¡À³¾A¥Î©ó©Ò¦Ò¼{¤§°ÝÃD¡C
²Ä¤Q¤±ø
µ²ºc²z·Q¤Æ¼Ò¦¡
¤@¡B«ö¨ä¥»½è¤Î¥\¯à¡Aµ²ºc¥ó¥i¤À¬°¼Ù¡B¬W¡BªO¡BùÙ¡BÁ¡ªO¡BÁ¡´ß¡B¤}¬[µ²ºcµ¥¡C¹ï¥H¤W¤§´¶³qºc¥ó©Î¥Ñ¸Óµ¥ºc¥ó©Ò²Õ¦¨¤§µ²ºc¤§¤ÀªR¡A¥»³¹´£¨Ñ¹ï¨ä©Ò¾A¥Î¤§³W«h¡C
¤G¡B¼Ù©Î¬W¸ó«×©Îªø«×¤£À³¤Ö©ó¨äºI±°ª«×¤§2¿¡C
¤T¡B·í¼Ù¤§¸ó«×¤Ö©ó¨äºI±°ª«×2¿®É¡AÀ³·í§@²`¼Ù¡C
¥|¡B¨üÀ£¤§ªO¶ôºc¥ó¡A¤£½×ºî¦XÅs¯x»P§_¡A¨ä¼e«×¤£¤Ö©ó4¿¨ä«p«×®É¡A¥i§@Àðºc¥ó¦Ò¼{¡C
¤¡BªO³Ì¤Ö¸ó«×¤£À³¤Ö©ó¨äºI±«p«×¤§4¿¡C
¤»¡B·í¤@¶ôªO¥Dn©Ó¨ü§¡§G²ü¸ü¦Ó¤S²Å¦X¥H¤U¨ä¤¤¥ô¦ó¤@Ón¨D®É¡A¥i·í§@³æ¦VªO¦Ò¼{¡G
a¡^ ¾Ö¦³¨â±øªñ¥G¥¦æ¤§¦Û¥ÑÃä¡]µL¤ä©Ó¡^¡F
b¡^ ¥Ñ¥|¤ä©ÓÃä©Ò³ò¥X¤§¤¤¤ß³¡¤ÀÀ³ªñ¥G¯x§Î¡A¨äªø¡Bµu¸ó¤§¤ñ¨Ò¤j©ó2¡C
¤C¡BY¦ØªO»P®æ¤lªO¤§¼ÙÁl©Î¨üÀ£ªO¶ô¤Î¾î¦V¦Ø¦³¨¬°÷¤§§Ü§áè«×¥i§@¬°¹ê¤ßªO¤ÀªR¡C·í¯àº¡¨¬¤U¦C¦UÂI®É¡A¥i§@¤Wz¤§°²³]¡G
a¡^ ¦Ø¶¡¶Z¤£¶W¹L1.5 m¡F
b¡^ ¼ÙÁl¥H¤U¤§°ª«×¤£¶W¥X¨ä¼e«×¤§4¿¡F
c¡^ ¼ÙÁl«p«×¤£¤Ö©ó¦Ø¶¡²b¶Z¤§¤Q¥÷¤@©Î 50 mm¡A¤GªÌ¨ú¨ä¸û¤jÈ¡F
d¡^ ¦Ø¶¡²b¶Z¤£¤j©ó¨äªO«p¤§10¿¡C
·í¦Ø»P¦Ø¤§¶¡©ñ¤J¥Ã¤[¹êÅé®É¡A¼ÙÁl¤§³Ì¤p«p«×¥i¥Ñ 50 mm´î¬°40 mm¡C
¤K¡BÀ𤧤ô¥¤è¦Vªø«×¤£À³¤Ö©ó¨ä«p«×¤§4¿¡A§_«hÀ³·í§@¬Wºc¥ó¡C
¤E¡B·íº¡¨¬¥H¤U±ø¥ó®É¡Aµ²ºcÅé¥i·í§@«DÂ\°Êµ²ºc¡G

¦¹³B £b = 0.2 + 0.1 n¡An ¬°¡]µ²ºc¼h¼Æ¡^¤Ö©ó4¡A¦Ó £b= 0.6«hnµ¥©ó©Î¤j©ó4¡C¨ä¥L¥N¸¹ª`¸Ñ¦p¤U¡G
htot ¦a°ò¥H¤Wpºâ¤§Á`°ª«×¡F
£UEI §ÜÅsè«×¤§Á`©M¡A¦b¨S¦³¶}µõ±¡ªp¤U±N©Ò¦³¦b¦Ò¼{¤è¦V¤¤¤§««ª½ºc¥óè«×¬Û¥[¡F·íºc¥óè«×ÀH°ª«×¦³ÅܤƮɡAÀ³±Ä¥Î¤@¬Ûµ¥è«×pºâ¡F
£UN ©ó¦a°ò¤W¤§¶b¦V¤OÁ`©M¡Apºâ®É¤£¦Ò¼{·¥ª¬ºA³]p¤¤©Ò¥Î¤§¤À¶µ¦w¥þ«Y¼Æ£^f¡C
·í¹H¤Ï¥H¤W±ø¥ó®É¡Aµ²ºcÅé¥iµø¬°Â\°Êµ²ºc¡C
¤Q¡BT§Î¼Ù¤§¼ÙÁl¦³®Ä¼e«×¨M©w©ó¨ä¼Ù¸¡¤Î¼ÙÁl¤Ø¤o¡B²ü¸ü±¡ªp¡B¸ó«×¡B¤ä©Óª¬ªp¤Î¾î¦V¥[©T¡C¤@¯ë¥i©ó¾ã¸ó¤W±Ä¥Î³æ¤@¦³®Ä¼e«×¡C
¹ïºÙT§Î¼Ù¤§¦³®Ä¼e«×¥i«ö¥H¤Upºâ¡G
bef = bw + lo / 5 < b
¦Ó¥Î©óÃä¼Ù¡]«ü³æÃ䦳Ál¡^¤W«h¦p¤U¡G
bef = bw + lo / 10 < b1 (©Î b2)
¡]©Ò¥Î¤§¥N¸¹¡A¨£¹Ï¤@¤Î¹Ï¤G¡^¡C

¹Ï¤@¡@¤Ø¤o©w¸q
¨â¹sÅs¯x¤§¶¡¤§ªø«× lo' ¡A¤@¯ë±¡ªp¥i±q¹Ï¤GÀò±o¡C

¹Ï¤G¡@lo' ªø«×©w¸q
¤W¹Ï§@¥H¤U°²³]¡G
a¡^ ÄaÁu¼Ù¤§ªø«×À³¤Ö©ó¬Û³s©µ¦ù¤§¼Ù¸ó«×¤§¤@¥b¡F
b¡^ ¨â¬Û±µ¸ó«×¤§¤ñ¨ÒÀ³¦b1¦Ü1.5¤§¶¡¡C
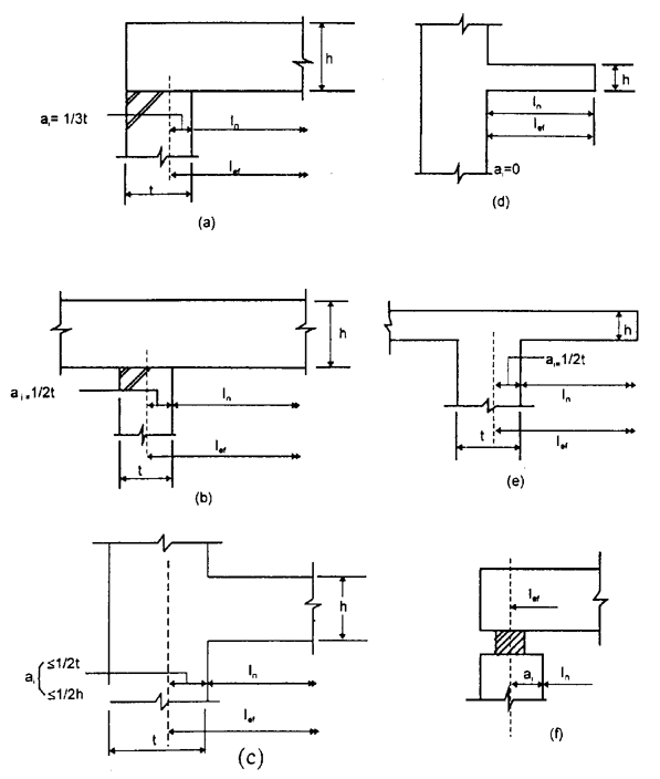
¤Q¤@¡Bºc¥ó¤§¦³®Ä¸ó«× (lef) ¥i«ö¥H¤U¤èªkpºâ¡G
lef = ln + a1 + a2
·í¤¤¡G
ln ¨â¤ä¼¤§²b¸ó
¸ó¨âºÝ¤§Èa1¤Îa2¡A¥i±q¹Ï¤T¤¤©Ò«üaiȤ¤¨ú±o¡C

| a¡^ ¤£³sÄò¼Ù | d¡^ ÄaÁu¼Ù | 
| b¡^ ³sÄò¼Ù* | e¡^ ÄaÁu³sÄò¼Ù | 
| c¡^ ©TºÝ¼Ù | f¡^ ¤äÂI¼Ù | 
* ½Ð¬d¾\¡G§ó¥¿
¹Ï¤T¡@¦³®Ä¸ó«×
²Ä¤Q¤»±ø
¤ÀªR¤èªk
¤@¡B©Ò¦³¤ÀªR¤èªkÀ³º¡¨¬¥¿Å¡C·í©Ò¦Ò¼{¤§·¥ª¬ºA¤¤¤§¬Û®e©Ê±ø¥ó¥¼³Qª½±µÅçºâ®É¡AÀ³´£¨Ñ³]¬I¥H½T«Oµ²ºcÅé¦b·¥ª¬ºA¤U¦³¨¬°÷¤§Åܧίà¤O¤Î¦b¨Ï¥Î®É¤£¥X²{¤£²Å¦Xn¨D¤§ªí²{¡C
³q±`½T»{¥¿Å«Y«ö¥¼ÅܧΤ§µ²ºcÅ鬰°ò¥»¡C¦ý¦p¦]ÅܧΦӾÉPÅãµÛ¼W¥[¤º¤O®É¡A¥¿ÅÀ³¥HÅܧΫᤧµ²ºcÅépºâ¡C
·íµ²ºcÅé³]¦³¨¬°÷¤À¹j¤§¦ùÁYÁ_®É¡A¥iÁŧK¹ï·Å«×¤Î¦¬ÁY®ÄÀ³µ¥±j¥[ÅܧΤ§¾ãÅé¤ÀªR¡C
¤G¡B¥¿±`¨Ï¥Î·¥ª¬ºA¤ÀªR¡AÀ³«ö½u¼u©Ê²z½×¬°°ò¥»¡C¦b³o±¡ªp¤U¡A¤@¯ë±Ä¥Î¥¼¶}µõ¤§ºI±è«×ȤβĤT¤Q±ø¤¤©Ò«ü¤§¼u©Ê¼Ò¶qÈ¡C
·í²V¾®¤g¦¬ÁY¡BįÅÜ¡B¤Î¿ûµ¬ÃP¦¢µ¥¤§¬yÅÜ®ÄÀ³¦³ÅãµÛ¼vÅT®É¡AÀ³¥[¥H¦Ò¼{¡C
·í²V¾®¤g¶}µõ«á¹ïµ²ºcÅé©Îºc¥ó¤§¥\¯à¦³ÅãµÛ¤§¤£§Q¼vÅT®É¡AÀ³¥[¥H¤ÀªR¡C
¤T¡Bµø¥Gµ²ºcÅ餧¯S©Ê¡A¦b¦Ò¼{·¥ª¬ºA¤Î¯S§O¤§³]p©Î¬I¤u±¡ªp®É¡A©Ò¥Î¤§¤ÀªR¤èªk¥i¤À¬°«¤À§G»P§_¤§½u¼u©Ê¡B«D¼u©Ê¡B©Î¶ì©Ê¡C
©Ò¥Î¤§¤èªkÀ³¦b¨ä¾A¥Î½d³ò¤º¡A±N¤èªk©Ò§t¤§¿W¯S©öÅÜ¥[¥H¦Ò¼{¡A¥H½T«O¥»³W³¹©Òn¨D¤§¥i¾a«×¡C
À³¥Î½u¼u©Ê²z½×¤@¯ë¤£»Ý¥ô¦ó¯S§O³]¬I¥H«Oµýµ²ºc¦³¨¬°÷¤§©µ®i©Ê¡A¥u»ÝÁ×§K¦b¯S§O«n¤§ºI±¤W¤£©ñ¸m¹L°ª¤§°tµ¬²v¡C
²Ä¤Q¤C±ø
®Ø¬[¤ÀªR
¤@¡B¦]Ås¯x«¤À§G¹ï³]p¦U¤è±©Ò²£¥Í¤§¼vÅT¦pÅs¯x¡B°Å¤O¡B¿ûµ¬¤§Áã©T¤Î¤ÁÂ_¡B¶}µõµ¥¡AÀ³¥[¥H¦Ò¼{¡C
¤G¡B¥Î½u¼u©Ê¤ÀªR©Ò±o¤§Ås¯x¥i¶i¦æ«¤À§G¡A¥u»Ý¤À§G«á»P²ü¸ü«O«ù¥¿Å«h¥i¡C
«DÂ\°Ê®Ø¬[µ²ºc¤§¾FÃä¼Ù¸ó¤ñ¨Ò¤Ö©ó2®É¡A±o«ö§¹¥þ¼u©Ê°²³]pºâ¥X«¤À§G¡A±N³Ì¤j¤§Ås¯xȼ¤W«¤À§G«Y¼Æ£_¡A¨äȻݫö·Ó¥H¤U±¡ªp¨ú¥Î¡G
²V¾®¤g¯Å§O§C©óB50®É
£_≥0.44 + 1.25x/d
¨ä¥L¯Å§O
£_≥0.56 + 1.25x/d
¤½¦¡¤¤ x¥Nªí«¤À§GÅs¯x¤§ºI±¤§¤¤©Ê¶b²`«×¡Ad«h«üºI±¤§¦³®Ä²`«×¡C
£_È¥ç¨ü¥H¤U±¡ªp©Ò¨î¡G
0.75≤ £_ ≤1
³q±`Â\°Ê®Ø¬[µ²ºc¤£¤¹³\Ås¯x«¤À§G¡C
²Ä¤Q¤K±ø
ªO¤ÀªR
¤@¡B¥»±ø¥Dn¾A¥Î©ó¨üÂù¦VÀ³¤O¤§¹ê¤ßªO¡AY«D¹ê¤ßªO¡]¦ØªO¡BªÅ¤ßªO¡B®æ¤lªO¡^¤§¤ÏÀ³»P¹ê¤ßªO¬Ûªñ®É¡A¯S§O«Y«ü¨ä§Ü§áè«×¡A¥»±ø¥ç¥i¾A¥Î¡C
¤G¡B¥i¿ï¥Î¥H¤U¤ÀªR¤èªk¡G
a¡^ ¦³§_«¤À§G¤§½u©Ê¤À§G¡F
b¡^ °ò©ó¾÷°Ê¤èªk¡]¤W¡^©ÎÀR¤O¤èªk¡]¤U¡^¤§¶ì©Ê¤ÀªR¡F
c¡^ ¥]¬A¦Ò¼{§÷®Æ¤§«D½u©Ê¯S©Ê¤§¼ÆÈ¤ÀªR¡C
¤T¡B¦³§_«¤À§G¤§½u©Ê¤ÀªR»P¼Ùºc¥ó©Ò¥Î¤§±¡ªp¬Û¦P¡C
¥|¡B·í¥Î¶ì©Ê¤ÀªR®É¡A¤£½×¥ô¦ó¤è¦V©Î¦ì¸m¨ü©Ô¤O¿ûµ¬¤§±¿n§¡¤£¥i¾ÉP x/d = 0.25¡C¦p±Ä¥ÎÀR¤O¤èªk®É¡AÅs¯x¤À§G»P¼u©Ê¤èªk©Ò±o¤§µ²ªG¤£¥i¦³¤Ó¤j¬Û®t¡A¤ä©ÓÅs¯x¤£À³¤Ö©ó¼u©ÊpºâȤ§¤G¤À¤@¡A¦P®É¥ç¤£¥i¶W¥X¨äÈ¥[25%¡C¦p±Ä¥Î¾÷°Ê¤èªk¡AÄaÁuªO©Î³sÄòªO¤§¤ä©ÓÅs¯x»P¸óÅs¯x¤§¤ñ¨ÒÀ³¦b0.5¦Ü2.0¤§¶¡¡C
¤¡B¨ü¤£¦PÅs¯x§@¥Î¤UªOºc¥ó°tµ¬¥i¥Î¥H¤U¤èªk¨M©w¡G
a¡^ ¿ï¾Ü¤@¥¿¥æ¶b¨t²Î¡Apºâ¨C¤@¶b¤W¤§¨C³æ¦ìªø«×Ås¯xmx¡Bmy¡B¤Îmxy¡A¦P®É my≥mx¡F
b¡^ x¤Î y¤è¦V¤§°tµ¬«Y§Ü¿m³]p·¥Ås¯xmudx¡B m¡¦udx¡Bmudy¤Îm¡¦udy¡Bmudx ¤Îmudy«ü¥OªO©³³¡¨ü©Ô¤§Ås¯x¦Óm¡¦udx ¤Îm¡¦udy«h«ü¥OªO±³¡¨ü©Ô¤§Ås¯x¡F
c¡^mudx ¤Î mudy pºâ¦p¤U¡G
| Y mx ≥ -¡ýmxy¡ý | 
		 mudx = mx +¡ýmxy¡ý  | 
		
		 ¤Î  | 
		
		 mudy = my +¡ýmxy¡ý  | 
	
| Y mx < -¡ýmxy¡ý | 
		 mudx = 0  | 
		
		 ¤Î  | 
		
		 mudy = my + mxy2 /¡ýmx¡ý  | 
	
d¡^m¡¦udx ¤Î m¡¦udy pºâ¦p¤U¡G
| Y my ≤∣mxy¡ý | 
		 m¡¦udx = - mx +∣mxy∣  | 
		
		 ¤Î  | 
		
		 m¡¦udy = - my +∣mxy∣  | 
	
| Y mx >∣mxy¡ý | 
		 m¡¦udx = - mx+mxy2 /∣my∣  | 
		
		 ¤Î  | 
		
		 m¡¦udy = 0  | 
	
²Ä¤Q¤E±ø
¤û»L
¤@¡B·í¤û»L0.4 h≤ a ≤h¡]¨£¹Ï¥|¡^¡A¨ä³]p¥i¹B¥Î²³æÀ£±ì¤Î©Ô±ì¼Ò«¬¡C
¤G¡B¸û²`¤§¤û»L¡]a < 0.4h¡^¡A¥i¹B¥Î¨ä¥L¾A¦X¤§À£±ì¤Î©Ô±ì¼Ò«¬¡C
¤T¡B¤û»L¤¤ a > h¥i«öÄaÁu¼Ù³]p¡C
¥|¡B¦p¨S¦³¯S§O³]¬I©Î¨ä¥LÃÒ©ú¥h¨î¤ô¥¤O¡A¤û»LÀ³¦Ò¼{««ª½¤OF¤Î¤ô¥¤OH ¡A¦Ó H ≥ 0.2F §@¥Î©ó¤ä©Ó¹Ô¶ô¤W¡C

¹Ï¥| ¤û»L
²Ä¤G¤Q±ø
²`¼Ù¤ÀªR
¤@¡B²`¼Ù³]p¥i¹B¥Î²³æÀ£±ì¤Î©Ô±ì¼Ò«¬¡A»Ý¦Ò¼{¥]¬A²`¼Ù¤§´X¦ó§Îª¬¤Î²ü¸üºØÃþ¡C
¤G¡B¦³¨Ç±¡ªp¡A¦p¸û§C¤§²`«×»P¸ó«×¤ñ¨Ò¡B¤À§G²ü¸ü¡B¶W¹L¤@Ó¶°¤¤²ü¸üµ¥¡A¥i¹B¥ÎÀ£±ì¤Î©Ô±ì»P®ì¬[²Õ¦X¡C
²Ä¤G¤Q¤@±ø
¨ä¥Lµ²ºcÃþ«¬¤§¤ÀªR
»P¤Wz¦U±ø¤å©Ò¦Ò¼{¤§ºc¥ó¦³¤£¦P®É¡ApºâÀ³¤O¤§¨Ì¾ÚÀ³Ó§O´£¨Ñ¨¬°÷ÃÒ©ú¡C
²Ä¤G¤Q¤G±ø
¹wÀ³¤O®ÄÀ³pºâ
¤@ ¡B¥»±ø¾A¥Î©ó¥HÂHµ²¦¡¤ºÂÿûÁä§@¬I¥[¹wÀ³¤O¤§µ²ºc¡C
¤G¡B©Ò»Ý¦Ò¼{¤§®ÄÀ³¦³¡G
a¡^ Àô¶ºÝÁã¤Î¿ûÁä¤è¦V§ïÅܤ§§½³¡®ÄÀ³¡F
b¡^ ¦bÀR©wµ²ºc¤W¤§ª½±µ®ÄÀ³¡F
c¡^ ¦b¶WÀR©wµ²ºc¤W¦]¦h¾l¬ù§ô©Ò³y¦¨¤§ª½±µ¤Î¦¸n¶¡±µ®ÄÀ³¡C
¤T¡B¹wÀ³¤Opºâ¡G
a¡^ ¿ûµ¬¤W¹wÀ³¤OÀH¦ì¸m¤Î®É¶¡ÅܤơC
¹wÀ³¤OPo' ¥i¤À¬°ì©l¹wÀ³¤O¡A§Y«ü¦b¬I¥[¹wÀ³¤O¤@¨è®É©Ò²£¥Í¦b¿ûÁä¤W¤§À³¤O¡C
¥Ñ¶ZÂ÷ºÝÂI x¤§ºI±¤W¡AÀH®É¶¡ÅܤƤ§¹wÀ³¤O¥iºÙ¬°°_©l¹wÀ³¤O Po(x)¡A³Ì²×¹wÀ³¤OP¡Û(x) ¡A¤Î¥ô·N«ü©w®É¶¡ t ¤§¹wÀ³¤O Pt(x)¡C°_©l¹wÀ³¤O¥Ñì©l¹wÀ³¤O¦©°£Àþ®É·l¥¢¡A§Y¬°±q¤d¤ç³»¡]©Î¥~©ñ¦¡ºÝÁã¡^¦Üºc¥ó¤º©Ò³]ºÝÁ㤧À³¤O¶Ç»¼«e¤Î¶Ç»¼´Á¶¡©Ò²£¥Í¤§·l¥¢¡A«Y¥Ñ¾ã±ø¿ûÁä¡B²V¾®¤g¤§Àþ®ÉÅܧΡBºÝÁãÅܧΤηƲ¾¾ÉP¦Ó¦¨¡C
¥ô¦ó®É¶¡ t ¤§¹wÀ³¤O«Y¥Ñ°_©l¹wÀ³¤O¦©°£¦b¸Ó¬q®É¶¡¤º¤§¤£¦P·l¥¢¡F³Ì²×¹wÀ³¤O«Y«ü¸g¹L¤@¬q¥O°²³]©µ®É·l¥¢¥þ³¡¥X²{¤§®É¶¡«á©Ò³Ñ¾l¤U¤§¹wÀ³¤O¡C¤Wz©Ò«ü¤§·l¥¢¥Dn¥Ñ²V¾®¤g¦¬ÁY¡AįÅܤιwÀ³¤O¿ûÁ䤧ÃP¦¢©Ò²£¥Í¡C
¦³Ãö°_©l¹wÀ³¤O¤§¨î¤Î¦UºØ·l¥¢¤§pºâ¤èªk¡A¥i¨£ªþ¥ó¤T¡C
b¡^ ¦bpºâ¥¿±`¨Ï¥Î©Ê®É¡A»Ýn¥]¬A¥i¯à¥X²{¤§¹wÀ³¤OÅܤơC¥¿±`¨Ï¥Î·¥ª¬ºA©Ò¥Î¤§¹wÀ³¤O¼Ð·ÇÈ¡A¥i¥Ñ¥H¤Upºâ¡G
Pk,sup = rsup pm,t
Pk,inf = rinf pm,t
¦¹³BPk,sup »PPk,inf¤À§O«Y°ª¼ÐȤΧC¼ÐÈ¡A Pm,t «Y¹wÀ³¤O¥§¡È¡A¸ÓÈÀ³¥ÑÅܧίS©Ê¥§¡È¤Î«öªþ¥ó¤Tpºâ¤§·l¥¢¥§¡È§@µû¦ô¡CYµL¨ä¥L§ó²`¤Jpºâ¥B¦]¿iÀ¿¤O¤Î»P®É¶¡©Ò²£¥Í¤§¹wÀ³¤O·l¥¢Á`©M¤£¤j©ó°_©l¹wÀ³¤O¤§30%®É¡A rsup ¤Î rinf «Y¼Æ¥i¤À§O¨ú¬°1.1¤Î0.9¡C¥Î¦b³]p¤§Pm,tȳq±`«Y¡G
Pm,o ¡G t = 0¤§ªì©l¹wÀ³¤O¥§¡È
¤Î
Pm,¡Û¡G©Ò¦³·l¥¢§¹¥þ¥X²{«á¤§³Ì²×¹wÀ³¤O¥§¡È
©Ò¦³¦]¹wÀ³¤O©Ò²£¥Í¤§ÀR©w¤Î¶WÀR©w¤ºÀ³¤OÀ³¥Î¼u©Ê²z½×pºâ¡C
c¡^ ¦b¦Ò¼{·¥ª¬ºA®É¡A¹wÀ³¤O³]pÈÀ³¬°
Pd = £^ p Pm,t
¥Î©óµ²ºc¤ÀªR®É¡A¤À¶µ¦w¥þ«Y¼Æ£^ p¥i¨ú¬° 1.0 ¡C¥Î©ó³]p·¥ª¬ºA¤§ºI±®É¡A¬I¥[¦bºI±¤W¤§¹wÀ³¤OÀ³¬°Pd¡C¥Ñ¹wÀ³¤O©Ò¾ÉP¤§¹wÀ³ÅܦbpºâºI±±j«×®ÉÀ³¥[¥H¦Ò¼{¡C·í¯àº¡¨¬¥H¤U¨âºØ±¡ªp®É¡A£^ p ¥i¨ú¬°1.0¡G
i¡^ ¦b·¥ª¬ºA®É¡A¤£¶W¹L25%¤§¹wÀ³¤O¿ûµ¬¤§Á`±¿n«Y¦ì©ó¨üÀ£°Ï¡F
ii¡^ ¦b·¥ª¬ºA®É¡A¦ì©ó³Ì±µªñ¨ü©Ô±¹wÀ³¤O¿ûµ¬¤§À³¤O¤j©ó fpo,1k/£^ m¡] fpo,1k «Y¹wÀ³¤O¿ûµ¬¤§³W©w«D¤ñ¨Ò¦ùªøÀ³¤O¡]0.1%¡^¤§¼Ð·ÇÈ¡A£^ m«Y§÷®Æ¤À¶µ¦w¥þ«Y¼Æ¡A¥i¨ú¬°1.15¡^¡C
¦p¤£¨Ì±q¤Wz±¡ªp¡A·í¹wÀ³¤O®ÄÀ³«Y¦³§Q®É¡A£^ p À³¨ú¬°0.9¡C
d¡^ ¦b¦Ò¼{·¥ª¬ºA¤U¤§§½³¡®ÄÀ³®É¡A³]p¹wÀ³¤OÀ³»P¹wÀ³¤O¿ûÁ䤧¼Ð·Ç±j«×¬Ûµ¥¡C
²Ä¤G¤Q¤T±ø
²V¾®¤g©µ®ÉÅܧήÄÀ³pºâ
¤@¡Bpºâ²V¾®¤gįÅܤΦ¬ÁY®ÄÀ³¤èªk¤§·Ç½T«×À³»P¦³Ãö¸Ó²{¶H¤§¸ê®Æ¤§¬ÛÀ³¤§·¥ª¬ºA¤U¤§®ÄÀ³¤§«n©Ê¤@P¡C
¤G¡B³q±`įÅܤΦ¬ÁYÀ³¥u¦b¥¿±`¨Ï¥Î·¥ª¬ºA¤¤¦Ò¼{¡C
¤T¡B·í²V¾®¤gºI±À³¤O¦b¥¿±`¨Ï¥Î±¡ªp¤U¡A¯à«O«ù¦b¬ÛÃö¤§¬É¤º®É¡A±o±Ä¥Î¥H¤U°²³]¨Óµû¦ô²V¾®¤gºI±ªí²{¡G
a¡^ įÅÜ»P¦¬ÁYÂù¤¬¿W¥ß¡F
b¡^ įÅÜ»P¾ÉPįÅܤ§À³¤O¤§Ãö«Y¥i¥H½u©Êªí¥Ü¡F
c¡^ ¤£§¡¤Ã·Å«×¤ÎÀã«×¤§®ÄÀ³¤£»Ý¦Ò¼{¡F
d¡^ ¤£¦PÄÖ´Á¤¤¥X²{¤§§@¥Î¥i¥H«Å|ì²zpºâ¡F
e¡^ ¥H¤W°²³]¥ç¾A¥Î©ó¨ü©Ô²V¾®¤g¡C
¥|¡B¦³Ãö²V¾®¤g©µ®ÉÅܧήÄÀ³¤ÀªR¡A¥i¨£²Ä¤T¤Q¤@±ø¡C
²Ä¤G¤Q¥|±ø
¹êª«¼Ò«¬
¤ÀªRµ²ºc¤§¾ãÅé©Î§½³¡ªí²{¥i§Q¥Î¹êª«¼Ò«¬¡A¸Ó¹êÅçÀ³¸g¥Ñ¤@¤½»{¤§§Þ³Nû©Î²Õ´¥H¾A·í¤§¤èªk¶i¦æ¡C
²Ä¤»³¹
§÷®Æ¤Î¨ä©Ê½è
²Ä¤@¸`
A¡X¡X ²V¾®¤g
²Ä¤G¤Q¤±ø
Á`«h
²V¾®¤g¤§¨Ï¥ÎÀ³¹F¨ì¥ÑNB©Ò«Ø¥ß¤§¨Ï¥Î±ø¥ó¡A¦P®É¥çÀ³¿í±q¥»³W³¹²Ä¤G¤Q¤»±ø¤§³W©w¡C
²Ä¤G¤Q¤»±ø
²V¾®¤g±j«×µ¥¯Å
¤@¡B²V¾®¤g±j«×µ¥¯Å¥i¦Ò¼{ªí¤@¤¤¤§¤À¯Å¤èªk¡A¦¹ªí¤¤¦P®É¥ç³W©wÀ³º¡¨¬²Ä¤G¤Q¤C±ø©Ò©w¸q¤§²V¾®¤g§ÜÀ£±j«×¤§³Ì¤p¼Ð·ÇÈ¡C
ªí¤@¡@²V¾®¤g±j«×µ¥¯Å
| ³]p±j«×µ¥¯Å |  28¤é§ÜÀ£±j«×¤§³Ì¤p¼Ð·ÇÈfck (MPa)  | 
		|
| ¶ê¬W¸ÕÅé¡]1¡^ | ¤è¶ô¸ÕÅé¡]2¡^ | |
| B15  B20  | 
			12  16  | 
			15  20  | 
		
| B25  B30  | 
			20  24  | 
			25  30  | 
		
| B35  B40  | 
			28  32  | 
			35  40  | 
		
| B45  B50  | 
			36  40  | 
			45  50  | 
		
| B55  B60  | 
			45  50  | 
			 55  60  | 
		
¡]1¡^¶ê¬W¸ÕÅ餧ª½®|¬°150 mm¤Î°ª300 mm¡C
¡]2¡^¤è¶ô¸ÕÅéÃäªø150 mm¡C
¤G¡B¿ûµ¬²V¾®¤gµ²ºcºc¥ó¤£©y±Ä¥Î§C©óB20¤§²V¾®¤g±j«×µ¥¯Å¡C
¤T¡B¹wÀ³¤O²V¾®¤gµ²ºcºc¥ó¤£©y±Ä¥Î§C©óB30¤§²V¾®¤g±j«×µ¥¯Å¡C
²Ä¤G¤Q¤C±ø
²V¾®¤g§ÜÀ£±j«×
²V¾®¤g§ÜÀ£±j«×«Y±Ä¥Î§ÜÀ£¼Ð·ÇȨӪí¥Ü¡A¨ä©w¸q¬°¨Ì·Ó¼Ð·Ç¸ÕÅç¤èªk¨ã¦³95%«Oµý²v¤§²V¾®¤gÀ£ÁY©è§ÜÈ¡C¨ä©è§ÜȤ§¨M©wÀ³«ö·Ó ISO 4012¼Ð·Ç¡A±Ä¥Î28¤éÄÖ´Á¤§150 mm (fck,cubo) Ãäªø¤§¤è¶ô¸ÕÅé©Î150/300 mm (fck,cyl)¤§¶ê¬W¸ÕÅé¶i¦æ¸ÕÅç¡A¦P®É¸ÕÅ餧»s§@¤Î¾iÅ@¥çÀ³²Å¦XISO 2736¡C
¦b¬Y¨Ç±¡ªp¤U¡A±ý¦Ò¼{§ÜÀ£±j«×»P²V¾®¤gÄÖ´Á¶¡¤§ÅܤƮɡA¸ÓºØÅܤƤ§pºâ¥i³z¹L¹êÅ礧¤èªk¡A¹ï¨CºØ²V¾®¤g©w¥X¼ÆºØ¤£¦P¤§¼vÅT«Y¼Æ¡C
²Ä¤G¤Q¤K±ø
²V¾®¤g§Ü©Ô±j«×
¥»³W³¹¤¤©ÒÀ³¥Î¤§²V¾®¤g§Ü©Ô±j«×¥§¡È fctm ¤Î¼Ð·ÇÈ fctk¡A¬°±Ä¥Î²V¾®¤g©ó28¤éÄÖ´Á¤U¤§©Ô¤O¯}ÃaÀ³¤OÈ¡C¹ïÀ³©ó²Ä¤G¤Q¤»±ø©Ò©w¸q¤£¦P±j«×µ¥¯Å²V¾®¤g¤§§Ü©Ô±j«×¡AÀ³¨úªí¤G©Ò«ü©w¤§¼ÆÈ¡C
ªí¤G¡@²V¾®¤g§Ü©Ô±j«×¥§¡È fctm ¤Î¼Ð·ÇÈ fctk (MPa)
| ²V¾®¤g ±j«×µ¥¯Å  | 
			B15 | B20 | B25 | B30 | B35 | B40 | B45 | B50 | B55 | B60 | 
| fctm | 1.6 | 1.9 | 2.2 | 2.5 | 2.8 | 3.0 | 3.3 | 3.5 | 3.8 | 4.1 | 
| fctk | 1.1 | 1.3 | 1.5 | 1.8 | 2.0 | 2.1 | 2.3 | 2.5 | 2.7 | 2.9 | 
ªí¤G¤¤©Ò¦C¤§§Ü©Ô±j«×¥§¡È fctm¥i¥Ñ¤U¦¡¨D±o¡G
| fctm | = | 0.30 f | 2/3 | 
| ck,cyl | 
©ó¦¹¦¡¤¤©Ò¦³À³¤O³æ¦ì§¡¥HMPaªí¥Ü¡A¦Ó fck, cyl¬°¶ê¬W¸ÕÅ餧²V¾®¤g§Ü©Ô±j«×¼Ð·ÇÈ¡C
fctk ¤§È¬° fctm¤§0.7¿¡]¦¹¬°¨ã¦³5%¤§«OÃÒ²v¤§©è§ÜÈ¡^¡C¦b¬Y¨Ç¯S§O±¡ªp¤U¡AY»Ý±Ä¥Î¸û¤j¤§§Ü©Ô±j«×¼Ð·ÇÈ¡]¦¹¬°¨ã¦³95%¤§«OÃÒ²v¤§©è§ÜÈ¡^¡A«h¥i±Ä¥Î 1.3 fctm¨Óµû¦ô¡C
²Ä¤G¤Q¤E±ø
²V¾®¤g±j«×³]pÈ
²V¾®¤g§ÜÀ£±j«×³]pÈ fcd ©w¸q«Y±Ä¥Î¶ê¬W¸ÕÅé§ÜÀ£±j«×¼Ð·ÇȰ£¥H¤@¤À¶µ¦w¥þ«Y¼Æ £^ c¡C²V¾®¤g§Ü©Ô±j«×³]pÈ fctd ©w¸q«Y±Ä¥Î²Ä¤G¤Q¤K±ø©Òz¤§§Ü©Ô±j«×¼Ð·ÇȰ£¥H¤À¶µ¦w¥þ«Y¼Æ £^ c¡C¦¹³B £^ c§¡¬°1.5¡C
¹ï¤£¦P±j«×µ¥¯Å¤§²V¾®¤g±j«×³]pȱN¦C¥Ü©óªí¤T¤¤¡C
ªí¤T¡@²V¾®¤g§ÜÀ£±j«×³]pÈ fcd ¤Î§Ü©Ô±j«×³]pÈ fctd (MPa)
| ²V¾®¤g ±j«×µ¥¯Å  | 
			B15 | B20 | B25 | B30 | B35 | B40 | B45 | B50 | B55 | B60 | 
| fcd | 8.0 | 10.7 | 13.3 | 16.0 | 18.7 | 21.3 | 24.0 | 26.7 | 30.0 | 33.3 | 
| fctd | 0.73 | 0.87 | 1.00 | 1.20 | 1.33 | 1.40 | 1.53 | 1.67 | 1.80 | 1.93 | 
²Ä¤T¤Q±ø
²V¾®¤g¼u©Ê¼Ò¶q¤ÎªyªQ¤ñ
¤@¡B²Ä¤G¤Q¤»±ø©Ò©w¸q¤£¦P±j«×µ¥¯Å¤§²V¾®¤g¡A¨ä28¤éÄÖ´Á¤§²V¾®¤g¼u©Ê¼Ò¶q¥§¡È¥i¦Ò¼{ªí¥|¤§¼ÆÈ¡C
¥»±ø¤¤©Òz¤§¼u©Ê¼Ò¶q±`¼Æ«Yµ²ºcª«²£¥Í¼u©ÊÅܧήɩұĥΡA©Ò¥H¦¹¼u©Ê¼Ò¶qȤ@¯ë»P¥¿±`¨Ï¥Î·¥ª¬ºA¤§¦w¥þ©Ê½T©w¦³Ãö¡C
²V¾®¤g²Ä j ¤ÑÄÖ´Á¤§¼u©Ê¼Ò¶q¥§¡È Ec,j¡A¤@¯ë¥i¥Ñ¬Û¦PÄÖ´Á¤§±j«×¥§¡È fcm,j¨D±o¡A¨äªí¹F¦¡¬°

¦¹³B Ec,j ³æ¦ì¥HGpaªí¥Ü¡A¦Ó fcm,j ¬°¶ê¬W¸ÕÅ餧±j«×¥§¡È¨Ã¥HMPaªí¥Ü¡C
©óªí¥|¤¤©Ò¦C¤§¼u©Ê¼Ò¶q¬Ò®Ú¾Ú¤W¦¡¡A¨Ã¦Ò¼{28¤éÄÖ´Á¤§²V¾®¤g±j«×¦Ó¨D±o¡A·í¤¤¨Ã±Ä¥Î¦¡ fcm,28 = fck,cyl + 8¡A¦Ó fck¬°¶ê¬W¸ÕÅ餧§ÜÀ£±j«×¼Ð·ÇÈ¡A³æ¦ì¥HMPaªí¥Ü¡C
µM¦Ó¥¿³Î¼u©Ê¼Ò¶q«Y¥H0.4¿±j«×¼Ð·ÇÈ¡]0.4fck¡^¤§À³¤O¤ô¥¨Ó©w¸q¡A¹ïÀ³¤O¤ô¥¬° 0.1fck ®É¡A¨ä¼u©Ê¼Ò¶qÀ³±Ä¥Î°ª©ó¥ý«e©Ò´£¤Î¤§¥¿³Î¼u©Ê¼Ò¶q¤§10%¡C
·íÀ³ÅÜ©óÀþ¶¡¥X²{®É¡A¼u©Ê¼Ò¶qÈ¥i®Ú¾Ú¥ý«e©Ò´£¤Î¤§¼u©Ê¼Ò¶q´£°ª25%±Ä¥Î¡FÕYÀ³ÅܽwºC¥X²{®É«hÀ³¾A·í¦a¦Ò¼{²V¾®¤gįÅÜ®ÄÀ³¡C
¤G¡BªyªQ¤ñ«Y¼Æ £h¤§½d³ò«Y 0 ¨ì 0.2 ¤§¶¡¡A¨ä¤¤²Ä¤@Ó¼ÆÈ£h = 0.2 ¬°¦Ò¼{Åܧήɨ䣤¹³\µõÁ_¥X²{®É±Ä¥Î¡A¦Ó²Ä¤GÓ¼ÆÈ £h = 0 ¬°¤¹³\²V¾®¤g©Ó¨ü±i¤O¤U²£¥ÍµõÁ_¡C¤@¯ë¦Ó¨¥¡A³]p®É¥i¨ú£h = 0.2¡C
ªí¥|¡@28¤é²V¾®¤g¼u©Ê¼Ò¶q¥§¡ÈEc,28 (GPa)
| ²V¾®¤g ±j«×µ¥¯Å  | 
			B15 | B20 | B25 | B30 | B35 | B40 | B45 | B50 | B55 | B60 | 
| Ec,28 | 26.0 | 27.5 | 29.0 | 30.0 | 31.5 | 32.5 | 33.5 | 34.5 | 36.0 | 37.0 | 
²Ä¤T¤Q¤@±ø
įÅÜ»P¦¬ÁY
¤@¡B²V¾®¤gºc¥ó©ó®É¶¡ t0¤U©Ó¨ü«í¶qÀ³¤O£mc(t0)¤§³æ¦V²ü¸ü¤U¡A©ó®É¶¡t¤§Á`À³Åܶq£`c(t)¡A¥i¥Ñ¤U¦¡¨D±o¡C
| £`c (t) | = £`ci (t0) + £`cc (t) + £`cs (t) + £`cT (t) | 
| ¡@ | = £`c£m (t) + £`cn (t) | 
¦¹³B¡G
£`ci (t0) ¬°²ü¸ü§@¥Î¤UÀþ¶¡¤§À³Åܶq
£`cc (t) ¬°®É¶¡t > t0À³¥ÑįÅܲ£¥Í¤§À³Åܶq
£`cs (t) ¬°¦¬ÁY²£¥Í¤§À³Åܶq
£`cT (t) ¬°¨ü¼ö²£¥Í¤§À³Åܶq
£`c£m (t) ¬°»PÀ³¤O¦³Ãö¤§À³Åܶq¡G
£`c£m (t) = £`ci (t0) + £`cc (t)
£`cn (t) ¬°»PÀ³¤OµLÃö¤§À³Åܶq¡G
£`cn (t) = £`cs (t) + £`cT (t)
¤G¡B¹ï²V¾®¤g¤§Ä¯ÅܤΦ¬ÁY¼Ò¦¡¡A¤U¦C±N´£¥X¹ï²V¾®¤g¾îºI±¤§¦æ¬°§@¥Xµû¦ô¡A¦Ó¸Ó¾A¥Î©óµ²ºcª«¤§²V¾®¤g±j«×µ¥¯Å¦b B15¦Ü B60 ¶¡¡A¨Ã¥Bµ²ºcª«©ó²ü¸ü§@¥Î¤U©Ò©Ó¨ü¤§À³¤OÀ³¤p©ó¬ÛÀ³ÄÖ´Á¤§±j«×¥§¡È¤§40%¡A¥H¤Î©P³òÀô¹Ò¤§¬Û¹ïÀã«×¬°40%~100%©M¥§¡·Å«×¬°5o C ~ 30o C¤§¶¡¡C
²V¾®¤g¤§Ä¯ÅܼҦ¡ÁöµM¥i¥Ñ±i¤O§@¥Î©ó²V¾®¤g¦Ó¤Þ°_¡AµM¦Ó¤]¥i¸g¥Ñ¦³®Ä¤§¸ÕÅç¸ê®Æ«Ø¥ß¥ÑÀ£¤O§@¥Î©Ò²£¥Í²V¾®¤g¤§Ä¯Åܶq¡C
¤T¡BįÅÜ
a¡^ °ò¥»°²³]»Pªí¹F¦¡
¹ï¦b²V¾®¤g¤¤¯àº¡¨¬¡ý£mc¡ý< 0.4 fcm (t0) ¦¹±ø¥ó¤§À³¤O¡A¨äįÅܶq¬°¥¿¤ñ©ó¥~¥[À³¤O¡C
¹ï®É¶¡t0¤º¤£Â_¥~¥[¤§À³¤O¡A¦¬ÁYÀ³Åܶq¥i«ö¤U¦¡pºâ¡G
| £`cc (t, t0) = | 
			 
				£mc (t0) 
			 | 
			£X (t, t0) | 
| Ec,28 | 
¦¹³B¡G
£X(t, t0) įÅÜ«Y¼Æ
Ec,28 ²V¾®¤g28¤éÄÖ´Á¤§¼u©Ê¼Ò¶q
µM¦Ó¡A·í¦Ò¼{»PÀ³¤O¦³Ãö¤§À³Åܶq £`c£m (t, t0) ¥i¥Ñ¤U¦¡pºâ¡G
| £`c£m (t, t0) = £mc (t0) | [ | 
			 
				1  
			 | 
			+ | 
			 
				£X (t, t0) 
			 | 
			] | = £mc (t0) J(t, t0) | 
| Ec (t0) | Ec,28 | 
¦¹³B¡G
J(t, t0) įÅÜ¨ç¼Æ¡A¥Nªí¥Ñ³æ¤@À³¤O©Ò²£¥Í»PÀ³¤O¦³Ãö¤§Á`À³Åܶq¡C
Ec (t0) ²ü¸ü©ó®É¶¡ t0§@¥Î¤U¤§Àþ¶¡¼u©Ê¼Ò¶q¡C
ÀH®É¶¡§ïÅܤ§À³¤O¡A¥i®Ú¾Ú«Å|ì²z¨D¨ä®ÄÀ³¡C
®Ú¾Ú¥ý«e¤§°ò¥»°²³]¤Î©w¸q¡A²V¾®¤gįÅܤ§²Õ¦¨Ãö«Y¦¡¥i¥Ñ¤U¦C§Î¦¡ªí¹F¡G
| £`c (t) = £mc (t0)J(t, t0) + | 1 | ¡@ | ¡@ | d£n + £`cn (t) | 
| ¡ì | J(t,£n) | 
			 
∂£mc(£n) 
			 | 
		||
| ∂£n | ||||
| 10 | ¡@ | ¡@ | 
b¡^ įÅÜ«Y¼Æ
įÅÜ«Y¼Æ¥i³z¹L¤U¦¡pºâ¡G
£X(t,t0) = £X0£]c(t - t0)
¦¹³B¡G
£X0 įÅÜ«Y¼Æ°Ñ¦ÒÈ
£]c ªø´Á§@¥Î¤U¡AįÅܥͦ¨¨ç¼Æ¦¡
t ²V¾®¤gÄÖ´Á¡A¥H¤é¼Æ¬°³æ¦ì
t0 ¨ü²ü«§@¥Î®É¤§²V¾®¤gÄÖ´Á¡A¥i®Ú¾Ú¤ôªd¤§ºØÃþ¤Î¾iÅ@´Á¶¡©P³òÀô¹Ò¤§·Å«×¶i¦æ×¥¿¡C
įÅÜ«Y¼Æ°Ñ¦ÒÈ¥i¥Ñ¤U¦C¤è¦¡¨D±o¡G
£X0 = £XRH£](fcm)£](t0)
¨ä¤¤¡G
| £XRH = 1 + | 
			 
				1 - RH/RH0 
			 | 
		
| 0.46(h / h0)1/3 | 
¡@
| £](fcm) = | 
			 
				5.3 
			 | 
		
| (fcm / fcm0)0.5 | 
¡@
| £](t0) = | 
			 
				1 
			 | 
		
| 0.1 + (t0 / t1)0.2 | 
¦¹³B¡G
h ¬°Â_±¤§°²·Q«p«× (mm) = 2Ac / u¡A¦¹³B Ac¬°¾îÂ_±±¿n¤Îu¬°¦¹¾îÂ_±¿n¤§©Pªø¡F
fcm¬°²V¾®¤g28¤éÄÖ´Á¤§§ÜÀ£±j«×¥§¡È (MPa)¡F
fcmo = 10 MPa¡F
RH ¬°©P³òÀô¹Ò¤§¬Û¹ïÀã«× (%)¡F
RH0 = 100%;
h0 = 100 mm;
t1 = 1 ¤é¡C
ªø´Á§@¥Î¤U¡AįÅܥͦ¨¨ç¼Æ¬°¡G
| £]c (t - t0) = | [ | 
			 
				(t - t0) / t1 
			 | 
			] | 0.3 | 
| £]H + (t - t0) / t1 | ¡@ | 
¨ä¤¤¡G
| £]H = 150 | { | 1 + | [ | 1.2 | 
			 
				RH 
			 | 
			] | 18 | } | 
			 
				h 
			 | 
			+ 250 | ≤ 1500 | 
| RH0 | ¡@ | h0 | 
¦¹³B¡G
t1 = 1 ¤é¡F
RH0 = 100%¡F
h0 = 100 mm¡C
c¡^ ¤ôªd«~ºØ¤Î¾iÅ@´Á¶¡·Å«×ÅܤƤ§¼vÅT
¥Ñ©ó¤ôªd«~ºØ¤£¦P¦Ó¹ïįÅÜ«Y¼Æ¤§¼vÅT¡A¥i¦Ò¼{¹ï²ü¸ü§@¥Î®É¤§²V¾®¤gÄÖ´Át0¶i¦æ×¥¿¡A¨ä×¥¿¤èªk¥i®Ú¾Ú¥H¤U¤§ªí¹F¦¡¶i¦æ¡G
| t0 = t0,T | [ | 9 | + 1 | ] | 2 | ≥ 0.5 ¤é | 
| 2 + (t0,T / t1,T)1.2 | ¡@ | 
¦¹³B¡G
t0,T ¨ü²ü«§@¥Î®É¤§²V¾®¤gÄÖ´Á¡F
t1,T = 1¤é¡F
£\ ¬°«ü¼Æ¥B¨ú¨M©ó¤£¦PºØÃþ¤§¤ôªd¦Ó±Ä¥Î¡A¨äÈ¥i ¨ú¡F
- -1 ¤ôªdµw¤Æ³t«×¸ûºC®É±Ä¥Î¡F
 - 0 ¤ôªdµw¤Æ³t«×¬°¤@¯ë¤Î¨³³t®É±Ä¥Î¡F
 - 1 ¤ôªdµw¤Æ³t«×¨³³t¤Î¦³´£¤Éªì©l±j«×®É±Ä¥Î¡C
 
d¡^ À³¤O´£¤É¤§¼vÅT
¦b²ü¸ü§@¥Î¤U©Ò©Ó¨ü¤§À³¤O¬°¬ÛÀ³ÄÖ´Á¤§±j«×¥§¡È¤§40%¡ã60%¶¡¡A«h²V¾®¤g¤§Ä¯Åܬ°«D½u©Ê¡A¥i¥H¤U¦C¤§ªí¹F¦¡§@¦Ò¼{¡G
| £X0,K = £X0 exp [£\£m (K£m - 0.4] | ¾A¥Î©ó 0.4 < K£m ≤ 0.6 | 
| £X0,K = £X0 | ¾A¥Î©ó K£m ≤ 0.4 | 
¦¹³B¡G
£X0,K «D½u©ÊįÅÜ«Y¼Æ°Ñ¦ÒÈ¡F
K£m =¡ý£mc ¡ý/fcm (t0) ¦¹¬°À³¤O/À³Åܤ§¤ñÈ¡F
£\£m= 1.5¡C
¥|¡B¦¬ÁY
Á`¦¬ÁY¶q£`cs(t, ts) ¥i¥Î¥H¤U¦¡¨D±o¡G
£`cs (t, ts) = £`cs0 £]s (t - ts)
¦¹³B¡G
£`cs0¦¬ÁY°Ñ¦ÒÈ¡F
£]s ÀHµÛ®É¶¡¤§¦¬ÁYºtÅÜ¨ç¼Æ¡F
t ²V¾®¤gÄÖ´Á¡]¤é¡^¡F
ts pºâ²V¾®¤g¦¬ÁY¤§°_©l®É¶¡¤§²V¾®¤gÄÖ´Á¡]¤é¡^¡C
µM¦Ó¡A¦¬ÁY°Ñ¦ÒÈ¥i¥Ñ¤U¦¡¨D±o¡G
£`cs0 = £`s(fcm) ßRH
¨ä¤¤¡G
£`s(fcm) = [160 + 10 £]sc (9 - fcm / (fcm0)] x 10-6
¦¹³B¡G
fcm²V¾®¤g28¤éÄÖ´Á¤§¥§¡§ÜÀ£±j«× (MPa)¡F
fcm0 = 10MPa¡F
£]sc¨ú¨M©ó¤£¦PºØÃþ¤ôªd¤§«Y¼Æ¡A¨äÈ¥i¨ú¡G
4¤ôªdµw¤Æ³t«×¸ûºC®É±Ä¥Î¡F
5 ¤ôªdµw¤Æ³t«×¬°¤@¯ë¤Î¨³³t®É±Ä¥Î¡F
8 ¤ôªdµw¤Æ³t«×¨³³t¤Î¦³´£¤Éªì©l±j«×®É±Ä¥Î¡F
£]RH = -1.55£]SRH ¾A¥Î©ó 40% ≤ RH < 99%
£]RH =+ 0.25 ¾A¥Î©ó RH ≥ 99%
| ßSRH = 1 - | [ | 
			 
				RH 
			 | 
			] | 3 | 
| RH0 | ¡@ | 
¦¹³B¡G
RH ¬°©P³òÀô¹Ò¤§¬Û¹ïÀã«×(%)¡F
RH0 = 100%¡C
¹ï©óªø´Á®É¶¡¤U¦¬ÁYºtÅÜ¨ç¼Æ¥i¦Ò¼{¬°¡G
| ßs (t - ts) = | [ | 
			 
				(t - ts ) / t1 
			 | 
			] | 0.5 | 
| 350 (h / h0 )2 + (t - ts) / t1 | ¡@ | 
¦¹³B¡G
h ¬°Â_±¤§°²·Q«p«×¡]mm¡^¡A¦¹³BAc¬°¾îÂ_±±¿n¤Î u¬°¦¹¾îÂ_±¿n¤§©Pªø¡F
t1 = 1¤é¡F
h0 = 100 mm¡C
²Ä¤T¤Q¤G±ø
¼ö¿±µÈ«Y¼Æ
ÕY¨ÃµL¦³Ãö²V¾®¤g¼ö¿±µÈ¤§¯S©w¸ê®Æ¨Ñ¨Ï¥Î®É¡A«h¦bpºâ®É¥i¦Ò¼{¼ö¿±µÈ«Y¼Æ¬° 10 x 10-6/ oC¡C
²Ä¤T¤Q¤T±ø
²V¾®¤gÀ³¤OÀ³ÅÜÃö«Y³]p¦¡
¤@¡B²V¾®¤gÀ³¤OÀ³ÅÜÃö«Y¹Ï¥i³z¹L¹êÅç¨D±o¡A¦P®É¥ç¥i¥Ñ¤@²z·QÃö«Y¹Ï¥N´À¡C
¤G¡B¦b¦Ò¼{ºc¥ó±j«×©Î¤£¯A¤Î¯h³Ò®ÄÀ³¤§®À¦±·¥ª¬ºA¦w¥þ½T©w®É¡A²V¾®¤g¨üÀ£À³¤OÀ³ÅÜÃö«Y³]p¦¡¤@¯ëÀ³¨Ì¹Ï¤¤§Åã¥Ü¡C
			
  | 
			![]()  | 
		
¹Ï¤¡@²V¾®¤gÀ³¤OÀ³ÅÜÃö«Y
°²³]¦Ò¼{·í©Ó¨ü©Ô¦ù¦ÓÀ³¤O´£°ª¾ÉP²V¾®¤g±j«×°§C®É¡A¨äÀ³¤OÀ³ÅÜÃö«Y³]p¦¡¤¤¤§³Ì¤jÀ³¤OȬ° 0.85 fcd
²Ä¤G¸`
´¶³q¿ûµ¬
²Ä¤T¤Q¥|±ø
¤@¯ë¯S©Ê
¤@¡B¥»±ø¾A¥Î©ó¦b¤@¯ë²V¾®¤gµ²ºc¨Ï¥Î¤§¿ûµ¬¡A½L¨÷¿ûµ¬©Î¸g²k±µ¤§¿ûµ¬ºô¡C
¤G¡B½L¨÷¿ûµ¬¤§¨Ï¥ÎÀ³¯àº¡¨¬¡§¿ûµ¬²V¾®¤g¥Î¼öªî¿ûµ¬¼Ð·Ç¡¨¡]NA¡^¡A¨ÃÀ³¿í±q¥»³W³¹²Ä¤T¤Q¤±ø¤§³W©w¡C
¤T¡B²k±µ¿ûµ¬ºô©Ò±Ä¥Î¤§¿ûµ¬¡AÀ³²Å¦X ASTM A 185-85 ¤Î A497-86¼Ð·Ç¤§³]pn¨D¡C
¥|¡B©ó¬Y¨Ç±¡ªp¤¤¡A¦b¤ô¥¤è¦V¤W¿ûºô¥i±Ä¥Î³æ¼h©ÎÂù¼h§Î¦¡¡A¦Ó¨ä¿ûµ¬¥i±Ä¥Î³æµ¬©Î§ôµ¬²Õ¦¨¿ûºô¡A¿ûµ¬ª½®|«h¤£À³¤j©ó12 mm¤Î¤£À³¤p©ó3 mm¡A»P¤Î¿ûµ¬¶¡¶Z¤£À³¤p©ó50 mm¡C
²Ä¤T¤Q¤±ø
´¶³q¿ûµ¬¤§¯Å¸¹
¤@¡Bªí¤«ü¥X¥i¦Ò¼{¨Ï¥Î¤§´¶³q¿ûµ¬¯Å¸¹¡A¬ÛÀ³¤§³Ì¤p±j«×¼Ð·ÇȤÎÂ_µõ«á¤§Á`¦ùªø²v¡C
ªí¤ ´¶³q¿ûµ¬µ¥¯Å
| µ¥¯Å | fsyk (MPa) | Â_µõ«á¦ùªø²v¡]%¡^ | 
| A235 | 235 | 22 | 
| A335 | 335 | 16 | 
| A400 | 400 | 14 | 
| A500 | 500 | 10 | 
¤G¡B¿ûµ¬À³¼Ð¤W¤£¯à®ø°£¤§°O¸¹¥H©ö©ó¤u§@®É¤©¥H°Ï§O¡C
²Ä¤T¤Q¤»±ø
¼u©Ê¼Ò¶q
´¶³q¿ûµ¬¤§¼u©Ê¼Ò¶qÀ³¨úȬ°200GPa¡C
²Ä¤T¤Q¤C±ø
À³¤O¡X¡XÀ³Åܳ]pÃö«Y
¤@¡B¦b¦Ò¼{ºc¥ó±j«×©Î¤£¯A¤Î¯h³Ò®ÄÀ³¤§®À¦±·¥ª¬ºA¦w¥þ½T©w®É¡Aªí¤©Òz¤§¿ûµ¬¤§À³¤OÀ³ÅÜÃö«Y³]p¦¡¤@¯ëÀ³¨Ì¹Ï¤»¤§Åã¥Ü¡A¦¹³B fsyd ¬°¨ü©Ô©}ªAÀ³¤O©Î«D¤ñ¨Ò¦ùªøÀ³¤O¡]0.2%¡^¤§³]pÈ¡FfsycdÈ¥i³]©w»P fsyd¬Û¦P¡C
fsyd ¤Î fsycd ¥Ñ¬ÛÀ³¤§¼Ð·ÇȰ£¥H¤À¶µ¦w¥þ«Y¼Æ«á±o¥X¡A¤À¶µ¦w¥þ«Y¼Æ£^s¬°1.15¡C
			
  | 
			![]()  | 
		
¹Ï¤»¡@¿ûµ¬À³¤OÀ³ÅÜÃö«Y
¤G¡B¹ï¥H¤W©Ò«Ø¥ß¤§À³¤O¡X¡XÀ³ÅÜÃö«Y¦¡¥i¥H¨ä¥L¸û¬°©ö©ó×¥¿¤§À³¤O¡X¡XÀ³ÅÜÃö«Y¦¡¥N´À¡A¦Ó¸ÓÃö«Y¦¡À³®Ú¾Ú¥»±ø²Ä¤@´Ú©Ò©w¸q¤§¦w¥þ¼Ð·Ç¦Ó«Ø¥ß¡C
²Ä¤T¤Q¤K±ø
´¤»q¤O
®Ú¾ÚNA¼Ð·Ç¤§³W©w¡A¿ûµ¬¤§ªí±¥i¤À¬°¥ú±©Î±a¦Ø¡C±a¦Ø¿ûµ¬¬°°ª´¤»q¤O¿ûµ¬¡A¥ú±¶ê¿ûµ¬¬°´¶³q´¤»q¤O¿ûµ¬¡C
¥»³W³¹²Ä¤C¤Q¤»±ø«ü¥X¥ú±¿ûµ¬¤Î±a¦Ø¿ûµ¬¤§´¤»qpºâÈ¡C¤£²Å¦XNA¼Ð·Ç¤¤¤§´X¦ón¨D¤§¿ûµ¬¡A¨ä´¤»q¤O¥i³q¹L´ú¸Õ¨Ã¥[¥H¾A·í×¥¿¨Ó¨M©w¡C
²Ä¤T¸`
¹wÀ³¤O¿ûµ¬
²Ä¤T¤Q¤E±ø
¤@¯ë¯S©Ê
¤@¡B¹wÀ³¤O¿ûµ¬¤§¯S©Ê¥i¤À¬°¹wÀ³¤O¿ûµ¬¤§¥Í²£µ{§Ç¡B²Õ¦¨¯S©Ê¡B¤O¾Ç©Ê¯à¥H¤Î¨ä´¤»q¯à¤Oµ¥¡C
¤G¡B¹wÀ³¤O¿ûµ¬¯S©Ê¤§¨M©w¥i®Ú¾ÚRILEM¡BCEB¡BFIP¤ÎISOµ¥¼Ð·Ç¤Î«ØÄ³¥[¥H¶i¦æ¡C
¤@¯ë¦Ó¨¥¡A¹wÀ³¤O¿ûµ¬¤§¥Í²£¹Lµ{«Y±Ä¥Î§N©Ô¸Hµwªk¡]³q±`«Y³z¹L§N©Þ©Î§NÀ£¤è¦¡¶i¦æ¡^¡A¦b¥Í²£¹Lµ{¤¤³q±`±Ä¥Î¼ö³B²zµ{§Ç¤Î¾÷±ñ³B²zµ{§Ç¤@°_¶i¦æ¡A¥Î¥H´£°ª¨ä¤O¾Ç©Ê¯à¡C
¹wÀ³¤O¿ûµ¬¤§²Õ¦¨³q±`¥i¤À¬°¹wÀ³¤O¿û½u¡B¹wÀ³¤O¿û´Î¡B©Î¹wÀ³¤O¿ûµ±½u¡A¤S©Î¥H¦h±ø¿û½u©Î¦h±ø¿ûµ±½u¥¦æ®¹¤ã¦Ó¦¨¡]§Y¿û¯Á§ô¡^¡A¤S©Î¥H¦h±ø¿ûµ±½uÀô¶¤@¦@¦PÁa¦V¶b§@Á³±Û§Î®¹¤ã¦Ó¦¨¡]§Y¿ûµ±¯Á§ô¡^¡CµM¦Ó¹wÀ³¤O¿û½u¤Î¹wÀ³¤O¿û´Î¶¡¤§®t§O¦b©ó¿û½u¬°½L¨÷³sÄò¦¡¨ÑÀ³¡A¥H¤Î¤@¯ë±Ä¥Î12mmª½®|¡F¿ûµ±½u¹ê¬°±Ä¥Î¼Æ±ø¿û½u®¹¤ã¤@°_¡A¨Ã¥H¤¤¤ß¤§¤@±ø¿û½u§@¬°¦@¦PÁa¦V¶b¥HÁ³±Û§Î¦¡Àô¶¦¹¶bµ±ºò¦Ó¦¨¡C
n¤F¸Ñ¹wÀ³¤O¿û§÷¤§¤O¾Ç©Ê¯à¡AÀ³ª¾¹D¨äÀ³¤OÀ³ÅÜÃö«Y¹Ï¡]©Î¤O¡X¡XÅܧÎÃö«Y¹Ï¡^¡C¤@¯ë¦Ó¨¥¡A¥Ñ¸ÓÃö«Y¹Ï¯à±o¨ì¼u©Ê¼Ò¶q¡B¨ì¹F0.01%¡A0.1%¤Î0.2%¤§³W©w«D¤ñ¨Ò¦ùªøÀ³¤O¡B¯}ÃaÀ³¤O¤Î¦ùªø¶q¡F¦¹¥~¡AÁÙÀ³ª¾¹D¨ä¯}Ãa«á¤§¦ùªø¶q¤ÎÅs¦±©Î¯Â§á¸ÕÅ礧ªí²{¡Cn¤F¸Ñ¨ä¥L¤O¾Ç¯S©Ê¡A¸û¬°«nªÌ¬°¿û§÷¤§ÃP¦¢¡A³q±`¥i°Ï¤À¬°¤@¯ëÃP¦¢¿û§÷¤Î§CÃP¦¢¿û§÷¡]¥i¸g¥Ñ¯S®í³B²z±o¨ì¡^¡C¹ï©ó¤£¦PºØÃþ¤§¹wÀ³¤O¨t²Î¦P®É¥çÀ³¹ï¬Y¤è±¤§¿û§÷¯S©Ê§@¦Ò¼{¡A¨Ò¦p¿û§÷¤§¥i²k©Ê¤Î²V¾®¤gµw©T©Î¿û§÷Áã©T®É°_¥ñ¤§¥i¯à©Ê¡C©ó¤@¯ë±¡ªp¤¤¡A¦P®É¥çÀ³¤F¸Ñ¿û§÷¦b¯h³Ò¤U¤§¯S©Ê¤Î¦b©Ó¨üÀ³¤O¤U¿û§÷¹ï«I»k¤§±Ó·P©Ê¡C
¤@¯ë¦Ó¨¥¡A¬°§ï¨}ªí±µõÁ_¥X²{¤§±¡ªp¡AÀ³¦Ò¼{¯à±N¹wÀ³¤O¶Ç»¼¨ì²V¾®¤g¤¤¤§´¤»q©Ê¯à¡C¸Ó±¡ªp¤£³æ©ó¨Ï¥Î¥ý©Ôªk¬I¤u®É¦Ò¼{¡A¨ÃÀ³¦b¨ä¥L¬I¤u¤¤¦Ò¼{¡C
²Ä¥|¤Q±ø
¼u©Ê¼Ò¶q
¹wÀ³¤O¿ûµ¬¼u©Ê¼Ò¶q¤§±Ä¥ÎÀ³®Ú¾Ú¹êÅç¨M©w¡CÕY³]p®É¹ï¦¹È¨Ã¨S¦³¤ÓÄY®æ¤§n¨D¡A«h¨äÈ¥i¨ú200GPa¡C
²Ä¥|¤Q¤@±ø
¿ûµ¬¤§ÃP¦¢
¹wÀ³¤O¿ûµ¬¤§ÃP¦¢À³®Ú¾Ú¹êÅç¤èªk¡A©óªì©lÀ³¤O¬I¥[¤Î©ó©T©w·Å«×¤U¡A¦b¤@©w®É¶¡¤º¨D¨ú¨äªø«×¤è±¤§ÅܤơC¤@¯ë¦Ó¨¥¡A¸ÕÅç©Ò±Ä¥Î¤§ªì©lÀ³¤O¬°§Ü©Ô±j«×¤§0.6¡B0.7¤Î0.8¿¡A¦Ó·Å«×«h¥H20oC¬°·Ç¡C
¹ï¹wÀ³¤O¿ûµ¬ÀWÁc©Ê¤§ÃP¦¢²{¶H¡A¶È»Ý¥H¹êÅç¤èªk¨D¨ú¨ä¨ì¹F1000¤p®É¤§ÃP¦¢¶q§@¬°µû¦ô¸g±`©ÊÃP¦¢²{¶H¡C
Y¦³»Ýnµû¦ô¥ô¦ó¤j©ó100¤p®É¡]t2¡^¤§ÃP¦¢¶q®É¡A¥i¥Ñ¹êÅç¤èªk±o¥X¤j©ó1000¤p®É¡]t1¡^¤§ÃP¦¢¶q§@¬°µû¦ô¨Ì¾Ú¡A¨Ã¥i³z¹L¥H¤Uªí¹F¦¡¨D±o¡G
| 
			 
∆£mpt1,r 
			 | 
			﴾ | 
			 
				t1  
			 | 
			﴿ | £] | 
| ∆£mpt2,r | t2 | ¡@ | 
¦¹³B
£G£mpt2,r ©ó®É¶¡ t2 ¸g¥ÑÃP¦¢¤Þ°_¤§À³¤O·l¥¢¡]§YÃP¦¢¶q¡^¡F
£G£mpt1,r ©ó®É¶¡t1¸g¥ÑÃP¦¢¤Þ°_¤§À³¤O·l¥¢¡F
£] ¾¡A¨äȨú¨M©ó¿û§÷¤§ºØÃþ¤Îªì©lÀ³¤O¤§¤j¤p¡A¨Ã¥i±Ä¥Î0.15¦Ü0.25¤§¶¡¡FµM¦ÓY»Ýn¸û¬°ºë½T¤§pºâ®É¥i¦Ò¼{±Ä¥Î0.2¡C
¹ïµû¦ô®É¶¡¬°µL½a¤§ÃP¦¢¶q®É¡A¥i¥H±Ä¥Î¥H¤Wªí¹F¦¡¨Ã¦Ò¼{t2 = 105¤p®É¡]h¡^§@pºâ¡C
Y¨S¦³½T¹ê¤§¹êÅç¼Æ¾Ú¤În¨D¨Ã¤£ÄY®æ®É¡A¹ïªì©lÀ³¤O¬°0.7¿§Ü©Ô±j«×®É¡A¤¹³\±Ä¥Î¤U¦C¼ÆÈ§@¬°®É¶¡©óµL½a®É¤§ÃP¦¢¶q¡A¦¹¼ÆÈ¥Hªì©lÀ³¤O¤§¦Ê¤À¤ñ¬°ªí¹F¤è¦¡¡G
- ¤@¯ëÃP¦¢¤§¿û§÷ 15%
 - §CÃP¦¢¤§¿û§÷ 6%
 
¹ï¨ä¥L§C©ó0.8¿§Ü©Ô±j«×¤§ªì©lÀ³¤O¡A¤´¥i±Ä¥Î²¤Æ¤è¦¡µû¦ôÃP¦¢¶q¡A¨Ã¥Bªì©lÀ³¤O§C¦Ü0.5¿§Ü©Ô±j«×¤§½d³ò¤º¡A¤¹³\¦Ò¼{ÃP¦¢¶q¤§§ïÅܬ°½u©ÊÅܤơC
³Ì«á¡AÀ³ª`·N¿û§÷¤§ÃP¦¢¶q·|ÀHµÛ·Å«×¤W¤É¦Ó©úÅã¼W¥[¡C¬G·í§@¥Î¤§·Å«×¤j©ó20oC®É¡]¸Ó·Å«×¬°¹êÅç®É©Ò±Ä¥Î¤§°Ñ¦Ò·Å«×¡^¡A«hÀ³µø¹ê»Ú±¡ªp§@¦Ò¼{¡A¨Ã¥B³Ì¦n±Ä¥Î§CÃP¦¢¿û§÷¡C
²Ä¥|¤Q¤G±ø
À³¤OÀ³Åܳ]pÃö«Y¦¡
¤@¡B¹wÀ³¤O¿ûµ¬¤§À³¤OÀ³Åܳ]pÃö«Y¦¡¡A¹ï¤£¯A¤Î¯h³Òª¬ºA¤U±j«×¤Î®À¦±¤è±¤§©Ó¸ü¯à¤O·¥ª¬ºA¡A¦b½T©wºc¥ó¦w¥þ©Ê¤§©è§Ü¤O³]pȮɥi¦Ò¼{¸ÓÀ³¤OÀ³ÅÜÃö«Y¦¡¡C¦Ó¨ä¼Ð·ÇÀ³¤OÀ³ÅÜÃö«Y¹ÏÀ³±Ä¥Î¤@¤À¶µ¦w¥þ«Y¼Æ£^s = 1.15¨Ó¥[¥H§é´î¡A¨Ã®Ú¾Úª½½u¥¦æÃö«Y¨Ó©w¸q¼u©Ê¦æ¬°¡C
¤G¡B®Ú¾Ú¥»±ø©Ò©w¸q¤§À³¤OÀ³Åܳ]pÃö«Y¦¡¥i¥Î²¤ÆÃö«Y¦¡¨Ó¥N´À¡A¦Ó¸Ó²¤Æ¦¡¤§µ²ªG¤£³æ¯àº¡¨¬À³¤OÀ³ÅÜÃö«Y¤§µ²ªG¡A¥ç¦P®É¬°³B©ó°¾¦V¦w¥þ¤§¤@¤è¡C
¹wÀ³¤O¿ûµ¬»P¤@¯ë¿ûµ¬¤£¦P¤§³B¡A¦b©ó¹wÀ³¤O¿ûµ¬¨Ã¨S¦³¤@©T©w¤§À³¤OÀ³ÅÜÃö«Y³]p¹Ï¡A¥Dn«Y¦]¬°¸ÓÃþ¹wÀ³¤O¿ûµ¬¦³¦hºØ¤£¦P¤§§Î¦¡À³¤OÀ³ÅÜÃö«Y¹Ï¡AÕY±Ä¥Î©T©w¤@ºØÀ³¤OÀ³Åܧ@³]p¹Ï®É¡A¥i¯à·|¾ÉP©óÀ³¥Î®É¥X²{¿ù»~¡CµM¦Ó¡A©ó³]p®ÉY¯à«Oµý¨ä¦w¥þ©Ê¡A«h¥i±Ä¥Î²¤ÆÃö«Y¹Ï¡C
²Ä¤G½s
¦w¥þ©Ê¤§½T»{
²Ä¤@³¹
©Ó¸ü¯à¤O·¥ª¬ºA¤U±j«×¤è±¤§¦w¥þ©Ê½T©w
²Ä¤@¸`
¦w¥þ©Ê½T©w¤§³W«h
²Ä¥|¤Q¤T±ø
Á`«h
·í¤£¦Ò¼{¯h³Ò®ÄÀ³®É¡A©Ó¸ü¯à¤O·¥ª¬ºA¤U±j«×¤è±¤§¦w¥þ©ÊÀ³³q¹L¤º¤O¨Ó½T©w¡C¤@¯ë¦Ó¨¥¡A·íªOµ²ºc§Q¥Î¶ì©Ê¤ÀªR®É¡A¨ä¦w¥þ©ÊÀ³³q¹Lpºâ¤Ï¨D¨ä©Ò¯à©Ó¨ü¤§¥~¥[§@¥Î¨Ó½T©w¡C
²Ä¥|¤Q¥|±ø
¥H¤º¤O½T©w¦w¥þ©Ê
¤@¡B¥H¤º¤O½T©w¦w¥þ©Ê»Ýº¡¨¬¥H¤U±¡ªp¡G
Sd ≤ Rd
¦¹³B
Sd ¬°¥~¥[§@¥Î¤O³]pÈ¡F
Rd ¬°©è§Ü¯à¤O³]pÈ¡C
pºâ¥~¥[§@¥Î¤OȮɡAÀ³«ö²Ä¤³¹¤º©Ò©w¥ß¤§¼Ð·Ç¤ÎRSA³W½d¡A¦b¤£¦Ò¼{¥¢Ã©Î³Ò·l¯}Ãa¤§·¥ª¬ºA®É©Ò¥Î²Õ¦X¤Î¤À¶µ¦w¥þ¨t¼Æ£^f¡C
·í¦Ò¼{¹wÀ³¤O§@¥Î®É¡A¥Ã¤[§@¥Î¤§¤À¶µ¦w¥þ¨t¼Æ £^g ¥i´î¦Ü 1.2¡AY¨ä®ÄÀ³«Y§@¬°½T©w¦w¥þ¤§¥Dn¦]¯À¡A¸Ó¤À¶µ¦w¥þ¨t¼Æ«hÀ³«öRSA©Ò³W©w¡A¨ú¬°1.35¡C
¤G¡B©è§Ü¯à¤O³]pÈÀ³«ö¥»³¹©Ò«Ø¥ß¤§²z½×¶i¦æpºâ¡A¥H¤£¦P¤º¤OºØÃþ§@ªí¥Ü¡A¨ÃÀ³¦Ò¼{¥]¬A²Ä¤»³¹¤¤©Òz¤§§÷®Æ©Ê¯à³]pÈ¡C
²Ä¥|¤Q¤±ø
¥H§@¥Î½T©w¦w¥þ©Ê
·í±Ä¥Î¶ì©Ê¤ÀªRªOµ²ºc®É¡A¨ä¦w¥þ½T©w±ø¥óÀ³º¡¨¬¥H§@¥Îªí¥Ü¤§©è§Ü¯à¤O³]pȤ£¤Ö©ó¥~¥[§@¥Î³]pÈ¡C
²Ä¤G¸`
©è§Ü¯à¤O
²Ä¥|¤Q¤»±ø
¶b¤ß¤ÎÅs¯x¤º¤O
¤@¡Bpºâºc¥óºI±¤§§Ü©Ô¡B©ÔÀ£¡B§Ü¯ÂÅs¡B§Ü´_¦XÅs¦±¡B©Î§ÜÂù¦VÅs¦±¯à¤O³]pÈÀ³¥Î¤U¦C°²³]¡G
a¡^ºI±À³ÅÜ«O«ù¥±¡F
b¡^¤£¦Ò¼{²V¾®¤g¤§§Ü©Ô±j«×¡F
c¡^²V¾®¤g¡B¿ûµ¬¡B»P¹wÀ³¤Oµ¬¤§À³¤O»PÀ³ÅÜÃö«YÂù¦±½u¤À§O¦b²Ä¤T¤Q¤T±ø¡B²Ä¤T¤Q¤C±ø¤Î²Ä¥|¤Q¤G±ø¤¤¦C©ú¡F
d¡^²V¾®¤g¨üÀ£¤§·¥À³Åܬ° 3.5x10-3 ¡A¹ï¾ãÓºI±«D§¡¤Ã¨üÀ£®É¡A¨ä·¥À³ÅÜÀ³³vº¥±q 3.5x10-3 ¦Ü 2.0x10-3 ÅܤơA«áªÌ¤§¼ÆÈ¬Ûµ¥©ó§¡¤Ã¨üÀ£ºc¥ó¤§·¥À³ÅÜ¡F
e¡^¿ûµ¬¨ü©Ô·¥À³Åܬ°10x10-3 ¡A¥Î©ó¹wÀ³¤Oµ¬®É¡AÀ³±Ä¥Î©Ò¬I¤§¹wÀ³¤O¼Ð·ÇȬÛÀ³²£¥Í¦b¸Óµ¬¤W¤§À³ÅÜ¡C
¤G¡B¦³ÃöÂù¦VÅs¦±¡B¯ÂÅs¦±¡B©Î´_¦XÅs¦±¤§pºâºI±§ÜÅs±j«×¤§°ÝÃD¥i¥Îªñ¦ü¤èªk¡A±Ä¥Î¤U¦CÃþ«¬¤§¤¬°Ê¤èµ{¦¡¡G
| ﴾ | 
			 
				MRd,x 
			 | 
			﴿ | £\ | + | ﴾ | 
			 
				MRd,y 
			 | 
			﴿ | £\ | = 1 | 
| MRd,xo | ¡@ | MRd,yo | ¡@ | 
¦¹³B¡G
MRd,x¡A MRd,y Âù¦VÅs¦±©Î»P¤@¥¿¦V¤ONRd¤§´_¦XÅs¦±¤§³]p§ÜÅs±j«×¡A¤À¦¨x¡Ay¥¿¥æ¶b¤§¤À¶q¡F
MRd,xo¡A MRd,yo «DÂù¦VÅs¦±©Î«D»P¤@¥¿¦V¤ONRd¤§´_¦XÅs¦±¤§³]p§ÜÅs±j«×¡A¤À¦¨x¡Ay¥¿¥æ¶b¤§¤À¶q¡F
£\ ¾¡A¨äÈÀH¤£¦P¦]¼Æ¦Ó©w¡A¤@¯ë¥]¬A¥¿¦V¤OÈ¡AºI±´X¦ó§Îª¬¤Î°tµ¬²v¡F·í¦b¯x§ÎºI±¥|Ã䤧°tµ¬¬Û¦P®É¡A£\¥i¨ú¬°1.2¡F¨ä¥¦±¡ªp¬°¦w¥þ°_¨£¡A£\¥i¨ú¬°1.0¡C
¤T¡B¦b¤ÀªRºI±©Ó¨üÅs¯x¤Î¤@²Ó¤p¥¿¦V¤O®É¡A¦p¥¿¦V¤O¤Ö©ó0.08fck ¼¥HºI±±¿n¡A¨ä®ÄÀ³¥i¥H¤£¥[²z·|¡C
²Ä¥|¤Q¤C±ø
°Å¤O
¤@¡B¥»±ø¾A¥Î©ó«ö¤W±ø©Ò§@§ÜÅs³]p¤§¼Ù¤ÎªO¡A¦P®É¥ç¾A¥Î©ó«ö¤W±ø¤Î²Ä¤¤Q¤@±ø©Ò³]p©Ó¨ü¤j°Å¤O¤§¹w¨îºc¥ó¤Î¬W¡C
¤G¡B·ípºâ°Å¤O®ÉÅã¥Ü¤£»Ý°tµ¬¡A¤@¯ëÀ³±Ä¥Î³Ì¤p°tµ¬¡C·íºc¥ó¦³¨¬°÷¯à¤O±N²ü¸ü¾î¦V¦a¤À°t¤Î¨ä©Ò¨ü¤§©Ô¤O¤£¤j®É¡A¸Ó³Ì¤p°tµ¬«h¥i§K°£¡A¨Ò¦p¥Î©óªOºc¥ó¤W¡]¹ê¤ßªO¡A¦ØªO¡AªÅ¤ßªO¡^¡C·í¹ï©Ó¸ü¤O¤Îéw©ÊµL¤j¼vÅT¤§«D«nºc¥ó¡]¨Ò¦p¸ó«×¤p©ó2m¤§¹L¼Ù¡^¡A¸Ó³Ì¤p°tµ¬¥ç¥i§K°£¡C
¤T¡B°Å¤Opºâ¤èªk°ò©ó¤TºØ§Ü°Å¤OÈ¡G
VRd1 ¤£°t¸m°Å¤Oµ¬ºc¥ó¤§§Ü°Å¤O³]pÈ¡F
VRd2 °²³]²V¾®¤g¨üÀ£±ì©Ò¯à©Ó¨ü¤§³Ì¤j§Ü°Å¤O³]pÈ¡F
VRd3 °t¦³°Å¤Oµ¬ºc¥ó¤§³Ì¤j§Ü°Å¤O³]pÈ¡C
¥|¡B¤£°t¸m°Å¤Oµ¬ºc¥ó¤§§Ü°Å¤O³]pÈVRd1pºâ¦p¤U¡G
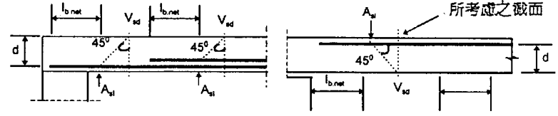
VRd1 = [τRd k ( 1.2 + 40 £l1) + 0.15 σcp ] bwd
¦¹³B¡G
£nRd pºâ§Ü°Å¤O¤§°Ñ¦ÒÈ¡A¨äȵ¥©ó 0.25 fctd¡A¸Ô¨£ªí¤»¡F
k ·íºc¥ó¤¤¶W¹L50%¤§©³µ¬³Q«d´î®É¡A¨äȵ¥©ó1¡F¨ä¥L±¡ªp¡Gk=1.6-d¡]dÈ¥H¦Ì¬°³æ¦ì¡^¡F
£l1= Asl/(bw d) ≤ 0.02¡F
Asl ¨ü©Ô¿ûµ¬±¿n¡A¦b©Ò¦Ò¼{¤§ºI±«á©µªø¤£¤Ö©ód+lb, net ¤§ªø«×¡]¨£¹Ï¤C¡^¡F
lb,net ¦b²Ä¤C¤Q¤C±ø¤Î¹Ï¤Q¥|¤¤¸ÑÄÀ¡F
bw ºI±¤§³Ì²Ó¼e«×¡F
d ºI±¤§¦³®Ä²`«×¡F
£mcp NSd / Ac¡F
NSd ¥Ñ²ü¸ü©Î¹wÀ³¤O©Ò²£¥Í¤§¶b¦V¤O¡]¨üÀ£¬°¥¿È¡^¡C
ªí¤»¡@¦UºØ²V¾®¤gµ¥¯Å¤§£nRdÈ
| ²V¾®¤g¯Å§O | B15 | B20 | B25 | B30 | B35 | B40 | B45 | B50 | B55 | B60 | 
| £nRd | 0.18 | 0.22 | 0.25 | 0.30 | 0.33 | 0.35 | 0.38 | 0.42 | 0.45 | 0.48 | 
¡@

¹Ï¤C¡GAsl¤§©w¸q
¤¡B°²³]²V¾®¤g¨üÀ£±ì©Ò¯à©Ó¤§³Ì¤j§Ü°Å¤OÈ¡AVRd2¡Apºâ¦p¤U¡G
VRd2 = £nRd2 bw d
¦¹³B£nRd2«Y¤@À³¤O¡A¨äȥܩóªí¤C¡C
ª`·N¡G
£nRd2 = 0.45 £ov fcd
£ov = 0.7 - fck / 200 ≥ 0.5
ªí¤C £nRd2 À³¤OÈ
| ²V¾®¤g¯Å§O | B15 | B20 | B25 | B30 | B35 | B40 | B45 | B50 | B55 | B60 | 
| £nRd2 | 2.3 | 3.0 | 3.6 | 4.2 | 4.7 | 5.2 | 5.6 | 6.0 | 6.6 | 7.2 | 
¤»¡B°t¦³°Å¤Oµ¬ºc¥ó¤§³Ì¤j§Ü°Å¤O³]pÈ¡AVRd3pºâ¦p¤U¡G
VRd3 = Vcd + Vwd
¦¹³BVcd «ü²V¾®¤g§Ü°Å¤O¡A¬Ûµ¥VRd1¡A¦ÓVwd«ü°tµ¬§Ü°Å¤O¡C
·íºc¥ó«Y¨ü¤@¬Û·í¤j©Ô¤O®É¡AVcd À³¨ú¬°0¡C
¤C¡BVwd ¤§ÈÀ³¥Ñ¥H¤U¤½¦¡pºâ¡G
Vwd = 0.9 d (Asw/S) fsyd (1+cotg £\) sin £\
¦¹³B¡G
d ¦³®Ä°ª«×¡F
Asw °Å¤Oµ¬ºI±±¿n¡]¥ÎãTµ¬®É¡AÀ³¥]¬A©Ò¦³¤£¦PªÏ¼Æ¡^¡F
s °Å¤Oµ¬¤§¶¡¶Z¡F
fsyd °Å¤Oµ¬¤§³]p©}ªA±j«×©Î0.2%³W©w«D¤ñ¨Ò¦ùªø±j«×¡F
£\ °Å¤Oµ¬»Pºc¥ó¶b©Ò§Î¦¨¤§¨¤«×¡]45o ≤£\ ≤90o¡^¡C
¤K¡B·íºI±¥~¥[°Å¤O³]pÈVsd¤Ö©óVRd1®É¡A¤£»Ý°t¸m°Å¤Oµ¬¡A¦ý¤£¥]¬A²Ä¤K¤Q¤C±ø©Ò«ü¤§³Ì¤p°tµ¬¡C
¤E¡B·íºI±VSd¤j©óVRd1®É¡AÀ³°t¸m°Å¤Oµ¬¥H½T«O¥H¤U±¡ªp¡G
VSd ≤VRd3
¤Q¡B¦b¥ô¦óºc¥ó¤ÎºI±¡A°Å¤O³]pÈÀ³¤£¤j©óVRd2¡C·íºc¥ó©Ó¨üÁa¦VÀ£¤O®É¡AVRd2À³«ö¥H¤Uµ{¦¡§é´î¡G
VRd2,red = 1.67 VRd2 ( 1 - £mcp,ef / fcd) ≤ VRd2
¦¹³B¡G
VRd2,red §é´î«á¤§VRd2 È¡F
£mcp,ef ¥ÑÁa¦V¤O©Ò²£¥Í¤§¦³®Ä¥§¡À³¤O¡A«ö¥H¤U¤½¦¡pºâ¡G
£mcp,ef = ( NSd - fsyd As2 ) / Ac;
NSd Áa¦V¤O³]pÈ¡F
As2 ¨üÀ£°Ï¤º°tµ¬±¿n¡F
Ac²V¾®¤gºI±Á`±¿n¡C
¤Q¤@¡B¹ï¨S°t°Å¤Oµ¬¤§ºc¥ó¤Î°t¦³°Å¤Oµ¬¦Ó¤Sº¡¨¬¤U´Ú±¡ªp¤§ºc¥ó¡A¥i¤¹³\¼W¥[¨ä§Ü°Å±j«×¡C¦ý¥u¾A¥Î©ó¶ZÂ÷¤ä©Ó± x ≤2.5d ½d³ò¤º¤§¶°¤¤²ü¸ü¡C¬°¦¹¡A¦bpºâVRd1®É¥i¦b £nRd ¼¤W¤@«Y¼Æ£]v¦p¤U¡G
£]v = 2.5 d / x¡@¦Ó 1.0 ≤£]v≤5.0
·í±Ä¥Î¦¹¼WȮɡA¥Ñ¤ä©Ó±¶}©l¤@¬q2.5dªø©w½d³ò¤º¡AÀ³¹ï©Ò¦³Á{ºI±¤§Vrd1¤Î°Å¤Oµ¬¶i¦æpºâ¡A¦bÂùÃö¶°¤¤²ü¸ü¤§¸óÃä«h¥Î£]v=1.0¡F±q©Ò±o¤§³Ì¤j°tµ¬À³¥Î©ó¾ã¬qªø«×¤º¡C
·í¼Ù¤W¥Dn²ü¸ü«Y¤@±µªñ¤ä©Ó¤§¶°¤¤²ü¸ü®É¡A¤Wz¤èªk¥i¯à¾ÉP±Ä¥Î³Ì§C°tµ¬©ó¾ã±ø¼Ù¤W¡C³o±¡ªp»Ý¤p¤ß³B²z¡A³]pªÌ¥i¿ï¾Ü¥H¥¼¼WȤ§VRd1¨Óp©è§Ü¤O¡C
¤Q¤G¡B¦]¬°±µªñ¤ä©Ó¦Ó¯àª½±µ¶Ç°e²ü¸ü¡A©è§Ü¤O¦³©Ò¼W±j¡A¥Î©ó§¡§G²ü¸ü¤§¼Ù©ÎªO®É¡A¤@¯ë¦b¶ZÂ÷¤ä©Ó±d¤§¦ì¸m©Òpºâ¤§³]p°Å¤OÈVSd¬°¸û«O¦u¡C
·í±Ä¥Î«ö¤W´Ú¹ï±µªñ¤ä©Ó©Ò¼W¥[¤§§Ü°Å±j«×®É¡AÀ³º¡¨¬¤U¦C±ø¥ó¡G
a¡^²ü¸ü»P¤ä©Ó¤Ï¤OÀ³¹ïºc¥ó¦¨±×¦VÀ£¤O¡F
b¡^¦b¥~¤ä©ÓºÝ¡A¦ì©ó¶ZÂ÷¤ä©Ó2.5d½d³ò¤º¤§©Ò»Ý¨ü©Ôµ¬À³Áã©T©ó¤ä©Ó¤º¡F
c¡^¦b¤º¤ä©ÓºÝ¡A¦ì©ó¤ä©Ó±©Ò»Ý¨ü©Ôµ¬À³©µ¦ù¤J³s±µ¸ó¤@ªø«×¤£¤Ö©ó2.5 d +lb.net¡C
¤Q¤T¡B¦bpºâ bw ®É¡A¼Ù¸¡ºI¦Ó¦P¤@¤ô¥¤W¡AY¿ûµ¬©Î¿ûµ±¤§ª½®|¤j©ó¸Ó¤ô¥ºI±¼e«×¤K¤À¤@®É¡Apºâ¼e«×«hÀ³´î¥h¸ÓºI±¤ô¥©Ò¦³¿ûµ¬ª½®|Á`©M¤§¤@¥b¡C
¤Q¥|¡B¦³±×¿ûµ±¤§¹wÀ³¤Oºc¥ó©ÎÅܺI±ºc¥óÀ³¦Ò¼{¦X¤O®ÄÀ³¡A¥~¥[¾î¦V¤O®Õ¥¿¬°¹wÀ³¤O¤§¾î¦V¤À¶q©Î®ì¬[¤ô¥¤O¡C
²Ä¥|¤Q¤K±ø
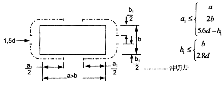
¨R¤Á¤O
¤@¡B¥»±ø¤§³W«h«Y¹ï«ö²Ä¥|¤Q¤»±øÅs¯xn¨D¦Ó°tµ¬¤§ªOºc¥ó§@¨R¤Á©Ó¸ü¤O½T©w¡C¥ç¦P®É¾A¥Î©ó¦aªO¤Î©ó²ü¸ü½d³ò¦³¹ê¤ßºI±¤§®æ¤lªO¤W¡C¨R¤Á¤O¥i¥Ñ¤@¶°¤¤²ü¸ü©Ò²£¥Í¡A©Î¥Ñ»PªO±¿n©Î©Ó¥x±¿n¬Û¤ñ¤U«Ü²Ó¤§¤Ï¤O±¿n©ÒP¡C
¤G¡B¨R¤Á©Ó¸ü¤OÀ³ªu¤@©w¸q¤§Á{¬É½ü¹ø½u¤W§@½T©w¡C¦b¸ÓÁ{¬ÉÂ_±¥~³ò¡AªO¥ón²Å¦X²Ä¥|¤Q¤C±ø©Ò©w¤§n¨D¡CYªO«p¤£¯à½T«O¦³¨¬°÷¤§¨R¤Á©Ó¸ü¤O®É¡AÀ³¥Î¦p¾î¦V¿ûµ¬©Î¬W«aµ¥¡C
¤T¡BÁ{¬É±¿n«Y«üÁ{¬É½ü¹ø½u¤º¤§±¿n¡CÁ{¬ÉºI±«üªuÁ{¬É½ü¹ø½u©µ¦ù¦Ü¦³®Ä²`«×d¤§½d³ò¡C
¥|¡B¥»±ø©Òz¤§³W«h¾A¥Î©ó²ü¸ü½d³ò¦³¹ê¤ßºI±¤§®æ¤lªO¤W¡A¦ý¸Ó¹ê¤ßºI±»Ý¦bÁ{¬É½ü¹ø½u¥~©µ¦ù¤£¤Ö©ó1.5d¡C
¤¡B¥»¤£±ø¤§³W©w¾A¥Î©ó¥H¤UºØÃþ¤§¨ü²ü±¿n®e³\¨ü²ü±¿n¤£¤Ó±µªñ¨ä¥L¶°¤¤¤O¦Ó¥OÁ{¬É½ü¹ø½u¬Û¥æ¤Î¤£¦ì©ó¨ü¤£¦P¦¨¦]¤§«n°Å¤O¼vÅT½d³ò¤§¤º¡C
- ¡X¡X¶ê§Î¡Aª½®|¤£¤j©ó3.5d¡F
 - ¡X¡Xªø¤è§Î¡A¨ä©P¬É¤£¤j©ó11d¤Îªø»P¼e¤§¤ñ¨Ò¤£¤j©ó2¡F
 - ¡X¡X¥ô¦ó§Îª¬¡A¨ä¬É¤Ø¤o«ö¼ÒÀÀ¤W±©Òz¤§§Îª¬¨Ó¨î©w¡C
 
µù¡Gd«ü¨ü³e¬ï°Å¤O¤§ºc¥ó¤§¥§¡¦³®Ä°ª«×¡C
¤»¡BYÀð©Î¤è¼Î¤£¯àº¡¨¬1¡]a¡^¤§±ø¥ó®É¡A¦]Àð§Î¤ä©Ó¤§°Å¤O¶°¤¤©ó¨¤¶¨¡A·íµL¶i¦æ§ó¸Ô²Ó¤ÀªR¡A¨äÁ{¬É½ü¹ø½u¥i«ö¹Ï¤K§@¦Ò¼{¡C

¹Ï¤K¡G«D¼Ð·Ç±¡ªp¤U¨R¤Á¤O°t¸m¤§À³¥Î
¤C¡B»·Â÷«D¤ä©ÓÃä¶ê§Î©Î¤è§Î²ü¸ü¤§Á{¬É½ü¹ø½u©Pªø«Y«ü¶ZÂ÷²ü¸ü±¥~1.5d½d³ò¤§©Pªø¡C¨£¹Ï¤E¡C

¹Ï¤E¡G»·Â÷¦Û¥ÑÃ䤧²ü¸üÁ{¬É½ü¹ø½u©Pªø
¤K¡B·í²ü¸ü±±µªñ¶}¤Õ®É¡A§Y²ü¸ü±»P¶}¤Õ³Ìµu¶ZÂ÷¤£¤j©ó6d¡A¨äÁ{¬É½ü¹ø½u©Pªø»P±q¶}¤Õ¥~§Î©M²ü¸ü±¤¤¤ß©Ò¹º¥X¨â±ø¤Á½u½d³ò¤º¬Û¥æ¤§¤@Â_ªø«×§@¬°µL®Ä¡C¨£¹Ï¤Q¡C

¹Ï¤Q¡G±µªñ¶}¤Õ¤§Á{¬É½ü¹ø½u©Pªø
¤E¡B·í²ü¸ü±±µªñ¤@«D¤ä©ÓÃä©Î¨¤¶¨®É¡A¨äÁ{¬É½ü¹ø½u©PªøÀ³«ö¹Ï¤Q¤@¨ú¥Î¡A¦ý©Ò±o¤§©Pªø¡]¤£¥]¬A«D¤ä©ÓÃ䤧¤@¬q¡^À³¤Ö©ó¥»±ø²Ä¤C´Ú¤Î²Ä¤K´Ú¨î©w¤§©Pªø¡C*
* ½Ð¬d¾\¡G§ó¥¿

¹Ï¤Q¤@¡G¦Û¥ÑÃä®Ç¤§Á{¬É½ü¹ø½u©Pªø
¤Q¡B¥H¤U´X´Ú¦³Ãö¨R¤Á¤O½T©w¤èªk°ò©ó¤TºØ¨R¤Á¤OÈ¡G
VRd1 ¤£°t¸m¾î¦Vµ¬ªO¤WÁ{¬É½ü¹ø½u¨C³æ¦ìªø«×¤§¨R¤Á©Ó¸ü¤O³]pÈ¡F
VRd2 °t¦³¾î¦Vµ¬ªO¤WÁ{¬É½ü¹ø½u¨C³æ¦ìªø«×¤§³Ì¤j¨R¤Á©Ó¸ü¤O³]pÈ¡F
VRd3 °t¦³¾î¦Vµ¬ªO¤WÁ{¬É½ü¹ø½u¨C³æ¦ìªø«×¤§¨R¤Á©Ó¸ü¤O³]pÈ¡C
¤Q¤@¡BY VSd ≤VRd1 ®É¡A¤£»Ý°t¸m¾î¦Vµ¬¡C·í VSd ¤j©ó VRd1®É¡AÀ³±Ä¥Î¤@¾î¦V°tµ¬¡A¦ý«O«ù VSd ≤VRd3¡C
¤Q¤G¡B¦b¤@¶°¤¤²ü¸ü©Î¤ä©Ó¤Ï¤O¡A©Ò¬I¥[¤§¨C³æ¦ìªø«×¨R¤Á¤O¬°¡G
VSd = VSd£]p / u
¦¹³B¡G
VSd Á`¥~¥[¨R¤Á¤O³]pÈ¡]¹ïªOºc¥ó¡A¸ÓȪu©P¬Éupºâ¡F ¹ï©Ó¥x¡A¸ÓȪu¨R¤ÁÀ@©³©Ò¹º¥X¤§©P¬Épºâ¡AÀ@±×Ã䬰 33.7oC¡^¡F
u Á{¬É½ü¹ø½u©P¬É¡F
£]p ¦Ò¼{²ü¸ü°¾¤ß®ÄÀ³¤§¨t¼Æ¡]YµL°¾¤ß±¡ªp¡A£]p¥i³]¬° 1.0¡^¡A±Ä¥Î¥H¤U¼ÆÈ¡G
a¡^¶ê§Î²ü¸ü±¡]©ÎÃþ¦ü§Îª¬¡^¡G
| ßp = 1 + | 
			 
				2e 
			 | 
		
| do | 
¨ä¤¤¡G
e¡@VSd¤§°¾¤ß¶Z¡]ex ¤Î ey«Y x»P y ¤À¶q¡^¡F
do¡@Á{¬É½ü¹ø½uª½®|¡F
b¡^¤è§Î²ü¸ü±¡G

¨ä¤¤¡G
bx, by Á{¬É½ü¹ø½u¥¿Å²ü¸üx¤ÎyÃ䤧ªø«×¡C
c¡^£]p¥ç¥i¨ú¥H¤U¼ÆÈ§@¬°¥t¤@¿ï¾Ü¡G
| 
			 £]p= 1.50  | 
			
			 ¨¤¬W  | 
		
| 
			 £]p= 1.40  | 
			
			 Ãä¬W  | 
		
| 
			 £]p= 1.15  | 
			
			 ¤º¬W  | 
		
¤Q¤T¡B¤£°t¸m¾î¦Vµ¬«D¹wÀ³¤OªO¤WÁ{¬É½ü¹ø½u¨C³æ¦ìªø«×¤§¨R¤Á©Ó¸ü¤O³]pÈ¡AVRd1 ¡Apºâ¦p¤U¡G
VRd1 = £nRd k (1.2 + 40£l£d ) d
¦¹³B¡G
£nRd ªí¤»©Ò¥Ü¤§À³¤OÈ¡F
k = 1.6 - d ≥ 1.0 ¡]dÈ¥H¦Ìpºâ¡^¡F
| ρι = | √ | 
		 
ριx ριy 
		 | 
		≤ 0.015¡G | 
£l£dx ¤Î£l£dy¡@x¤Îy¤è¦V¤§©Ô¤O¿ûµ¬¡F
d = (dx + dy ) / 2¡F
dx¤Îdy¡@x¤Îy¤è¦V¯}Ãa±»PÁa¦V¿ûµ¬¬Û¥æ¤§¦³®Ä²`«×¡C
¤Q¥|¡B¤£°t¸m¾î¦Vµ¬¹wÀ³¤OªO¤WÁ{¬É½ü¹ø½u¨C³æ¦ìªø«×¤§¨R¤Á©Ó¸ü¤O³]pÈVRd1 ¡A±q«e±¤@ÂI©Ò±o¡AÀ³¥]¬A¦Ò¼{¥H¤U¡G
| ρι = | √ | 
			 
ριx ριy  
			 | 
			+ | 
			 
σcpo 
			 | 
			≤ 0.015¡F | 
| fsyd | 
£mcpo = Npd / Ac¡F
Npd ¥¼¦³·l¥¢¤§ªì©l¹wÀ³¤O¡AY¤£¦P¤è¦V¤§¹wÀ³¤O¤£¬Ûµ¥ ®É¡AÀ³±Ä¨ä¥§¡È¡C
¤Q¤¡B·í°t¦³§Ü¨R¤Á¤Oµ¬®É¡AÀ³¿í·Ó²Ä¤@¦Ê±ø©Ò¨î©w¤§°t¸mn¨D¡A¨R¤Á¤O©Ó¸ü¤O«ö¥H¤Upºâ¡G
VRd2 = 1.6VRd1
VRd3 = VRd1 + £UAsw fsyd sin£\ / u
¬I¥[¤O¤è¦V¤§¾î¦Vµ¬´£¨Ñ¤À¤OÁ`©M¥Ñ£UAsw fsyd sin£\ ¥Nªí¡A£\«üªO¥±¤Î¿ûµ¬©Ò¦¨¤§¨¤¡C
¤Q¤»¡B¬°½T«O¯à²£¥Í¨R¤Á§Ü¤O¡AªOºc¥óÀ³¦bx¤Îy¤è¦V³]p¥H¨C³æ¦ìªø«×¤§³Ì§CÅs¯xÈ msdx ¤Î msdy¡F°£«D¥Ñµ²ºc¤ÀªR¤¤Àò±o§ó°ª¤§È¡]¨£¹Ï¤Q¤G¡^¡CYµL¨ä¥L³]¬I¡AÀ³º¡¨¬¥H¤U¡G
mSdx (©Î mSdy) ≥ n VSd
¦¹³B¡G
VSd ¥~¥[¨R¤Á¤O¡F
n ¥Ü©óªí¤K¤§Ås¯x«Y¼Æ¡C
ªí¤K¡@Ås¯x«Y¼Æn
| ¬W¦ì¸m | MSdx¤§n | MSdy¤§n | ||||
| ± | ©³ | ¦³®Ä寛«× | ± | ©³ | ¦³®Ä寛«× | |
| ¤º¬W | -0.125 | 0 | 0.3 ly | -0.125 | 0 | 0.3 lx | 
| ¥~¬W¡AªOÃäx¶b¥¦æ | -0.25 | 0 | 0.15 ly | -0.125 | +0.125 | (¨C¦Ì) | 
| ¥~¬W¡AªOÃäy¶b¥¦æ | -0.125 | +0.125 | (¨C¦Ì) | -0.25 | 0 | 0.15 lx | 
| ¨¤¬W | -0.5 | +0.5 | (¨C¦Ì) | +0.5 | -0.5 | (¨C¦Ì) | 

¹Ï¤Q¤G¡GÅs¦±¯x¤Î¦³®Ä¼e«×
²Ä¥|¤Q¤E±ø
§á¤O
¤@¡B·í¤@µ²ºcÅ餧ÀR¤O¥¿Å«Y¨ü¸Óµ²ºcºc¥ó¤§§Ü§á¯à¤O¼vÅT®É¡A»Ýn¹ï§á¤O¶i¦æ³]p¡C¦bÀR©wµ²ºcÅé¡A§á¤O¥u¥Ñ¬Û®e©Ê©Ò¤Þ°_¡A¦Ó·íµ²ºcÅ餧éw©Ê¨Ã«Dµø¥G¨ä§Ü§á¯à¤O®É¡A¦b·¥ª¬ºA®É¤£»Ý§@¦Ò¼{¡A¦ý»Ý¹ï¨Ï¥Î·¥ª¬ºA¤¤¤§¶}µõ§@¨î¡C
¤G¡B¨ü§áºc¥ó¤§¹ê¤ß©ÎªÅ¤ßºI±§Ü§á¯à¤O³]pÈpºâÀ³¥H¨üÀ£²V¾®¤g±ì¡BºI±©P³ò¨ü©Ô¾î¦V¤ÎÁa¦V¿ûµ¬©Ò²Õ¦¨¤§ºÞª¬®ì¬[¬°°ò¥»¡C
¥~¥[§á¯x³]pÈTSd À³º¡¨¬¤U±¨âÓ±ø¥ó¡G
TSd ≤TRd1
TSd ≤TRd2
¦¹³B¡G
TRd1 ²V¾®¤g¨üÀ£±ì©Ò¯à©Ó¨ü¤§³Ì¤j§á¯x¡F
TRd2 ¿ûµ¬©Ò¯à©Ó¨ü¤§³Ì¤j§á¯x¡C
¤T¡B²V¾®¤g¨üÀ£±ì©Ò¯à©Ó¨ü¤§³Ì¤j§á¯xTRd1pºâ¦p¤U¡G
TRd1 = £ot fcd t Ak = 1.56 £nRd2 tAk*
* ½Ð¬d¾\¡G§ó¥¿
¦¹³B¡G
t ìºI±¤§°²³]Á¡¾ÀºI±¤§¾À«p¡]t ≤A/u¡A¤£¤p©óÁa¦V¿û µ¬«OÅ@¼h«×¨â¿¤Î¤£¤j©ó¯u¥¿¤§Àð«p¡^¡F
u ¥~½ü¹ø©Pªø¡F
A ¥~½ü¹ø©Ò©w¸q¤§¾î¦VºI±Á`±¿n¡F
Ak ìºI±¤§°²³]Á¡¾ÀºI±¤¤½u¤º©Ò¥]¬A¤§±¿n¡F
£nRd2 ªí¤C©w¸q¤§È¡F*
* ½Ð¬d¾\¡G§ó¥¿
£ot = 0.7 x (0.7 - fck / 200 )≥0.35
¥|¡B¿ûµ¬©Ò¯à©Ó¨ü¤§³Ì¤j§á¯x³]pÈTRd2pºâ¦p¤U¡G
TRd2 = 2AkfsydAsw / s
¦¹³B¡G
Asw ©Ò±Ä¥Î¤§ãTµ¬¤§¾î¦VºI±±¿n¡F
s ãTµ¬¶¡¶Z¡F
fsyd §á¤O¾î¦V¿ûµ¬¤§©}ªA±j«×©Î0.2%«D¤ñ¨Ò¦ùªø±j«×¡C
¤¡Bªþ¥[§á¤OÁa¦V¿ûµ¬±¿nAslpºâ¦p¤U¡G
Asl = [ TRd2¡@uk / ( 2 Ak ) ] / fsyd *
* ½Ð¬d¾\¡G§ó¥¿
¦¹³B¡G
uk¡@¡@Ak¤§©Pªø¡C
²Ä¤¤Q±ø
§á¤O¥[Ås¯x¤O©Î°Å¤O
¤@¡B·íºI±©Ó¨ü§á¤O¥[¯ÂÅs¯x©Î´_¦XÅsµu®É¡A¨ä§Ü¤OÀ³¥Ñ¨C¤@¥~¤O¿W¥ßpºâ¡A§á¤O¤ÎÅs¯x¤§Áa¦V¿ûµ¬¥ç¤À¶}¦Ò¼{¡C
¤G¡B·íºI±©Ó¨ü§á¤O¥[°Å¤O®É¡A¥~¥[°Å¤O¤Î§á¯x³]pÈ VSd ¤ÎTSdÀ³º¡¨¬¥H¤U±ø¥ó¡G
| ﴾ | 
			 
				VSd 
			 | 
			﴿ | 2 | + | ﴾ | 
			 
				TSd 
			 | 
			﴿ | 2 | ≤ 1 | 
| VRd2 | ¡@ | TRd1 | ¡@ | 
¦¹³B¡G
VRd2, TRd1 °Å§Ü¤O¤Î§á¯x§Ü¤O·í³æ¿Wpºâ®É¤§³Ì¤jÈ¡A±q¤U¦C¤½¦¡¨D±o¡G
VRd2 = 0.45£ov fcd bw d = £nRd2 bw d *
* ½Ð¬d¾\¡G§ó¥¿
TRd1 = £ot fcd t Ak = 1.56 £nRd 2t Ak *
* ½Ð¬d¾\¡G§ó¥¿
£nRd2, £ov, £ot, t, Ak¦b²Ä¥|¤Q¤C±ø¤Î²Ä¥|¤Q¤E±ø¤¤»¡©ú¡C *
* ½Ð¬d¾\¡G§ó¥¿
°Å¤O¤Î§á¯x¤§¾î¦V°tµ¬©Ò¥Î¤§ãTµ¬¥i³v¤@«ö²Ä¥|¤Q¤C±ø¤Î²Ä¥|¤Q¤E±ø«ü¥Ü¤§³W«h¤À§O¦apºâ¡C
²Ä¤G³¹
¦³Ãö®À¦±·¥ª¬ºA¤§¦w¥þ½T»{
²Ä¤@¸`
¤@¯ë³W©w
²Ä¤¤Q¤@±ø
Á`«h
¥»³¹¤§³W«h«Y¦³Ãö®À¦±·¥ª¬ºA¤§¦w¥þ½T»{¡A¹ï«ö²Ä¤Q¤±ø²Ä¤K´Ú©Ò©w¥Ñ¼Ù¤Î¬W©Ò²Õ¦¨¤§«DÂ\°Ê©ÎÂ\°Ê®ì¬[µ²ºc¤¤¤£¯à³Q©¿µø¤§¤G¶¥®ÄÀ³§@¦Ò¼{¡C
²Ä¤¤Q¤G±ø
¬W¤§²Óªø«×¡A®À¦±µ¥®Äªø«×
¤@¡B©T©wºI±¬Wºc¥ó¤§²Óªø«×¡A£f¡A¦b¨C¤@¤è¦V¥i§@¥H¤U¸ÑÄÀ¡G
£f = lo / i
¦¹³B¡G
lo ¦b¦Ò¼{¤§¤è¦V¤§®À¦±µ¥®Äªø«×¡F
i ¦b¦Ò¼{¤§¤è¦V³æ¥Ñ²V¾®¤g²Õ¦¨¤§¾î¦VºI±¦^Âà¥b®|¡C
¦b¤@¨Ç±¡ªp¤U¡A²Óªø«×£fÀ³¤£¤j©ó140¡C
¤G¡B¬W¤§®À¦±µ¥®Äªø«× lo «Y«ü¬W³Ì²×Ås¯x¤À§G¤¤¨âÂI¹sȤ§¶ZÂ÷¡C
pºâ®ì¬[µ²ºc¤¤¬W¤§µ¥®Äªø«× lo ¶·¦Ò¼{ª«²z¤Î´X¦ó«D½u©Ê¡C¤@¯ë±¡ªp¡Alo¥i¥Î¥H¤U²¤Æ©w¸q¡G
lo = £bl
¦¹³Bl«üºc¥ó¤§¦Û¥Ñªø«×¡A£b«Y®Ú¾Ú¨âºÝ¤ä©Óª¬ªp©Ò³]¤§¨t¼Æ¥B¥i±Ä¥Î¥H¤U¼ÆÈ¡G
«DÂ\°Êµ²ºc¤§¬W¡G±Ä¥H¤U¤§¸û¤pÈ¡G
£b = 0.7 + 0.05 (£\1 + £\2) ≤1
£b = 0.85 + 0.05 £\min ≤1
Â\°Êµ²ºc¤§¬W¡A±Ä¥H¤U¤§¸û¤pÈ¡G
£b = 1.0 + 0.15 (£\1 + £\2)
£b = 2.0 + 0.3£\min
¦¹³B¡G
| £\1 | ¬W¤@ºÝ¤§°Ñ¼Æ¡A¥Ñ³s±µ¸ÓºÝ¤§¬Wè«×Á`©M»P¼Ùè«×Á`©M¤§Ãö«Y¦ÓÀò±o¡F | 
| £\2 | ¸ò£\1©w¸q¬Û¦P¡A¦ý«ü¬W¤§¥t¤@ºÝ¡F | 
| £\min | £\¤¤¤§¸û¤pÈ¡C | 
·í¬W¤§¤@ºÝ³s±µ°ò¦®É¡A¶·¦Ò¼{¥H¤U¤§£\È¡G
¬W»P°ò¸}¦¨¥bè©Êµ²ÂI¡G£\ = 1¡F
¬W»P°ò¸}¦¨è©Êµ²ÂI¡G¡]¨Ò¦p¤j«¬¼Î´U¡^¡G £\ = 0¡F
¬W»P°ò¸}µ²ÂI¤£¤¹³\¶Ç°eÅs¯x¡F£\ = 10¡C
²Ä¤¤Q¤T±ø
µ²ºc¦w¥þ½T©w
¤@¡B¦³Ãöµ²ºc®À¦±·¥ª¬ºA¤§¦w¥þ½T©wÀ³±Ä¥Î²Ä¥|¤Q¥|±ø©Ó¸ü¤O·¥ª¬ºA¤¤¤§¤À¶µ¦w¥þ¨t¼Æ¡A¥çÀ³¦Ò¼{µ²ºc¤§ª«²z¤Î´X¦ó«D½u©Êªí²{¡C
¤G¡B¦Ò¼{«DÂ\°Êµ²ºc®É¡A¨ä¦w¥þ°ÝÃD¥i²²¤¬°½T©w¨C¤@®Ú¬W¤§¦w¥þ¡A±Ä¥Î¥»³¹B³¡¤À©Ò«ü¤§¤èªk¡A«ö²Ä¤¤Q¤G±øpºâµ¥®Äªø«×¤Î«ö²Å¦X²Ä¤Q¤C±øn¨D¤§µ²ºc½u©Ê¤ÀªR¤¤Àò¨ú¬W¨âºÝ¤W¤§¤O¡C
¤T¡B¦Ò¼{Â\°Êµ²ºc®É¡AYµ²ÂI¤£©È¥¢Ã¡A±o«öÃþ¦ü¥»±ø²Ä¤G´Ú¤§¤èªk¶i¦æ¡A¨C¤@¼h¤§¨C¤@¬W¤§²Óªø«×¨ú¥Î¸Ó¼h©Ò¦³¬W¤§²Óªø«×¤§¥§¡È¡A¦ý¨C¤@¬W¤§©Ó¸ü¤O¤£¥i¤j©ó¸Ó¬W¦b«DÂ\°Êµ²ºc±¡ªp¤U¤§©Ó¸ü¤O¡C
¦³Ãöµ²ºc¤§®À¦±¦w¥þ½T©w«Y¬Û·í½ÆÂø¡A¥ç¥]§tn¹ï¬Û³s¦bµ²ÂI¤W¤§ºc¥ó¤§³Ì²×ÅܧΦ³»{ÃÑ¡A¥[¤J¦Ò¼{¦]ÅܧΦӹï²ü¸ü©Ò²£¥Í¤§¼vÅT¡]´X¦ó«D½u©Ê¡^¤Î¦]À³¤O¦Ó¾ÉPºc¥óè«×¯S©Ê¤§§ïÅÜ¡]ª«²z«D½u©Ê¡^¡C
¦ý¦b¤@¯ë²Å¦X¬Y¨Ç©w¤§µ²ºc¡A¥i±Ä¥Î¥»±ø©Òz¤§Â²¤Æ¤èªk¡C¦¹³B»¡©úÀ³ª`·N¦³¤Q¤À²Óªø¬W¤§Â\°Êµ²ºc¡A·|²£¥Í¤j¤ô¥¤è¦VÅܧΡA¤Wz¤§¤èªk¥i¾ÉP¯Ê¥F¯u¹ê©Ê¤Î¦w¥þ©Ê¤§µ²ªG¡F³oÃþ±¡§Î¶·¥Î¸ûºë½T¤§¤ÀªR¤èªk¡C
²Ä¤G¸`
¬W¤§¦w¥þ½T©w
²Ä¤¤Q¥|±ø
¦w¥þ½T©w¼Ð·Ç
¤@¡B¬W¤§®À¦±¦w¥þ½T©w¤@¯ë±o²¤Æ¬°À£¤O´_¦XÅs¦±¤U¤§©Ó¸ü¯à¤O·¥ª¬ºA½T©w¡C¸Ó½T©wÀ³³v¤@¦Ò¼{¬WºI±´k©Ê¤§¨C¤@¥Dn¤è¦V¡A¥çnªþ¥[½T©w¦P®Éµo¥Í¦b¨âÓ¤è¦V¤§®ÄÀ³¡C·í¦]¤£¦P±µ³s±¡ªp¤U¥O¬W¤§¥ô¦ó¤@´k©Ê¥Dn¤è¦V¤§Á{¬ÉºI±¤£¥X²{¦b¬W¤§¦P¤@¦ì¸m¤W®É¡A§Y¥i¬Ù²¤³oªþ¥[½T©w¡C
¦ý·íº¡¨¬¥»±ø²Ä¥|´Ú©Ò«ü¤§±¡ªp®É¡A¥i¥H¤£¶i¦æ¬W¤§®À¦±¦w¥þ½T©w¡C
¤G¡B¨C¤@¤è¦V¤§¦w¥þ½T©wÀ³¦Ò¼{©óÁ{¬ÉºI±¸Ó¤è¦V¤§¥~¥[³]pÅs¯xMsd¡]©w¸q¨£²Ä¤¤Q¤±ø¡^¡A¦A¼W¥[¥H¤U¤½¦¡Åã¥Ü¤§Ås¯x¡G
NSd (ea+e2+ec)
¦¹³BNSd«ü¥~¥[³]pÁa¦V¤O¡A¦Ó¨ä¥¦¥N¸¹¥Nªí©ó²Ä¤¤Q¤»±ø©w¸q¦b¦Ò¼{¤è¦V¤W¤§ªþ¥[°¾¤ß¶Z¡F¤W±¤§½T©w¤£»Ý¦Ò¼{¦b¥t¤@¤è¦V¤§Ås¯x©Ò²£¥Í¤§Âù¦VÅs¦±§@¥Î¡C
¥»±ø²Ä¤@´Ú©Òz¤§ªþ¥[½T©w«Y¤@Âù¦VÅs¦±½T©w¡A¬°¨D²¤Æ¡A¥i±Ä¥Î¤@½u©Ê¬Û¥æ§@¥Îªí¥Ü¦p¤U¡G
| 
			 
				M¡¦Sd,x 
			 | 
			+ | 
			 
				M¡¦Sd,y 
			 | 
			≤1 | 
| MRd,xo | MRd,yo | 
¦¹³B¡G
M¡¦sd,x = MSd,x + NSd (ea,x + e2,x + ec,x)
M¡¦Sd,y = MSd,y + NSd (ea,y + e2,y + ec,y)
¤ÎMRd,xo»PMRd,yo«Y´k©Ê¤§¨â¥Dn¤è¦V¦b«DÂùÅs¦±±¡ªp¤U»P¤@Áa¦V¤ONSd¤§´_¦XÅs¯x©Ó¸ü¯à¤O¡C
¦b¥X²{¥H¤U¥ô¦ó¤@ºØ±ø¥ó¤§±¡ªp¤¤¡A®À¦±¦w¥þ½T©w¥i³Q§K°£¡G
·í¥~¥[Ås¯x¤ÎÁa¦V¤O¡AMSd »PNSd¤§Ãö«Y¦p¤U¡G
| MSd/NSd > 3.5 h | Y £f < 70 | 
| MSd/NSd > 3.5 h (£f/70) | Y £f > 70 | 
¦¹³Bh¥NªíºI±°ª«×¡F
¦bÂ\°Êµ²ºc¤W¡A·í¬W¤§²Óªø«×¤£¤j©ó35¡A¤Î¦b«DÂ\°Êµ²ºc¤W¡Aº¡¨¬¤U±n¨D¡G
£f≤50 -15 MSd,b / MSd,a
¦¹³BMSd,b»PMSd,a ¨ã«n©Ê¤Î¨ä¥¿tȦb²Ä¤¤Q¤±ø²Ä¤G´Ú»¡©ú¡A¦Ó£f«h«ü²Ä¤¤Q¤G±ø²Ä¤@´Ú©Òz¤§²Óªø«×¡C
ª`·N¤W±¦U¦³Ãö¬W®À¦±¦w¥þ½T©w¤è¦¡¥ç¦ÛµM¦a¥Î¦b¨ä¥L¨üÀ£ºc¥ó¤W¡A¦p¤ä¼µ¬W¡A¨üÀ£¤O¼vÅT¤§¼Ù¡AÀðµ¥µ¥¡C¤Wz¤§³W¨Ò¥u§â¬WÂkÃþ¡Aì¦]«Y¦b¤j¦h±¡ªp¤U¡Aµo¥Í¦b¬W¤W¤§®À¦±²{¹³¸û¬°ÅãµÛ¡C
²Ä¤¤Q¤±ø
Á{¬ÉºI±¤§¥~¥[Ås¯x
¤@¡B¹ïÄÝ©óÂ\°Êµ²ºc¤§¬W¡A¨äÁ{¬ÉºI±¦ì¸m¥i©w¬°¬W¤§¨âºÝ¡A¦]¦¹¡A¨ä³]pÅs¯xMSd¨ú¥Î©ó¸Ó¦ì¸m¤W¤§¥~¥[Ås¯x¡A¦Ó¨ä¦w¥þ½T©wÀ³«ö²Ä¤¤Q¥|±ø©Ò«Ø¥ß¤§¼Ð·Ç¶i¦æ¡C
¤G¡B¹ïÄÝ©ó«DÂ\°Êµ²ºc¤§¬W¡A¨äÁ{¬ÉºI±¤@¯ë¤£¦ì©ó¬W¤§¨âºÝ¡]¦Ó¬O¦b¬W¨¡^¡A³]pÅs¯x»Ý¨ú¥H¤U¨â¤½¦¡¸û¤j¤§È¡G
MSd = 0.6 MSd,a + 0.4 MSd,b
MSd = 0.4 MSd,a
¦¹³BMSd,a¤ÎMSd,b«Y¨âºÝ¤§³]p¥~¥[Ås¯x¡A°²³]¡ýMSd,a¡ý ≥¡ýMSd,b¡ý¡A·í¾ÉP¬W³æ¦±ÅܧΡA¨â¼Æ¤§¥¿tȬۦP¡A¦Ó·í¾ÉP¬WÂù¦±ÅܧΡA«h¨â¼Æ¤§¥¿tȬۤϡC
²Ä¤¤Q¤»±ø
ªþ¥[°¾¤ß¶Z
¤@¡B²Ä¤¤Q¥|±ø©Òz¤§ªþ¥[°¾¤ßÈ ea, e2¤Îec ¤À§O«ü°¸µM°¾¤ß¶Z¡A¤G¶¥°¾¤ß¶Z¡A¤Î²V¾®¤gįÅܰ¾¤ß¶Z¡AÀ³«ö¥H¤U´X´Ú¨Ó¨î©w¨äÈ¡A¤Î¨ú¥Î®É·N·|¨ì¦b©Ò¦Ò¼{¤§Ås¦±±¤W¤§³Ì¤£§Q±¡ªp¡C
¤G¡B°¸µM°¾¤ß¶Z ea ¥Øªº«Y¥]¬A¬W¬I¤u®É´X¦ó»~®t©Î¥~¥[¦X¤O¯Ê¥F©Ò»Ý¦ì¸m¤§®ÄÀ³¡A¨î©w¨äÈ®ÉÀ³«öÓ§O±¡ªp¶i¦æ¡C¦b´¶³q±¡ªp¤U¡Aea ¥i¨ú¬Ûµ¥©ólo/300¡A¦ý¤£¤Ö©ó20 mm¡Alo «ü²Ä¤¤Q¤G±ø©Ò©w¸q¤§µ¥®Äªø«×¡C
¤T¡B¤G¶¥°¾¤ß¶Z e2¬ÛÀ³©ó¬WÅs¦±©Ò¾ÉP¦bÁ{¬ÉºI±¤W¡]M¡¦Rd - NSd e2¡^¦³³Ì¤j¤§®t¡A¦¹³BM¡¦Rd«Y»Pe2¬Û®e¤§Ås¯x©è§Ü¤O¡A³æ¥ÑNSd©Ò¼vÅT¦P®É²Å¦X²Ä¥|¤Q¤»±ø¤¤¤§°²³]¡C
¥i¤¹³\³]©w°¾¤ß¶Ze2»P¬WÁ{¬ÉºI±Ås¦±1/r¤§Ãö«Y¦p¤U¡G
| e2 = | 
			 
				1 
			 | 
			
			 
				l02 
			 | 
		
| r | 10 | 
¦b´¶³q±¡ªp¤U¡A¬°Â²¤Æ°_¨£¡A1/r È¥i¥Î¥H¤U¤½¦¡pºâ¡G
| 
			 
				1 
			 | 
			= | 
			 
				5 
			 | 
			x 10-3 | £b | 
| r | h | 
¦¹³Bh«ü©Ò¦Ò¼{¤¤Ås¦±ºI±¤§°ª«×¦Ó £b«Y¤@«Y¼Æ¡A±q¥H¤U¤½¦¡¨D±o¡G
| £b = | 
			 
				0.4 fcd Ac 
			 | 
		
| NSd | 
¨äÈÀ³¤£¯à¤j©ó1.0¡F¸Ó¤½¦¡¤¤Ac¥Nªí¬W¤§¾îºI±±¿n¡C
¥|¡B²V¾®¤gįÅܰ¾¤ß¶Z¥Øªº«Y¥]¬A¦]įÅÜ®ÄÀ³©Ò¾ÉP¤§¼W¤jÅܧΡA¨î©w¨äÈ®ÉÀ³«ö¥~¥[¤O¤Î²V¾®¤g¤§¬yÅܯS©Ê¨Ó¶i¦æ¡C
¦b´¶³q±¡ªp¡A¸Ó°¾¤ß¶Z¥i±q¥H¤U¤½¦¡¨D±o¡G
| ec = | ﴾ | 
			 
				MSg 
			 | 
			+ ea | ﴿ | [ | exp | ﴾ | 
			 
				£pc(t¡Û,t0)NSg 
			 | 
			﴿ | - 1 | ] | 
| NSg | NE - NSg | 
¦¹³B¡G
| MSg, NSg | ¥Ã¤[§@¥Î¤U¤§¥~¥[¤O¡]¦]¦Ó²£¥ÍįÅÜ¡^¡Apºâ®É¤£¥Î¤À¶µ¦w¥þ«Y¼Æ£^f¡F | 
| ea | ·N¥~°¾¤ßÈ¡A¦b²Ä¤¤Q¤»±ø²Ä¤G´Ú¤º©w¸q¡F | 
| £pc(t¡Ût0) | įÅÜ«Y¼Æ¡A¤@¯ë³]¬°2.5¡F | 
| NE | EulerÁ{¬ÉÀ£¤O¡A©w¬°10EC,28 lc / lo2¡A¦¹³B EC,28 «ü²V¾®¤g¼u©Ê¼Ò¶q¡Alc«ü¬WºI±²V¾®¤g±¿n¦b©Ò¦Ò¼{¤è¦V¤§ºD©Ê¯x¡A¦Ó lo«h«üµ¥®Äªø«×¡C | 
·í½T©w¥H¤U¨ä¤¤¤§¤@±ø¥ó®É¡A²V¾®¤gįÅܰ¾¤ßȧY¥i¬Ù²¤¡G
MSd/NSd ≥ 2.0 h
£f ≤ 70
ª`·N·í¥Î©ó¹wÀ³¤O¬W®É¡A¥X²{¦bpºâ £b ¤Î ec¤§NSd¡ANSg ¤ÎMSg À³¤£³æ¥]¬A¹wÀ³¤O¤§¶WÀR©w®ÄÀ³¡A¦P®É¥ç»Ý¦Ò¼{¥Ñ¬W¹wÀ³¤O©Ò¾ÉP¤§ÀR©w®ÄÀ³¡C
²Ä¤T³¹
¥¿±`¨Ï¥Î·¥ª¬ºA¤§¦w¥þ½T©w
²Ä¤@¸`
¤@¯ë³W©w
²Ä¤¤Q¤C±ø
Á`«h
«ö·Ó RSA¡A¦³Ãö¥¿±`¨Ï¥Îª¬ºA¤§½T©w¡]¶}µõ¤ÎÅܧΡ^»Ý¦Ò¼{·¥µu´Á·¥ª¬ºA¡Aµu´Á·¥ª¬ºA¤Îªø´Á·¥ª¬ºA¡C¸Óµ¥ª¬ºA¤À§O¬ÛÀ³¥H¤U¤£¦P§@¥Î²Õ¦X¡Gµ}¦³²Õ¦X¡BÀWÁc²Õ¦X¡B¤Î·Ç¥Ã¤[²Õ¦X¡C
²Ä¤¤Q¤K±ø
¦w¥þ½T©w³W«h
¤@¡B¥¿±`¨Ï¥Î·¥ª¬ºA¤§¦w¥þ½T©w¤@¯ëÀ³¥H©w¸q¸Ó·¥ª¬ºA¤§°Ñ¼Æ¬°¨Ì¾Ú¡A¦Ó©Ò¤Þ¥Î¤§°Ñ¼ÆÈ¥çÀ³¤j©ó©Î¬Ûµ¥©ó±q§@¥Î¡B²Õ¦X¤Î RSA¤º¨î©wȳW«h¤¤©Ò±o¤§È¡C
¤G¡B¥»³¹B¤ÎC³¡¤À¥]§t·¥ª¬ºA©w¸q°Ñ¼Æ¤Î¥¿±`¨Ï¥Îªí²{¤§²z½×¡A¨â³¡¤À¤À§O§Çz¦³Ãö¶}µõ¤ÎÅܧΡC
¤T¡B«ö RSA¡A¥¿±`¨Ï¥Î·¥ª¬ºA¤¤¤§§@¥Î¡]¥Ã¤[©Î¥iÅÜ¡^¤À¶µ¦w¥þ«Y¼Æ£^f¤Î§÷®Æ¤À¶µ¦w¥þ«Y¼Æ£^m¡AÀ³³]¬°1.0¡C
²Ä¤G¸`
¶}µõ
²Ä¤¤Q¤E±ø
Á`«h
µ²ºc¶}µõÀ³¨î¦b¤@¤£¼vÅT¨ä¥¿±`¹B§@©Î¥X²{¤£¥i±µ¨ü±¡ªp¤§¤ô¥¤º¡C
µ²ºcÅé·í¨üª½±µ²ü¸ü©Î§«ÃªÀ³¦³¤§ÅܧΦӲ£¥Í¤§Ås¯x¡B°Å¤O¡B§á¯x¡B©Î©Ô¤O®É¡A¹ê»Ú¤W¥X²{¶}µõ«Y¤£¥iÁ×§K¡C
¶}µõ¦P®É¥ç¥i¦]¨ä¥¦¦]¼Æ©Ò¾ÉP¡A¦p¶ì©Ê¦¬ÁY¡B¾®©T²V¾®¤g¤º¿±µÈ¤§¤Æ¾Ç§@¥Îµ¥¡C
n½T«O¤£¶W¶V¥i±µ¨ü¤§¶}µõ¼e«×À³¨Ì¾a¤@³Ì¤Ö°tµ¬²v¡C¿ûµ¬ª½®|¤Î¨ä¶¡¶Z¡C
²Ä¤»¤Q±ø
³Ì¤Ö°tµ¬
¤@¡B¬°着¥»±ø¤§®Ä¤O¡A©Ò«ü¨ü©Ô°Ï¬°¥¼¥X²{²Ä¤@±øµõÁ_«e¨ü©ÔÀ³¤O¤§¨º³¡¤ÀºI±¡C
¤G¡B¹ï§«ÃªÀ³¦³Åܧήɦbºc¥ó©Î¨ä³¡¤À©Ò¾ÉP¤§©ÔÀ³¤O¡A¬°½T«O¶}µõ¤§±±¨î©Ò»Ý¤§³Ì²Ó¿ûµ¬±¿n¥i¥Î¥H¤UÃö«Y¦¡pºâ¡G
As = kc k fct.ef Act / £ms
¦¹³B¡G
| As | ¨ü©Ô°Ï¤º¤§¿ûµ¬¡F | 
| Act | ¨ü©Ô°Ï¤º¤§²V¾®¤g¡F | 
| £ms | ¿ûµ¬©Ò¤¹³\¤§³Ì¤jÀ³¤O¡A¥X²{©óè¶}µõ«e¡]fsyk ©Î¤@¸û¤ÖÈ¡A«öªí¤E¨ú¥Î¡^¡F | 
| fct,ef | ·íº¦¸¥X²{µõÁ_®É¡A²V¾®¤g¤§§Ü©Ô±j«×¡F | 
| kc | è¶}µõ«eºI±À³¤O¤À§G¨t¼Æ¡F | 
| = 1.0 ¯Â©Ô | |
| = 0.4 ¯ÂÅs¯x | |
| = 0.2 ´_¦XÅs¯x | |
| k | À³¤O¤£§¡¤Ã¤À§G¦Û°Ê½Õ¥¿Å®ÄÀ³¨t¼Æ | 
| = 0.8 ¤@¯ë¥»¨¤º³¡§«ÃªÀ³¦³ÅܧΦӾÉP©ÔÀ³¤O¡]¨Ò¦p²V¾®¤g¦¬ÁY¡^ | |
| = 1.0 ¥~¶¡§«ÃªÀ³¦³§Î¦Ó¾ÉP©ÔÀ³¤O¡]¨Ò¦p¤ä©Ó¨I°¡^ | 
²Ä¤»¤Q¤@±ø
¤£»Ý§@ª½±µpºâ¤§¶}µõ±±¨î
¤@¡B¨üÅs¯x¦Ó¤£¨ü©Ô¤O¤§¼Ó¦t¿ûµ¬¥[©T©Î¹wÀ³¤OªO¡A·í¨äÁ`«p«×¤£¶W¹L200 mm¤Î¿í·Ó²Ä¤E¤Q¤T¦Ü¤@¦Ê¹s¤K±ø¤§³W©w®É¡A¤£»Ý§@¨ä¥¦±±¨î¶}µõ³]¬I¡C
¤G¡B·í¿í·Ó¤W±ø©Òz¤§³Ì¤p°tµ¬¤Î²Ä¤T½s²Ä¤G³¹¤§¬I¤u³W©w®É¡A¦Ó©P³òÀô¹ÒÄݤU±ø©Ò©w¤§¥~¬ÉÀô¹Ò¯Å§O¤@©Î¤G¡A¥i¥Îªí¤E¤Îªí¤Q©Ò©w¸q¤§È§@¬°¹ï¿ûµ¬³Ì¤jª½®|¤Î¨ä³Ì¤j¶¡¶Z¤§½T©w¡C
ªí¤E¡@¿ûµ¬¤§³Ì¤jª½®|
| ¿ûµ¬À³¤O(MPa) | ¿ûµ¬¤§³Ì¤jª½®| | |
| ¿ûµ¬¥[©TºI± | ¹wÀ³¤OºI± | |
| 160 | 32 | 25 | 
| 200 | 25 | 16 | 
| 240 | 20 | 12 | 
| 280 | 16 | 8 | 
| 320 | 12 | 6 | 
| 360 | 10 | 5 | 
| 400 | 8 | 4 | 
| 450 | 6 | - | 
ªí¤Q¡@¿ûµ¬¤§³Ì¤j¶¡¶Z
| ¿ûµ¬À³¤O(MPa) | ¿ûµ¬¤§³Ì¤j¶¡¶Z | ||
| ¯ÂÅs¯x | ¯Â©Ô | ¹wÀ³¤OºI±(Ås¯x) | |
| 160 | 300 | 200 | 200 | 
| 200 | 250 | 150 | 150 | 
| 240 | 200 | 125 | 100 | 
| 280 | 150 | 75 | 50 | 
| 320 | 100 | - | - | 
| 360 | 50 | - | - | 
²Ä¤»¤Q¤G±ø
¥~¬ÉÀô¹Ò«I»k©Ê»P¿ûµ¬»G»k±Ó·P«×
¤@¡B¿ï¾Ü¶}µõ·¥ª¬ºA¤§¦w¥þ½T©w¡AÀ³¯d·N¦Ò¼{¥~¬ÉÀô¹Ò«I»k©Ê»P¿ûµ¬»G»k±Ó·P«×¡C
¤G¡B¥~¬ÉÀô¹Ò¯Å§O«Y¥H²V¾®¤g¦b¿Dªù¯S§O¦æ¬F°Ï©Ò±µÄ²¤§¤£¦PÀô¹Ò¡A«öNB¼Ð·Ç¨î©w¦p¤U¡G
¤@¯Å ²V¾®¤g¤£ª½±µ»P¤ô©Îªd¤g±µÄ²¡F
¤G¯Å ²V¾®¤g¼ÉÅS©ó«D«I»k©ÊªÅ®ð¡B¤ô©Îªd¤g¡F
¤T¯Å ²V¾®¤g»P«I»k©ÊªÅ®ð¡B¤ô©Îªd¤g±µÄ²¡C
¤T¡B±q»G»k±Ó·P«×Æ[ÂI¤W¡A¤ÎÀ³¥Î¥»³W³¹®É¡A¹wÀ³¤O¿ûµ¬¤Îª½®|¤Ö©ó3 mm¤§´¶³q¿ûµ¬·í§@°ª±Ó·P¡A¦Ó¨ä¥¦´¶³q¿ûµ¬«h·í§@§C±Ó·P¡C
²Ä¤»¤Q¤T±ø
¦Ò¼{¤§¶}µõ·¥ª¬ºA
¤@¡B¦Ò¼{¶}µõ·¥ª¬ºA¥H½T«Oµ²ºcÀ³¦³¤§@¤[©ÊÀ³¿ï¾Ü¦b²Ä¤¤Q¤C±ø©Òz¤§¨C¤@Ãþ§@¥Î²Õ¦X¡A¥ç¥]¬A¥~¬ÉÀô¹Ò«I»k©Ê¤Î¿ûµ¬»G»k±Ó·P«×¡C
«ö²Ä¤C±ø¡A¦Ò¼{¶}µõ·¥ª¬ºA¥i¤À§@´îÀ£¤Î¶}µõ¼e«×¡C
¤G¡B¦b¹wÀ³¤O¿ûµ¬ºc¥ó¡A¦Ò¼{¤§·¥ª¬ºA«Y«ü´îÀ£¤Î¶}µõ¼e«×¡A¦³Ãö±¡ªpÅã¥Ü©óªí¤Q¤@¡C
ªí¤Q¤@¡@¹wÀ³¤O¿ûµ¬¤§¶}µõ·¥ª¬ºA
| ¥~¬ÉÀô¹Ò¯Å§O | §@¥Î²Õ¦X | ·¥ª¬ºA | 
| ¤@¯Å¤Î¤G¯Å | ÀWÁc | µõÁ_寛«× w = 0.2 mm  | 
		
| ·Ç¥Ã¤[ | ´îÀ£ | |
| ¤T¯Å | µ}¦³ | µõÁ_寛«× w = 0.2 mm  | 
		
| ·Ç¥Ã¤[ | ´îÀ£ | 
°£¨î©w·¥ª¬ºA¤§È¥~¡A¥çÀ³¿í¦u¨ä¥¦n¨D¡A¦p«OÅ@¼h«p«×¤Î²V¾®¤g°t¤ñ¡C
¦¹³Bn´£¿ô¶}µõ°ÝÃD¥i¯à³æ»P¨C¤@µ²ºc¥ó¤§¥¿±`¨Ï¥Î¬Û³s¡A¥H¤ô½c¬°¨Ò¡A¨ä±K«Ên¨D¤£±o¦³¥ô¦ó¶}µõ¡C³B²z®ÉÀ³±¹ï¤§¯S§O±¡ªp¡C
¤T¡Bª`·N¦Ò¼{¤§¶}µõ·¥ª¬ºA°ò¥»¤W»¡¥ÑÁa¦V¥~¤O¤ÎÅs¯x¤O©Ò¾ÉP»Pºc¥ó¿ûµ¬¦¨¾î¦V¤§µõÁ_¡C¨ä¥LÃþ§O¦p¦]°Å¤O¤Î§á¤O¥H¤Î¥¦æÁa¦V¿ûµ¬¤è¦V¤§µõÁ_¡AÀ³±Ä¥Î¥»³W³¹©Ò«ü¥Ü¤§¾A·íºc³y°t¸m¥H½T«O¦w¥þ¡C
²Ä¤»¤Q¥|±ø
´îÀ£·¥ª¬ºA
´îÀ£·¥ª¬ºA¥iµø¬°¦w¥þ¡AY¦bºc¥óºI±³ÌºÝ¤§ÅÖºû¤W¤£¥X²{¡A¦]¥~¥[¤O®ÄÀ³©Ò¤Þ°_¤§©ÔÀ³¤O¼W¥[¡]©ÎÀ£À³¤O´î¤Ö¡^¡A¹wÀ³¤O®ÄÀ³¤£pºâ¦b¤º¡C
¥Î§@½T©w¥H¤W±¡§Î©Ò»Ý¤§À³¤OpºâÀ³¦Ò¼{¥¼¶}µõ¤§ºI±¡A´î¥h³Ì²×©ñ¸m¤´¥¼ÂH着¤§¿ûµ¬¤§ªÅ¶¡¡A¨Ã±µ¯Ç§÷®Æ¤§§¹¥þ¼u©Ê¦æ¬°¡C
¦p±ýpºâ¤wÂH着¤§¿ûµ¬¤§°^Äm¡A¦P½è©Ê«Y¼Æ £\ = Es / EcÀ³¤Ï¬M¥X§@¥Î´Á¶¡¹ï²V¾®¤g¼u©Ê¼Ò¶q¤§¼vÅT¡F´¶³q±¡ªp¥i±Ä¥Î£\ = 18 ©ó¥Ã¤[§@¥Î¡]¥i¾ÉPįÅÜ¡^¤Î £\ = 6 ©ó¨ä¥L±¡ªp¡C
²Ä¤»¤Q¤±ø
µõÁ_¼e«×·¥ª¬ºA
¤@¡BµõÁ_¼e«×·¥ª¬ºA¥iµø¬°¦w¥þ¡AY¦b¨ü©Ô¤O³Ì¤j¤§¿ûµ¬¤§¦ì¸m¥X²{¶}µõ¡A¦Ó¨ä¼e«×¤§³]pȤ£¤j©ó²Ä¤»¤Q¤T±ø¤¤ª`©ú¤§wÈ¡C
pºâ¸Ó³]pÈWk¥i«ö¥H¤U¤½¦¡¡G
Wk = £]Srm £`sm
¦¹³B¡G
| Srm | µõÁ_¤§¶¡³Ì²×¤§¥§¡¶ZÂ÷¡F | 
| £`sm | ¥§¡¼Wªø²v¡A¥H¾A·í¤§§@¥Î²Õ¦Xpºâ¡C | 
| £] | ¥H¥§¡µõÁ_¼e«×¬°³]pȤ§«Y¼Æ | 
| = 1.7 ·í¦]¥~¥[§@¥Î¦Ó¶}µõ©Î·í³Ì¤p¤Ø¤o¤j©ó800 mm ¤§ºI±¦]À³¦³ÅܧΨüªý¦Ó¶}µõ¡F | |
| = 1.3 ·í¤p¤Ø¤o¡]ªø¡B¼e¡B©Î«p¡^¥H©ó300 mm ¤§ºI±¦]À³¦³ÅܧΨüªý¦Ó¶}µõ¡F | |
| ¹ï300 mm¦Ü800 mm ¤§¶¡¤§¤Ø¤oºI±¡A©Ò¿ï¤§È¥i¥Î¤º´¡ªk¡C | 
¤G¡B·íºc¥ó«Y¨ü©Ô¡A¯ÂÅs¦±©Î´_¦XÅܦ±¡AµõÁ_¤§¶¡¶ZÂ÷»P¿ûµ¬¥§¡¼Wªø²v¥i·Ó¥H¤U¤èªkpºâ¡G
a¡^ µõÁ_¤§¶¡¶ZÂ÷¡G
| Srm = 50 + 0.25 k1k2 | 
			 
				£X 
			 | 
		
| £lr | 
¦¹³B¡G
| £X | ¿ûµ¬¥Hmm¬°³æ¦ì¤§ª½®|¡]Y±Ä¥Î¤£¦Pª½®|¿ûµ¬®É¡A¥i¨ú¨ä¥§¡È¡^¡F | 
| k1 | ¨ü¿ûµ¬´¤»q¤O¼vÅT¤§«Y¼Æ¡F°ª´¤»q¤O¿ûµ¬À³¥Î0.8¡F´¶³q´¤»q¤O¿ûµ¬À³¥Î1.6¡F | 
| k2 | ¨üºI±©ÔÀ³¤O¤À§G¼vÅT¤§«Y¼Æ¡Fpºâ¦p¤U¡G | 
| k2 = | 
			 
				£`1 + £`2 
			 | 
		
| 2£`1 | 
¦¹³B£`1 ¤Î£`2 ¤À§O«ü¦b¦Ò¼{ºI±³Ì·¥¨âºÝÅÖºû¤§³Ì¤j¤Î³Ì¤p©ÔÀ³Åܶq¡F§Q¥Î¶}µõ«á¤§ºI±¶i¦æpºâ¡]¥i¦b¯ÂÅs¯x®É¨ú k2 = 0.5¤Î¦b¯Â©Ô®É¨ú k2 = 1.0 ¡^¡F
£lr ¿ûµ¬¦³®Ä¤ñ²v¡AAs/Ac,ef¡A¦¹³BAs«ü¦b¦³®Ä¨ü©Ô°Ï±¿n¡AAc, ef¨ä°ª«×¬Ûµ¥©ó2.5¿¥ÑºI±¨ü©ÔÃä»P¿ûµ¬«¤ß¤§¶ZÂ÷¡F¡]¨£¹Ï¤Q¤T¡^¹ï¨ü©Ô°Ï°ª«×¥i¥H«Y«Ü¤p¤§ªO©Î¹wÀ³¤Oºc¥ó¡A¦³®Ä±¤§°ª«×¤£¯à³]¬°¤j©ó(h-x)/3¡C

¹Ï¤Q¤T¡G¦³®Ä±¿n¡]¨å«¬±¡ªp¡^
b¡^ ¨ü©Ô¿ûµ¬¥§¡¼Wªø²v¡G
| £`sm = | 
			 
				£ms 
			 | 
			[ | 1 - £]1£]2 | ﴾ | 
			 
				£msr 
			 | 
			﴿ | 2 | ] | 
| Es | £ms | ¡@ | 
¦¹³B¡G
| £ms | ¿ûµ¬©ÔÀ³¤O¡]©Î¹wÀ³¤O¿ûµ¬¤§À³¤OÅܤơ^¡A¥Ñ©Ò¨ü¤§§@¥Î²Õ¦X¤§¦X¤O¦Ó²£¥Í¡F¸ÓÀ³¤OÀ³¥H¶}µõ«á¤§ºI±¶i¦æpºâ¡F | 
| £msr | ¿ûµ¬©ÔÀ³¤O¡]©Î¹wÀ³¤O¿ûµ¬¤§À³¤OÅܤơ^¡A¥H¶}µõ«á¤§ºI±¶i¦æpºâ¡A©Ò¨ü¤§¥~¤O«Yè¾ÉP¶}µõ¤§¥~¤O¡F¥Î¦b¥¼¶}µõ¤§ºI±®É¡A¸Ó¥~¤O±N¥O²V¾®¤g¹F¨ì¨ä³Ì¤j¤§©ÔÀ³¤Ofctm¡F | 
| Es | ¿ûµ¬¼u©Ê¼Ò¶q¡F | 
| £]1 | ¿ûµ¬´¤»q¯S©Ê«Y¼Æ¡F°ª´¤»q¤O¿ûµ¬À³¥Î1.0¡F´¶³q´¤»q¤O¿ûµ¬À³¥Î0.5¡F | 
| £]2 | ¥Ã¤[©Ê©Î´`Àô©Ê§@¥Î«Y¼Æ¡FÀWÁc²Õ¦X©Î·Ç¥Ã¤[²Õ¦XÀ³¥Î0.5¡A¦Óµ}¦³²Õ¦XÀ³¥Î1.0¡C | 
¹ï¹wÀ³¤O¿ûµ¬¦Ó¨¥¡AÀ³¤OÅܤƣms¤Î£msr À³¥Ñ¹wÀ³¤O¹ï¿ûµ¬²V¾®¤g©Ò²£¥Í¤§À£À³¤O´î®zpºâ¡C
¤T¡B¦b¬Y¨Ç±¡ªp¤U¡A¿ûµ¬¥§¡¼Wªø²v¤£¥i¤Ö©ó 0.4£ms / Es¡C
¥|¡Bpºâ¦b¶}µõºI±¤W¿ûµ¬¤§À³¤O¥i±Ä¥Î§÷®Æ¤§§¹¥þ¼u©Êªí²{¡A¨ú¤@¾A¦X§@¥Î¯S©Ê¡]´Á¶¡¡^¤§¦P½è©Ê«Y¼Æ¡A¬°Â²¤Æ°_¨£¡A¸Ó«Y¼Æ¥i©w¬°£\ = 15¡C
²Ä¤»¤Q¤»±ø
³Ì¤jÀ£À³¤O¤§½T©w
¶}µõ·¥ª¬ºA¤§¦w¥þ½T©wÀ³ªþ±a«öµ}¦³²Õ¦X§@¥Î¨Ó½T©w²V¾®¤g³Ì¤jÀ£À³¤O¡C
¤@¯ë¸ÓÀ³¤O¬É«Y§ÜÀ£³]p±j«×fcd¡C·í²V¾®¤g¥¼¹F¨ì28¤éÄÖ´Á®É¡A¸Ó¬ÉÀ³¤Oȶ·¥Î fck,j / £^c¡F¦¹³B fck,j«Y²V¾®¤g¬WÅé¸Õ¥ó¦b j¤éÄÖ´Á¤§§ÜÀ£¼ÐºÙ±j«×¡A £^c«h«Y¤À¶µ¦w¥þ«Y¼Æ¡A¨äȬ°1.5¡C
¤Wz¤§½T©wÀ³¤¹³\§÷®Æ¤§§¹¥þ¼u©Êªí²{¤Î¦Ò¼{¬O§_¶}µõ¤§ºI±¡A¶}µõ»P§_µø¥G©ÔÀ³¤O¬O§_¶W¥X²Ä¤G¤Q¤K±ø©Ò©w¸q¤§fctmÈ¡]¸Ó©ÔÀ³¤O«ö¥¼¶}µõºI±¶i¦æpºâ¡^¡C
²Ä¤T¸`
ÅܧÎ
²Ä¤»¤Q¤C±ø
¦Ò¼{¤§Åܧ祪¬ºA
¤@¡B±q½T©wÅܧ祪¬ºA¤§Æ[ÂI¡A¬ÛÀ³²Ä¤¤Q¤C±ø©Òz¤§§@¥Î²Õ¦X®É¡A¦Ò¼{¤§ÅܧΡ]ÅܧΡB±ÛÂà¡B¦ì²¾¡^¤§¬ÉȨú¨M©óµ²ºcÃþ«¬¤Î¨Ï¥Î±¡ªp¡A¦]¦¹À³¹ê»Ú¦a§@Ó§O³B²z¡C
¤G¡B¥»±ø²Ä¤T´Ú¤Î²Ä¥|´Ú¤§¼¸«×¬ÉȨú¦ÛISO 4356¡A¤@¯ë¯à«OÃÒ©~¦í©Î°Ó¥Î¼Ó¦t¡B¤½¦@¼Ó¦t©Î¼t©Ð¤§¨¬°÷¥\¥Î¡C»Ýn¤p¤ß½T©w¤£·|¦³¯S§O±¡ªp¦Ó¥O©Ò¦Ò¼{¤§µ²ºc¥X²{¤£¨¬¤§³B¡C¨ä¥¦»P¼¸«×°ÝÃD¤Î¨ä¬ÉȤ§¬ÛÃö¸ê®Æ¥i±qISO 4356Àò±o¡C
¤T¡B·í·Ç¥Ã¤[§@¥Î¼Ù¡BªO©ÎÄaÁu¼Ù¤§¼¸«×¤j©ó¸ó«×/250®É¡Aµ²ºc¤§¨Ï¥Îª¬ªp¥i¯à¨ü¨ì¼vÅT¡C¼¸«×¤§pºâ«Y¬Û¹ïµ²ºc¤§¤ä©ÓÂI¡C¥i±Ä¥Î¤Ï¦V¼¸«×¥H©è®ø³¡¤À©Î¥þ³¡¤§¼¸«×¡A¦ý¤@¯ë¼ÒªO¤§¤Ï¦V¼¸«×À³¤£¤j©ó¸ó«×/250¡C
¥|¡BY©ö¨ü¼¸«×¯}Ãa¤§ºc¥ó¦p¶¡Àð¡B»P¦b¦Ò¼{¤¤¤§ºc¥ó±µ³s©Î±µÄ²¤§¨ä¥Lºc¥ó¡B³]³Æ©Î¸Ë¹¢¦b«Ø¦¨«á¨äpºâ¼¸«×ȹL°ª®É¡A¸ÓÃþºc¥ó«K¯à¨ü¨ì¯}Ãa¡C¾A·í¤§¬ÉÈÀH©ö¨ü¯}Ãa¤§ºc¥ó¤§©Ê½è¦Ó©w¡A¦ý¦b¤j³¡¤À±¡ªp¤U¡A¥i¦X²z¦a¨ú¦V¤@¬ÉȬ۵¥©ó¸ó«× /500§@¦Ò¡CY©ö¨ü¯}Ãa¤§ºc¥ó¦³³Q³]p©Ó¨ü¤j¦ì²¾©Î½T¹êª¾¹D¸Óºc¥ó¯à©Ó¨ü§ó¤jÅܧΦӤ£¨ü¯}Ãa¡A¸Ó¬ÉÈ¥i¥H©ñ¼e¡C
²Ä¤»¤Q¤K±ø
¥i¬Ù«opºâ¤§±¡ªp
¤@¡B³q±`¼¸«×«Y¤£»Ý©úÅãpºâ¡A¦]¬°Â²³æ¤§³W«h¦p¨î¸ó«×»PºI±°ª«×¤§Ãö«Y¡A«Y¨¬°÷¨¾¤î´¶³q¤§¦ì²¾°ÝÃD¡C·íºc¥ó¤£¿í·Ó³oÃþ¬É¡A©Î¦b¬Y¨Ç±¡ªp¤U¨ú¥Î¨ä¥L¤£¦b²©ö¤èªk¤º©Ò¨î©w¤§¾A·í¬É®É¡A«K»Ýn¶i¦æ§óºë½T¤§pºâ¡C
¤G¡B·í¿ûµ¬²V¾®¤g¼Ó¦t¤§¼Ù©ÎªO«Y«öº¡¨¬¥»±ø¸ó«×»PºI±°ª«×Ãö«Y¤§¬É¨Ó¶i¦æ³]p®É¡A³q±`©Ò±o¥X¤§¼¸«×¤£·|¶W¹L²Ä¤»¤Q¤C±ø²Ä¤T´Ú¤Î²Ä¥|´Ú¨î©w¤§¬É¡C¥H¸ó«×»PºI±°ª«×¬°°ò¥»¦Ò¼{¤§Ãö«Y»P¦]¿ûµ¬Ãþ§O¤Î¨ä¥L¦]¼Æ¦Ó¼¤W¤§×¥¿¨t¼Æ¡A¦bªí¤Q¤G¦C©ú¡C¥[²`»¡©ú¡A¸Óªí¤£¥]¬A¤Ï¦V¼¸«×§@¥Î¡C
ªí¤Q¤G¡@µLÁa¦VÀ£¤O¤U¿ûµ¬²V¾®¤gºc¥ó¤§°ò¥»¸ó«×
»P¦³®Ä°ª«×¤ñ¨Ò
| µ²ºc¨t²Î | ÄY«¨üÀ³¤O²V¾®¤g | »´·L¨üÀ³¤O²V¾®¤g | 
| ²¤ä¼Ù©Î²¤ä³æ¡AÂù¦VªO¡C | 18 | 25 | 
| ³Ì²×¤@¸ó¤§³sÄò¼Ù¡A³sÄò³æ¦VªO¡A©ÎªíÃä³sÄò¤§Âù¦VªO¡C | 23 | 32 | 
| ¤º¸ó¼Ù©Î³æ¡B°¦¦VªO¡C | 25 | 35 | 
| ¥u¥Î¬W¦Ó¤£¥Î¼Ù¤ä©Ó¤§ªO ¡]¥ªO¡^ ¡A¡]°ò©óªø¸ó¡^ | 21 | 30 | 
| ÄaÁu | 7 | 10 | 
¤T¡B¥Î¦b¥H¤U±¡ªp¡Aªí¤Q¤G©Ò±o¤§È¥i¥H´î¤p¡G
a¡^ ¦bTºI±¡A·í¼ÙÁl»P¼Ù¸¡¤§¤ñ¨Ò¤j©ó3®É¡A©Ò±oÈ¥i¼0.8¡F
b¡^ ·íºc¥ó¸ó«×¤j©ó7m®É¡A©Ò±oÈ¥i¼7/lef ¡]lef¥H¦Ìpºâ¡^¡A¥ªO©Ó¸üµÛ¥i¯à¦]¤jÅܧΦӯ}Ãa¤§¶¡Àð°£¥~¡F
c¡^ ·í¥ªOªøÃä¸ó«×¤j©ó8.5m ®É¡A©Ò±oÈ¥i¼¤W 8.5/lef ¡]lef¥H¦Ìpºâ¡^¡C
¥|¡Bªí¤Q¤G©Ò¦C¥X¤§¼ÆÈ«Y¥Ñ¤@°²³]250 MPa¤§¿ûµ¬À³¤O¡]¬ÛÀ³¤j¬ù fsyk = 400 MPa¡^©Ò±o¡A¸ÓÀ³¤O«Y¥H³]p¥~¥[²ü¸ü©ñ¦b¼Ù©ÎªO¸ó¤¤©ÎÄaÁu¼Ù¤ä©ÓºÝ¡A«ö¤w¶}µõ¤§ºI±pºâ¡C·í¥Î¨ä¥¦À³¤Op®É¡Aªí¤Q¤G¤§ÈÀ³²K¤W 250/£ms¡A¦¹³B £ms «YºI±¦bÀWÁc²Õ¦X²ü¸ü¡C³q±`¥H¤U«Y«O¦u¤§°²³]¡G
250/ £ms = 400/ (fsyk As,cal/As,ef)
¦¹³B¡G
As,ef °t¸m¤§¿ûµ¬±¿n¡F
As,cal ·¥ª¬ºA¤UºI±pºâ©Ò»Ý¤§¿ûµ¬±¿n¡C
¤¡B¦b¸ÑÄÀªí¤Q¤G®É¡Anª`·N¥H¤Uªþ¥[ÂI¡G
a¡^ ³q±`©Ò«ü¥Ü¤§È§¡¸û¬°«O¦u¡A±qpºâ¤¤¸g±`ªí¥Ü¥i¨ú§óÁ¡¤§ºc¥ó¡F
b¡^ ²V¾®¤g»´·L¨üÀ³¤O¤§ºc¥ó«ü £l< 0.5% (£l= As/b d)¡C³q±`ªOºc¥ó°²³]¬°»´·L¨üÀ³¤O¡F
c¡^ Yª¾¹D©Ò¥Î°tµ¬²v®É¡A³B©ó»´·L¨üÀ³¤O¡]£l= 0.5%¡^¤ÎÄY«¨üÀ³¤O¡]£l= 1.5%¡^¤§¶¡¤§°tµ¬²v¡A¨ä¬Û¹ï¤§È¥i¥H¤º´¡ªkpºâ¡F
d¡^ Âù¦VªO¤§®Ö¬dÀ³¥Hµu¸ó¬°°ò¥»¡C¥ªO«h¥Îªø¸ó¡F
e¡^ ¥ªO©Ò¨ú¤§¬É¡A¬Û¹ï°_®Ú¾Ú¬W¤ä©Ó¦b¸ó¤¤pºâ¤§¸ó«×/250¼¸«×È¡A«Y¸û¬°¼e®e¤§¬É¡C¸gÅçÅã¥Ü¸Ó°µªk¬°º¡·N¡C
²Ä¤»¤Q¤E±ø
¥HÅçºâ¤èªk§@¼¸«×½T©w
¤@¡B·í¦³»Ýn®É¡A¼¸«×ÅçºâÀ³«ö¾A¦X½T©w¥Î¤§²ü¸ü±¡ªp¶i¦æ¡C
¤G¡B©Ò±Ä¥Î¤§Åçºâ¤èªkÀ³¯à¥Nªíµ²ºcª«¦b¦³Ãö§@¥Î¤U¤§¯u¹êªí²{¡A¥çÀ³²Å¦XÅçºâ©Òn¨D¤§¾A·íºë½T©Ê¡C¿ûµ¬²V¾®¤g»P¹wÀ³¤O²V¾®¤g¤§ÅܧΫY¨ü«Ü¦h¦]¯À¼vÅT¡A¨S¦³¤@ºØ¦]¯À«YªÖ©w¦aª¾¹D¡Cpºâ¥X¤§µ²ªG¨Ã¤£µø¬°¹ï¹w©w¼¸«×¤§¤@ӷǽT¦ôp¡C¦]¦¹¡AnÁ×§K±Ä¥Î¤Ó¹L½ÆÂø¤§Åçºâ¤èªk¡C
¤T¡B¨âºØ¨î±¡ªp¥X²{¦b²V¾®¤gºI±¤§ÅܧΡG
¡X¡X «D¶}µõ¤§±¡ªp¡F
¦b³o±¡ªp¤U¡A²V¾®¤g»P¿ûµ¬¦b©Ô¤O¤ÎÀ£¤O¤U¤@°_¼u©Ê¦a¹B§@¡C
¡X¡X §¹¥þ¶}µõ±¡ªp¡F
¦b³o±¡ªp¤U¡A¦b¨üª@®É¡A¤£¦Ò¼{²V¾®¤g¤§¥\¯à¡C
ºc¥ó¹w®Æ¤£¦b¥»¨¥ô¦ó¦ì¸m¥X²{²ü¸ü¤ô¥¶W¥X²V¾®¤g§Ü©Ô±j«×®ÉÀ³µø¬°«D¶}µõ¡C¶}µõºc¥ó¤§ªí²{¬É¥G©ó«D¶}µõ»P§¹¥þ¶}µõ¤§¶¡¡A·íºc¥ó¥Dn«Y«qÅܦ±®É¡A¤U±¤§°ò¥»¤½¦¡´£¨Ñ¹ïºc¥óªí²{¨¬°÷¤§¦ôp¡G
£\= £a£\|| + (1 - £a)£\|
¦¹³B¡G
| £\ | ¦Ò¼{¤¤¤§°Ñ¼Æ¡A¦pÀ³¤O¡BÅܦ±«×¡B±ÛÂਤ¡C¡]¬°Â²¤Æ°_¨£¡A£\¤]¥i©w¬°¼¸«×¡^¡F | 
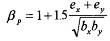
| £\|,£\|| | ¤À§O«ü«D¶}µõ»P§¹¥þ¶}µõ±¡ªp©Ò±o¤§°Ñ¼ÆÈ¡F | 
| £a | ¤À§G¨t¼Æ¡A«D¶}µõ®É¬Ûµ¥0¡A¶}µõºI±¥i¥Î¥H¤U¤½¦¡¡G | 
| £a = 1 - £]1£]2 | ﴾ | 
			 
				£msr 
			 | 
			﴿ | 2 | 
| £ms | ¡@ | 
£ms, £msr, £]1,£]2¥i¨£²Ä¤»¤Q¤±ø¡C
¡]ª`·N£ms / £msr¦bÅܦ±®É¡A±o¥Î M / Mcr ¥N´À¡A©Î¦b¯Â©Ô®É¡A±o¥Î N /Ncr¥N´À¡^¡C
¤¹³\¦]²ü¸ü¦ÓÅܧΡA§÷®Ænµû©w¤§Á{¬É¯S©Ê«Y²V¾®¤g§Ü©Ô±j«×¤Î¼u©Ê¼Ò¶q¡C
ªí¤G¦C¥X¤@¯ë¥i¯à¤§§Ü©Ô±j«×¡C³q±`Y±Ä¥Î fctm¡A¹ïªí²{¥i±o³Ì¨Î¤§¦ôp¡C
²V¾®¤g¼u©Ê¼Ò¶q¥i±qªí¥|¨ú±o¡CįÅܤ§¼vÅT¥i¥Î¦³®Ä¼u©Ê¼Ò¶q¦Ò¼{¡G
Ec,ef = Ec/(1+£X)
¦¹³B£X«YįÅܨt¼Æ¡C
¦¬ÁY¦±²v¥i¥Î¥H¤Upºâ¡G
1/rcs = £`cs£\£cS / I
¦¹³B¡G
| l/rcs | ¦¬ÁY¾ÉP¤§¦±²v¡F | 
| £`cs | ¦Û¥Ñ¦¬ÁYÀ³ÅÜ¡F | 
| S | ¿ûµ¬±¿n©óºI±«¤ß¤§¤@¦¸¤O¯x¡F | 
| l | ºI±ºD©Ê¯x¡F | 
| £\£c | ¦³®Ä¦P½è©Ê¨t¼Æ (£\£c = Es/Ec,ef)¡C | 
S ¤ÎlÀ³¥H«D¶}µõ¤Î§¹¥þ¶}µõ±¡ªppºâ¡A³Ì²×¦±²v¥Ñ°ò¥»¤½¦¡µû©w¡C
µû©w¼¸«×³Ìºë½T¤§¤èªk«Y¦bºc¥ó¦hÓºI±pºâ¨ä¦±²v¡AµM«á¦A¥Î¼ÆÈ¿n¤À¤èªkpºâ¼¸«×¡A³q±`¸Ó¤èªk©Òªá¤§¤u§@¨Ã¤£»{¬°À³·í¡A¦Ó¥i±µ¨ü¨úpºâ¼¸«×¨â¦¸¡A¥H¾ãÓºc¥ó«D¶}µõ¤Î§¹¥þ¶}µõ±¡ªp¶i¦æ¡AµM«á¦A¹B¥Î°ò¥»¤½¦¡¡C¥H¤W¤§¤èªk¨Ã¤£ª½±µ¾A¥Î©ó¨ü¦³¤j¼vÅTÁa¦V¤O¤§¶}µõºI±¤W¡C
²Ä¤T½s
ºc³y°t¸m¤Î³]p³W©w
²Ä¤@³¹
¿ûµ¬¤§¤@¯ë³W©w
²Ä¤C¤Q±ø
¥Dµ¬¤Î°Æµ¬
¤@¡B¿ûµ¬²V¾®¤g¤Î¹wÀ³¤O²V¾®¤g°£¥Dµ¬¤§±Æ¸mÀ³®Ú¾Ú¥»³W³¹©Ò«Ø¥ß¤§³W«h¦Ó³]p¥~¡A°Æµ¬¤§±Æ¸mÀ³½T«O¯àµo´§¨ä¥\¯à¤è±¤§®Ä¯à¡A¨ÃÀ³«Oµý¨ä»Pºc¥ó¦U³¡¤À¶¡¤§³s±µ¡A¥H¤Î¨î§½³¡µõÁ_¤§ÂX¤j¡C
¤G¡B©ó«Ü¦h±¡ªp¤¤¡A°Æ¿ûµ¬¤§±Ä¥Î¥i©óÂZ°Ê°Ï¤¤¾A·í¦Ò¼{¤O¥¿Å¡A§@¬°¦¹Ãþ°ÝÃD¤§¤ÀªR¥i®Ú¾Ú¥»³W³¹²Ä¤T³¡¤À¤§ºc³y³W©w¶i¦æ¡C
²Ä¤C¤Q¤@±ø
¤£¦PÃþ«¬¿ûµ¬¤§²Õ¦XÀ³¥Î
¤£¦PÃþ«¬¿ûµ¬¤§²Õ¦XÀ³¥Î¶Èn¨D¾A·í¦Ò¼{¨ä³]p¤Î©ó¤u¦a¤¤¤p¤ßÁ×§K¥Ñ©ó¿ûµ¬¿ù»~¼Ð¥Ü¦Ó¾ÉP¤§¿ù»~µo¥Í¡C
²Ä¤C¤Q¤G±ø
§ôµ¬
¤@¡B¹ï¥Ñ´¶³q¿ûµ¬©Ò²Õ¦¨¤§§ôµ¬¡A¦b¨Ï¥Î¤W¨C²Õ§ôµ¬¤£±o¶W¹L¤T®Ú¿ûµ¬¡A¦ý¹ï¯àºò±K®¹¤ã¥B««ª½¨Ï¥Î¤§§ôµ¬¡A¨ä¼Æ¶q³Ì¦h¥i¨Ï¥Î¥|®Ú¿ûµ¬¡C°£¦¹¥H¥~¡A§ôµ¬¤§±Æ©ñ¦b¨C¤@¤è¦V¤WÀ³¤£¥X²{¶W¹L¨â®Ú±µÄ²¤§¿ûµ¬¡C
©ó¦UºØ±¡ªp¤¤¡A§ôµ¬¤§µ¥®Äª½®| Φn ¥i¥Ñ¤U¦¡©w¸q¡G

¤W¦¡¤¤Φi¬°§ôµ¬¤¤©Ò¨Ï¥În®Ú¿ûµ¬¤§ª½®|¡AΦiȤ£À³¤j©ó55 mm¡C
¬°¿í¦u¥»³W³¹¹ï§ôµ¬¤§³W©w¡A©ó³]p®É§ôµ¬ª½®|À³¦Ò¼{¨äµ¥®Äª½®|¡C
¤G¡B¹ï¨Ï¥Î«á±iªk¬I¤u¤§¹wÀ³¤O¿ûµ¬¡A·í¨ä®MºÞª½®|¤£¶W¹L50 mm®É¡A¨C§ôµ¬³Ì¦h¥i¥H¥|Ó®MºÞ§@¬°¤@§ô¨Ï¥Î¡A¨Ã¥B¦b¨C¤@¤è¦V¤§±Æ©ñ¤W¤£¶W¹L¨â®Ú±µÄ²¤§¿ûµ¬¡CµM¦Ó¹ï®MºÞ¤j©ó50 mm®É¡A¶È¤¹³\¥Î¨â®Ú®MºÞ²Õ¦¨¤§§ôµ¬¡A¤Î·í¥Î©ó¼Ù©MªO®É¡A¥u¯à¦b««ª½¤è¦V¨Ï¥Î¡C
¤T¡B¹ï¨Ï¥Î¥ý±iªk¬I¤u¤§¹wÀ³¤O¿ûµ¬¡A¨C²Õ§ôµ¬¶È¯à¥H¨â®Ú¹wÀ³¤O¿ûµ¬²Õ¦¨¡C
²Ä¤C¤Q¤T±ø
¿ûµ¬¤§³Ì¤p¶¡¶Z
¤@¡B¿ûµ¬©Î¹wÀ³¤O®MºÞ©Î§ôµ¬¶¡¤§²b¶Z¡AÀ³¯àº¡¨¬²V¾®¤g¼å¸m®É©Ò»Ý¤§±ø¥ó¡A§Y«Oµý¿ûµ¬¯à§¹¥þ¦a³Q²V¾®¤g¥]«Ê¤Î½T«O¯à¹F¨ì¨}¦n´¤»q¤§©Ò»Ý±ø¥ó¡C
¤G¡B´¶³q¿ûµ¬¤§²b¶¡¶Z¤£À³¤p©ó³Ì¤j¿ûµ¬¤§ª½®|¡]©Î§ôµ¬¤§¦³®Äª½®|¡^¤Î¥H20 mm§@¬°³Ì¤pÈ¡C
¤T¡B¨Ï¥Î«á±iªk¬I¤u¤§¹wÀ³¤O¿ûµ¬¡A³æ¤@®MºÞ²b¶¡¶Z©Î§ôµ¬²b¶¡¶ZÀ³¤£¤p©ó³Ì¤j®MºÞª½®|¡A¦P®É¥ç¤£À³¤p©ó40 mm¡]Â_±««ª½¤è¦V¡^¤Î50 mm¡]Â_±¤ô¥¤è¦V¡^¡CµM¦Ó¡A¹ï©ó¤@¤ô¥®MºÞ§ô¡A®MºÞ§ô¨ì³Ì±µªñ¤§®MºÞ¶¡¤§²b¶ZÂ÷¡A°£º¡¨¬¤W¦Cn¨D¥~¡A¥çÀ³¤£¤p©ó³Ì¤j®MºÞª½®|¤§1.2¿¡]Â_±««ª½¤è¦V¡^¤Î1.5¿¡]Â_±¤ô¥¤è¦V¡^¡C
¥|¡B¨Ï¥Î¥ý±iªk¬I¤u¤§¹wÀ³¤O¿ûµ¬¡A¿ûµ¬¶¡¤§²b¶ZÂ÷¤£¯à¤p©ó³Ì¤j¿ûµ¬ª½®|¡A¦P®É¥ç¤£À³¤p©ó 10 mm¡]Â_±««ª½¤è¦V¶¡¶Z¡^¤Î 20 mm¡]Â_±¤ô¥¤è¦V¶¡¶Z¡^¡C
««ª½²Õ¦¨¤§§ôµ¬»P³Ì±µªñ¤§¿ûµ¬¶¡¤§²b¶ZÂ÷¤£¯à¤p©ó³Ì¤j¿ûµ¬ª½®|¤§1.5¿¡A¦P®É¥ç¤£À³¤p©ó 10 mm¡]Â_±««ª½¤è¦V¶¡¶Z¡^¤Î 25 mm¡]Â_±¤ô¥¤è¦V¶¡¶Z¡^¡C
¤ô¥²Õ¦¨¤§§ôµ¬»P³Ì±µªñ¤§¿ûµ¬¶¡¤§²b¶ZÂ÷¤£¯à¤p©ó³Ì¤j¿ûµ¬ª½®|¤§¨â¿¡A¦P®É¥ç¤£À³¤p©ó 30 mm¡]Â_±««ª½¤è¦V¶¡¶Z¤ÎÂ_±¤ô¥¤è¶¡¶Z¡^¡C
¤¡B¿ûµ¬²b¶¡¶Z°£¤F¨Ì±q¥»±ø¤§³Ì§C³W©w¥~¡A¦P®É¥çÀ³¤£¤p©ó³Ì¤j°©®Æ²É®| dg ©Î 20 mm¡A¨ÃÀ³«Oµý¿ûµ¬¯à³Q²V¾®¤g¦³®Ä¥]«ÊµÛ¡C°£¦¹¥H¥~¡AY³Ì¤j°©®Æ²É®| dg > 32 mm¡A«h¦¹²b¶¡¶ZÀ³¤£¤p©ódg + 5 mm¡C
·í¿ûµ¬±Æ¸m¤§±K«×¸û¤j®É¡A¦U¼h¿ûµ¬À³©ó¨ä««ª½±¤W±Æ¦¨ª½½u¥H¦s¦³¾A·í¤§ªÅ¶¡Åý´¡¤J¦¡¾_°Ê´Î³q¹L¡C
¤»¡B¥»±ø¤¤¹ï¿ûµ¬³Ì¤p¶¡¶Z¤§n¨D¨Ã¤£¾A¥Î©ó¿ûµ¬¥æ±µ©Î¿ûµ¬Å|±µ¤§±¡ªp¡C
²Ä¤C¤Q¥|±ø
¿ûµ¬¤§³Ì¤p«OÅ@¼h
¤@¡B¿ûµ¬«OÅ@¼h©Î¹wÀ³¤O®MºÞ«OÅ@¼h¡]©Î¨ä§ôµ¬«OÅ@¼h¡^À³¨¬°÷¥B¯à¨Ñµ¹²V¾®¤g¦³¸û¦n¤§¼åª`±ø¥ó¡A¸Ó«OÅ@¼h¤£³æn«Oµý¯à«OÅ@¿ûµ¬¨¬¥H©è§Ü«I»k¡A¨Ã¥B¯à©ó¿ûµ¬»P²V¾®¤g¶¡¦³®Ä¶Ç»¼¥~¤O¡C
¤G¡B·í±Ä¥Î´¶³q¿ûµ¬¤Î²V¾®¤gµ¥¯Å¤p©óB30®É¡A°£¤FªOµ²ºc¥~¡A«öÀô¹Ò¯Å§O¡A¤@¯ëºc¥ó©Ò»Ý¤§³Ì¤p«OÅ@¼h«p«×¦p¤U¡G
| ¤@¯Å | 20 mm | 
| ¤G¯Å | 30 mm | 
| ¤T¯Å | 40 mm | 
¹ï¹wÀ³¤O¿ûµ¬²V¾®¤g¡A¥H¤W¤§«OÅ@¼h³Ì§Cn¨DÀ³¼W¥[ 10 mm¡C
Y¬°¤U¦C±¡ªp®É¡A«OÅ@¼h«p«×¥i´î¤Ö¡G
5 mm ¡A©óªOµ²ºc®É¡F
5 mm ¡A·í²V¾®¤gµ¥¯Å¬° B30¡AB35 ¡AB40®É¡F
10 mm¡A·í²V¾®¤gµ¥¯Å¤j©óB40®É¡C
¥H¤W«OÅ@¼h«p«×¤§´î¤p¥i²Ö¿n¦Ò¼{¡A¦ý¦b¤@¨Ç±¡ªp¤U¡A«OÅ@¼h«p«×¤§±Ä¥Îµ´¤£¯à¤p©ó15 mm¡C
«OÅ@¼h¤§³Ì¤p«p«×°£¤Fº¡¨¬¥H¤W©Ò©w¥ß¤§±ø¥ó¥~¡A¦P®É¥çÀ³¤£¤p©ó¥Dµ¬ª½®|¡]©Î¨ä§ôµ¬¤§µ¥®Äª½®|¡^¡C¦b¹wÀ³¤O¿ûµ¬²V¾®¤g¤¤¡A¹ï¨Ï¥Î«á±iªk¬I¤u¤§¿ûµ¬³Ì¤p«OÅ@¼h¥çÀ³¤£¤p©ó¹wÀ³¤O®MºÞª½®|¤Î¥H 40 mm §@¬°³Ì¤pÈ¡AµM¦Ó¹ï¨Ï¥Î¥ý±iªk¬I¤u¤§¿ûµ¬³Ì¤p«OÅ@¼h«p«×À³¤£¤p©ó¥Dµ¬ª½®|¤§¨â¿¤Î¥H 20 mm §@¬°³Ì¤pÈ¡C¹ï¥H«á±iªk¬I¤u¤§¤ô¥§ôµ¬¡A¨ä°¼¦V«OÅ@¼h«p«×¤£À³¤p©ó³Ì¤j®MºÞª½®|¤§¨â¿¡C
²Ä¤C¤Q¤±ø
¿ûµ¬¤§³Ì¤j¦±²v
¤@¡B¿ûµ¬³QÅs¦±¦Ü³Ì¤j¦±²v®É¡A¸ÓÅs¦±À³¤£¼vÅT¨ä±j«×¡A¦Ó©óÅs¦±°Ï¶¡¤º¤§À£¤O¤£À³³y¦¨²V¾®¤g¤§À£¸H©ÎÂ_µõ¡C
¤G¡B´¶³q¿ûµ¬¤§Ås¦±ª½®|À³¤£§C©óªí¤Q¤T©Ò©w¤§È¡C
ªí¤Q¤T¡@´¶³q¿ûµ¬Ås¦±¤§³Ì¤p¤º®|
| ¡@ | Ås¹_¡BÅs¦±µ¬¡B®M±ì (¨£¹Ï¤Q¥|)  | 
			Ås°_¿ûµ¬©Î¦±±ì | |||
| ¿ûµ¬ª½®| | ¿ûµ¬¤§³Ì¤p«OÅ@¼h¡A¥H¦±±ªk½u¤è¦Vpºâ¡C | ||||
| £X< 20 mm | £X ≥ 20 mm | > 100 mm ¤Î > 7£X | > 50 mm ¤Î > 3£X | ≤ 50 mm©Î ≤ 3£X | |
| ¥ú±¶ê¿ûµ¬ A235 | 2.5£X | 5£X | 10£X | 10£X | 15£X | 
| °ª´¤»q¤O¿ûµ¬ A335, A400, A500 | 4£X | 7£X | 10£X | 15£X | 20£X | 
* ½Ð¬d¾\¡G§ó¥¿
¤T¡BY´¶³q¿ûµ¬Ås¦¨®M±ì¤§§Î¦¡¡A¨äÅs¦±ª½®|À³¤£§C©ó¥H¤Uªí¹F¦¡¤§¼ÆÈ¡G
| ﴾ | 0.7 + 1.4 | 
			 
				£X  
			 | 
			﴿ | 
			 
				£msSd 
			 | 
			£X | 
| a | 1.5fcd | 
¦¹³BσsSd¬°¿ûµ¬¨üÅs®É¤§°_©lÀ³¤O¡A«Y¹ïÀ³©ó§@¥Î®ÄÀ³²Õ¦X³]pÈ¡Ca«h¨ú¥H¤U¨â¼ÆÈ¤§¤pªÌ¡GÅs®M¥±»Pºc¥óªí±¶¡¤§¶ZÂ÷¡FÅs®M¥±»P¨äÁ{ªñ¤§Ås®M¥±¶¡¤§¶ZÂ÷¡C
²Ä¤C¤Q¤»±ø
¿ûµ¬»P²V¾®¤g¶¡¤§´¤»q¤O
¤@¡B¿ûµ¬»P²V¾®¤g¶¡¤§´¤»q¤O¯S©Ê¡A¤£³æ«Y¨âºØ§÷®Æ¤@°_¬Û¤¬§@¥Î¤§°ÝÃD¡A¦P®É¥ç«Y¿ûµ¬«÷±µ»PÁã©T§Î¦¡©Ò¦¨¤§°ÝÃD¡A¨ä¤¤´¤»q¤O°ò¥»¤W¥i³z¹L´¤»q±j«×¨Ó©w¸q¡AµM¦Ó¸Ó±j«×¤§¼ÆÈ¤j¤p«Y¨ú¨M©ó¿ûµ¬¤§´¤»q¯S©Ê¡B²V¾®¤gµ¥¯Å¥H¤Î²V¾®¤g»P¿ûµ¬¤§¥]»q±¡ªpµ¥¡C
¤G¡B±q´¤»q¤§Æ[ÂI¦Ó¨¥¡A´¶³q¿ûµ¬¥i¤ÀÃþ¬°´¶³q´¤»q¤O¿ûµ¬¤Î°ª´¤»q¤O¿ûµ¬¡C¦Ó´¤»q¤O¤§¤j¤p«h¦³¿à©ó²V¾®¤g»P¿ûµ¬¶¡¥]»q¤§¦nÃa¡C±ý¨Ï²V¾®¤g¼åª`®É¯à²£¥ÍÀu¨}¤§´¤»q±ø¥ó¡A«h¥i±N¿ûµ¬Ås¦±¦Ü»P¤ô¥±¦¨ 45o ¤Î 90o ¤§¨¤«×¡A©Î©ó¼åª`¤è¦V¤Wºc¥ó«p«×¤£¶W¹L 250 mm¨Ã»P¿ûµ¬¼åª`¦¨¤@¾ãÅéªÌ§¡¥iµø§@Àu¨}´¤»q¡C·í«p«×¤j©ó250 mm¡A«h¥u¯à¹ï¦ì©óºc¥ó¤§¤U¥b³¡¤À¡]©Î©ó¦P¤@¶¥¬q¼åª`®É¤§¤U¥b³¡¤À«p«×¡^¦Ò¼{¬°Àu¨}¤§´¤»q¯à¤O¡A¤S©Î±qªí±¥H¤U¤j©ó300 mm¥H¥~¤§¦ì¸m§¡¥i¦Ò¼{µø§@Àu¨}´¤»q¡C
´¶³q¿ûµ¬¤§´¤»q±j«×³]pÈ fbd¬°ªí¤Q¥|¤¤©Ò¥Ü¡C
ªí¤Q¥|¡@´¶³q¿ûµ¬´¤»q±j«×³]pÈfbd(1)¡]MPa¡^
| ¿ûµ¬´¤»q¯S©Ê | ²V¾®¤gµ¥¯Å | |||||||||
| B15 | B20 | B25 | B30 | B35 | B40 | B45 | B50 | B55 | B60 | |
| ´¶³q´¤»q¿ûµ¬ | 0.8 | 1.0 | 1.1 | 1.2 | 1.3 | 1.4 | 1.5 | 1.6 | 1.6 | 1.7 | 
| °ª´¤»q¿ûµ¬ | 1.6 | 2.0 | 2.3 | 2.7 | 3.0 | 3.2 | 3.4 | 3.8 | 4.1 | 4.3 | 
¡]¢°¡^ ªí¤¤©Ò©w¤§¼ÆÈ¶È¾A¥Î©ó¥H¤W©Òz²V¾®¤g¼åª`¤U¤§Àu¨}´¤»q±ø¥ó¡A¹ï©ó¨ä¥L´¤»q±ø¥ó¡A¥H¤W¼ÆÈÀ³¼¥H0.7¤©¥H§é´î¡C
ªí¤Q¥|¤¤©Ò±Ä¥Î¤§´¤»q±j«×³]pÈ«Y®Ú¾Ú¤U¦Cªí¦¡¨D±o¡G
| ¤@¯ë´¤»q¿ûµ¬¡Gfbd = 0.3 | √ | 
		 
			fcd 
		 | 
		(fcd ¥HMPaªí¥Ü) | 
°ª´¤»q¿ûµ¬¡G fbd = 2.25 fctd
¤T¡B·í¿ûµ¬©Ó¨ü°ªÀ³¤OÅܤƮɡA¯S§O«Y¸û¤jª½®|¤§¿ûµ¬¡AÀ³º¡¨¬¤U¦C±ø¥ó¶i¦æ¤@´¤»q¤§§½³¡Àˮ֡C
| £nbSd = | 
			 
∆FsSd 
			 | 
			≤ fbd | 
| u∆x | 
¦¹³B¡G
| £nbSd | ¬ÛÀ³©ó§@¥Î®ÄÀ³²Õ¦X³]pȤ§´¤»qÀ³¤O¡F | 
| £GFsSd | ©ó¿ûµ¬£Gx¶ZÂ÷¤§¨âºI±¤W¨â¤OȤ§®t¡A¦Ó±Ä¥Î £Gx ≤10Φ¡F 
		 ¡]¦¹¬°¬ÛÀ³©ó§@¥Î®ÄÀ³²Õ¦X³]pÈ¡^¡F  | 
	
| u | ¿ûµ¬ºI±©Pªø¡A·í¦b§ôµ¬±¡ªp®É¡A«h¬°²Ä¤C¤Q¤G±ø²Ä¤@´Ú©Ò©w¤§µ¥®ÄºI±ª½®|¤§©Pªø¡F | 
| fbd | ´¤»q±j«×³]pÈ¡C | 
¥|¡B·íºc¥óÅãµÛ¦a©Ó¨ü¥iÅܧ@¥Î¡A¦Ó¸Ó¥iÅܧ@¥Î¤Þ°_¿ûµ¬¤º¦³¤ÏÂÐÀ³¤O¤Î¦³¸û¤j´T«×¤§À³¤OÅܤƮɡA«hÀ³¦Ò¼{¿ûµ¬Áã©T±¡ªp¤Î¿ûµ¬«÷±µ±¡ªp©Ò¦¨¤§µ²ªG¡A¹ï´¤»q±j«×ÂÔ·V¦a¤©¥H°§C¡C
²Ä¤C¤Q¤C±ø
´¶³q¿ûµ¬¤§Áã©T
¤@¡B´¶³q¿ûµ¬¤§ºÝ³¡À³¥HÁã©T§Î¦¡³Q©T©w©ó²V¾®¤g¤¤¡A¦Ó¸ÓÁã©T¥i¥Ñ¿ûµ¬¤§ª½½u©µ¦ù©ÎÅs¦±©µ¦ù²Õ¦¨¡A©Î¥H®M±ì§Î¦¡¡B©Î±Ä¥Î¯S®í¾÷±ñ¤è¦¡¹F¨ìÁã©T§@¥Î¡C
¤G¡B§Q¥Î¿ûµ¬¤§©µ¦ù¥i§@¬°Áã©T¨Ï¥Î¡A·í¿ûµ¬¥HÅs¦±©µ¦ù®É¥i±Ä¥ÎÅs¹_©ÎÅs¦±µ¬§@Áã©T¡A¦Ó¨ä´X¦ó¯S©Ê«h¦C¥Ü©ó¹Ï¤Q¥|¤¤¡A¨ä¨Ï¥Î¬°¨ú¨M©ó¿ûµ¬¦b²V¾®¤g¤¤¤§´¤»q¯à¤O¤Î¥~¤O§Î¦¡µ¥¡C¦¹¥~¡A¹ï¤@¯ë´¤»q¿ûµ¬¶È¯à±Ä¥ÎÅs¹_§@Áã©T¡A°£¦¹¥H¥~¡AÕY¸ÓÃþ¿ûµ¬¸g±`©Ó¨üÀ£¤O¡A«h¥i±Ä¥ÎÁã©Tª½µ¬§@Áã©T¡C¹ï°ª´¤»q¿ûµ¬«hÀ³±Ä¥ÎÁã©Tª½µ¬§@Áã©T¡AÕY¸ÓÃþ¿ûµ¬¸g±`©Ó¨ü©Ô¤O¡A«h¤¹³\¨Ï¥ÎÅs¹_©ÎÅs¦±µ¬§@Áã©T¡C
¤T¡B©ó¿ûµ¬Áã©T½d³ò¤º¡AÀ³Ã´¤W°Å¤O¿ûµ¬¡]ãTµ¬©ÎÁpôµ¬¡^¨ÃªuµÛÁã©T°Ï¤º§¡¤Ã¦a¤À§G¡C·í±Ä¥ÎÁã©Tª½µ¬§@¬°©Ó¨ü©Ô¤O¤§Áã©T®É¡A°Å¤O¿ûµ¬À³¶°¤¤©ñ¸m©ó¾aªñÁã©Tµ¬¤§¥¼ºÝ¦ì¸m¡C¦b¨ä¾l±¡ªp¤¤¡A·í©Ó¨üÀ£¤O¤§Áã©T®É¡A¹ï°Å¤OãTµ¬±Æ©ñ¦ì¸mÀ³³ò¶Áã©T°Ï¶}©l©ñ¸m¡A¨Ã¦P®É¦V¥~©µ¦ù¶W¹LÁã©T°Ïª½¨ì4¿Áã©Tµ¬ª½®|¤§¦ì¸m¡C
ªuµÛÁã©Tµ¬¤è¦V©Ò±Æ©ñ¤§°Å¤OãTµ¬¤§³Ì¤p¿ûµ¬Á`±¿n¬°³æ¤@Áã©Tµ¬±¿n¤§25%¡C
Y¨ü©ÔÁã©T¿ûµ¬¦ì©óºc¥ó©Ó¨ü¾î¦VÀ£¤O¤§°Ï¶¡¤º¡]¨Ò¦p¡A¥Ñ¤äÂI¤Ï¤O©ÒP¡^¡A»P¤ÎÁã©T¿ûµ¬»Pºc¥óªí±¤§¶ZÂ÷°÷¤j©ÎÁã©T¿ûµ¬»P¨ä¥L¿ûµ¬¶¡¤§¶ZÂ÷°÷¤jµ¥±¡ªp¤U¡A¹ï©ó¥H¤W°Å¤OãTµ¬¤§n¨D«h¥i¥H¤©¥HÁŧK¡C

¹Ï¤Q¥|¡GÁã©T¿ûµ¬©Ò»Ýªø«×
¥|¡B¿ûµ¬Áã©Tªø«× lb,net¡]¹Ï¤Q¥|¡^¥i¥Ñ¤U¦¡©w¸q¡G
| lb,net = lb | 
			 
				As,cal 
			 | 
			£\1 | 
| As,ef | 
¨ä¤¤¡G
| lb = | 
			 
				£X  
			 | 
			
			 
				fsyd 
			 | 
		
| 4 | fbd | 
©ó¬Y¨Ç±¡ªp¤¤¡A³Ì¤p¿ûµ¬Áã©Tªø«×À³¤£¤Ö©ó¥H¤U¥ô¤@¼ÆÈ¤§³Ì¤pªÌ¡G10Φ¡F 100 mm¡F©Ô¤OÁã©Tµ¬¨ú0.3lb¡FÀ£¤OÁã©Tµ¬¨ú 0.6lb¡C
¿ûµ¬Áã©Tªø«×¤½¦¡©Ò±Ä¥Î¤§²Å¸¹·N¸q¦p¤U¡G
| As,cal | ³]p©Òn¨D¤§Áã©Tµ¬Â_±¿n¡F | 
| As,ef | ¹ê»Ú±Ä¥Î¤§Áã©Tµ¬Â_±¿n¡F | 
| £\1 | Y¬°©Ó¨ü©Ô¤O¤§¦±½uÁã©Tµ¬±Ä¥Î0.7¡A¨ä¾l±¡ªp¸Ó«Y¼Æ§¡±Ä¥Î1¡F | 
| £X | ¿ûµ¬ª½®|©Î§ôµ¬µ¥®Äª½®|¡F | 
| fsyd | ¿ûµ¬¤§©}ªAÀ³¤O³]pȩοûµ¬¤§0.2%³W©w«D¤ñ¨Ò¦ùªøÀ³¤OÈ¡F | 
| fbd | ¬°²Ä¤C¤Q¤»±ø¤¤©Ò©w¸q¤§´¤»q±j«×³]pÈ¡C | 
¤¡B¬°§ôµ¬Áã©T±¡ªp®É¡A¨C²Õ§ôµ¬À³¥H¨C®Ú¿ûµ¬¤§Áã©Tªø«×§@Ó§O¦aÁã©T¡A¦ý¦U²Õ§ôµ¬¤§Áã©TºÝ³¡¶¡¹j¶ZÂ÷¦Ü¤ÖÀ³¬°1.3¿Áã©T¶ZÂ÷¡CµM¦Ó¡A·í§ôµ¬³Q²×¤î©ó¤ä©Ó¤¤¤§±¡ªp®É¡A¨äÁã©T¥i»P¨ä¥L¿ûµ¬¤@°_¨ÃÀ³¥H¬ÛÀ³¤§§ôµ¬µ¥®Äª½®|pºâÁã©Tªø«×¡C
¤»¡B·í±Ä¥Î®M±ì§@Áã©T®É¡AÀ³½T«O®M±ì¤§¥~¤Á½u¶ZÂ÷µ¥©ó®M±ì¤º¸g¤§¥b»P3¿®M±ì¿ûµ¬ª½®|¤§©M¡C
¬°´î»´²V¾®¤gµõÁ_¤§¥X²{¡AÀ³©ó®M±ì¥±¤§««ª½¤è¦V¤W±Æ©ñ°Å¤O¿ûµ¬¡A¦Ó¿ûµ¬¤§±Æ©ñÀ³°Ñ·Ó²Ä¤T´Ú©ÒÄÄz¤§±¡ªp¤©¥H¹ê¦æ¡C
¤C¡B¹ï±Ä¥Î¯S§O¤§¾÷±ñ¦¡¸Ë¸m¶i¦æÁã©T®ÉÀ³¦³¾A·í¤§µý©ú¨ä¦X²z©Ê¡C
²Ä¤C¤Q¤K±ø
ãTµ¬¤Î°Å¤O¿ûµ¬¤§Áã©T
ãTµ¬¤Î°Å¤O¿ûµ¬¤@¯ë«Y±Ä¥ÎÅs¹_©Î²k±µ°Å¤O¿ûµ¬¤§§Î¦¡§@Áã©T¡A¦Ó¹ï°ª´¤»q¹w¤O¿û½u¤Î°ª´¤»q¿ûµ¬¤§ãTµ¬§¡¥i±Ä¥ÎÅs¦±µ¬§Î¦¡§@Áã©T¡C¦¹¥~¦bÅs¹_©ÎÅs¦±µ¬¤§Ås¦±¤º³¡À³¸m¦³¤@®Ú¿ûµ¬¡C¸ÓÃþãTµ¬¤Î°Å¤O¿ûµ¬§@¬°Áã©T¤§¾ãÅé¦Ò¼{®ÉÀ³º¡¨¬¡G
¡X¡X Ås¹_©ÎÅs¦±µ¬¤§Ås¦±³¡¤ÀÀ³¥Hª½½u©µ¦ù¥B¨äªø«×¤£¯à¤p©ó¡G
³Ì¤p¬°50mm¤§5£X¡A·í¨¤«×¬°135o ©Î¤j©ó135o ¤§Ås¦±«×¡]¨£¹Ï¤Q¤a¡^¡F
* ½Ð¬d¾\¡G§ó¥¿
³Ì¤p¬°70mm¤§10£X¡A·í¨¤«×¬° 90o ¤§Ås¦±«×¡]¨£¹Ï¤Q¤b¡^¡C
* ½Ð¬d¾\¡G§ó¥¿
¡X¡X Áã©Tª½µ¬©ó¨ä±µªñ¥½ºÝ³¡¤ÀÀ³¡G
±Ä¥Î¨â®Ú²k±µ°Å¤O¿ûµ¬¡]¨£¹Ï¤Q¤c¡^
©Î±Ä¥Î³ü®Ú²k±µ°Å¤O¿ûµ¬¡A¦ý¨äª½®|¤£À³¤p©ó1.4¿¥Dµ¬ª½®|¡]¨£¹Ï¤Q¤d¡^¡C

¹Ï¤Q¤¡GãTµ¬¤§Áã©T
²Ä¤C¤Q¤E±ø
²k±µ¿ûµ¬ºõ¤§Áã©T
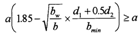
¤@¡B²k±µ¿ûµ¬ºõ¤§Áa¦V¿ûµ¬ºÝ³¡À³¥HÁã©Tª½µ¬¤§§Î¦¡©T©w©ó²V¾®¤g¤¤¡C
°£¥»±ø²Ä¤T´Ú©Òz¤§±¡ªp¥~¡A¤@¯ë¸ÓÃþÁa¦VÁã©Tµ¬¤§Áã©Tªø«×À³¤j©ó350 mm¡A¨Ã¥]¬A¥H¤U©Ò©w¤§³Ì¤p¾î¦V°Å¤O¿ûµ¬¼Æ¶q¡G
Áa¦V¿ûµ¬ª½®|¤p©ó©Îµ¥©ó8.5 mm¤§³æ¼h¿ûºôºõÂù¼h¿ûºõ¡G
´¶³q´¤»q¿ûµ¬¡X¡X3®Ú¾î¦V°Å¤O¿ûµ¬¡F
°ª´¤»q¿ûµ¬¡X¡X2®Ú¾î¦V°Å¤O¿ûµ¬¡F
Áa¦V¿ûµ¬ª½®|¤j©ó8.5 mm¤§Âù¼h¿ûºõ¡F
´¶³q´¤»q¿ûµ¬¡X¡X4®Ú¾î¦V°Å¤O¿ûµ¬¡F
°ª´¤»q¿ûµ¬¡X¡X3®Ú¾î¦V°Å¤O¿ûµ¬¡C
¹ï¥H¤W©Ò«ü©w¤§¾î¦V°Å¤O¿ûµ¬¼Æ¥Ø¤Î³Ì¤pÁã©Tªø«×¥i®Ú¾ÚAs, cal / As, ef¤§Ãö«Y«ö¤ñ¨Ò¤©¥H§é´î¡AAs, cal / As, ef¬°³]p©Òn¨D¤§Áã©Tµ¬Â_±¿n¤Î¹ê»Ú±Ä¥Î¤§Áã©Tµ¬Â_±¿n¤§¤ñÈ¡A§é´î«á¾î¦V°Å¤O¿ûµ¬¼Æ¥ØÀ³¥H¤WȨú¾ã¡A¦ÓÁã©Tªø«×«h¤£¯à¤p©ó100 mm¡C
¤G¡B¹ï©Ó¨üÀ³¤OÅܤƴT«×¸û¤j¥B¥X²{«D±`ÀWÁc¤§§@¥Î®É¡A¦b¥»±ø²Ä¤@´Ú©Ò«ü©w¤§¾î¦V°Å¤O¿ûµ¬¼Æ¥ØÀ³¤©¥H¼W¥[¤@®Ú¡C
¤T¡BY¿ûºõ«Y±Ä¥Î°ª´¤»q¿ûµ¬®É¡A«h¥i¤£¶·¦Ò¼{¾î¦V°Å¤Oµ¬¤§®Ä¥Î¡A¦ý¨äÁã©TÀ³¿í·Ó²Ä¤C¤Q¤K±ø¹ïÁã©Tª½µ¬©Ò¨î©w¤§Áã©T³W©w¡C
¥Ñ¨â¼h¿ûºôÅ|¸m²Õ¦¨¤§§ôµ¬¡A³q±`¨äÁã©TÀ³¨C²Õ§ôµ¬¤@°_¶i¦æÁã©T¡A¦ý¨ä¹ïÀ³¤§Áã©Tªø«×À³®Ú¾Ú¨ä§ôµ¬µ¥®Äª½®|pºâ¡C
¥|¡B±ý¨Ï¿ûºõ¤¤¤§¾î¦V°Å¤Oµ¬¥ç¥i©Ó¾á©è§Ü§@¥Î¡A¡]¨Ò¦p¼ÓªO©ó¨â¤è¦V¤W¥[©T¡^¡A«h¸ÓÃþ¿ûµ¬¤§Áã©TÀ³®Ú¾ÚÁa¦V¿ûµ¬¤§³W©w¶i¦æ¡C
²Ä¤K¤Q±ø
¹wÀ³¤O¿ûµ¬¤§Áã©T
¹wÀ³¤O¿ûµ¬¤§Áã©TÀ³©ó©Ò¨Ï¥Î¤§¹wÀ³¤O¨t²Î¤¤§@¹w¥ý³B²z¡A¨ÃÀ³¹ï©óªþ¥ó¤T¤¤¦³Ãö±q¿ûµ¬¥¼ºÝ°_¤§¹wÀ³¤O®ø´²µ¥³W©w¡A¥H¤Î²Ä¤@¦Ê¤G¤Q±ø¦Ü²Ä¤@¦Ê¤G¤Q¤G±ø¦³Ãöºc¥ó©óÁã©T°Ï¤º¤§±j«×±¡ªpµ¥³W©w¥[¥Hª`·N¡C
²Ä¤K¤Q¤@±ø
´¶³q¿ûµ¬¤§«÷±µ
¤@¡B´¶³q¿ûµ¬¤§«÷±µ¥i³z¹L±Ä¥ÎÅ|±µ§Î¦¡¡B²k±µ§Î¦¡©Î§Q¥Î¯S®í¾÷±ñ¸Ë¸m¤§§Î¦¡¶i¦æ¡C¿ûµ¬À³ºÉ¶qÁ×§K¨Ï¥Î«÷±µ¡AY¨Ï¥Î«÷±µ®É«hÀ³Àu¥ý¦Ò¼{©ó¿ûµ¬©Ó¨ü¸û§CÀ³¤O¤§°Ï¶¡¤W¡C
¤G¡B°£²Ä¤T´Ú¤§±¡ªp¥~¡A¹ï©ó¿ûµ¬¥HÅ|±µ§Î¦¡¶i¦æ«÷±µ®É¡A¦b¨Ï¥Î®ÉÀ³¿í¦u¥H¤U¦U¶µ³W©w¡G
a¡^©óÅ|±µ°Ï¶¡¤º¿ûµ¬¤§Áã©TÀ³º¡¨¬²Ä¤C¤Q¤C±ø²Ä¤G´Ú¦³Ãö¿ûµ¬¥¼ºÝ©Ò»ÝÅs¹_¤§³W©w¡A¨ÃÀ³º¡¨¬²Ä¤C¤Q¤C±ø²Ä¤T´Ú¦³Ãö¿ûµ¬«÷±µ°Ï¶¡¤º¨Ï¥Î¾î¦V°Å¤OãTµ¬¤§n¨D¡F
b¡^¨ü©Ô¿ûµ¬¤§³Ì¤pÅ|±µªø«× lb,o À³º¡¨¬¤U¦¡¡G
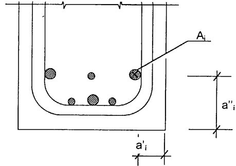
lb,o = α2 lb,net
©ó¬Y¨Ç±¡ªp¤¤¡AÅ|±µªø«×¤£¥i¤p©ó 15Φ ¨Ã¥B¤]¤£¯à¤p©ó200 mm¡C¸Óªí¹F¦¡¤¤¤§ lb,net À³º¡¨¬²Ä¤C¤Q¤C±ø²Ä¥|´Ú¤¤©Òz¤§±¡ªp¡CµM¦Ó¡A«Y¼Æ α2¥i¨ú¤U¦C¼ÆÈ¡G
α2 = 1.0 ©ó¦P¤@Â_±¤W»ÝnÅ|±µ¤§¿ûµ¬¶q¤p©óÂ_±Á`¿ûµ¬¶q¤§30%®É¡A¨Ã¥B®Ú¾Ú¹Ï¤Q¤»¤¤ a≥10Φ ¤Î b≥5Φ¡A¦bpºâ¨üÀ£¤Î¨ü©Ô¿ûµ¬Å|±µªø«×®É±Ä ¥Î¡C
α2 = 1.4 pºâ¨ü©Ô¿ûµ¬Å|±µªø«×¡A¶È»Ýº¡¨¬¥H¤U¨ä¤¤¤@¶µ±ø¥ó®É±Ä¥Î¡G
i¡^ ©ó¦P¤@Â_±¤W»ÝnÅ|±µ¤§¿ûµ¬¶qµ¥©ó©Î¤j©óÂ_±Á`¿ûµ¬¶q¤§30%®É±Ä¥Î¡F
ii¡^®Ú¾Ú¹Ï¤Q¤»¡AÕY a< 10Φ ©Î b < 5Φ®É±Ä¥Î¡C
α2 = 2.0 pºâ¨ü©Ô¿ûµ¬Å|±µªø«×®É¡AÕY¥H¤W¤§±ø¥ó ¡]i¡^¤Î¡]ii¡^¦P®É¦¨¥ß®É±Ä¥Î¡C

¹Ï¤Q¤»¡G¨M©wα2¤§a¡Bb¤§¦ì¸m
©ó¨üÀ£¿ûµ¬¤§±¡ªp¤¤¡A±Ä¥ÎÅ|±µ§Î¦¡«÷±µ®ÉÀ³¥Hª½½u¤è¦¡¶i¦æ¡A¦Ó¨ä³Ì¤pÅ|±µªø«× lb,o À³ª½±µ±Ä¥Î²Ä¤C¤Q¤C±ø©Ò©w¸q¤§ lb È¡C
c¡^¦b¨ü©Ô¿ûµ¬«÷±µ¤§±¡ªp¤¤¡A©ó¦P¤@Â_±¤W¿ûµ¬«÷±µ¤§¼Æ¥Ø¡A·í±Ä¥Î°ª´¤»q¿ûµ¬¡Aª½®|¤p©ó16 mm¶i¦æ«÷±µ®É¡A«h¤¹³\¥þ³¡¤©¥H«÷±µ¡CY¿ûµ¬ª½®|µ¥©ó©Î¤j©ó16 mm«h©ó¦P¤@Â_±¤W«÷±µ¿ûµ¬Â_±¿n¤£¯à¶W¹L¿ûµ¬Á`Â_±¿n¤§1/2¡F·í±Ä¥Î´¶³q´¤»q¿ûµ¬®É¡Aª½®|¤p©ó16 mm¤Îµ¥©ó©Î¤j©ó16 mm®É¡A©ó¦P¤@Â_±¤W«÷±µ¿ûµ¬Â_±¿n¤À§O¤£¯à¶W¹L¿ûµ¬Á`Â_±¿n¤§1/2¤Î1/4¡A¦¹¬°¹ï©ó«÷±µ®É¥H¬Û¦PÂ_±¶i¦æ¡C¿ûµ¬«÷±µ®É¡Aªuºc¥óÁa¦V¤è¦V¤W¡A¶È·í¦U¿ûµ¬«÷±µ±µÀY¶¡¤¤ÂI¤§¶ZÂ÷¤j©ó1.5 lb,o®É¡A¤~¥i¦Ò¼{¸Ó«÷±µ¤£¦b¦P¤@Â_±¤W¡C
¹ï¨üÀ£¿ûµ¬«÷±µ®É¡A¦¹³B¨Ã¨S¦³¹ï¿ûµ¬«÷±µ¼Æ¥Ø§@¥ô¦ó¯S§O¤§³W©w¡C
¤T¡B·í¿ûµ¬«÷±µ±Ä¥ÎÅ|±µ§Î¦¡®É¡A³q±`À³¾¨¥i¯àÁ×§K©óºc¥ó¤¤ÅãµÛ©Ó¨ü©Ô¤O¡]©Ô±ì¡^¤§¦a¤è¶i¦æÅ|±µ¡CµL½×¦p¦ó¡A¦bÅ|±µ®É¤£¥i±Ä¥Îª½®|¤j©ó16 mm¤§¿ûµ¬¶i¦æÅ|±µ©Î¤£¥i±Ä¥Î°tµ¬²v¤j©ó1.5%¶i¦æÅ|±µ¡C
¤@¯ë¦Ó¨¥¡A¹ï©ó¨ü©Ô¿ûµ¬¨äÅ|±µÀ³®Ú¾Ú¥»±ø²Ä¤G´Ú¤§³W©w¶i¦æ¡A¦P®É©óÅ|±µ®É¨ÃÀ³ª`·N¤U¦C¼ÆÂI¡G
a¡^©ó¦P¤@Â_±¤¤¿ûµ¬Å|±µ¼Æ¥ØÀ³¤£¤j©óÂ_±¿ûµ¬Á`¼Æ¤§1/4¡F
b¡^Å|±µªø«× lb,o¤§¨M©w¡A¥i±Ä¥Î¥»±ø²Ä¤G´Úb¶µ¶i¦æ¡C¹ï¨ü©Ô¿ûµ¬¤§±¡ªp¡A³q±`À³pºâ lb,net ¨Ã¦Ò¼{¿ûµ¬»P²V¾®¤g¤§¶¡¬O§_²Å¦XÀu¨}´¤»q±ø¥ó¡F
c¡^©ó¿ûµ¬«÷±µ°Ï¶¡¤ºÀ³±Ä¥Î²Ä¤C¤Q¤C±ø²Ä¤T´Ú©Òz¤§¾î¦V°Å¤OãTµ¬¡A¨ÃªuµÛ«÷±µ°Ï¶¡¤º¤À§G¡CµM¦Ó¨äãTµ¬¶¡¶Z¤£¯à¤j©ó«÷±µ¿ûµ¬ª½®|¤§¥|¿¡C
¥|¡B±Ä¥ÎÅ|±µ§Î¦¡«÷±µ¤§§ôµ¬¡A¦U²Õ§ôµ¬¤§«÷±µÀ³¥H¤£¦P¿ûµ¬¤§«÷±µ¤¤ÂI¦U¦Û¤À¹j¶}¡A¥B§ôµ¬Å|±µªø«×¤£¯à¤p©ó1.3¿Ó§O¿ûµ¬«÷±µªø«×¡C
¤¡B¥H¤Wz¤Î¤§«÷±µ¼Æ¥Ø¥ç¾A¥Î©óÅs®M¤§Å|±µ¡AµM¦Ó¥»±ø²Ä¤G´Úb¶µ¤§³Ì¤pÅ|±µªø«× lb,o«h°£¥~¡A¸Ó³B¥i¨úÅs®M¤º®|¥[¥H¤C¿Ås®M¿ûµ¬ª½®|§@¬°Ås®M³Ì¤pÅ|±µªø«×¡C
¤»¡BY±Ä¥Î²k±µ§Î¦¡§@«÷±µ¡A¸Ó¤èªk¶Èã³\¨Ï¥Î¦b²k±µ¨Ï¥Îµ{§Ç¤¤¨ã¦³¥²¶·¤§¥i²k¯S©Ê¤§¿ûµ¬ªí±¡C
°ò©ó³]p¤è±¤§¦Ò¶q¡A¦b«÷±µ°Ï¤º¤@²k±µ¿ûµ¬¤§Â_±¶È¯à¦Ò¼{¬°80%¤§Â_±¼ÐºÙÈ¡A¨ÃÀ³¦P®Éº¡¨¬¤U¦C±ø¥ó¡G
- ¡X¡X ²k±µ¤§¹Lµ{À³¤p¤ß¤Î¨ü¨ìºÊ±±¡F
 - ¡X¡X ¦P¤@ºc¥óÂ_±¤¤¤§²k±µ¿ûµ¬Â_±¿n¤£¯à¶W¹L¸ÓÂ_±¤§¿ûµ¬Á`Â_±¿n¤§1/5¡F
 - ¡X¡X Yºc¥ó»Ý©Ó¨ü¥X²{ÀWÁc¥BÅܤƴT«×¬Æ¤j¤§¥~¤O§@¥Î®É¡A¸Óºc¥ó¤£¯à±Ä¥Î²k±µ§@¿ûµ¬«÷±µ¡C
 
¤C¡B±Ä¥Î¯S®í¾÷±ñ¸Ë¸m§@¿ûµ¬«÷±µ®É¡AÀ³§@¾A·í¤§ÅçÃÒ¡C
²Ä¤K¤Q¤G±ø
²k±µ¿ûºõ¤§«÷±µ
¤@¡B²k±µ¿ûºõ¤§Áa¦V¿ûµ¬¤§«÷±µÀ³±Ä¥Îª½½u¬q¤§Å|±µ§Î¦¡¡A¨ÃÀ³º¡¨¬¥»±ø²Ä¤G´Ú¡B²Ä¤T´Ú¡B²Ä¥|´Ú¤Î²Ä¤´Ú¤§³W©w¡C¸ÓÃþ«÷±µ¶È¤¹³\©ó³]p©Òn¨D¤§¿ûµ¬Â_±¿n»P¹ê»Ú±Ä¥Î¤§¿ûµ¬Â_±¿n¤§¤ñÈ As,cal /As,ef ¤p©ó0.7®É±Ä¥Î¡C
¹ïÂù¼h¿ûºõÁa¦V¿ûµ¬ª½®|¤j©ó 8.5mm®É¡A¨ä«÷±µ¶È¤¹³\¥H¿ûºõ«Å|¤§§Î¦¡¶i¦æ¡AµL½×¦p¦ó¡A¸ÓÃþ«÷±µ¤£¥i¦ì©ó©Ô¤O±¤§¦ì¸m¤W¶i¦æ¡C
¤G¡B°£¥»±ø²Ä¤T´Ú¤Î²Ä¥|´Ú©Ò´£¤Î¤§±¡ªp¥~¡A²k±µ¿ûºõ«÷±µ®É¨ä³Ì¤pÅ|±µªø«×¤@¯ëÀ³¤j©ó450mm¤Î°Å¤O¾î¦V¿ûµ¬¤§¼Æ¥Ø³Ì¤pÀ³¦p¤U©Ò¥Ü¡G
| ´¶³q´¤»q¿ûµ¬ | ¤®Ú¾î¦V°Å¤O¿ûµ¬ | 
| °ª´¤»q¿ûµ¬ | ¥|®Ú¾î¦V°Å¤O¿ûµ¬ | 
¤T¡B±Ä¥Î°ª´¤»q¿ûµ¬²Õ¦¨¤§²k±µ¿ûºõ¡A¤£¯à¦Ò¼{¥Ñ¾î¦V°Å¤O¿ûµ¬©Ò§@¤§°^Äm¡A«÷±µ®É¨äÅ|±µªø«×¤§¨M©wÀ³®Ú¾Ú²Ä¤K¤Q¤@±ø¤¤¦³Ãö±Äª½½uÅ|±µ§@¬°«÷±µ¤§¬ÛÃö³W©w¡C
¥Ñ¨â¼h¿ûºõÅ|¸m²Õ¦¨¤§§ôµ¬¡A¦b¶i¦æ«÷±µ®É±o¥H¨C²Õ§ôµ¬¤@°_«÷±µ¡A¦ýÀ³®Ú¾Ú¨ä¬ÛÀ³¤§§ôµ¬µ¥®Äª½®|¨M©w¨äÅ|±µªø«×¡C
¥|¡B·íºc¥ó©Ó¨ü¥X²{ÀWÁc¥BÅܤƴT«×¬Æ¤j¤§À³¤O§@¥Î®É¡A²k±µ¿ûºõ¤§«÷±µ¨Ã¤£¤¹³\±Ä¥Î´¶³q´¤»q¿ûµ¬¶i¦æ¡F©ó¸Ó±¡ªp¤¤¡A¨ä«÷±µ¥i±Ä¥Î°ª´¤»q¿ûµ¬¶i¦æ¡A¦ý¨äÅ|±µªø«×¤§¨M©wÀ³®Ú¾Ú¥»±ø²Ä¤T´Ú¤§³W©w¡C
¤¡B¦b±Ä¥Î¿ûºõ«Å|§@«÷±µ¤§±¡ªp¤U¡A¸ÓÃþ¿ûºõ«÷±µ¶ZÂ÷¦Ü¤ÖÀ³µ¥©ó³Ì¤pÅ|±µªø«×¤§1.5¿¡C
¤»¡B©ó¿ûµ¬±Æ¸m®É¡A¿ûºõ¾î¦V°Å¤O¿ûµ¬¤§«÷±µ¡A¨ä«÷±µªø«×¤£À³¤p©ó 200mm¤Î¦b¸Ó½d³ò¤º³Ì¤pÀ³¥]§t2®ÚÁa¦V¿ûµ¬¡]¾î¦V°Å¤O¿ûµ¬ª½®|¤p©ó 6.5mm¡^©Î¤T®ÚÁa¦V¿ûµ¬¡]¾î¦V°Å¤O¿ûµ¬ª½®|¤j©ó 6.5mm¡^¡FY¬°¥»±ø²Ä¥|´Ú¤§±¡ªp¡A¨ä³Ì¤p¿ûµ¬¼Æ¥ØÀ³¼W¥[¤@®Ú¡C
²Ä¤K¤Q¤T±ø
¹wÀ³¤O¿ûµ¬¤§«÷±µ
¹wÀ³¤O¿ûµ¬¤§«÷±µÀ³³z¹L©Ò±Ä¥Î¤§¹wÀ³¤O¨t²Î¤©¥H¯S§O³B²z¡C
²Ä¤G³¹
¦³Ãöµ²ºcºc¥ó¤§³W©w
²Ä¤@¸`
¼Ù
²Ä¤K¤Q¥|±ø
¼Ù¤§Áa¦V³Ì¤j¤Î³Ì¤p°tµ¬¶q
¤@¡B¼Ù¤§Áa¦V©Ô¤O°tµ¬²v £l À³¤£¤Ö©ó²Ä¤»¤Q±ø©Ò¥Ü¤§±ø¥ó¡A¥ç¤£¤Ö©ó¥H¤U¡G
| 0.25 | ·í±Ä¥ÎA235¿ûµ¬¡F | 
| 0.18 | ·í±Ä¥ÎA335¿ûµ¬¡F | 
| 0.15 | ·í±Ä¥ÎA400¿ûµ¬¡F | 
| 0.12 | ·í±Ä¥ÎA500¿ûµ¬¡C | 
°tµ¬²v«Y®Ú¾Ú¥H¤UÃö«Y¦¡©Ò©w¸q¡G
ρ = As / ( bt d ) x 100
¤G¡B¼Ù¤§Áa¦V©Ô¤O¤ÎÀ£¤O¿ûµ¬±¿n¡]³Ì¤j°tµ¬¶q¡^¤£À³¶W¹L¼ÙÁ`±¿n¤§4%¡C
²Ä¤K¤Q¤±ø
Áa¦V°tµ¬¤§ºIÂ_
¤@¡BY¯à½T«O©è¨ü¬ÛÃö¤§©Ô¤O¡A¼Ù¤§Áa¦V°tµ¬¥i³QºIÂ_¡C©Ô¤O¹Ï«Y±N MSd/ z ¤À§G¹Ï¤Î¼Ù¶b¥¦æ¤è¦V¥²¾¦Ó¦¨¡A¦¹³B MSd «Y¦b¤@¤wª¾ºI±¤W¤§³]p¥~¥[Ås¯x¡A¦Óz«Y¸ÓºI±¤§¤º¤O¤OÁu¡]¹Ï¤Q¤C¡^¡C
¥²¾Èal µø¥~¥[³]pÈVSd°Å¤O°tµ¬ºØÃþ¦Ó©w¡A«ö·Ó¥H¤U«ü¥Ü¨ú¥Î¡G
¦b Vsd ≤2/3VRd2°Ï°ì¤º¡G
al= d ±Ä¥Î««ª½ãTµ¬¡F
al= 0.75d ±Ä¥Î««ª½ãTµ¬¥[45o±×µ¬¡F
al= 0.5d ±Ä¥Î45o±×µ¬¡F
¦bVSd > 2/3VRd2°Ï°ì¤º¡G
¤W±©Òz¤§È¥i´î¤Ö0.25d¡C
²Ä¥|¤Q¤C±ø¤¤¤w«ü¥X¤W±¤½¦¡¤§τRdÈ¡A¦P®É¥ç«ü¥X bw ¤Îd¤§©w¸q¡C

¹Ï¤Q¤C¡GÁã©Tªø«×
¤G¡B°tµ¬¥i¥H¦b¹Ï¤Q¤C¤¤¡]b¡^¤§¤¤¶¡¦ì¸m¨ú®ø¡A¸Ó°tµ¬À³«ö¨äÁã©Tªø«×©µªø¡A´¶³q¿ûµ¬¤Î²k±µ¿ûµ¬¤§Áã©Tªø«×¤À§O¦b²Ä¤C¤Q¤C±ø¤Î²Ä¤C¤Q¤K±ø¤¤»¡©ú¡C
¤T¡B·í¨ú®ø¤§Áa¦V¿ûµ¬¥Î§@§Ü¿m°Å¤O¤§±×Åsµ¬®É¡A¦b¶É±×³¡¤À¥~À³«ö²Ä¤C¤Q¤C±ø©Ò«ü¤§Áã©Tªø«×©µªø¡F¸ÓÁã©Tªø«×¦b¼Ù¤§¨ü©Ô°Ï©Î¨üÀ£°Ï¤À§OÀ³¼W¥[©Î´î¤Ö30%¡C
²Ä¤K¤Q¤»±ø
¤ä©Ó¤§Áa¦V°tµ¬
¤@¡B¦b©TºÝ¤ä©Ó¡]©Î³sÄòºÝ¤ä©Ó¡^¡A°tµ¬»Ýn©Ó¨ü©TºÝÅs¯x©Ò³y¦¨¤§©ÔÀ³¤O¡A¨äÁã©Tªø«×À³°Ñ·Ó²Ä¤C¤Q¤C±ø¤Î²Ä¤C¤Q¤K±ø¡A¥Ñ¶ZÂ÷¤ä©Ó¤º±¤§¤@ºI±¶}©lpºâ¡A¸ÓºI±¶ZÂ÷¨ú¥H¤U¤§¸û¤pÈ¡G¤ä©Ó¼e«×¡A©Î¼Ù¦³®Ä²`«×¤§¨â¿¡C
¤G¡B¶i¤J¼Ù¤ä©Ó¤º¤§°tµ¬¡]µL§ïÅܤè¦V¡^À³¤£¤Ö©ó¥Ñ¸ó¤ºÅs¯x³Ì¤j©ÔÀ³¤On¨D¤U¿ûµ¬¶q¤§1/4¡F¸Ó¿ûµ¬¤§Áã©TÀ³«ö¥H¤U©Ò³W©w¤§¼Ð·Ç¶i¦æ¡G
a¡^ ¦b¦Û¥Ñ±ÛÂà¤ä©Ó¡]©Î®z©TºÝ¤ä©Ó¡^¡Aª½±µ¤ä©Ó¤§Áã©T¿ûµ¬À³¥Ñ¤ä©Ó¤º±¶}©l¡A¦Ó²±µ¤ä©Ó«hÀ³¥Ñ¤ä©Ó¤º±¶ZÂ÷1/3¤ä©Ó¼e«×¤§ºI±¶}©l¡]¨£²Ä¤E¤Q¤@±ø¡^¡CÁã©Tªø«×À³«ö²Ä¤C¤Q¤C±ø¤Î²Ä¤C¤Q¤K±øpºâ¡A¿ûµ¬©Ò¨ü©Ô¤OFs¬°¡G
Fs = VSd al/ d
¦¹³B¡G
VSd ¤ä©Ó¤W³]p¥~¥[°Å¤OÈ¡F
al °Ñ·Ó²Ä¤K¤Q¤±ø¤§¥²¾¡C
µL½×¦p¦ó¡A¥Î¸Ópºâ¤èªk¦bª½±µ¤ä©Ó¤W©Ò±o¤§Áã©Tªø«×¥i´î¤Ö1/3¡A¦ýÀ³«O¯d²Ä¤C¤Q¤K±ø¹ï¿ûºõ¤§³Ì§Cn¨D©Î²Ä¤C¤Q¤C±ø²Ä¥|´Ú¹ï¿ûµ¬¤§n¨D¡A¦b¦¹¥uÀ³»P©Ò«ü¥Ü¤§³Ì¤pÈ10Φ§@¤ñ¸û¡F
b¡^ ¦b©TºÝ©Î³sÄòºÝ¤ä©Ó¡AÁã©TÀ³º¡¨¬¤W±¦³Ãöª½±µ¤ä©Ó¤§¼Ð·Ç¡CY¦b³sÄòºÝ³¡¤À¤§¿ûµ¬À³µL¶¡Â_¦a¥Ñ¤@¸ó³q¹L¤ä©Ó¨ì¹F¥t¤@¸ó¡C
²Ä¤K¤Q¤C±ø
°Å¤O°tµ¬
¤@¡B¼ÙÀ³¦b¥þ¸ó¤W¥Î¥]³ò¨ä°ª«×¤§ãTµ¬¥[©T¡A¥[©TÀ³¥]¬AÁa¦V¨ü©Ô¿ûµ¬¤Î¡]³Q¦Ò¼{¬°¦³©ÓºI¤O®É¤§¡^¨üÀ£¿ûµ¬¡C
ãTµ¬¤§ºÝ³¡À³¥HÅs¹_¬°²×µ²¡A°ª´¤»q¤Oºõµ¬±o±Ä¥ÎÅs¦±µ¬¡F¸ÓÅs¹_¤ÎÅs¦±µ¬À³«ö²Ä¤C¤Q¤K±ø¤§«ü¥Ü§@³]p¡C
ãTµ¬¨â¬Û¾FªÏ¤§¶ZÂ÷À³¤£¤j©ó¼Ù¦³®Ä°ª«×©Î600 mm¡FãTµ¬³Ì¤p°tµ¬²v©M³Ì¤j¶¡¶ZÀ³¿í·Ó¥H¤U´XÂI¤¤©w¥ß¤§±ø¥ó¡C
¤G¡B¤@¯ë±¡ªpãTµ¬²v£lWÀ³¤£¤Ö©ó¡G
| 0.16 | ·í±Ä¥ÎA235¿ûµ¬®É¡F | 
| 0.12 | ·í±Ä¥ÎA335¿ûµ¬®É¡F | 
| 0.10 | ·í±Ä¥ÎA400¿ûµ¬®É¡F | 
| 0.08 | ·í±Ä¥ÎA500¿ûµ¬®É¡C | 
¸Ó°tµ¬²v¥Î¥H¤UÃö«Y¦¡§@©w¸q
| £lw = | 
			 
				Asw 
			 | 
			x 100 | 
| bws sin £\ | 
¦¹³B¡G
Asw ãTµ¬ªÏ³¡ºI±±¿nÁ`©M¡F
bw ¼Ù¸¡¼e«×¡A«ö²Ä¥|¤Q¤C±ø¦Ò¼{¡F
s ãTµ¬¶¡¶Z¡F
α ãTµ¬»P¼Ù¶b©Ò¦¨¨¤«× (45o<α<90o)¡C
Y¤w½T©w¦b¼Ù¤§¬Y³¡¦ì¤W VSd < VRd1¡A¤Wz¤§³Ì¤p°tµ¬²v±o¼¤W VSd / VRd1§@§é´î¡F¦¹³BVSd «Y³]p¥~¥[°Å¤O¦Ó VRd1 ¦b²Ä¥|¤Q¤C±ø²Ä¥|´Ú¤¤»¡©ú¡C
¤T¡B·íãTµ¬»P¼Ù¶b¦¨ª½¨¤®É¡AãTµ¬¶¡¶ZsÀ³¿í·Ó¥H¤U±ø¥ó¡G
¦bVSd ≤1/6VRd2³¡¦ì®É¡G
s ≤0.9 d¡F³Ì¤j¤£¶W¹L300 mm¡F
¦b1/6VRd2 <VSd <2/3VRd2®É¡G
s ≤0.5 d¡F³Ì¤j¤£¶W¹L250 mm¡F
¦bVSd > 2/3VRd2³¡¦ì®É¡G
s ≤0.3 d¡F³Ì¤j¤£¶W¹L200 mm¡C
¤W±¤½¦¡VRd2È«ö²Ä¥|¤Q¤C±ø¨ú¥Î¡C
·íãTµ¬»P¼Ù¶b¶É±×¦¨α¨¤®É¡A¥H¤W©Ò«ü¤§ãTµ¬¶¡¶Z¥i³z¹L (1+cotg α)¤©¥HÂX¼e¡A¦ýµL½×©ó¥ô¦ó±¡ªp¤U¡AãTµ¬¶¡¶Z§¡¤£¯à¶W¹L300 mm¡C
¥|¡B·íãTµ¬¶¡¶Z²Å¦Xªí¤Q¤©Ò¥Ü¤§n¨D®É¡A¦]°Å¤O¦Ó¾ÉP¤§¶}µõ¥iµø§@¤w¾A·í¨ü±±¨î¡C·í3VRd1>VSd®É¡Aºc¥ó¤£¶·¨ä¥¦¥ô¦óÅçµý¡A¦]¬°¦b¸Ó¨Ï¥Î¤§²ü¸ü¤U¡A°Å¤O¤£¾ÉP¶}µõ¡C
ªí¤Q¤¡@ãTµ¬¶¡¶Z
| (VSd-3VRd1) / ρwbwd (MPa) | ãTµ¬¶¡¶Z (mm) | 
| ≤50 | 300 | 
| 75 | 200 | 
| 100 | 150 | 
| 150 | 100 | 
| 200 | 50 | 
¤¡B±×Ås°Å¤Oµ¬¦b¥i¯à±¡ªp¤U¡AÀ³¦bÅs¦±±¤W¹ïºÙ¦aÂ\©ñ¡A³Ìªñºc¥ó¨â°¼¤§¿ûµ¬¤£¥Î§@±×Åsµ¬¡C±×Åsµ¬³Ì¤jÁa¦V¶¡¶ZsÀ³¤£¤j©ó0.9d (1+cotg α)¡C¦Ó·íVSd ¤j©ó (2/3) VRd2®É¡A¸Ó¶¡¶ZÀ³´î¥b¡C
²Ä¤K¤Q¤K±ø
§á¤O¿ûµ¬
§á¤O¿ûµ¬À³¥Î«ö²Ä¤K¤Q¤@±ø«÷±µ¤èªk©Ò±o¤§ºò³¬¦¡ãTµ¬¡F¨ä¶¡¶ZÀ³¤£¶W¹L¡]1/8¡^Uk¡]¦¹³BUk«Y²Ä¥|¤Q¤E±ø¤¤©w¸q¤§©P¬É¡^©Î300 mm¡C
§á¤OÁa¦Vµ¬À³©ñ¸m¦bãTµ¬¤º¤§½ü¹ø½u¤W¡A¨ä³Ì¤j¶¡¶Z¬°350 mm¡F¦b½ü¹ø½u¤W¤§¨C¤@¨¤À³©ñ¸m¤£¤Ö©ó¤@®Ú¿ûµ¬¡C
²Ä¤K¤Q¤E±ø
¼Ù¸¡°tµ¬
·í¼Ù°ª¶W¹L1m ®É¡AÀ³¦b¼Ù¸¡¨â°¼©ñ¸mÁa¦V¿ûµ¬¡A¤À§G©ó¾î¤Á±¤§°ª«×¤W¡A¸û¨Î¿ï¾Ü©ñ¦b¨ü©Ô°Ï°ì¤º¡C
¦b¼Ù¸¡¤§¿ûµ¬À³»PÁa¦V¨ü©Ô¿ûµ¬¤§ºØÃþ¬Û¦P¡A¦Ó¨C¤@Ãä¨äÁ`±¿nÀ³¤£¤Ö©ó¦b¸Ó±¤¤Áa¦V¿ûµ¬±¿n¤§4%¡C
²Ä¤E¤Q±ø
³s±µ¼ÙÁl»P¼Ù¸¡¤§¿ûµ¬
¨ü©Ô©Î¨üÀ£¤§Ál¼ÙÀ³©ñ¸m³s±µ¼ÙÁl»P¼Ù¸¡¤§¿ûµ¬¡A¤À§G¦b¼ÙÁl««ª½³s±µ±¤§¤è¦V¡A¥ç§Y¥¦æÅs¦±±¤§¤è¦V¡C
¸Ó¿ûµ¬À³½T«O©è¿m¦]ªuµÛ³s±µ±¤§°Å¤O©Ò¥Í¤§Áa¦V¤O¡C
¦b´¶³q±¡ªp¤U¡A·í¼ÙÁl¸ò¼Ù¸¡¤§²V¾®¤g«Y¤@°_¼åª`®É¡A¥i¬A§K¸Ó¿ûµ¬¤§¯S©w³]p¡A¦Ó¥u»Ý¨ú¨äÂ_±±¿n¤£¤Ö©óÁ`ãTµ¬±¿n¤§¤@¥b¤Î¦³¬Û¦P¤§¶¡¶Z¡C
·í¼ÙÁl¦b««ª½¼ÙÅs¦±±¤§¥±¤W¨üÅs¯x¤O®É¡A¸ÓÅs¯x¤O©Ò±o¤§¿ûµ¬¥i¥Î§@³s±µ¤§¿ûµ¬¡C
²Ä¤E¤Q¤@±ø
Äa««°tµ¬¡B«Dª½±µ¤ä©Ó
¤@¡B«Dª½±µ¤ä©Ó¡]¦¸¼Ù¦b¥D¼Ù¤W¤§¤ä©Ó¡^¡A·í¨â±ø¼Ù¤¬¬Û³e¬ï®É¡AÀ³¦b¥D¼Ù¤W¥HÃB¥~¤§ãTµ¬§@Äa««¿ûµ¬¡A¨äºI±¨¬°÷©è¿m¦¸¼Ù©Ò¬I¤§¤ä©Ó¤O¡C¸ÓãTµ¬À³¤À§G¦b¨â±ø¼Ù¬Û¥æ¤§½d³ò¤º¡A½d³ò¥Ñ¥D¼Ù°_¡F©µ¦ù¦b¦¸¼Ù¶b¨âÃä¡A¨CÃä¤@ªø«×¬Ûµ¥¥H¤U¸û¤j¤§È¡Gb2/2¤Îh1/2¡Ab2«ü¦¸¼Ù¼e«×¡A¦Óh1«h«ü¥D¼Ù°ª«×¡C
·í¥D¼Ù±¤Î¦¸¼Ù±¦b¦P¤@¤ô¥®É¡AÄa««ãTµ¬±¿n¥i«ö¦¸¼Ù¤Î¥D¼Ù¤§°ª«×Ãö«Yh2/h1¨Ó´î¤Ö¡C
²×µ²©ó¥D¼Ù¤§¦¸¼ÙÁa¦V¿ûµ¬À³«ö²Ä¤K¤Q¤»±ø©Ò«ü¤§³W©wÁã©T¡A·íÁã©T±Ä¥ÎÅs¦±µ¬®É¡A©ÒÅs¤§¤@Â_ªø«×À³¤£©ñ¸m¦b««ª½¥D¼ÙÁa¦V¿ûµ¬¤è¦V¥±¤W¡C
¤G¡B·í²ü¸ü¬I¥[©ó¼Ù¤U³¡¡]Äa««²ü¸ü¡^¡AÀ³¥Ñ¼Ù¤W³¡©ñ¸mÄa««¿ûµ¬±N¬I¥[²ü¸ü°Ï³s±µ¡A¸Ó³B¥çÀ³¦³®Ä¦aÁã©T¡CÄa««¿ûµ¬Â_±±¿nÀ³³]p¯à©è¿m¥þ³¡¦³Ãö¤§²ü¸ü¡C
²Ä¤E¤Q¤G±ø
©è¿m¤è¦V§ïÅܤO¤§°tµ¬
¦]¤ºÀ£À³¤O©Î©ÔÀ³¤O¤è¦V§ïÅܰϰ첣¥Í«ü¦Vºc¥ó¥~±¤§¤O¡]¤è¦V§ïÅܤO¡^À³¾A·í¦a¥H¿ûµ¬¨Ó©è¿m¡C
ª`·N¦b±`³W¤W¡A¦b¨üÀ£¤§¥Y¨¤Âà§éÂI¤Î¨ü©Ô¤§¥W¨¤Âà§éÂI³£·|¥X²{¤è¦V§ïÅܤO¡C¦b³o³Ì«á±¡ªp¡A¸Ó¤è¥i¥Ñ¦b§ïÅܤè¦V°Ï¬Û¥æ¤§¨ü©ÔÁa¦V¿ûµ¬©è¿m¡A¸Óµ¬¨ÃÀ³¾A·í¦a±q¸Ó°Ï°_©µ¦ù¡C
²Ä¤G¸`
¹ê¤ßªO
²Ä¤E¤Q¤T±ø
³Ì¤p«p«×
¤@¡B¹ê¤ßªO¤§«p«×¤£¯à¤p©ó¥H¤U¤§È¡G
- 50mm«D¨Ï¥Î¼ÓªO¡F
 - 70mm¥Dn©Ó¨ü¤À§G²ü¸ü¤§ªO¡F
 - 100mm©Ó¨ü¤ñ¸û«n¶°¤¤²ü¸ü¤§ªO¡F
 - 120mm©Ó¨ü¤Q¤À«n¶°¤¤²ü¸ü¤§ªO¡F
 - 150mmª½±µ¤ä©Ó¬Wºc¥ó¤§ªO¡C
 
¤G¡BÄݤW´Ú±¡ªp¤Î«ö²Ä¤»¤Q¤C±ø¤Î²Ä¤»¤Q¤K±ø§@°ò¦¤§¯S§O§P©w¥H¥~¡AªO«p«×À³²Å¦Xªí¤Q¤G©Ò«ü¥Ü¤§±ø¥ó¡C
²Ä¤E¤Q¥|±ø
³Ì¤p¥D¿ûµ¬
ªO¥Dµ¬²vÀ³¤£¤p©ó²Ä¤K¤Q¥|±ø¦³Ãö¼Ù¤§³Ì¤p°tµ¬²v¡C
¦b¨âÓ¤è¦V³£°tµ¬¤§ªO¡A¥»±ø¤§±ø¥ó¾A¥Î©ó¨â¥Dµ¬¤§¨C¤@¤è¦V¡C
²Ä¤E¤Q¤±ø
¥D¿ûµ¬¤§³Ì¤j¶¡¶Z
¤@¡B´¶³q¿ûµ¬¬°¥Dµ¬¤§³Ì¤j¶¡¶ZÀ³¤£¤j©óªO«p¤§1.5¿¡A¥ç¤£¤j©ó350mm¡C
¤G¡B°£¤W´Ú¤§±¡ªp¥~¡A³q±`¿ûµ¬¤§³Ì¤j¶¡¶Z¥çÀ³¤£¶W¹L²Ä¤»¤Q¤@±ø¦³Ãö¼Ù¤§³Ì¤jȤ§¨â¿¡A°£«D¦³¥H²Ä¤»¤Q¤T±ø¤Î²Ä¤»¤Q¤±ø§@°ò¦¤§¯S§O§P©w¡C
²Ä¤E¤Q¤»±ø
¿ûµ¬ºIÂ_¡A¤ä©Ó¤W¤§¿ûµ¬
¹ê¤ßªO¥Dµ¬¤§ºIÂ_¤Î©ó¤ä©ÓºÝ«á¤§©µªø»PÁã©T¤À§On¬Û¦P¦a¿í¦u²Ä¤K¤Q¤±ø¤Î²Ä¤K¤Q¤»±ø¦³Ãö¼Ù¤§·Ç«h¡CµL½×¦p¦ó¡A«ö²Ä¤K¤Q¤»±ø²Ä¤G´Ú©µªø¤§¿ûµ¬À³¤£¤Ö©ó¸ó¤º³Ì¤j¨ü©Ô¿ûµ¬¤§1/2¡A¦P¼Ë¦a¥Î¦b¦Û¥Ñ±ÛÂà¤ä©Ó¡]©Î®z©TºÝ¤ä©Ó¡^¤Î©TºÝ©Î³sÄò¤ä©Ó¤W¡C¥t¤@¤è±¡A¹ï¤£³]°Å¤O¿ûµ¬¤§ªO¡A²Ä¤K¤Q¤±ø²Ä¤@´Ú©Òz¤§¥²¾alÀ³¨ú¬°1.5d¡C
²Ä¤E¤Q¤C±ø
°Å¤O¿ûµ¬
¤@¡B¦bªO»Ý©ñ¸m§Ü°Å¤O¿ûµ¬¤§³¡¦ì¡A¸Ó°tµ¬²vÀ³¤£¤Ö©ó²Ä¤K¤Q¤C±ø²Ä¤G´Ú©Ò«ü¥Ü¤§ªOãTµ¬È¡A§Y¨Ï¦b±¡ªp¤U¥i¥Î¤W±×Åsµ¬¡C
·í¦bªO³¡¦ì¤§¨C³æ¦ìªø«×°Å¤O VSd¤£¶W¥X¡]1/3¡^τRd¡A°Å¤O¿ûµ¬¥i¥þ³¡±Ä¥Î±×Åsµ¬¡A¦¹³BτRd¨ú²Ä¥|¤Q¤C±ø©Ò«ü¥Ü¤§È¡C¦bVSd ¶W¥X¸ÓȤ§³¡¦ìÀ³¥HãTµ¬¬°°Å¤O¿ûµ¬¤§¤@³¡¤À¡AãTµ¬¶q¤£¤Ö©ó«ez³Ì¤p°tµ¬²v¡C
¤G¡B°Å¤O¿ûµ¬¤§³Ì¤j¶¡¶ZÀ³¦p¤U¡G
¦b¸ó¤§¤è¦V¡G45o±×Åsµ¬¥Î1.2d¡Aª½ãTµ¬¥Î0.6d¡F
»P¸ó¾î¤Á¤§¤è¦V¡G1.5d¡A³Ì¤j¬°600mm¡A¦P¼Ë¦a¥Î©ó±×Åsµ¬¤ÎãTµ¬¡C
²Ä¤E¤Q¤K±ø
³æ¦VªO¤§¤À§G¿ûµ¬
¤@¡B¹ê¤ßªO¦b³æ¤è¦V°tµ¬À³©ñ¸m¨¬°÷¤§¤À§G¿ûµ¬¡A¤À§G¶¡¶Z¤£¤j©ó350 mm¡C
¦bªO«D¨ü²ü¸ü¤§¥t¤@±¡AÀ³¦bªøÃ䤧¤è¦V©ñ¸m¿ûµ¬¡A¨ä±¿nÀ³¦Ü¤Ö¬Ûµ¥¤w°t¥Dµ¬¤§20%¡C¦bÄaÁuªO¡A¸Ó°tµ¬²vÀ³°Ñ·Ó¦b©TºÝ¤§¥Dµ¬±¿n¡A¦¹¥~¦b±µ¦X¤§¦P¤@±¤W¡A©óµuÃ䤧¦V©ñ¸m¿ûµ¬¡C
¦bªO¨ü²ü¸ü¤§¤@±°t¦³¥Dµ¬¡AÀ³¦b»P¨ä¾î¤Á¤§¤è¦V©ñ¸m¤À§G¿ûµ¬¡A¤Î¿í·Ó«ez¤§¤@¯ën¨D¡C
¤G¡B·í¦³»PªO¥Dµ¬¥¦æ¤§©TºÝ©Î³sÄò¤ä©Ó®É¡]¨Ã¤£¦Ò¼{¦³³]p¤§°²³]¤º¡^¡AÀ³¦b¸Ó¤ä©Ó¤§¾î¤Á¤è¦V»PªO±µ¦X¤§¤WÃä©ñ¸m¤@¨¬°÷©è§Ü©Ò²£¥Í¥~¤O¤§¿ûµ¬¡C¸Ó¿ûµ¬¥Ñ¤ä©Ó°_pºâ¤§ªø«×À³¦Ü¤Ö¬Ûµ¥1/4¬ÛÀ³¥Dµ¬¤è¦V¤§¸óªø¡C
¤T¡B·í¦s¦b¶°¤¤²ü¸ü®É¡An¦P®Éª`·N²Ä¤@¦Ê¹s¤@±ø¤º¤§³W©w¡C
²Ä¤E¤Q¤E±ø
¦Û¥ÑÃ䤧°tµ¬
¦bªO¤§¦Û¥ÑÃä¤WÀ³©ñ¸m¿ûµ¬¡A¥]¬A³Ì¤Ö¨â±ø¿ûµ¬¡A¨CªO¨¤©ñ¤@±ø¡A¤Î¥t¤@¿ûµ¬©ñ¸m¦b¾î¤Á¦Û¥ÑÃä¤è¦V±qªO¨â±Àô¶¦bªO¨¤¤§¿ûµ¬¡A¨äªø«×³Ì¤p¬Ûµ¥ªO«p¤§¨â¿¡C
¸Ó¾î¦V¿ûµ¬¦b¨C¤@±¤§ºI±±¿n¡A¥Hcm2/mpºâ¡A¥ÎA235¯Å§O¿ûµ¬®É¤£¤Ö©ó0.05d¡A¥ÎA335¡BA400©ÎA500¯Å§O®É¤£¤Ö©ó0.025d¡Ad«üªO¤§¦³®Ä°ª«×¡A¥H¤½¤Àpºâ¡F¸Ó¿ûµ¬¶¡¶ZÀ³¤£¶W¹L350mm¡C
¨ä¥Lì¥ý¤w°t¸m¦bªO¤º¤§¿ûµ¬¥i§@¬°²Õ¦¨¦Û¥ÑÃ䤧°tµ¬¡C
²Ä¤@¦Ê±ø
¨R¤Á¿ûµ¬
¨R¤Á¿ûµ¬¡A¥HãTµ¬©Î±×Åsµ¬²Õ¦¨¡AÀ³¤À§G²ü¸üª½±µ¦bªO¤W±¿n¤§©P½u»P¤@¦ì©ó¶ZÂ÷ 1.5d ¤§¥~©P½u¤§¶¡¤§©Ò¦³½d³ò¤º¡A¦Ó°tµ¬¥»¨¤§¶¡¤§¶¡¶Z¦b¥ô¦ó¤è¦VÀ³¤£¤j©ó0.75d¡C
¥Î±×Åsµ¬®É¡A©w¸q¸Ó¥~©P½u¤§ 1.5d ¶ZÂ÷À³«Y«ü¿ûµ¬»PªO«p¤¤¶¡¬Û¥æ¤§ÂI¡F¦¹¥~¡A¥uÀ³¦Ò¼{»P²ü¸üª½±µ¦bªO¤W¤§±¿n½d³ò¤º¬Û¥æ¤§¿ûµ¬¤§®Ä¥Î¡C
²Ä¤@¦Ê¹s¤@±ø
¨ü¶°¤¤²ü¸ü¤U³æ¦VªO¤§°tµ¬
¤@¡B¨S¦³±Ä¥Î¤@§óºë½T¤§¤ÀªR®É¡A¦]¶°¤¤²ü¸ü¦Ó¦b³æ¦VªO©Ò²£¥Í¤§Ås¯x¡]¸ó¤¤¤Î¤ä©Ó¡^»P¤ä©Ó°Å¤O¥i¥Î¤@¬Û¦P¸ó«×¤Î¤ä©Óª¬ªp¤§¼ÒÀÀ¼Ù¨Ópºâ¡A¼Ù°ª¬°ªO«p¡A¦Ó¼Ù¼ebm¡]¹Ï¤Q¤K¡^¬Ûµ¥©ó¤U±©w¸q¤§²ü¸ü¤À§G¼e«×b ¥[¤W¥Ñªí¤Q¤»¤½¦¡©Ò¥]¬A¤§¼e«× b1¡C¥»pºâ¤èªk¤w°²³]¶°¤¤²ü¸ü»P¥¦æµu¸ó¤§Ãä«Y¦³¨¬°÷¤§¶ZÂ÷¡C

¹Ï¤Q¤K¡@³æ¦VªO¶°¤¤²ü¸ü
¶°¤¤²ü¸ü¤À§G°Ï«Y°²³]±q²ü¸ü±¿n©P½u¹º¤@45o½u¡A¦ÜªO¤@¥b¤§¦³®Ä°ª«×¤§±¤W©Ò±o¡F¦b¨C¤@¤è¦V¡A¤À§Gªø«×b«Y¡G
b = a + 2h1 + d
¦¹³B¡G
a²ü¸ü±¿n¦b¸Ó¤è¦V¤§ªø«×¡F
h1²ü¸ü±¿n¤UÂл\¼h¤§«p«×¡F
dªO¦³®Ä°ª«×¡C
¤G¡B¶°¤¤²ü¸ü¤U¤§³æ¦VªO¤§©Ò¦³¥Dµ¬À³©ñ¸m¦b¤@¬Ûµ¥0.5bm¤§¼e«×¡A¦ý¤£¤Ö©ó²ü¸ü¤À§G¼e«×by¢X
¦b¨S¦³¤@Ó§óºë½T¤§pºâ¤U¡A¥çÀ³©ñ¸m¾î¦V¤À§Gµ¬©óªO«D¨ü²ü¸ü¤§¤@±¡A¨äÁ`ºI±±¿n¬Ûµ¥©ó²ü¸ü¦b¸Ó½d³ò¤º¤§¥Dn§ÜÅs°tµ¬¤§60%¡A©ñ¸m¦b¤@¬Ûµ¥ 0.5bm ¦ý¤£¤Ö©óbx¤§¼e«×¤º¡C¸Ó°tµ¬À³¦ù®i©óbm¤§ªø«×¤º¤Î¦b¨C¤@ºÝ«öÁã©Tªø«×©µªø¡C
¦bÄaÁuªO¤W¡A¤À§G¿ûµ¬¤§©w¸qÀ³«ö²ü¸ü§@¥Î¤U©TºÝ©Ò¶·¤§¥Dµ¬¤§60%¡CY²ü¸ü«Y¦b»·Â÷ÄaÁuªO¤§¥~Ãä®É¡AÀ³¦b¸Ó³B¤Î¥ç¦bªO«D¨ü²ü¸ü¤§¤@±©ñ¸m¤@Áa¦V¿ûµ¬¡A§@¬°©è§Ü§½³¡¦b¸Ó¤è¦V²£¥Í¤§Ås¯x¡C
ªí¤Q¤»¡@¶°¤¤²ü¸ü¦bªO¤W¤§¤À§G¼e«×b1È
²Ä¤T¸`
®æ¤lªO
²Ä¤@¦Ê¹s¤G±ø
Á`«h
¥H¤U©Ò¸ü¤§³W«h«Y¥Î¦b¥Dn¦b³æ¤@©Î¨â¥¿¥æ¤è¦V³]¦³¦Ø©Ò²Õ¦¨¤§ªO¡A¥H¨üÀ£ªOÁl§@¾d©T¡A¥ç¥]¬A¥H¼ÒªO¶ô§@¾d©T¡C
²Ä¤@¦Ê¹s¤T±ø
³Ì¤p«p«×
°£«D¦³²Ä¤»¤Q¤C±ø¤Î²Ä¤»¤Q¤K±ø¬°°ò¦§@¯S§O§P©w¥~¡A®æ¤lªO¤§«p«×À³º¡¨¬²Ä¤E¤Q¤T±ø²Ä¤G´ÚÃö©ó¹ê¤ßªO¤§±ø¥ó¡C
²Ä¤@¦Ê¹s¥|±ø
¦Ø¼e¤Î¶¡¶Z
¤@¡B¦Ø¤§³Ì¤p¼e«×À³¤£¤Ö©ó 50 mm¤Î¨â³s±µ¦Ø±¤§¶¡¤§²b¶ZÂ÷À³¤£¶W¹L 800 mm¡C
¤G¡B³æ¦VªOÀ³©ñ¸m¾î¦V¦Ø¡A¦Ø¼e¤£¤Ö©ó50mm¦Ó¨â¦Ø¶b¶ZÂ÷¤£¤j©ó¤Q¿ªO«p«×¡F¦Ø°ª«×À³¤£¤Ö©ó0.8¼ªO«p«×¡C
²Ä¤@¦Ê¹s¤±ø
ªOÁl³Ì¤p«p«×
¤£¥]¬A¼ÒªO¶ô¦b¨ä²Õ¦¨¤§ªOÁl«p«×À³¤£¤Ö©ó 50 mm¡F·í¥]¬A¦³¼ÒªO¶ô¦Ó¦Ø¶¡¶ZÂ÷¤Ö©ó500 mm®É¡A¸Ó«p«×¥i´î¬° 40 mm¡C
¦b¤@¯ë«Î¦t¦aªO¡A©Ò¨ü«Y¤¤µ¥¤§¤À§G²ü¸ü®É¡A¤Wz¤§³Ì¤pªOÁl«p«×³q±`¨¬°÷µý©úªOÁl±j«×¥H½T«O±N¥~¤O¶Ç°e¨ì¦Ø¤§¥\¯à¡C·í¨ü°ª¤À§G²ü¸üȩΫn¤§¶°¤¤²ü¸ü®É¡A»Ýn±Ä¥Î¶W¹L©Ò«ü¥Ü¤§³Ì¤p«p«×¡C
²Ä¤@¦Ê¹s¤»±ø
¦Ø¤§°tµ¬
¤@¡B¦ØÁa¦V¤Î°Å¤O°tµ¬À³º¡¨¬¥»³¹A³¡¤À©Òz¦³Ãö¼Ù¤§n¨D¡C
¤G¡B¾d©T³æ¦VªO¤§¾î¦V¦ØÀ³¦bÁa¦V³]°tµ¬¡A©ñ¦b«D¨ü²ü¸ü¤§¤@±¡F°tµ¬ºI±À³¦Ü¤p¬Ûµ¥©ó¤@Â_»P¾î¦V¦Ø¶¡¶Z¬Û¦P¼e«×¤º¥D¦Ø°tµ¬ºI±¤§10%¡C¸Ó¦Ø¥çÀ³¦³¾A·í¶¡¶Z¤§ãTµ¬¡C
²Ä¤@¦Ê¹s¤C±ø
ªOÁl¤§³Ì¤p°tµ¬
ªOÁlÀ³¦b¨âÓ¤è¦V°tµ¬¡A¨ä¶¡¶Z¤£¶W¹L250 mm¡C
¦b³æ¦VªO¤W¡A©ñ¦b¥¦æ¥D¦Ø¤è¦V¤§¿ûµ¬¶¡¶Z¥i¼W¥[¦Ü350mm¡C
²Ä¥|¸`
¥ªO
²Ä¤@¦Ê¹s¤K±ø
Á`«h
¤@¡B¥ªO«üª½±µ¤ä©Ó©ó¬W¤W¤§³sÄòªO¡A¦b¨âÓ¤è¦V°tµ¬¡A¥ç©M¦b¸ó¤¤³¡¤À±N¨ä«¶q´î»´¡C
¤G¡B¸ÓÃþªO¥i¾A·í±Ä¥Î¥»³¹B¤ÎC³¡¹ê¤ßªO»P®æ¤lªO¤§¦³Ãö³W©w¡C
²Ä¤¸`
¬W
²Ä¤@¦Ê¹s¤E±ø
³Ì¤p¤Ø¤o
¤@¡B¬W¾îºI±¤§³Ì¤p¤Ø¤oÀ³¤£¤Ö©ó200mm¡C·íºI±«Y¥Ñ¯x§Î³¡¤À¦X²Õ¦Ó¦¨®É¡]¨Ò¦pT§Î¡BL§Î©Î I§Îµ¥¡^¡A¯x§Î³¡¤À¤§µuÃä¥i´î¦Ü150mm¡A¦ý¨C¯x§ÎªøÃä«h»Ý¿í·Ó³Ì¤p¤§200mm¡C
·íºI±«YªÅ¤ß®É¡AùÙ¾À«pÀ³¤£¤Ö©ó100mm¡C
¤G¡B«ö·Ó²Ä¤¤Q¤G±ø¡A¦b¥ô¦ó±¡ªp¤U¡A¬W¤§²Óªø«×¡]λ¡^À³¤£¤j©ó140¡C
²Ä¤@¦Ê¤@¤Q±ø
Áa¦V°tµ¬
¤@¡B¬WÁa¦V°tµ¬Á`ºI±¡A·í¥ÎA235¯Å§O¿ûµ¬®É¡AÀ³¤£¤Ö©ó¬WºI±¤§0.8%¡A·í¥ÎA335¡BA400¤ÎA500¯Å§O¿ûµ¬®É¡A«h¤£¤Ö©ó0.6%¡C
¦ýY²V¾®¤gºI±¥»¨¤w¨¬°÷ÃÒ©ú¦³¶W¥X³]p¥~¥[¤O¤§©è§Ü¤O®É¡A©Ò¥Î¤§³Ì¤p°tµ¬¥i´î¤Ö¡A¸Ó°tµ¬²v¤£°Ñ·Ó¬WºI±¦Ó«ö¤@µêÀÀºI±¶i¦æpºâ¡A¸ÓµêÀÀºI±»PìºI±¦³¬Û¦P¤§§Þ³N¯S¼x¡Aè¦n¦³½T«O¥~¥[¤O©Ò»Ý¤§©è§Ü¯à¤O¡Fpºâ¸ÓºI±®É¡A¦³Ãö®À¦±¤§¨t¼Æ¡A¥iÄ~Äò«ö·Ó¬W¤§¯u¥¿ºI±¨ú¥Î¡CµL½×¦p¦ó¡A¦b©Ò¦³±¡ªp¤U¡A·í¥ÎA235¯Å§O¿ûµ¬®É¡AÁa¦V°tµ¬Á`ºI±¤£¥i§C©ó¬W¯u¥¿ºI±¤§ 0.4%¡A¦Ó¥ÎA335¡BA400©ÎA500¯Å§O¿ûµ¬®É¡A«h¤£¥i§C©ó 0.3%¡C
¤G¡BÁa¦V°tµ¬Á`ºI±À³¤£¤j©ó¬WºI±¤§8%¡A¦b¿ûµ¬Å|±µ°Ï¤º¡A¥çÀ³¿í¦u¸Ó¬É¡C
¤T¡BÁa¦V°tµ¬À³¥]¬A³Ì¤p¦bºI±¤§¨C¤@¨¤¡]¥Y©Î¥W¡^©ñ¸m¤@®Ú¿ûµ¬¡A¦Ó¶ê§Î©ÎÃþ¦ü§Îª¬ºI±¡A©ñ¸m³Ì¤p6®Ú¿ûµ¬¡C¥ÎA235¡BA335¡BA400©ÎA500¯Å§O¿ûµ¬®É¡A¤Wz¿ûµ¬¤§³Ì¤pª½®|¬°l2mm¡C
¥|¡BÁa¦V¿ûµ¬¶¡¶ZÀ³¤£¤j©ó300mm¡F¦ý·í¨ä¼e«×¬Ûµ¥©Î¤Ö©ó400mm®É¡A¥i±N¿ûµ¬©ñ¸m¦b¨¤¶¨¡C
²Ä¤@¦Ê¤@¤Q¤@±ø
¾î¦V°tµ¬
¤@¡B¬WÀ³¦³¾î¦V°tµ¬¡A¥Øªº«Y±N²V¾®¤g³ò¶¤Îªý¤îÁa¦V¿ûµ¬®À¦±¡C
¾î¦V°tµ¬¶¡¶ZÀ³¤£¶W¥X¥H¤U³Ì¤p¤§È¡G
- ¡X¡XÁa¦V°tµ¬¤§³Ì¤pª½®|¤§¤Q¤G¿¡F
 - ¡X¡X¬WºI±¤§³ÌµuÃ䤨¤o¡F
 - ¡X¡X300mm¡C
 
¤G¡B·íÁa¦V°tµ¬±Ä¥Î¬Ûµ¥©Î¤j©óª½®| 25mm ¤§¿ûµ¬®É¡A¾î¦V°tµ¬¤§ª½®|À³¤£¤Ö©ó8mm¡C
¤T¡B¾î¦V°tµ¬§Îª¬À³¹ï¨C¤@Áa¦V¿ûµ¬´£¨Ñ¤ô¥¤è¦V¤§¤ä¼µ¡A¾î¦Vµ¬Â¶¹LÁa¦Vµ¬¤§¨¤¤£¤j©ó135oCYÁa¦Vµ¬¨Ã«D¦b¨¤¶¨¦ì¸m¤Î¦b¤Ö©ó 150mm ½d³ò¤º¹J¤W¥t¤@¤w²Å¦X¸Ó¼Ën¨D¤§Áa¦Vµ¬®É¡A¦³Ãö©Ò°Ñ·Ó¨¤«×¤§±¡ªp¥i§K°£¡F¦P®É¦b¶ê§Î©ÎÃþ¦ü§Îª¬ºI±¤§¬W®É¡A©Òz¤§¨¤«×n¨D¥ç¤£»Ý¿í¦u¡C
¥|¡B·í¬W«Y¦ì©ó»P¨ä¥¦ºc¥ó¡]¼Ù¡B¦a°ò¡^±µ³s¤§¦a¤è©Î¦bÁa¦Vµ¬§ïÅܤè¦V¤§½d³ò¡An¾A·í¦a¥Î¾î¦Vµ¬¥[±j¡A±N¨ä¶¡¶ZÁY²Ó©Î±N¨äª½®|¼W¥[¡F¸Ó¥[±jµ¬À³©µ¦ù©ó®Ø¬[¤§¾ãÓ°ª«×¤º¡C
¯d·N·í¥X²{¥Ñ¤£¦Pºc¥ó¦b¦P¤@³B¶Ç°e¥~¤O®É¡C¸Óµ²ºcÀ³¦b¿ûµ¬°t¸m¤Î³]pÆ[ÂI¤W¤p¤ß³B²z¡C
²Ä¤»¸`
ùÙ
²Ä¤@¦Ê¤@¤Q¤G±ø
Á`«h
ì«h¤W²Ä¤@¦Ê¤@¤Q¤T±ø¦Ü²Ä¤@¦Ê¤@¤Q¤»±ø¤§³W©w¾A¥Î©ó©Ò¦³Ãþ«¬¤§ùÙ¡A¨Ã¤£¨ü¨ä¥\¥Î¤è¦¡©Ò¼vÅT¡C¦ý¬O¡A¹ï©ó¦³¯S§O¥\¯à¤§Àð¡A¨Ò¦p«D±`³WùÙ©Î¥Dn¥Øªº«Y©Ó¨ü¬I¥[¦b¨ä¥±¤W¥~¤O¤§ùÙ¡]¤åÄm¤W«UºÙ°Å¤OùÙ¡^¡A¤@¯ën¿í·Ó¬I¤u¸É¨¬³W©w¡C
²Ä¤@¦Ê¤@¤Q¤T±ø
³Ì¤p«p«×
ùٳ̤p«p«×À³¤£¤Ö©ó100mm¡A¤Î¨ä«ö²Ä¤¤Q¤G±ø²Ä¤@´Ú©w¸q¤§²Óªø«×£fÀ³¤£¶W¹L120¡C
²Ä¤@¦Ê¤@¤Q¥|±ø
««ª½°tµ¬
¤@¡B·í¥ÎA235¯Å§O¿ûµ¬®É¡AùÙÁ`««ª½°tµ¬ºI±À³¤£¤Ö©óÀðºI±¤§0.4%¡A·í¥ÎA335¡BA400¤ÎA500¯Å§O¿ûµ¬®É¡A«hÀ³¤£¤Ö©ó0.3%¡C
¤G¡B««ª½°tµ¬Á`ºI±À³¤£¤j©óùÙºI±¤§4%¡C
¤T¡B««ª½¿ûµ¬À³¤À§G¦bùÙ¤§¨â±¡A¶¡¶Z¤£¤j©ó2¿ùÙ«p«×¡A³Ì¤j¬°300mm¡C
²Ä¤@¦Ê¤@¤Q¤±ø
¤ô¥°tµ¬
¤@¡BùÙ¨â±À³©ñ¸m¤ô¥°tµ¬¡A¦ì©ó««ª½¿ûµ¬¥~±¡F·íùÙ«p«×¬°b¡A¦b¤@°ª«×¬°a¤§ùÙ¡A¦b¨C¤@±¤§°tµ¬ºI±À³¤£¤Ö©ó¡G
| 0.001b a | ·í¥ÎA235¯Å§O¿ûµ¬¡F | 
| 0.0005b a | ·í¥ÎA335¡BA400©ÎA500¯Å§O¿ûµ¬¡C | 
¤G¡B¤ô¥°tµ¬¶¡¶ZÀ³¤£¤j©ó300mm¡C
²Ä¤@¦Ê¤@¤Q¤»±ø
³ò¶°tµ¬
·í««ª½°tµ¬¶W¹LùÙºI±¤§2%®É¡AÀ³¾A·í¦a«ö²Ä¤@¦Ê¤@¤Q¤@±ø¹ï¬W¨î©w¦P¼Ë¤§¼Ð·Ç±N¸Ó¿ûµ¬³ò¶¡A¤£¥]¬A¦³Ãö©Òz¤§¿ûµ¬¶¡¶Z±¡ªp¡A¸Ó¶¡¶ZÀ³¤£¶W¥X¥H¤U¤§³Ì¤pÈ¡G
- ¡X¡X¤Q¤»¿««ª½°tµ¬¤§³Ì²Óª½®|¡F
 - ¡X¡X¨â¿ùÙ«p«×¡F
 - ¡X¡X300mm¡C
 
²Ä¤C¸`
²`¼Ù
²Ä¤@¦Ê¤@¤Q¤C±ø
¥Dµ¬
±q³]p¼Ò«¬¤¤¦Ò¼{¤§©Ô±ì¡A¨ä¬ÛÃö°tµ¬À³§¹¥þÁã©T¡A¦bµ²ÂI«á±N¿ûµ¬Ås°_¡A¥ÎU-§ÎÅs¹_©Î¨ä¥¦Áã©T³]³Æ¡A°£«D¦bµ²ÂI«á¦³¨¬°÷¤¹³\Áã©Tªø«×1b, net¤§¦ì¸m¡C
²Ä¤@¦Ê¤@¤Q¤K±ø
¸¡µ¬
²`¼Ù¤@¯ëÀ³¦³¼Ù¸¡¨â®Ç©ñ¸m¤§¤À§Gµ¬¡A¨C¤@Ã䤧¥\®Ä´N¦p¤@¥¿¥æ¤§ºôµ¬¡A¨C¤@¤è¦V¤§°tµ¬²v¤£¤Ö©ó0.15%¡C
²Ä¤K¸`
¤û»L
²Ä¤@¦Ê¤@¤Q¤E±ø
³Ì¤p°tµ¬¤Î¨ä¤À§G
¤@¡B±q³]p¼Ò«¬¤¤¦Ò¼{¤§©Ô±ì¡A¨ä¬ÛÃö°tµ¬À³§¹¥þÁã©T¡A¦bµ²ÂI«á¤ä©ÓªO¤U¥ÎU-§ÎÅs¹_©Î¨ä¥¦Áã©T³]³Æ¡A°£«D¦bµ²ÂI»P¤û»L«e±¤§¶¡¦³¨¬°÷Áã©Tªø«×1b, net¤§¦ì¸m¡C1b, netÀ³¥ÑÀ£À³¤O§ïÅܤè¦V¤§¤@ÂI¤W¶}©l¶q«×¡C
¤G¡B·í¦~»Lh≥300mm¡A¤Î¨ä¤ô¥¤è¦V¥Dµ¬±¿nAs¦p¤U®É¡G
As ≥ 0.4Ac fcd/fyd
¡]¦¹³BAc¥Nªí¤û»L¦b¬W¤§ºI±±¿n¡^¡AÁ`±¿n¤£¤Ö©ó0.4As¤§ãTµ¬À³¤À§G©ó¦³®Ä°ª«×d¤º§@¬°§Ü¿m²V¾®¤g±ì¤§¶}µõÀ³¤O¡C¸ÓãTµ¬¥i¤ô¥¦a©Î¹ï¨¤¦aÂ\©ñ¡]¹Ï¤Q¤E¡^¡C

¹Ï¤Q¤E¡G¤ô¥¤Î±×¦VãTµ¬
²Ä¤E¸`
ºc¥ó¨ü¶°¤¤¥~¤O¤§°Ï°ì
²Ä¤@¦Ê¤G¤Q±ø
Á`«h
ºc¥ó¦b¨ü¶°¤¤¥~¤O¾Fªñ¤§°Ï°ìÀ³±µ¨ü¯S§O¤§½T©w¡A§Q¥Î¥Ñ¼u©Ê²z½×©Î¤º¤O¨t²Î¥¿Å¦Ò¼{¬°°ò¦©Ò±o¤§µ²ªG¡A¬Û·í¦a¥Î½T»{©Ê¹êÅç§@¤ä«ù¡C
¦b´¶³q±¡ªp¤U¡A¬°«Oµý¸Ó°Ï°ì¦w¥þ¡A¥i¥H¬É©w¤@²V¾®¤g¤§§½³¡À£¤O¤Î©ñ¸m°tµ¬¥H©è§Ü¥Ñ¶°¤¤¥~¤O©Ò¤Þ°_¤§¾î¦V©ÔÀ³¤O¡C
²Ä¤@¦Ê¤G¤Q¤@±ø
²V¾®¤g§½³¡À£¤O¤§½T©w
¤@¡B¦³Ãö²V¾®¤g¤§À£¸H¦w¥þ¡A¦b¨ü¤@¶°¤¤¥~¤O¤§°Ï°ì¤º¡AYº¡¨¬¥H¤U±ø¥ó®É¡A«h¥iµø§@¦w¥þ¡G
FSd ≤ pcRd Ao
¦¹³B¡G
FSd ³]p¶°¤¤¥~¤OÈ¡F
pcRd ²V¾®¤g¥i©è¿m¤§À£¤OÈ¡F
Ao ¶°¤¤¥~¤Oª½±µ¦û¥Î¤§±¿n¡C
pcRdÈ¥i«ö¥H¤U¤½¦¡¡G

¦¹³B¡G
fcd²V¾®¤g§ÜÀ£±j«×³]pÈ¡F
A1¥HAo¦P¤@«¤ß¡A¦bºc¥ó½d³ò¤º©Ò¹º±o¤§³Ì¤jµê³]½ü¹ø½u¤º¤§±¿n¡]¹Ï¤G¤Q¡^¡F¦b¦h©ó¤@¥~¤O®É¡A¬ÛÃö¤§A1±¿n¤£¯àÅ|¥[¡C
µL½×¦p¦ó¡A¦b©Ò¦³±¡ªp¤U¡APcRd¤£¥i¶W¹L3.3fcd¡C

¹Ï¤G¤Q¡@±¿n¤§©w¸q
¤G¡B·í¦b¬I¥[¶°¤¤¥~¤O®É¡A²V¾®¤gÄÖ´Á©|¥¼¹F28¤é®É¡A¥H¤W¤½¦¡À³¥Hfck, j /γc¥N´À fcd ¡Afck,j «ü²V¾®¤g¦bj¤é¤§§ÜÀ£±j«×¼Ð·ÇÈ¡A¥H¶ê¬WÅé¸Õ¥ó©Ò±o¡A¦Óγc«ü¤À¶µ¦w¥þ¨t¼Æ¡A¨äȬ°1.5¡C
²Ä¤@¦Ê¤G¤Q¤G±ø
³æ¤@¶°¤¤¥~¤O¤U©Ò©Ó¨ü¤§©ÔÀ³¤O
¥Ñ³æ¤@¶°¤¤¥~¤O¦bºc¥óªí±©Ò¤Þ°_¤§¾î¦V©ÔÀ³¤OÀ³¥H°tµ¬¨Ó©Ó¨ü¡A©ñ¸m¦b»P¥~¤O¤è¦V««¥¿¤§¥±¤W¤Î©ñ¦b¨âÓ¥¿¥æ¤§¤è¦V¡C
¦b¨C¤@¤è¦V¡A³]p¤§°tµ¬À³©Ó¨ü¥H¤U¤½¦¡©Òpºâ¤§¦X©Ô¤O Ft1,Sd¡G
| Ft1,Sd = 0.3 FSd | ﴾ | 1 - | 
			 
				a0 
			 | 
			﴿ | 
| a1 | 
¦¹³B¡G
| FSd | ¥~¤O³]pÈ¡F | 
| ao, a1 | ®Ú¾Ú©Ò¦Ò¼{¤§¤O¦V¡A«ö²Ä¤@¦Ê¤G¤Q¤@±ø©Òz¤§±¿nAo¤ÎA1¤§¬Û¹ïª½®|¡]¹Ï¤G¤Q¤@¡^¡C | 
¹Ï¤G¤Q¤@¡@³æ¤@¶°¤¤²ü¤O°tµ¬
¦b¨C¤@¤è¦V°tµ¬ºI±À³«ö¥H¤U¤½¦¡pºâ¡G
| As = | 
			 
				Ft1,Sd 
			 | 
		
| fsyd | 
¦¹³B fsyd«ü¿ûµ¬¤§©}ªAÀ³¤O©Î«D¤ñ¨Ò¦ùªøÀ³¤O¡]0.2%¡^¤§³]pÈ¡C·í³B²z¹wÀ³¤OÁã©T°Ï°ì®É¡A fsydÀ³¤£¯à¨ú¤j©ó270 MPa¤§È¡C
¨C¤@¤è¦V¤§°tµ¬À³¥]¬A¦b¤@Ù±¬WÅ餺¡AÙ±¬WÅ餧©³¬°A1¦Ó°ª¬°a1¡]¹Ï¤G¤Q¤@¡^¡A°tµ¬¦b°ª«×0.1a1¦Üa1¤§¤ºÀH°ª«×¤À§G¡A¦Ò¼{¦X¤O Ft1, Sd¦ì©ó0.4a1°ª«×¤§¦a¤è¡A°tµ¬À³¾A·í¦aÁã©T¥H½T«O¥»¨¦ba1¤@¬qªø«×¤º¦³¨¬°÷¥\¥Î¡C¨C¤@°ª«×¤§°tµ¬À³¦b»P¨ä««ª½¤§¤è¦V¤W¤À§G©ó¤@¬Ûµ¥A1±¿n¤§ª½®|¤§¼e«×¤º¡C
²Ä¥|½s
¬I¤u¤Î«~½è«Oµý
²Ä¤@³¹
¬I¤u
²Ä¤@¸`
®e³\»~®t
²Ä¤@¦Ê¤G¤Q¤T±ø
Á`«h
¬I¤u¤¤¦U¦³Ãö®e³\»~®t¤§°õ¦æÀ³©ú¥Ü©ó³]p¤¤¡C©ó¤@¯ë±¡ªp¤U¡A¸Ó»~®tÀ³º¡¨¬¤U¦C¦UÂI¤§³W©w¡C
¥H¤U±ø¤å©Ò°Q½×¤§»~®t±¡ªp¡A¶È´N¤Ø¤o¤è±¦Ó¨¥¡A¦Ó¸Ó¤Ø¤o¤è±¤§»~®t¥iª½±µ¼vÅTµ²ºc¤§±j«×¤Î«¶q¡A³Ì«á¨Ã¥²µM²£¥Íµ²ºc¦w¥þ©Ê¤§°ÝÃD¡FµM¦Ó¹ïµ²ºc¦³Ãþ¦ü¼vÅT¤§°¾¸m°ÝÃD¡A¥¿¦p¬W¤§¶É±×¤Î°¾²¾¡A«h¤£·|©ó¦¹°Q½×¡A¦ý¤´À³§@¥R¥÷¦Ò¼{¡C
¥H¤U±ø¤å©Ò©w¤§®e³\»~®tÈ«Y®Ú¾ÚºD±`¤§¬I¤u§Þ³N¦Ó©w¡C¹ï¤j³¡¤À±¡ªp¡A°õ¦æ®ÉÀ³¾¨¶q¤p¤ß¡A¤£À³©¿µø¨ä¥²n©Ê¡A¦Ó¸Ó®e³\»~®t¼ÐºÙÈÀ³©ó³]p«e¹w¥ýÂç©w¡C¦ýÀ³ª`·N¸Ó³W©wȹï©ó¤u¼t©Ò¥Í²£¤§¹w»sºc¥ó¨Ã¤£¾A¥Î¡A¦ÓÀ³¥H¸ûÄY®æ¤§»~®tn¨D§@±±¨î¡C
¤u¦a¤¤¦UºØ¬I¤u¬¡°Ê§¡¥i¯A¤Î¬I¤u»~®t¡A¥¿¦p©ó¬ÛÃö¤§¬I¤u³õ©Ò¤¤¦UºØµ²ºcºc¥ó¤Î«Dµ²ºc¤¸¥ó¡]½Ñ¦p±c¹õÀð¡Bµ¡¡B³W©w¤§³]³Æµ¥¡^¡A¸ÓÃþ»~®tn¨D¨Ã«D¥»³W³¹¤§°Q½×½d³ò¡A¦ýÀ³©ú½T»¡©ú©ó³]p·í¤¤¡C
²Ä¤@¦Ê¤G¤Q¥|±ø
Â_±¤Ø¤o
²V¾®¤gÂ_±¤Ø¤o¡]¥]¬A¼Ù²`¡BªO«p¡B¼Ù¼e¡]¸¡ªO¼e«×¡^¡A¬WÂ_±¤Ø¤oµ¥¡^¡AÀ³º¡¨¬¥H¤U©Ò©w¤§®e³\»~®tΔa¡A¦¹³Ba¥Nªí¸Ó±¡ªp¤U¤§Â_±¤Ø¤o¡G
| ¹ï©ó a<400mm | Δa= ¡Ó0.05a | 
| ¹ï©ó a≥400mm | Δa= ¡Ó20mm | 
²Ä¤@¦Ê¤G¤Q¤±ø
´¶³q¿ûµ¬¤§±Æ©ñ
´¶³q¿ûµ¬¤§±Æ©ñ®e³\»~®t¥i®Ú¾Úºc¥ó¦³®Ä²`«×d¦Ò¼{¡A¨ÃÀ³º¡¨¬¤U¦C©Ò©w¤§±Æ©ñ®e³\»~®tΔd¡G
| ¹ï©ó d≤200mm | Δd = ¡Ó0.075d | 
| ¹ï©ó 200<d<400mm | Δd = ¡Ó(0.05d + 5mm) | 
| ¹ï©ó d≥400mm | Δd = ¡Ó25mm | 
²Ä¤@¦Ê¤G¤Q¤»±ø
¹wÀ³¤O¿ûµ¬¤§±Æ©ñ
¤@¡B¹wÀ³¤O¿ûµ¬¤§±Æ©ñ®e³\»~®tÀ³º¡¨¬¤U¦C©Ò©w¤§»~®tn¨D¡G
a¡^ ®Ú¾Úºc¥ó²`«×§@¦Ò¼{¡A¦¹³Bd¬°¦³®Ä²`«×¡G
| ¹ï©ó d ≤200mm | Δd = ¡Ó0.025d | 
| ¹ï©ó 200<d<1000mm | Δd = ¡Ó5mm | 
| ¹ï©ó d ≥1000mm | Δd = ¡Ó10mm | 
b¡^ ®Ú¾Úºc¥ó¼e«×§@¦Ò¼{¡A¦¹³Bb¬°¿ûµ¬±Æ©ñ¦ì¸m¤§ºc¥ó¼e«×¡G
| ¹ï©ó b ≤200mm | Δb = ¡Ó5mm | 
| ¹ï©ó 200<b<1000mm | Δb = ¡Ó10mm | 
| ¹ï©ó b ≥1000mm | Δb = ¡Ó20mm | 
¤G¡BÕY¿ûµ¬¤§±Æ¸m¥Ñ¦hºØ¿ûµ¬²Õ¦¨¡A¨äÓ§O¤§±Æ©ñ»~®t¥i¶W¹L¤W´Ú¤§³W©w¡A¦ýµL½×¦p¦ó¤]¤£¯à¶W¹L¡Ó25mm¡A¨Ã¥B¡A¸Ó¼Æ¾Ú¥ç¬°¹wÀ³¤O¬I¥[®ÉÀ³¿í¦u¤§¿ûµ¬±Æ©ñ®e³\»~®t¡C
²Ä¤@¦Ê¤G¤Q¤C±ø
¿ûµ¬«OÅ@¼h
¿ûµ¬«OÅ@¼h«p«×¤§®e³\»~®t¬°-5mm¡C
²Ä¤G¸`
¼ÒªO¤Î¤ä©Ó
²Ä¤@¦Ê¤G¤Q¤K±ø
¼ÒªO¤ÎÆN¬[¤§¤@¯ë¯S©Ê
¼ÒªO¤Î¤ä©Ó¤§¬I¤u§Î¦¡¤Î¨Ï¥Î¤èªkÀ³º¡¨¬¤U¦C±ø¥ó¡G
a¡^ À³¯à¦³¨¬°÷¤§¦w¥þ©Ê¥Î¥H¤ä©Ó¥~¤O§@¥Î¡A¯S§O©ó·s©Õ²V¾®¤g¼å¸m¤Î·o¹ê´Á¶¡¹ï¼ÒªO¤ÎÆN¬[©Ò²£¥Í¤§½ÄÀ»¤O¡F
b¡^ ¬°Á×§K¹L¤jÅܧΥX²{¡AÀ³¦³¨¬°÷è©Ê¦s¦b¡A¥Ñè«×°ÝÃD¦bµ²ºc¤W©Ò²£¥Í¤§»~®tÀ³²Å¦X¥ý«e©Ò©w¤§®e³\»~®t½d³ò¤º¡F
c¡^ ¬°Á×§K¼ß²G¤§¬y¥¢¡A¼ÒªOÀ³¨ã¦³¨¬°÷¤§ºò±K©Ê¡FY¼ÒªO¥Ñ§l¤ô©Ê§÷®Æ²Õ¦¨®É¡A©ó¼å¸m«eÀ³¥R¥÷¤©¥H²OÀã¡A¨Ã¥B¦b¼å¸m«eÀ³¤p¤ß²M°£¼ÒªO¤º¹L¦h¤§¤ô¥÷¡F
d¡^ ¬°Á×§K©ó©î¼Ò®É³y¦¨²V¾®¤g¤§·lÃa¡A¥H¤Î¨Ï©î¼Ò¤u§Ç§ó®e©ö¶i¦æ¡A©Ò¥HÀ³©ó©î¼Ò«e¦³¾A·í¤§¦w±Æ¡C·í¦³»Ýn®É¬Æ¦Ü¥i±Ä¥Î¤@¨Ç¯S§O¤§³B²z¡]½Ñ¦p·¤¤l¡BÁ³®ê¡B¤d¤ç³»µ¥¡^¡F
e¡^ ¨äè©ÊÀ³¯à¤¹³\¥¿½T¦a¬I¥[¹wÀ³¤O¡A¦Ó¤£P²£¥Í¬ÛÀ³¤§¦ì²¾©ÎÅܧΡF
f¡^ ¦p¦³»Ýn®É¡A©ó²V¾®¤g¼åª`«eÀ³¹ï¶}¤Õ¦ì¸m§@¾A·í¤§²M²z¤ÎÀˬd¡A¨Ã¦³§Q²V¾®¤g¤§¼å¸m»P·o¹ê¡F
g¡^ ¼ÒªOªí±À³¨ã¦³²Å¦X©î¼Ò«á¥~Æ[n¨D¤§©Ò»Ý¯S©Ê¡C
²Ä¤@¦Ê¤G¤Q¤E±ø
¼ÒªO¤ÎÆN¬[¤§©î°£
¤@¡B¼ÒªO¤ÎÆN¬[¤§©î°£¦b¾Þ§@®É¡AÀ³¯à½T«O²V¾®¤g¤wÀò±o¨¬°÷¤§±j«×¡]§Y²V¾®¤g¤w¹Fµw©T¤Î¹wÀ³¤O¤w¾A·í¬I¥[¡^¡AµM¦Ó©Ò¿×¨¬°÷¤§±j«×¤£³ænº¡¨¬©Ó¸ü¯à¤O·¥ª¬ºA¤§n¨D¡A¨Ã¥B¤£·|²£¥Í¤£·í¤§ÅܧΤζ}µõ±¡ªp¡C©ó©î¨ø®É¡AÀ³¤p¤ß¥H§K¹ïµ²ºcª«³y¦¨¦³®`¤§¥~¤O¡B¼²À»©Î¼@¯P¤§¾_°Ê¡C
¤G¡B°£¨ã¦³¯S©wµý©ú¥~¡A©ó¤@¯ë±¡ªp¤¤¡A¦b¥¿±`·Å«×©MÀã«×±ø¥ó¤ÎºD±`¤§²V¾®¤gµw©T«Y¼Æ¤U¡A¼ÒªO¤Î¨ä¤ä¼µ¤§©î¨ø³Ìµu®É±N¦C¥Ü©óªí¤Q¤C¤¤¡A¦Ó¸Ó®É«h¥H¼åª`¤é´Á¨Ópºâ¡C
©ó¤u¦a¤¤¡A·í¼åª`®É¤Î¼åª`«á¤§¤j®ð·Å«×ºû«ù©ó 5oC ¥H¤U¡A«h¼ÒªO¤ÎÆN¬[¤§©î¨ø³Ìµu®ÉÀ³¤©¥H¼W¥[¼Æ¤Ñ¡C
ªí¤Q¤C¡@¼ÒªO¤ÎÆN¬[©î¨ø³Ìµu®É
| ¼ÒªO¤Î¤ä¼µ | ºc¥óºØÃþ | ®É (¤é) | 
| °¼±¼ÒªO | 
			 ¼Ù¡B¬W¡BÀð  | 
			
			 3(1)  | 
		
| ©³±¼ÒªO | 
			 ªO (3) l ≤ 6m  | 
			
			 7  | 
		
| 
			 ¼Ù  | 
			
			 14  | 
		|
| ¼ÒªO¤ä¼µ | 
			 ªO (3) l ≤ 6m  | 
			
			 14(2)  | 
		
| 
			 ¼Ù  | 
			
			 21(2)  | 
		
¡@
¡]1¡^ ÕY¦³¯S®í¤§¨¾Å@±¹¬I¥Î¥HÁ×§K²V¾®¤gªí±¨ü·l®É¡A«h¸Ó®É¥i´î¤Ö12¤p®É¡C
¡]2¡^ YªO¤Î¼Ù©óÆN¬[©î°£«á¡A«K¥ß§Yn©Ó¨ü¨ä©Ó¸ü¯à¤O¤U¤§³Ì¤j§@¥Î²ü¸ü®É¡A¸Ó®ÉÀ³¼W¥[28¤é¡C
¡]3¡^¦bÄaÁuªO±¡ªp¤U¡A¨ä¸ó¶ZlÀ³¨úÄaÁuªO¸ó«×¤§¨â¿¡C
¤T¡B¹ï¬Y¨Ç¤£¯à¿í·Ó¥»±ø¤W´Ú¦³Ãö©î¨ø®É³W©w¤§¯S®í¬I¤u±¡ªp¡A«h¼ÒªO¤ÎÆN¬[©î¨ø¦w¥þ´ÁÀ³¦Ò¼{²Ä¤@´Ú¤§³W©w¤©¥H«Ø¥ß¤Îµý©ú¡A¨ÃÀ³ª`·N²V¾®¤g¤O¾Ç©Ê¯à¤§µo®i±¡ªp¡A¦Ó¦¹¥i³z¹L¸ÕÅ礩¥HÅçµý¡CµM¦Ó¡A¤£ºÞ©ó¥ô¦ó±¡ªp¤U¡AªO¤Î¼Ù¤§©³±¼ÒªO¤Î¨ä¤ä¼µ¦b©î¨ø«e¡A²V¾®¤g§ÜÀ£±j«×±o¤j©ó¸Ó³B©Ó¸ü©Ò²£¥Í¤§³Ì¤jÀ³¤O¤§¨â¿¡A¥H¤Î§ÜÀ£±j«×¤£¯à§C©ó10 MPa¡C
®Ú¾Ú²Ä¤@¦Ê¥|¤Q¤E±ø²Ä¥|´Ú¤§³W©w¡AÀ³ª`·N±N¤£¦Pºc¥ó¤§¼ÒªO¤Î¤ä¼µ©î¨ø¤é´ÁÁp¦P¦Uºc¥ó¤§¬ÛÀ³¦³Ãö¸ê®Æ¾A·í¦a°O¿ý©ó¤u¦a¤§µn°O¥U¤¤¡C
²Ä¤T¸`
´¶³q¿ûµ¬
²Ä¤@¦Ê¤T¤Q±ø
¿ûµ¬¤§Àx¦s¤Î¹B°e
¤@¡B¿ûµ¬©óÅ禬ª½¦Ü¦b¤u¦a±Æ¸m´Á¶¡¡A¨äÀx¦s¤Î¹B°eÀ³Á×§K¤U¦C±¡ªp¾ÉP¿ûµ¬¨ü·l¡G
À£²ª©Î¥W¼Ñ¡F
«I»k¾ÉP¿ûµ¬Â_±¤§´î¤Ö¡F
¹ï¿ûµ¬¦³®`¤§¤Æ¾Çª«½è©Î¦³·l´¤»q¤O¤§ª«½è¨I¿n¡F
©ó¿ûµ¬ªí±¡F
¿ò¥¢¿ûµ¬ÃѧO¼ÐÅÖ¡C
¤G¡BY¬°¹wÀ³¤O¿ûµ¬¡A¨Ï¥Î«eÀ³¯S§O¤p¤ß«O«ù¨ä©T¦³§ÎºA¤Î¬ÛÃö¿ûµ¬¤§Â\©ñ¦ì¸m¡C
²Ä¤@¦Ê¤T¤Q¤@±ø
¿ûµ¬¤§¤Á³Î¤ÎÅs¦±
¤@¡B¿ûµ¬¤§¤Á³ÎÀ³Àu¥ý±Ä¥Î¾÷±ñ¤è¦¡¶i¦æ¡C
¤G¡BÕY¿í¦u²Ä¤C¤Q¤±ø¤§³W©w¡A«h¿ûµ¬¤§Ås¦±À³¥H©w³t«×¨Ã³z¹L§¨¨ã¤§À°§U±Ä¥Î¾÷¾¹¶i¦æ¡A¨ÃÀ³½T«O¿ûµ¬Ås¦±«á©óÅs¦±°Ï¤º¦s¦³§¡µ¥¤§¦±²v¥b®|¡C
¬°¨Ï¿ûµ¬©ö©óÅs¦±¦Ó±Ä¥Î®ð²k¼QºÞ¹ï¿ûµ¬¶i¦æ¥[¼ö¡A¸Ó¦æ¬°«Yµ´¹ï¸T¤î¡A¦ýY¯àÃÒ©ú¸Ó¥[¼ö¹Lµ{¨Ã¤£§ïÅÜ¿ûµ¬¤§¤O¾Ç¯S©Ê®É«h¨Ò¥~¡C
¤T¡B·í¥~¬É·Å«×¸û§C®É¡]¤j¬ù¤p©ó5oC¡^¡A¿ûµ¬Ås¦±®ÉÀ³±Ä¨ú¤@¨Ç¹w¨¾±¹¬I¡A¥¿¦p°§CÅs¦±³t«×¡A¼W¤j¨ä¦±²v¥b®|¡A©Î¹ïÅs¦±³¡¤À¤©¥H»´·L¥[¼ö¡C
¥|¡B©ó¬Y¨Ç¯S®í±¡ªp¤U¡A¿ûµ¬¥²¶·¶i¦æ¤Ï¦VÅs¦±¡]¨Ò¦p±µÀY´¡µ¬¤§Ãþ¡^¡A¦b¥»³W³¹¤¤«Y¤¹³\¶i¦æ¸ÓÃþ¤Ï¦VÅs¦±¡A¦ý¨ä¾Þ§@¤£À³¹ï¿ûµ¬¦³¥ô¦ó·l®`¡C
²Ä¤@¦Ê¤T¤Q¤G±ø
¿ûµ¬¤§²k±µ
²k±µ¶È¯à¨Ï¥Î©ó¤£¤Ö©óª½®|10mm¤§´¶³q¿ûµ¬¡C²k±µ¥iÀ³¥Î©ó¿ûµ¬¤§«÷±µ¡]¿ûµ¬ºÝÂI¹ï²k©Î¿ûµ¬Å|±µ¤§°¼¦V²k±µ¡^¡A¥ç¥i©ó¿ûµ¬±Æ¸m®É¨Ï¥Î¡C
²k±µ¤£¯à¥H®ð²k¼QºÞ©ÎÁëÅK§Î¦¡¶i¦æ¡C
²Ä¤@¦Ê¤T¤Q¤T±ø
¿ûµ¬¤§Áã©T¤Î«÷±µ
¤@¡B¿ûµ¬¤§Áã©T¤Î«÷±µÀ³¿í¦u²Ä¤C¤Q¤C±ø¡B²Ä¤C¤Q¤E±ø¡B²Ä¤K¤Q¤@±ø¤Î²Ä¤K¤Q¤G±ø¤§³W©w¡A¦P®É¨ÃÀ³®Ú¾Ú³]p¤§³W©w½T¹ê°õ¦æ¡C
¤G¡B°£¤w³Q½T»{¤Îµý©ú¤§¯S®í±¡ªp¥~¡A±Ä¥Î²k±µ§Î¦¡¶i¦æ¿ûµ¬«÷±µ®É¡A¶È¯à±Ä¥Îª½¦V¿ûµ¬§@²k±µ¡C
¤T¡B±Ä¥ÎÅ|±µ¨Ã¥H°¼¦V²k±µ§Î¦¡§@¿ûµ¬«÷±µ®É¡AÓ§O¤§³æ¦V²kÁ_ªø«×¤£À³¤j©ó¿ûµ¬ª½®|¤§¤¿¡F¦Ó³sÄò²kÁ_¤¤¡A²kÁ_»P²kÁ_¶¡¤§¶ZÂ÷¥ç¤£À³¤p©ó¸ÓÈ¡C
¥|¡B±Ä¥Î¿ûµ¬ºÝÂI¹ï²k§Î¦¡§@«÷±µ®É¡A²k±µ³¡¤À§N«oµw¤Æ«á¡A¬°§K©Ó¨ü§á¤OÀ³§â¦h¾l¥Y¥X³¡¤À¤©¥H¥h°£¡C
²Ä¤@¦Ê¤T¤Q¥|±ø
¿ûµ¬¤§¬[³]»P±Æ¸m
¤@¡B¿ûµ¬¤§¬[³]À³¨Ì·Ó³]p®É©Ò©w¤§¤Ø¤o¶i¦æ¡A¨ä¬[³]»~®tÀ³¦b²Ä¤@¦Ê¤G¤Q¤±ø©Ò³W©w¤§®e³\»~®t½d³ò¤º¡A¦P®É¨ÃÀ³½T«O¨ä¦³¨¬°÷¤§è«×¡A¤£·|©ó¹B°e®É¡B±Æ¸m®É¤Î²V¾®¤g¼å¸m´Á¶¡²£¥Í¥ô¦óÅܧΡA¿ûµ¬¬[³]®É¥çÀ³¦Ò¼{¨ì²V¾®¤g©ó¼å¸m»P·o¹ê´Á¶¡©Ò»Ý¤§¬I¤u±ø¥ó¡C
¤G¡B©ó¼ÒªO¤º±Æ¸m¿ûµ¬®É¡AÀ³¿í¦u³]p®É©Ò¹w¥ý³]©w¤§«OÅ@¼h«p«×¡C«OÅ@¼h¹Ô¶ô¨Ï¥Î®É¡AÀ³¾A·í¥B¯à§¹¥þ¦a³Q²V¾®¤g¥]«Ê¡A¤Î¤£À³§«Ãª²V¾®¤g¤§¼å¸m¡A¨Ã¥B¤£½×ª½±µ¥Ñ¹Ô¶ô¾ÉPºc¥ó®z±¥X²{¡AÁÙ¬O¦]¦¹¦Ó«P¨Ï¤¤«×«I»kÀô¹Ò¾ÉPºc¥óÅÜ®zµ¥±¡ªp§¡À³Á×§K¡C¦¹¥~¡A«OÅ@¼h¹Ô¶ô¤§²Õ¦¨§÷®Æ¥i¥Ñ»P²V¾®¤g¦³Ãö¤§°©®Æ»s¦¨©Î¥Ñ¿û§÷»s¦¨¡A¨Ã¥B¹Ô¶ôªí±»Pºc¥óªí±À³¦³¾A·í¤§©Ù±§Î¦¡¡C
²Ä¥|¸`
¹wÀ³¤O¿ûµ¬
²Ä¤@¦Ê¤T¤Q¤±ø
¹wÀ³¤O¿ûµ¬¤§Àx¦s¤Î¹B°e
¹wÀ³¤O¿ûµ¬¡A¹wÀ³¤O®MºÞ¡BºÝÁã¸Ë¸m¤Î«÷±µ¸Ë¸mÀ³¦bÀx¦s¤Î¹B°e´Á¶¡±o¨ì¾A·í¤§«OÅ@¡A¨ÃÀ³Á×§K¨ü¨ì«B¤ô¡B¦a±Àã«×¤Î«I»k©ÊÀô¹Ò¤§¼vÅT¡C¦P®É¥çÀ³Á×§K¤U¦C·l®`¿ûµ¬¤§±¡ªp¥X²{¡C
¸g¥Ñ¤Æ¾Çª«½è¡B¹q¤Æ¾Ç©Î¥Íª«¾Ç¤è±©Ò¾ÉP¤§«I»k¡F
¿ûµ¬¹L¤j¤§ÅܧΡF
À£²ª©Î¥W¼Ñ¡A¤×¨ä«Y¹wÀ³¤O®MºÞ¡F
¹wÀ³¤O®MºÞ¨¾¤ô©Ê¯à¤§³à¥¢¡F
¦³·l´¤»q¤O¤§ª«½è¨I¿n©ó¿ûµ¬ªí±¡F
¸g¥Ñ¤õµK¡B¼Q¬â©Î²k±µ³y¦¨¥[¼ö¦Ó¾ÉP¨ä¾Fªñ¦ì¸m¤§·l®`¡C
¬°Á×§K¹wÀ³¤O¿ûµ¬¦³¹L¤j¤§ÅܧΥX²{¡A¬G¶È¤¹³\¹w¤O¿û½u¤Î¹w¤O¿ûµ±½u±Ä¥Î½L¨÷§Î¦¡¨Ó¹B°e¤ÎÀx¦s¡A¦Ó¹w¤O¿û´Î«hµ´¤£¥i¥H¸Ó§Î¦¡¶i¦æ¡C¬°¨Ï½L¨÷¿ûµ¬¸Ñ¶}®É¡A¿ûµ¬¯à«ì´_¨ä©T¦³ª½½u§Î¦¡¡A¬G¦¹½L¨÷¿ûµ¬¤§®Ö¤ß³¡¤ÀÀ³¦³¨¬°÷¤j¤§ª½®|¡]¤@¯ë¤£¤Ö©ó200Φ¡^¡C
²Ä¤@¦Ê¤T¤Q¤»±ø
¹wÀ³¤O¿ûµ¬¤§¤Á³Î¤ÎÅs¦±
¤@¡B¹wÀ³¤O¿ûµ¬¤§¤Á³ÎÀ³Àu¥ý±Ä¥Î¦X¾A¤§¾÷¾¹¶i¦æ¡]°ª³t¤Á³Î¶ê½L¡B§Ö³t¿û¿÷µ¥¡^¡C¦Ü©ó®ñ¡X¡X¤AÍP¼QºÞ¤Á³Î¾¹¥ç¤¹³\¨Ï¥Î©ó¹wÀ³¤O¿ûµ¬¤§¤Á³Î¤¤¡A¦ý¾Þ§@®ÉÀ³¥Î¸û¦h¤§®ñ¶i¦æ¡C¤Á³Î®É¨ÃÀ³ÂÔ·V¤p¤ß¡A¥H¨¾¤õµK±µÄ²¨ìºÝÁ㳡¤À©Î«D¤Á³Î³¡¤À¡A¥ç§Y¶ZÂ÷ºÝÁã¸Ë¸m¤j¬ù30 mm½d³ò¤º§¡¤£¥i±µÄ²¤õµK¡C
¿ûµ¬©Ó¨üÀ³¤O®ÉÀ³Á×§K¶i¦æ¤Á³Î¡C
¤G¡B·í¯S©w¤§¤u§Çn¨D¹wÀ³¤O¿ûµ¬¶i¦æÅs¦±®É¡AÀ³®Ú¾Ú¦UºØ¹wÀ³¤O¿ûµ¬¯S©w¤§³B²zµ{§Ç¡A±Ä¥Î©w³t¤§¾÷¾¹¶i¦æÅs¦±¡A¨ÃÀ³½T«O¿ûµ¬Ås¦±«á©óÅs¦±°Ï¤º¦s¦³§¡µ¥¤§¦±²v¥b®|¡C
¸T¤î¹ï¹wÀ³¤O¿ûµ¬¬I¤©¤Ï¦VÅs¦±¡C
²Ä¤@¦Ê¤T¤Q¤C±ø
¹wÀ³¤O¿ûµ¬¤§«÷±µ¤ÎÁã©T
¹wÀ³¤O¿ûµ¬¤§«÷±µ¤ÎÁã©TÀ³®Ú¾Ú¹wÀ³¤O¬I¥[µ{§Ç¤§¯S©w³]¬I³B²z¡A¨Ã®Ú¾Ú¨ä©Ò©w¤§§Þ³N³W©w¤©¥H¶i¦æ¡C
²Ä¤@¦Ê¤T¤Q¤K±ø
¹wÀ³¤O¿ûµ¬¤§¬[³]»P±Æ¸m
¤@¡B¹wÀ³¤O¿ûµ¬¤§¬[³]¤Î±Æ¸mÀ³®Ú¾Ú³]p¤Î¹wÀ³¤O¬I¤Oµ{§Ç¤§n¨D¤©¥H¹ê¦æ¡C¦P®É¨ÃÀ³¯S§Oª`·N¿ûµ¬±Æ¸m®É¿ûµ¬«OÅ@¼h¤Î¿ûµ¬¶¡¶Z¤§¥~Æ[¡CµM¦Ó¿ûµ¬±Æ¸m¤£³æÀ³®Ú¾Ú²Ä¤@¦Ê¤G¤Q¤»±ø¤§±Æ¸m»~®tn¨D¡A¨Ã¥BÁÙÀ³©ö©ó²V¾®¤g¼å¸m¡C
¤G¡B¹wÀ³¤O¿ûµ¬¤§±Æ¸m¤è¦¡À³º¡¨¬²Ä¤@¦Ê¤T¤Q¥|±ø²Ä¤G´Ú©Ò©w¤§n¨D¡C¦P®É±Æ¸m«á¨ÃÀ³¦³¨¬°÷¤§è«×¥H¨¾¤î©ó²V¾®¤g¼å¸m´Á¶¡¥X²{¹wÀ³¤O¿ûµ¬©Î¹wÀ³¤O®MºÞ¤§²¾¦ì¡C
¹wÀ³¤O®MºÞ±Æ¸m®ÉY±Ä¥Î²k±µ¤èªk¡A¶È¾A¥Î©ó®MºÞ¤º¨Ã¨S©ñ¸m¿ûµ¬¤§±¡ªp¡A¦P®É²k±µ®É¥ç¶·¤Q¤À¤p¤ß¡AÁ×§K¹ï®MºÞ³y¦¨¥ô¦ó·l¶Ë¡C
¤T¡B¹wÀ³¤O¿ûµ¬¡B¹wÀ³¤O®MºÞ¤ÎºÝÁã¸Ë¸mÀ³©ó¬[³]«e²M°£¨äªí±¤§¦³®`ª«½è¡]½Ñ¦p¿ûÅKªî»s®É¤§ÅK´í¡BÅKùסBªoº{µ¥¡^¡C²M¼ä¹wÀ³¤O®MºÞ®É¡A¥i±Ä¥Î®ðÀ£¾÷§j°eÀ£ÁYªÅ®ð¨ì®MºÞ¤º¡A¥B®MºÞ¤º¤£À³§t¦³ªoº{¤Î¤ô¥÷¡C
¹wÀ³¤O¿ûµ¬©ñ¸m¹Lµ{¤£¾A·í¡A·|§ïÅܨä¹ï¹wÀ³¤O¬I¥[¡]¤O¤ÎÅs¯x¡^¤§ÆF±Ó«×¡A¨ä¥Dnì¦]¤£³æ¥Ñ©ó¹wÀ³¤O®MºÞ¦ì¸m¦³¹L¤j¤§°_¥ñ¦Ó²£¥Í¼¯À¿¤O¤§¼W¥[¡A¦Ó¥BÁ٥ѩ󰾤ߤ§ÅܤƩҤް_¡C
¹wÀ³¤O¿ûµ¬¤§°t¸mÀ³¾ã»ô¥B¨S¦³¼@¯P¤§¤è¦VÅܤơA¦P®É¥çÀ³¥R¥÷°Ñ·Ó³]pn¨D¥¿½T±Æ¸m¡A¥H«K©ö©óÀˬd¡C¹ïºÝÁã°Ï¤º¹wÀ³¤O¿ûµ¬¤§±Æ¸mÀ³¯S§O¤p¤ß¡C
¹wÀ³¤O¿ûµ¬±Æ¸m®É¡AÀ³¯S§Oª`·N¨ÃÁ×§K©ó¼å¸m´Á¶¡®MºÞ¬ðµM¤W¤É¡A¥H¤Îª`·N¼å¸m®É¡A¥Ñ©ó·s©Õ²V¾®¤g¤§½ÄÀ»©Ò±a¨Ó¤§¼vÅT¡C
²Ä¤@¦Ê¤T¤Q¤E±ø
¹wÀ³¤O®MºÞ
¤@¡B¹wÀ³¤O®MºÞ¤§¨Ï¥Î¡B¤Î¨ä²Õ¦¨»P¯S©ÊÀ³²Å¦X³]p®É¤§n¨D¡A¦P®É¥çÀ³¨ã¦³¨¬°÷¤§¬X©Ê¥H¾A¦X¹wÀ³¤O¿ûµ¬¤§°t¸m¡]¦ý¨äè©Ê¥çÀ³¨¬¥H«O«ùÂ_±§Îª¬¡^¡A®MºÞ±Æ¸m®ÉÀ³¿í¦u²Ä¤@¦Ê¤T¤Q¤K±ø¤§³W©w¤Î®MºÞÀ³ºò±K¤£P¬°·s©Õ²V¾®¤g«I¤J¡C
¤G¡B¹wÀ³¤O®MºÞ¤§¤º¡B¥~ªí±©Ê¯àÀ³¨ã³Æ¦³§Q©ó²V¾®¤g»P®MºÞ¶¡¤§´¤»q¤ÎÄé¼ß§÷®Æ»P®MºÞ¶¡¤§´¤»q¤§©Ò»Ý¯S©Ê¡C
¹wÀ³¤O®MºÞÀ³¨ã¦³Äé¼ß¤Õ¡A¤£³æ©ó®MºÞ¤§¨âºÝ¡A¨ÃÀ³©ó®MºÞ°t¸m¤§¸û°ª¦ì¸m¡FµM¦Ó¡A·í®MºÞ¬Æªø®É¡A«hÀ³ÃB¥~¼W¥[Äé¼ß¤Õ¨Ã¾A·í¤À§G©ó¨ä¤W¡C
©óÄé¼ß«eÀ³·V¨¾Äé¼ß¤Õ³Q°ô¶ë¡A¦P¼Ë¥ç¤£¥iÅý¤ô©Î¨ä¥L¥~¨Óª«½è¶i¤J®MºÞ¤º¡C
¤T¡B¬°§ó©ö©ó¶i¦æ®MºÞ¤ºÄé¼ß¡A®MºÞ¤ºÂ_±¿nÀ³¤j©ó¹w¤O¿ûµ¬Â_±¿n¤§¨â¿¡A¦Ó®MºÞ¤º®|¦Ü¤ÖÀ³¸û¹w¤O¿ûµ¬ª½®|¤j10mm¡AµM¦Ó¸ÓÈ©ó¿ûµ¬¬°««ª½©Î¸û¤j¶É±×®É«hÀ³¤©¥H¼W¥[¡C
¥|¡B¹wÀ³¤O®MºÞ«÷±µ®ÉÀ³¯S§O¤p¤ß¥H«Oµý¨äºò±K¤£P¬°²V¾®¤g«I¤J¡C
²Ä¤¸`
²V¾®¤g¤§»s³y¡B¼å¸m¤Î¾iÅ@
²Ä¤@¦Ê¥|¤Q±ø
²V¾®¤g¤§»s³y¤Î¼å¸m
²V¾®¤g¤§²{³õ©Õ¦X¤Î¼å¸mÀ³®Ú¾ÚNB¼Ð·Ç©Ò©w¥ß¤§³W«h¶i¦æ¡C
²Ä¤@¦Ê¥|¤Q¤@±ø
²V¾®¤g¾iÅ@
¤@¡B©ó¤@¯ë±¡ªp¤U¡A²V¾®¤g¤§¾iÅ@À³®Ú¾ÚNB¼Ð·Ç©Ò©w¤§³W©w¶i¦æ¡C
¤G¡B©ó¬Y¨Ç±¡ªp¤U¡A±Ä¥Î²V¾®¤g¯S®í¾iÅ@µ{§ÇÀ³®Ú¾Ú¤w½T»{¬°¦³®Ä¤§§Þ³N¤èªk¶i¦æ¡C°£¦¹¥H¥~¡A¨ÃÀ³¦Ò¼{¾iÅ@¹Lµ{©Ò¾ÉP²V¾®¤g©Ê½è¤§§ïÅÜ¡A§Y¯A¤Î²V¾®¤g±j«×§Î¦¨®É¶¡¡A¥H¤Î§ÜÀ£±j«×¡B§Ü©Ô±j«×»P¬yÅܯS©Ê¡]²V¾®¤g¦¬ÁY¤ÎįÅÜ¡^¤§¶¡¤§Ãö«Y¡C
²Ä¤»¸`
¹wÀ³¤O¤§¾Þ§@
²Ä¤@¦Ê¥|¤Q¤G±ø
¾Þ§@«e·Ç³Æ
©ó¹wÀ³¤O¬I¥[«eÀ³¹ï¦³¥i¯à¥X²{¤§¦UºØ¾Þ§@µ{§Ç§@¦w¥þ©Ê¤§ÀËÅç¡A¦Ó¸Ó¾Þ§@µ{§ÇÀ³®Ú¾Ú³]pn¨D¡A¦Ó¹wÀ³¤O¬I¤O¹Lµ{¤§¶i¦æÀ³¨ã¦³¾A·í¤§¹w¨¾±¹¬I¡A¥Î¥H½T«O¾Þ§@¤Hû¥H¤Î»ö¾¹³]³Æ¤§¦w¥þ©Ê¡C©ó¦¹¡AÀ³Åçµý¤U¦C±¡ªp¡G
²V¾®¤g¬O§_¤w¨ì¹Fn¨D±j«×¡F
¹wÀ³¤O®MºÞ©Î¹wÀ³¤O¿ûµ¬¤Õ¹D¦³§_³Q°ô¶ë¥HP¿ûµ¬¥i§_·Æ°Ê©ó¨ä¤¤¡F
·í©Ó¨ü©Òn¨D¤§¹wÀ³¤O®É¡A¹wÀ³¤Oºc¥ó¬O§_¨ã¦³¤£¨ü¬ù§ô¤§Åܧίà¤O¡C
¤d¤ç³»¾Þ§@®É¬O§_¦³¨¬°÷¤§¹w¯d¦ì²¾ªÅ¶¡¡F
ºÝÁ㤧³]¸m¬O§_±o¨ì¨}¦n±Æ¸m¡A¥H¤ÎºÝÁã¬O§_©ñ¸m©ó¤w¨M©w¤§¦ì¸m¤¤¨Ã¥H¨ä°t¥ó¤©¥HÂê©w¡C
¹wÀ³¤O¿ûµ¬¯à¦b¹wÀ³¤O®MºÞ©Î¹wÀ³¤O¿ûµ¬¤Õ¹D¤º¤£¨ü¬ù§ô¦a¦Û¥Ñ²¾°Ê¡A«Y¹wÀ³¤O¯à§_¥¿½T¦a¬I¥[¤§¥²n±ø¥ó¡C©ó¸Ó±¡ªp¤¤¡A¦b²V¾®¤g¼å¸m«áÀ³¥ß¨è¶i¦æÀˬd¡A¨ä¥Øªº«Y°»¹î®MºÞ¤º¦³§_¥ô¦ó°ô¶ë±¡ªp¥X²{¡F¦]¦¹¡A¥i±NÀ£ÁYªÅ®ð§j¶i®MºÞ¤º¡A©Î¬ï¤J¿û½u¦b®MºÞ¤º®Ì°Ê¨Ã³q¹L®MºÞ¥H½T©wµL¥ô¦ó°ô¶ë¡C©ó¯S®í±¡ªp¤¤¡A¥i³z¹L²{³õ¸ÕÅç¨D¨ú®MºÞ¤º¼¯À¿·l¯ÓȥΥHÅçµý®MºÞ¤º¤§°ô¶ë±¡ªp¡C
²Ä¤@¦Ê¥|¤Q¤T±ø
¹wÀ³¤O¤§¬I¥[
¤@¡B¹wÀ³¤O¬I¥[¤§¾Þ§@À³¥Ñ¾Ö¦³±M·~¸ê¾ú¤H¥K¾á¥ô¡A¨ÃÀ³¿í¦u©Ò¦³Ãö©ó¸Ó¹wÀ³¤O¬I¥[¹Lµ{¤§¬J©w§Þ³Nn¨D¡A¥H¤Î®Ú¾Ú¹w¥ý«Ø¥ß¤§µ{§Ç¤©¥H¶i¦æ¡C
¤G¡B¹wÀ³¤O¬I¤O®É¤§¤O¶q±±¨îÀ³©ó¦P¤@®É¶¡³z¹L¶q«×©Ò¬I¥[¤§¤O¶q¨Ã»P¿ûµ¬¦ùªø²v§@Åçµý¡CµM¦Ó¹wÀ³¤O¬I¥[®ÉÀ³±Ä¥Î³sÄò¥B¦³³W«ß¤§¤è¦¡¶i¦æ¡C
®Ú¾Ú²Ä¤@¦Ê¥|¤Q¤E±ø²Ä¥|´Ú¤§³W©w¡A©Ò¦³Ãö©ó»Ýn¸ÓÃþ±±¨î¤§ºc¥ó§¡À³¾A·í°O¿ý©ó¤u¦a¤§µn°O¥U¤¤¡C
¤T¡B±Ä¥Î¥ý±iªk¤§¹wÀ³¤Oºc¥ó¡A¹wÀ³¤O¤§¶Ç»¼À³©ó¦P¤@®É¶¡¸g¥Ñ©Ò¦³¿ûµ¬¤Î¥Hº¥¶i¦æ¤è¦¡¶i¦æ¡C
¥|¡B±Ä¥Î«á±iªk¤§¹wÀ³¤Oºc¥ó¡A¹wÀ³¤O¬I¥[À³¤p¤ß¿í¦u¦³Ãö¤£¦P¿ûµ¬¶¡¹wÀ³¤O¬I¥[¶¶§Ç¤§³]p«ü¥Ü¡]»P¤Î¬I¤O®É¦U¶¥¬q¤]À³ª`·N¡^¡F¦P¼Ë¡AªoÀ£¤d¤ç³»§@¥Î©óºÝÁ㤧¥½ºÝ³¡¤À®É¡A¤]À³¿í¦u¨ä¬ÛÃö¤§¤u§@«ü¥Ü¡C
²Ä¤@¦Ê¥|¤Q¥|±ø
¹wÀ³¤O¿ûµ¬¤§«OÅ@
¤@¡B¨Ï¥Î«á±iªk¬I¤u¤§¹wÀ³¤O¿ûµ¬¡AÀ³¾¨¥i¯à©ó¹wÀ³¤O¬I¥[«á¤§³Ìµu´Á¶¡¤º¤©¥H¾A·í¤§«OÅ@¥H¨¾¤î¿ûµ¬³Q«I»k¡A³q±`¥i©ó®MºÞ©Î¹wÀ³¤O¿ûµ¬¤Õ¹D¤º¤©¾A·í¤§Äé¼ß¥H¹F¨ì«OÅ@¥\¯à¡CµM¦Ó¡AÃþ¦ü¤§«OÅ@¤èªk¤]¾A¥Î©óºÝÁã¸Ë¸m¤¤¡C
¤G¡B©Ò¨Ï¥Î¤§Äé¼ß§÷®ÆÀ³¨ã¦³Àu¨}¤§´¤»q¤O¤Î¨¬°÷¤§¤O¾Ç±j«×¡A¦Ó¸Ó´¤»q¤O¹ê¬°¹wÀ³¤O¿ûµ¬»P®MºÞ©Î¹wÀ³¤O¿ûµ¬¤Õ¹D¶¡¤§´¤»q¯à¤O¡C¡]Y¥u§@¬°Á{®É¤§«OÅ@±¡ªp«h¨Ò¥~¡^¡C¦Ó¬°¸Ó«OÅ@¥Î³~¦Ó¨Ï¥Î¤§¤ôªd¼ßÀ³º¡¨¬²Ä¤@¦Ê¥|¤Q¤±ø©Ò©w¤§±ø¥ó¡C
¤T¡BÄé¼ß¤§¬I¤uÀ³¿í¦u²Ä¤@¦Ê¥|¤Q¤»±ø¤§³W©w¡A¨ÃÀ³½T«O¼ß²G¯à§¹¥þ¶ñº¡¿ûµ¬»P®MºÞ©Î¹wÀ³¤O¿ûµ¬¤Õ¹D¶¡¤§ªÅ»Ø¡C
¹wÀ³¤O¬I¥[»P¿ûµ¬±o¨ì«OÅ@¤§´Á¶¡¤@¯ë«ØÄ³¤£¯à¶W¹L7¤é¡CµM¦Ó¡AÕ¦ì©ó°ª«I»kÀô¹Ò¤U¡]¨Ò¦p°ª·Å¤Î°ªÀã«×Àô¹Ò¡^¡A©y±N¸Ó´Á¶¡¤©¥H°§C¡C
©ó¬Y¨Ç¯S®í±¡ªp¤¤¡]°ò©ó¬I¤u¤W¤§ì¦]¡B®ðԤ豤§ì¦]µ¥¡^¡AY¿ûµ¬¤§«OÅ@®É¶¡¨ü¨ì¯ÔÀÁ¡A«hÀ³¨Ï¥Î¾A·í¤§§÷®Æ¤Î¬I¤u¤èªk¶i¦æÁ{®É«OÅ@±¹¬I¡A¦ýµL½×¦p¦ó§¡¤£¯à¦³·l¨ä´¤»q¤O¡C
Y¿ûµ¬±Æ¸m¡B¹wÀ³¤O®MºÞ±Æ¸m¥H¤Î¹wÀ³¤O¬I¥[µ¥¤u§Ç»Ýn¸ûªø¤§®É¶¡¡]¤G¦Ü¤TÓ¤ë¡^¡A«h¥²¶·¦b¸Ó´Á¶¡¤ºµ¹¤©¾A·í¤§«OÅ@¡C
²Ä¤@¦Ê¥|¤Q¤±ø
Äé¼ß
¤@¡B¹wÀ³¤O®MºÞ¤ºÄé¼ß©Ò¨Ï¥Î¤§¤ôªd¼ß²G¦¨¥÷À³º¡¨¬NB¼Ð·Ç¤¤¤§¨î±ø¥ó¡A¯S§O«Y·í¯A¤Î«I»k©ÊÂ÷¤l±¡ªp®É§óÀ³¿í·Ó¼Ð·Ç¤¤¤§³W©w¡C
¤ôªd¼ß¦¨¥÷À³¨ã¦³Äé¼ß©Ò»Ý¤§¬y°Ê¯S©Ê¤Î±j«×¯S©Ê¡A¨Ã¾¨¥i¯à±Ä¥Î¸û§C¤§¤ô¦Ç¤ñ¡A²V¦X¾¯¤§¨Ï¥Î©y¾A·í¡A¤ôªd¼ß¤ºÀ³Á×§K§t¦³¹ï¿ûµ¬³y¦¨«I»k¤§ª«½è¡CÄé¼ß©Ò¨Ï¥Î¤§¤ôªdÀ³±Ä¥Î·sªñ»s¦¨«~¡AÄé¼ß¬I¤u®É¨ä·Å«×À³§C©óÄá¤ó40 oC¡C
¤G¡Bµw©T¤ôªd¼ß¤§§ÜÀ£±j«×¥i¥Ñ 5.000 mm2±¿n¤§7¤éÄÖ´Á¤ôªd¸Õ¶ô¨M©w¡A¨ä§ÜÀ£±j«×¤£À³¤Ö©ól7 MPa¡C
¤T¡B¬°Àò±o¬I¤u®É©Ò»Ý¤§§¡¤Ã©Ê¡A¤ôªd¼ß»s§@®ÉÀ³±Ä¥Î¾÷¾¹©Õ¦X¡]¥ý±N©Õ¦X¥Î¤ôª`¤J©Õ¦X¾÷¤ºµM«á¦A§ë¤J¤ôªd¶i¦æ©Õ¦X¡^¡AµM¦Ó¸Ó©Õ¦XÀ³¦b¤¤ÀÄÁ¤º¶i¦æ¡C
°£©Õ¦X®É±Ä¥Î½w¾®¾¯¥~¡A¤ôªd¼ß©Õ¦X«áÀ³¦b¥b¤p®É¤º¨Ï¥Î¡A¦b¨Ï¥Î¹Lµ{¤¤À³¤£°±ÅͩաC¨Ã¥B¤ôªd¼ß¦b¨Ï¥Î«e©y¥ý³q¹L¸û¤j¤§¿zºõ¶i¦æ¹LÂo¡C
µw©T¤ôªd¼ß§ÜÀ£±j«×¤§´ú©w¡AÀ³®Ú¾Ú²V¾®¤g§ÜÀ£±j«×´ú©w©Ò±Ä¥Î¤§n¨D¤Î¼Ð·Ç¶i¦æ¶q´ú¡C
Äé¼ß¬I¤u®É¡A¹ï¬Y¨Ç¤ôªd¼ß¯S©Ê¤]±oª`·N¡A½Ñ¦p¤ôªd¼Õ¤§§Üá©Ê¡Bªc¤ô§@¥Î¤ÎÅé¿nÅܤƵ¥¡C
²Ä¤@¦Ê¥|¤Q¤»±ø
®MºÞ¤ºÄé¼ß
¤@¡B¹wÀ³¤O®MºÞ¤ºÄé¼ßÀ³§â¼ß²G³q¹L¦ì©ó¸û§C¦ì¸m¤§Äé¼ß¤Õ¶i¦æÄéª`¡CYªuµÛ®MºÞ¤è¦V¤W®MºÞ¨Ã¨S¦³¸û¤j¤§°ªµ{ÅܤƮɡA«hÄé¼ß¥i©ó®MºÞºÝ³¡¶i¦æ¡C
¤G¡BÄé¼ß¹Lµ{À³³sÄò¤£¶¡Â_¨ÃÀ³ªuµÛ®MºÞ¤è¦V¥H¨C¤ÀÄÁ6¨ì12¦Ì¡]m/min¡^¤§³t«×©¹«e±À«e¡A©óÄé¼ß¤Õ¤º¤§¤ôªd¼ßÀ³¦³¬Û¦P¤§¸Y«×¡A¨Ã¥BÄé¼ß¹Lµ{À³¶i¦æª½¦Ü¤ôªd¼ß©ó¤£¦P¤§Äé¼ß¤Õ·¸¥X¤~¯à¤¤¤î¡]§YÄé¼ß¤Õ³v¨B¦a³Q¤ôªd¼Õ¶ñº¡¡^¡C
¤T¡B®MºÞÄé¼ßÀ³±Ä¥ÎÀ£¤O¬¦°e§Î¦¡¡]¤£¥i¥[¤JÀ£ÁYªÅ®ð¡^¡A¬°½T«OÄé¼ß©Ò»Ý¤§¬y°Ê¶q¡A¬G³Ì¤jÄé¼ßÀ£¤O¥i¥Î¨ì 2MPa¡AµM¦Ó¸Ó³Ì¤jÄé¼ßÀ£¤OÀ³±Ä¥Î¦Û°Ê¬¡»Ö¥[¥H±±¨î¡C©Ò¦³Äé¼ß³]³ÆÀ³Á×§K§âªÅ®ð¤Þ¤J®MºÞ¤º¡C
¥|¡BÕY®MºÞ«Y«D±`¾aªñ¥B¤¬¬Û¥¦æ®É¡A³q±`¨äÄé¼ßÀ³¦P¨B¶i¦æ¡C
¤¡B°£¦³¯S®í¨¾Å@³]¬I¥~¡A¤@¯ë¤£¯à©ó¥~¬É·Å«×§C©óÄá¤ó 5 oC¤§Àô¹Ò¤W¶i¦æÄé¼ß¡AÄé¼ß·Å«×±o«O«ù48¤p®É¡C
¤»¡B·í®MºÞ¬Æªø¥B¬°««ª½©Î¤Q¤À¶É±×®É¡A®MºÞ¤ºÄé¼ß¦³¥²n±Ä¥Î¯S®í§Þ³N¡A¨ÃÀ³¤p¤ß¶i¦æ¡C
²Ä¤G³¹
½è¶q«Oµý
²Ä¤@¦Ê¥|¤Q¤C±ø
Á`«h
¥Øªº«Y½T«O¤uµ{¹w©w¨Ï¥Î¯à¤O¤§¤èªk¾Ç¡]½è¶q«Oµý¡^¡A¦b¥»³W³¹¥u¦Ò¼{»Pµ²ºc¬ÛÃö¤§¦w¥þ¤Î@¤[©Ê¡C¥H¦¹¬°¥Ø¼Ð¡A¥»³¹´£¨ÑÃö©óªì¨B±±¨î¡B¥Í²£±±¨î¤Î¤uµ{¦X®æ±±¨î¡A¤uµ{Å禬¤Î«O¾i¤§¤@¯ë¼Ð·Ç¡C
ì«h¤W¡A«~½è±±¨î¯A¤Î©Ò¦³¦b«Ø¿vµ{§Ç¤§°Ñ»PªÌ¡]·~¥D¡B³]p®v¡B©Ó«Ø°Ó¡BºÞ²z¤ÎºÊ¹î¡B¹êÅç«Ç¡B¨Ï¥ÎªÌ¡B§å®ÖªÌµ¥¡^¤ÎÂX¦ù¦Ü¨CÓ°Ñ»PªÌ¤§©Ò¦³¶¥¬q¡]·§©À¡B³]p¡B«Ø¿v¤Î¨Ï¥Î¡^¡C
¥»³¹´£¨Ñ¤§¸ê®Æ°ò¥»¤W«Y¬°«Ø¥ß¦³Ãö½è¶q«Oµý¤§³q¥Î·§©À¤Î¬ÛÃö¦WºÙ¡A¦b°ê»Ú©Ê»{¥i¤§°ò¦¤W¡A¦]¦¹¨Ñµ¹¦b½s¼g¤uµ{§Þ³Nn¨D®É¤§¤@¨Ç¤è°w¡C
¦ý¥»³¹¤£³B²z»P½è¶q«Oµý¦³Ãö¤§¦X¬ù©Îªk«ß¨Æ©y¡A¤×¨ä«Y¦]©Ú¦¬¤£¦X®æ«~©Ò¾ÉP¤§«áªG¡]»@«h¡B½ßÀvµ¥¡^¤Î¦b¥»³W³¹½d³ò¤º¦b¤uµ{¤W¤£¦P°Ñ»PªÌ¤§¶¡¤§³d¥ô¤À°t¡C
²Ä¤@¦Ê¥|¤Q¤K±ø
ªì¨B±±¨î
¸Ó±±¨î¦b¤uµ{°õ¦æ«e¶}©l¹ê¬I¡A¥Øªº«Y½T«O¹w©w¤uµ{¤W¤§§Þ³N¡B§÷®Æ¡B¤Î²{¦³°õ¦æ¤èªk¯àº¡·N¦a¹ê½î¡C
´«¥y¸Ü»¡¡A¸Ó±±¨îÀ³°w¹ï©Ò¥Î¤§§÷®Æ¤Î¬I¤u¤èªk¦b³]p¤W¤§½è¶q¤Î«ê·í©Ê¡C
²Ä¤@¦Ê¥|¤Q¤E±ø
¥Í²£±±¨î
¤@¡B¥Í²£±±¨î¥]¬A¦b¤uµ{°õ¦æ´Á¶¡©Ò¹ê¬I¤§¤u§@¡A¬°¨ú±o¹ï©Ò»Ýº¡¨¬¤§±ø¥ó§@¤@¦X²z¤§«Oµý¡C
°ò¥»¤W¸Ó±±¨îÀ³°w¹ï¤uµ{°õ¦æ®É¤§§÷®Æ¤Î¨äÀ³¥Î¤è¦¡¡C
¤G¡B¹B¶i¤u¦a¤§§÷®ÆÀ³Åçµý¡A¬°¦¹¥ç¥i¯àÃöª`¨ì¸Ó§÷®Æ¦b¥Í²£®É©Ò¨ü¤§³Ì²×±±¨î¡C·í¸ÓÃþ±±¨î´£¨Ñ©Ò»Ý¤§«OÃҮɡAÅçµý±Ä¨ú¤§¤u§@¥i²¤Æ¬°¹ï¸Ó§÷®Æ¤§Å³©w¡C
¹ï©ó²V¾®¤g²Õ¦¨ª«®Æ¡A©Î¥Ñ¤@¥Í²£¤¤¤ß¨ÑÀ³¤§·s©Õ²V¾®¤g¤§±±¨î¡AÀ³¦Ò¼{¦bNB¼Ð·Ç¤¤©Ò³W©w¤§±ø¥ó¡C
¨Ï¥Î§÷®Æ«eÀ³ÅçÃÒ¦b¦s©ñ¤Î³B²z´Á¶¡©Ò¨ü¤§·l®`·|§_¤£¾A¦X©ó¹w©w¤§À³¥Î¤W¡C
¤T¡B¤uµ{°õ¦æ¶¡À³ªþ±a©Ò»Ý¤§ÅçÃÒ¥H½T«Oº¡¨¬³]p©Ò«ü¥Ü¤§±ø¥ó¡A¥çÅU¤Î¥»³W³¹²Ä¥|½s²Ä¤@³¹¤§¬I¤u³W©w¡C
¥|¡B¤uµ{µn°O¥UÀ³¶¶®É¶¡ªí¥Ü©Ò¦³¦b¬I¤u´Á¶¡¹ï¤uµ{¦³«n©Ê¤§½T©w¨Æ¶µ¡C·í¦³§P¨MÅv¤H¤h°Ý¤Î®É¡AÀ³µ¹¤©¸Ó¥U¤l¥H§@ñ¼g»P¤uµ{±¡ªp¦³Ãö¤§Æ[¹î¡C
²Ä¤@¦Ê¤¤Q±ø
¦X®æ±±¨î
¤@¡B¦X®æ±±¨î«Y«ö¨Æ«e¨î©w¤§³W«h¬°°ò¦¤§¤@¦æ°Ê»P¨Mµ¦¤§²Õ¦X¡]¦X®æ³W«h¦Ò¼{¨ì©â¼Ë¼Ð·Ç¤Î±µ¨ü©Ú¦¬¼Ð·Ç¡^¡A¥Øªº«Y½T©w¤uµ{¯àº¡¨¬¦]¦¹¦Ó²£¥Í¤§n¨D¡A³Ì²×¯à¤¹³\§PÂ_¥X¡m¦X®æ¡n©Î¡m¤£¦X®æ¡n¡C
¸Ó¦æ°ÊÀ³°w¹ï§÷®Æ¡B¬I¤u´Á¶¡¡B¤Î¤uµ{§¹µ²¤§«á¡C
¤G¡B§÷®Æ¤Î¨ä²Õ¦¨ª«®Æ¤§¦X®æ±±¨î¥i®Ú¾Ú¥Í²£±±¨î¤§´ú¸Õµ²ªG¤Î½T©w¬°°ò¦¡C·í¸Ó±±¨î¥¼¯à´£¨Ñ©Ò»Ý¤§«Oµý®É¡A©Î¥¼¦³¶i¦æ¸Ó±±¨î¡AÀ³n¶i¦æ©Ò»Ý¤§½T©w¤Î´ú¸Õ¡A¥H«K¯à§PÂ_¬O§_¦X®æ¡C
²V¾®¤g¤§¦X®æ±±¨îÀ³¦Ò¼{NB¼Ð·Ç©Ò«ü¥Ü¤§·Ç«h¡C
¤T¡B¬I¤u´Á¶¡¤§¦X®æ±±¨îÀ³¥H²Ä¤@¦Ê¥|¤Q¤E±ø¤§¥Í²£±±¨î¬°°ò¥»¡A¦Ò¼{©Ò¦³¦b¤uµ{µn°O¥U¤¤¥]§t¤§ºc¥ó¡C
¥|¡B¤uµ{§¹µ²«á¤§¦X®æ±±¨îÀ³¨Ì¨Ò³q¹LÅçµý¥~§Î¤Î¤Ø¤o¡A¯S§Onª`·N³Ì²×¥X²{¤§¹L¶qÅܧΡB¶}µõ¡B²V¾®¤g·lÃa¡B¤£¨¬¤§¿ûµ¬«OÅ@¼hµ¥¡C¦b¬Y¨Ç±¡ªp¡A·í¤uµ{¦³¯S§O¤§«n©Ê©Î¯S©Ê®É¡A¥i¥H¹w©w¹ê½îªþ¥[´ú¸Õ¡A¥Øªº«Y¶i¤@¨BÃÒ©ú¨äªí²{¡C
²Ä¤@¦Ê¤¤Q¤@±ø
Å禬
¤@¡BÅ禬«Y³Ì²×¤§¦æ°Ê¡A±q¦X®æ±±¨îµ²ªG§@¥X¡A¥]¬A±µ¨ü©Î©Ú¦¬¸Ó¤uµ{¡C
·í¡m¦X®æ¡n®É¡A¤uµ{À³³Q±µ¨ü¡F·í¡m¤£¦X®æ¡n®É¡Aì«h¤W¤uµ{À³³Q©Ú¦¬¡A¦ý¦b¥H¤U©Ò¥Ü¤§±¡ªp¤U¥i³Q±µ¨ü¡C
¤G¡B·í¦X®æ±±¨îµ²ªG¥¼º¡·N®É¡A¤uµ{¤´¥i±µ¨ü¡A¦b¦Ò¼{¨ä«ü©w±ø¥ó¤U¹ï°ÝÃD§@§PÂ_¡A¤Îµý¹ê¤wº¡¨¬¦w¥þ³W©w¤§n¨D¡C
¸Ó¦w¥þ½T©w¥i¥Î±±¨î´Á¶¡©Ò±o¤§´ú¸Õµ²ªG¬°°ò¦©Î¥H¦³¨¬°÷¥Nªí©Ê¤Î¾A·í¸ÑÄÀ¤§´ú¸Õµ²ªG¡A§Q¥Î¬°¦¹¦Ó¨ú¤§Æpªä¼Ë¥»¡C
²Ä¤@¦Ê¤¤Q¤G±ø
«O¾i
¤@¡Bµ²ºcÀ³¶i¦æ«O¾i¥Hºû«ù¥»¨À³¦³¤§¯à¤O¥H°õ¦æ¨ä³]p¤W©Ò«ü©w¤§¥\¥Î¡C³Ì²×À³±µ¨ü©w´ÁÀˬd¤Î¡A¦p¦³»Ýn®É¡A¨¬°÷¤§ºûסC
¤G¡Bµ²ºc¹Ø©R´Á¶¡À³¦³©w´ÁÀˬd¡A¥Øªº«Y¯à¹îı¨ì¥i¯à¤§·lÃa¤Î¤¹³\¤Î®ÉºûסC¸ÓÀˬd¤§©P´Áµø¥G¤£¦P¦]¯À¡A¦p¤uµ{¨Ï¥ÎºØÃþ¡A¨ä«n©Ê¤Î¥~¬ÉÀô¹Ò¤§«I»k©Ê¡C
Àˬd®ÉÀ³¯S§Oª`·N±¼h¤§§½³¡Åܦâ¡B鸨¡B¥X²{ù×»k¡B¶}µõ¡B¤Î¹L¶qÅܧΡA¸Óµ¥¦]¯À¥i¥Ü·Nµ²ºc»Ýn§ï¥¿¤§¤£¥¿±`ªí²{¡C
¤T¡B·íÀˬdµo²{¥ô¦óµ²ºc¤£¨¬¤§ªí²{®É¡AÀ³½Õ¬d¨ä¦¨¦]¥H¶i¦æ»Ýn¤§ºûפu§@¡C
ºû׫ᤧµ²ºcÀ³²Å¦X¨ä³W³¹¤º¦³Ãö³W©w¨Ï¥Î±ø¥ó¤§¦w¥þ¡C
¦b¬Y¨Ç±¡ªp¤U¡A¥i¦b¾A·í¤§³¡¦ì¦³®Ä¦a©ñ¸m¼Ð°O«ü©ú©Ò¤¹³\¤§³Ì¤j¨Ï¥Î²ü¸ü¡A¥Øªº«Y´£¿ô¨Ï¥ÎªÌY¬I¥[²ü¸ü¶W¹L©Ò«ü¥Ü¡A¥i¯à¹ïµ²ºc³y¦¨¯}Ãa¡C
·í¥~¬ÉÀô¹Ò¤§«I»k©Ê¨Ã¤£¯S§OÄY«®É¡AÀˬd©P´Á¥i«ö¥H¤U¤§«ØÄ³¡G
| ©~¦í¥Î | ¤Q¦~ | 
| ¤½·~¥Î | ¤¦Ü¤Q¦~ | 
| ¨T¨®¥Î¾ô¼Ù | ¤@¦Ü¤¦~ | 
| ÅK¸ô¥Î¾ô¼Ù | ¤@¦Ü¨â¦~ | 
ªþ¥ó¤@¡G²Å¸¹»¡©ú
¤j·¢©Ô¤B¦r¥À
| A | ±¿n | 
| Ac | ºc¥ó¤§²V¾®¤g¾îºI±±¿n | 
| Ac,ef | ³ò¶°tµ¬¤§²V¾®¤g±¿n¡]¶}µõ¡^ | 
| Act | ¨ü©Ô°Ï¤º¤§²V¾®¤g | 
| Ak | °²³]Á¡¾ÀºI±¤¤½u¤º©Ò¥]¬A¤§±¿n | 
| Ap | ¹wÀ³¤O¿ûµ¬ºI±±¿n | 
| As | ´¶³q¿ûµ¬ºI±±¿n | 
| As,cal | ³]pn¨D¿ûµ¬ºI±±¿n | 
| As,ef | ¹ê»Ú±Ä¥Î¿ûµ¬ºI±±¿n | 
| Asl | Áa¦V§Ü§á¿ûµ¬ºI±±¿n | 
| Ast | ¾î¦V§Ü§á¿ûµ¬ºI±±¿n | 
| Asw | °Å¤O¿ûµ¬ºI±±¿n | 
| As2 | ¨üÀ£°Ï¤º¿ûµ¬ºI±±¿n | 
| A0 | ¶°¤¤¥~¤Oª½±µ¦û¥Î¤§±¿n | 
| Al | µê³]½ü¹ø½u¤º¤§±¿n | 
| E | ¼u©Ê¼Ò¶q | 
| Ec | ²V¾®¤g¼u©Ê¼Ò¶q | 
| Ec,ef | ¦³®Ä²V¾®¤g¼u©Ê¼Ò¶q | 
| Ec,j | ²V¾®¤gj¤éÄÖ´Á®É¤§¼u©Ê¼Ò¶q | 
| Ec(t0) | ¦b¨ü²ü¤@¨è¤§®É¤§²V¾®¤g¼u©Ê¼Ò¶q | 
| Ec,28 | ²V¾®¤g28¤éÄÖ´Á®É¤§¼u©Ê¼Ò¶q | 
| Ep | ¹wÀ³¤O¿ûµ¬¼u©Ê¼Ò¶q | 
| Es | ´¶³q¿ûµ¬¼u©Ê¼Ò¶q | 
| EI | Ås¦±ºI±è«×«Y¼Æ | 
| F | ¤O¡F««ª½¤O | 
| Fs | ¦bÃ赬¤§¤O | 
| FSd | ¥~¥[¤O³]pÈ | 
| Ft1,Sd | ¦X©Ô¤O | 
| H | ¤ô¥¤O | 
| l | ºD©Ê¯x | 
| lc | ºc¥ó²V¾®¤g³¡¤À¤§ºD©Ê¯x | 
| J(t,t0) | įÅÜ¨ç¼Æ | 
| M | Ås¯x | 
| Mcr | ¶}µõÅs¯x | 
| M¡¦Rd | Ås¯x§Ü¤O¡]°¾¤ß¶Z¡^ | 
| MRd,x, MRd,y | ºI±Âù¦VÅs¦±¤§³]p§ÜÅs±j«× x ¡By ¥¿¥æ¶b ¤§¤À¶q | 
| MRd,xo,MRd,yo | ºI± x ¡By ¥¿¥æ¶b¤§¨C¤@³]p§ÜÅs±j«× | 
| MSd | ¥~¥[Ås¯x³]pȺI± x ¡By ¥¿¥æ¶b¤§¤À¶q | 
| MSd,a,MSd,b | ¬Û¹ï¬W¨âºÝ¤§¥~¥[Ås¯x³]pÈ¡]®À¦±¡^ | 
| MSg | ¥Ã¤[§@¥Î©Ò²£¥Í¤§¥~¥[Ås¯x | 
| MSd,x, MSd,y | ¥~¥[Ås¯x¦bºI± x ¡By ¥¿¥æ¶b¤§¤À¶q | 
| M0 | ´îÀ£Ås¯x | 
| N | ¥¿¦V¤O | 
| Ncr | ¶}µõ©ÔÀ³¤O | 
| NE | EulerÁ{¬É²ü¸ü | 
| NRd | ¥¿¦V¤O±j«×³]pÈ | 
| Npd | ¥¼¦³·l¥¢¤§°_©l¹wÀ³¤O | 
| NSd | ¥~¥[¥¿¦V¤O³]pÈ | 
| NSg | ¥Ã¤[§@¥Î©Ò²£¥Í¤§¥~¥[¥¿¦V¤O | 
| Pd | ¹wÀ³¤O³]pÈ | 
| Pk,sup | ¹wÀ³¤O°ª¼ÐÈ | 
| Pk,inf | ¹wÀ³¤O§C¼ÐÈ | 
| Pm,t | ¹wÀ³¤O¥§¡È | 
| Pm,0 | t = 0¤§ªì©l¹wÀ³¤O¥§¡È | 
| Pm,∞ | ©Ò¦³·l¥¢§¹¥þ¥X²{«á¤§³Ì²×¹wÀ³¤O¥§¡È | 
| P0¡¦ | ì©l¹wÀ³¤O | 
| Pt(x) | x§¤¼ÐºI±¤W«ü©w®É¶¡t¤§¹wÀ³¤OÈ | 
| P0(x) | x§¤¼ÐºI±¤W¤§ªì©l¹wÀ³¤OÈ | 
| P∞(x) | x§¤¼ÐºI±¤W¤§³Ì²×¹wÀ³¤OÈ | 
| Rd | ©è§Ü¯à¤O³]pÈ | 
| RH | ¬Û¹ïÀã«× | 
| S | ¿ûµ¬±¿n¦bºI±«¤ß¤W¤§ÀR¤O¯x | 
| Sd | ¥~¤O³]pÈ | 
| T | §á¯x¡F·Å«× | 
| TRdl | ²V¾®¤g¨üÀ£±ì©Ò¯à©Ó¨ü¤§³Ì¤j§á¯x | 
| TRd2 | ¿ûµ¬©Ò¯à©Ó¨ü¤§³Ì¤j§á¯x | 
| TSd | ¥~¥[§á¯x³]pÈ | 
| V | °Å¤O | 
| Vcd | ²V¾®¤g§Ü°Å¤O | 
| VRd1 | ¤£°t¸m°Å¤Oµ¬ºc¥ó¤§§Ü°Å¤O³]pÈ¡]°Å¤O¡^ | 
| VRd2 | °²³]²V¾®¤g¨üÀ£±ì©Ò¯à©Ó¨ü¤§³Ì¤j°Å¤O³]pÈ¡]°Å¤O¡^ | 
| VRd2,red | §é´î«á¤§VRd2È | 
| VRd3 | °t¦³°Å¤Oµ¬ºc¥ó¤§³Ì¤j§Ü°Å¤O³]pÈ¡]°Å¤O¡^ | 
| VSd | ¥~¥[°Å¤O³]pÈ | 
| Vwd | °tµ¬§Ü°Å¤O | 
¤p·¢©Ô¤B¦r¥À
| a, ai | ¤Ø¤o¡F¶¡¯x¡FÅs¦±ºc¥ó¼¸«× | 
| al | MSd/z¤O¹Ï¥²¾ | 
| ao, a1 | »PA0¤ÎA1¤§¬Û¹ïª½®| | 
| b, bi, bi' | ¤Ø¤o¡FºI±¼e«× | 
| bef, bef1, bef2 | ¦³®Ä¼e«× | 
| bm | ªOºc¥ó¼e«× | 
| bt | ¨ü©Ô°ÏºI±¥§¡¼e«× | 
| bw | ºI±¸¡³¡¼e«× | 
| bx, by | Á{¬É½ü¹ø½u¥¿Å²ü¸ü x ¤Î yÃ䤧ªø«× | 
| c | ¿ûµ¬«OÅ@¼h | 
| d | ºI±¦³®Ä°ª«×¡Fª½®| | 
| dg | °©§÷¤§³Ì¤j¤Ø¤o | 
| dw,max | µ²ºcÅé³Ì¤j¤¹³\¤ô¥¦ì²¾ | 
| d0 | ¨R¤Á¤OÁ{¬É½ü¹ø½uª½®| | 
| e, ex, ey | °¾¤ß¶Z¤Î¨ä¤À¶q | 
| ea, eax, eay | °¸µM°¾¤ß¶Z¤Î¨ä¤À¶q¡]®À¦±¡^ | 
| ec, ecx, ecy | įÅܰ¾¤ß¶Z¤Î¨ä¤À¶q¡]®À¦±¡^ | 
| e2, e2x, e2y | ¤G¶¥°¾¤ß¶Z¤Î¨ä¤À¶q¡]®À¦±¡^ | 
| fbd | ´¤»q±j«×³]pÈ | 
| fc | ²V¾®¤g§ÜÀ£±j«×È | 
| fcd | ²V¾®¤g§ÜÀ£±j«×³]pÈ | 
| fck | ²V¾®¤g28¤é§ÜÀ£±j«×¼Ð·ÇÈ | 
| fck,cubo | ²V¾®¤g§ÜÀ£±j«×¼Ð·ÇÈ¡]¤è¶ô¡^ | 
| fck,cyl | ²V¾®¤g§ÜÀ£±j«×¼Ð·ÇÈ¡]¶ê¬WÅé¡^ | 
| fck,j | ²V¾®¤g j ¤é§ÜÀ£±j«×¼Ð·ÇÈ | 
| fcm | ²V¾®¤g28¤é§ÜÀ£±j«×¥§¡È | 
| fcm,j | ²V¾®¤g j ¤é§ÜÀ£±j«×¥§¡È | 
| fct,ef | ·íº¦¸¶}µõ®É²V¾®¤g¤§§ÜÀ£±j«× | 
| fctd | ²V¾®¤g§Ü©Ô±j«×³]pÈ | 
| fctk | ²V¾®¤g28¤é§Ü©Ô±j«×¼Ð·ÇÈ | 
| fctk,j | ²V¾®¤g j ¤é§Ü©Ô±j«×¼Ð·ÇÈ | 
| fctm | ²V¾®¤g28¤é§Ü©Ô±j«×¥§¡È | 
| fpuk | ¹wÀ³¤O¿ûµ¬§Ü©Ô±j«×¼Ð·ÇÈ | 
| fp0,1k | ¹wÀ³¤O¿ûµ¬¤§³W©w«D¤ñ¨Ò¦ùªøÀ³¤O ¡]0.1%¡^¼Ð·ÇÈ | 
| fsycd | ´¶³q¿ûµ¬©}ªAÀ³¤O©Î³W©w«D¤ñ¨ÒÀ£ÁYÀ³¤O¡]0.2%¡^³]pÈ | 
| fsyd | ´¶³q¿ûµ¬©}ªAÀ³¤O©Î³W©w«D¤ñ¨Ò©Ô¦ùÀ³¤O¡]0.2%¡^³]pÈ | 
| fsyk | ´¶³q¿ûµ¬©}ªAÀ³¤O¼Ð·ÇÈ | 
| h, hi | ºI±Á`°ª«×¡FªO«p«× | 
| htot | µ²ºcÅéÁ`°ª«× | 
| i | ºI±¦^Âà¥b®| | 
| j | ²V¾®¤gÄÖ´Á | 
| k | ¨C³æ¦ìªø«×¤§«D¯S·N¨¤°¾¦ì¡FÀ³¤O¤£§¡¤Ã¤À§G¦Û°Ê¥¿Å®ÄÀ³«Y¼Æ | 
| kc | À³¤O¤À§G«Y¼Æ | 
| k1 | ¿ûµ¬´¤»q¤O¼vÅT«Y¼Æ | 
| k2 | ©ÔÀ³¤O¤À§G¼vÅT«Y¼Æ | 
| kσ | À³¤OÀ³ÅܤñÈ | 
| l | ²z½×¸ó«×¡F¬W¦Û¥Ñªø«× | 
| lb | ¿ûµ¬Áã©Tªø«×°òÂ¦È | 
| lb,net | ¿ûµ¬Áã©Tªø«× | 
| lbp | ¥ý±iªk¹wÀ³¤O¿ûµ¬Áã©Tªø«× | 
| lb,o | ¿ûµ¬¤§Å|±µªø«× | 
| lef | ¦³®Ä¸ó«× | 
| li | ¼Ù©ÎªO¤§µ¥®Ä¸ó«× | 
| ln | ¤ä©Ó¶¡¤§²b¶Z | 
| lo | ®À¦±¦³®Äªø«× | 
| lo¡¦ | ¹sÅs¯x¶¡¤§¶ZÂ÷ | 
| lp | ¦]¹wÀ³¤O©Ò¤Þ°_¤§À³¤O½Õ¾ã¶ZÂ÷ | 
| lx, ly, l1, l2 | ¤ä©Ó¶b¶¡¶ZÂ÷ | 
| mSdx, mSdy | x¤Î y¤è¦V¨C³æ¦ì¼e«×¤§³Ì¤pÅs¯xÈ | 
| mx, my, mxy | Ås¯xÈ | 
| n | ¼Ó¼h¼Æ¥Ø | 
| pcRd | ²V¾®¤g¥i©è¿m¤§§½³¡À£¤O³]pÈ | 
| r | ¦±²v¥b®| | 
| rcs | ¦¬ÁY¾ÉP¤§¦±²v | 
| rinf | §C¼Ð¨t¼Æ | 
| rsup | °ª¼Ð¨t¼Æ | 
| s | ¿ûµ¬¶¡¶Z | 
| srm | µõÁ_¶¡¥§¡¶ZÂ÷ | 
| t | ®É¶¡¡F²V¾®¤gÅþ´Á¡F°²³]Á¡¾ÀºI±«p«× | 
| ts | pºâ²V¾®¤g¦¬ÁY¤§°_©l®É¶¡¤§²V¾®¤gÄÖ´Á | 
| t0 | ×¥¿¨ü²ü¸ü§@¥Î®É¤§²V¾®¤gÄÖ´Á¡F²V¾®¤g¦b¬I¥[¹wÀ³¤O®É¤§ÄÖ´Á | 
| t0,T | ¨ü²ü¸ü§@¥Î®É¤§²V¾®¤gÄÖ´Á | 
| u | ©P¬É | 
| uk | °²³]Á¡¾ÀºI±¤¤½u¤§©P¬É | 
| VRd1 | ¤£°t¸m¾î¦Vµ¬ªO¤WÁ{¬É½ü¹ø½u¨C³æ¦ìªø«×¤§¨R¤Á©Ó¸ü¤O³]pÈ¡]¨R¤Á¤O¡^ | 
| VRd2 | °t¦³¾î¦Vµ¬ªO¤WÁ{¬É½ü¹ø½u¨C³æ¦ìªø«×³Ì¤j¤§¨R¤Á©Ó¸ü¤O³]pÈ¡]¨R¤Á¤O¡^ | 
| VRd3 | °t¦³¾î¦Vµ¬ªO¤WÁ{¬É½ü¹ø½u¨C³æ¦ìªø«×¤§¨R¤Á©Ó¸ü¤O³]pÈ¡]¨R¤Á¤O¡^ | 
| Vsd | ¨C³æ¦ìªø«×¤§¥~¥[°Å¤O¡]©Î¨R¤Á¤O¡^³]pÈ | 
| w | µõÁ_¼e«× | 
| wm | ¥§¡µõÁ_¼e«× | 
| wk | µõÁ_¼e«×¼Ð·ÇÈ | 
| x | §¤¼Ð¡F¤¤©Ê¶b²`«× | 
| z | Ås¦±¤º¤OÅs¯xÁu | 
¤j·¢§ÆÃ¾¦r¥À
| Δa, Δb, Δd | ¤Ø¤o¤§®e³\»~®t | 
| ΔFsSd | ¿ûµ¬¨âºI±¤W¨â¤OȤ§®t | 
| Δx | ¶ZÂ÷ | 
| Δσ | À³¤OÅÜ¤Æ | 
| Δσpti,r | ©ó®É¶¡ t ¦]¹wÀ³¤O¿ûµ¬ÃP¹£©Ò¤Þ°_¤§À³¤O·l¥¢ | 
| Δσp,t-to,r(x) | ¹wÀ³¤O¿ûµ¬ºI± x ±q®É¶¡ t ¦Ü t0 ¦]¿ûµ¬ÃP¹£©Ò¤Þ°_¤§À³¤O·l¥¢ | 
| Δσpt,s+c+r(x) | ©ó®É¶¡ t ¦]²V¾®¤g¦¬ÁY»PįÅܤοûµ¬ÃP¹£©Ò¤Þ°_¤§©µ®ÉÀ³¤O·l¥¢ | 
| Δσpo,i(x) | ¥Nªí¹wÀ³¤O¿ûµ¬ºI± x ¤§¬Y¤@ºØÀþ®ÉÀ³¤O·l¥¢ | 
| Δσpo,e(x) | ¹wÀ³¤O¿ûµ¬ºI± x ¦]²V¾®¤gÅܧΩҤް_¤§Àþ®ÉÀ³¤O·l¥¢ | 
| Δσpo,fr(x) | ¹wÀ³¤O¿ûµ¬ºI± x ¦]¼¯À¿¤O©Ò¤Þ°_¤§Àþ®ÉÀ³¤O·l¥¢ | 
| Δσp∞r(x) | ©óµLªø®É¶¡¹wÀ³¤O¿ûµ¬ºI± x ¦]¿ûµ¬ÃP¹£©Ò¤Þ°_¤§À³¤O·l¥¢ | 
| Δσp∞s+c(x) | ©óµLªø®É¶¡¹wÀ³¤O¿ûµ¬ºI± x ¦]²V¾®¤g¦¬ÁY»PįÅܩҤް_¤§À³¤O·l¥¢ | 
| Δσp∞s+c+r(x) | ©óµLªø®É¶¡¹wÀ³¤O¿ûµ¬ºI± x ¦]²V¾®¤g¦¬ÁY»PįÅܤοûµ¬ÃP¹£©Ò¤Þ°_¤§À³¤O·l¥¢ | 
| Φ, Φn | §ôµ¬¤§µ¥®Äª½®| | 
¤p·¢§ÆÃ¾¦r¥À
| £\ | ¾¡F¨¤«×¡F«Y¼Æ¡F¦P©Ê«Y¼Æ¡Fµø¥G¤ôªdºØÃþ¤§¾¡]įÅÜ¡^ | 
| £\a | «Y¼Æ¡]Áã©T¡^ | 
| £\E | ¦a¾_«Y¼Æ | 
| £\e | «Y¼Æ¡]«÷±µ¡^¡O | 
| £\min | £\1©Î£\2¸û¤p¤§È | 
| £\£c | ¦³®Ä¦P©Ê«Y¼Æ | 
| £\1,£\2 | ¬W¨C¤@ºÝ¤§°Ñ¼Æ | 
| £\I £\II | ¤À§O«ü«D¶}µõ»P§¹¥þ¶}µõ±¡ªp©Ò±o¤§°Ñ¼Æ | 
| £] | ¾¡F¨¤«×¡F«Y¼Æ | 
| £]c | įÅܪø´Á¥Í¦¨¨ç¼Æ | 
| £]p | ²ü¸ü°¾¤ß®ÄÀ³«Y¼Æ | 
| £]s | ÀHµÛ®É¶¡¤§¦¬ÁYºtÅÜ¨ç¼Æ | 
| £]sc | µø¥G¤ôªdºØÃþ¤§«Y¼Æ¡]¦¬ÁY¡^ | 
| £]v | ¼W¥[§Ü°Å±j«×«Y¼Æ | 
| £]1 | ¿ûµ¬´¤»q¯S©Ê«Y¼Æ | 
| £]2 | ¥Ã¤[©Ê©Î´`Àô©Ê§@¥Î«Y¼Æ | 
| £^c | ²V¾®¤g±j«×¯S¼x¤À¶µ¦w¥þ«Y¼Æ | 
| £^f | ¤@¯ë§@¥Î¤À¶µ¦w¥þ«Y¼Æ | 
| £^g | ¥Ã¤[§@¥Î¤À¶µ¦w¥þ«Y¼Æ | 
| £^m | §÷®Æ±j«×¯S¼x¤À¶µ¦w¥þ«Y¼Æ | 
| £^p | ¹wÀ³¤O§@¥Î¤À¶µ¦w¥þ«Y¼Æ | 
| £^s | ¿ûµ¬±j«×¯S¼x¤À¶µ¦w¥þ«Y¼Æ | 
| £_ | ¥~¤O«¤À§G«Y¼Æ | 
| £`c | ²V¾®¤gÅܧΠ| 
| £`c(t) | ©ó®É¶¡t¤§Á`ÅܧΠ| 
| £`cc(t), £`cc(t,t0) | ©ó®É¶¡ t > t0 ¥ÑįÅܲ£¥Í¤§À³Åܶq | 
| £`ci(to) | ²ü¸ü§@¥Î¤UÀþ¶¡¤§À³Åܶq | 
| £`cn(t) | ©ó®É¶¡ t > t0 »PÀ³¤OµLÃö¤§À³Åܶq | 
| £`cs | ¦Û¥Ñ¦¬ÁYÀ³Åܶq | 
| £`cs(t) | ©ó®É¶¡t > t0¥Ñ¦¬ÁY²£¥Í¤§À³Åܶq | 
| £`cs(t, ts) | ©ó®É¶¡t¤§Á`¦¬ÁYÀ³Åܶq | 
| £`cs(t¡Ût0) | ©ó®É¶¡t¡Û > t0¥Ñ¦¬ÁY²£¥Í¤§À³Åܶq | 
| £`cso | ²V¾®¤g¦¬ÁY°Ñ¦ÒÈ | 
| £`cT(t) | ©ó®É¶¡ t > t0¥Ñ¼ö²£¥Í¤§À³Åܶq | 
| £`c£m(t), £`c£m(t,t0) | ©ó®É¶¡ t > t0»PÀ³¤O¦³Ãö¤§À³Åܶq | 
| £`c1 | ²V¾®¤g¨ü¸û¤jÀ£¤OÅÖºû¤W¤§À³Åܶq | 
| £`c2 | ²V¾®¤g¨ü¸û¤pÀ£¤OÅÖºû¤W¤§À³Åܶq | 
| £`s | ¿ûµ¬¤§À³Åܶq | 
| £`sm | ¿ûµ¬¤§¥§¡À³Åܶq | 
| £`1, £`2 | ¨ü¸û¤j©Î¸û¤p©ÔÀ³¤O¤§²V¾®¤gÅÖºû | 
| £a | ¤À§G«Y¼Æ | 
| £b | «Y¼Æ | 
| £c | ¨¤«× | 
| £f | «Y¼Æ¡Fºc¥ó²Óªø«× | 
| £g | ¿iÀ¿¤O«Y¼Æ | 
| £h | ªyªQ¤ñ | 
| £l | °tµ¬²v | 
| £llx, £lly | x ¤Î y¤è¦V¤§©Ô¤O°tµ¬ | 
| £lw | °Å¤O°tµ¬²v | 
| £lr | ¿ûµ¬¦³®Ä¤ñ²v | 
| £mc | ²V¾®¤gÀ£À³¤O | 
| £mc(x) | ©óºI±x ¤§²V¾®¤gÀ£À³¤O | 
| £mcp,ef | ²V¾®¤g¦³®Ä¥§¡À³¤O | 
| £mc,g(x) | ©óºI±x ¤W¥Ñ¥Ã¤[§@¥Î©Ò²£¥Í¦b²V¾®¤g¤§À³¤O | 
| £mc,max | ²V¾®¤g³Ì¤jÀ£À³¤O | 
| £mc,po(x) | ©óºI±x ¤W¥Ñ°_©l¹wÀ³¤O©Ò²£¥Í¦b²V¾®¤g¤§À³¤O | 
| σc,p∞(x) | ©óºI±x ¤W¥Ñ³Ì²×¹wÀ³¤O©Ò²£¥Í¦b²V¾®¤g¤§À³¤O | 
| £mc(t0) | ©ó®É¶¡to²V¾®¤g©Ò¨ü¤§ùÚ¶qÀ³¤O | 
| £mp(x) | ©óºI±x ¹wÀ³¤O¿ûµ¬¤W¤§À³¤O | 
| £mPo¡¦ | ì©l¹wÀ³¤OÈ | 
| £mpo(x) | ©óºI±x ¤W¥Ñ°_©l¹wÀ³¤O©Ò²£¥Í¦b¹wÀ³¤O¿ûµ¬¤§À³¤O | 
| £mpo+g(x) | ©óºI±x ¤W¥Ñ°_©l¹wÀ³¤O¤Î¨ä¥¦¥Ã¤[§@¥Î©Ò²£¥Í¦b¹wÀ³¤O¿ûµ¬¤§À³¤O | 
| £mp¡Û(x) | ©óºI±x ¤W¥Ñ³Ì²×¹wÀ³¤O©Ò²£¥Í¦b¹wÀ³¤O¿ûµ¬¤§À³¤O | 
| £ms | ¤@¯ë«ü´¶³q¿ûµ¬¤§À³¤O | 
| £msSd | ¥~¥[§@¥Î³]pȤU¤§¿ûµ¬À³¤O | 
| £msr | °_©l¶}µõ®É¤§¿ûµ¬©ÔÀ³¤O | 
| £nbSd | ¥~¤O³]pȤU¤§´¤»qÀ³¤O | 
| £nRd, £nRd2 | pºâ§Ü°Å¤O°Ñ¦ÒÈ | 
| £X, £Xi | ¿ûµ¬¡B¿ûµ·¡B©Î¿ûµ±½uª½®| | 
| £Xn | §ôµ¬¤§µ¥®Äª½®| | 
| £X(t,t0) | ©ótÄÖ´Á¤§Ä¯ÅÜ«Y¼Æ¡A¬Û¹ï¦b to ÄÖ´Á®É¬I¥[À³¤O | 
| £X(t¡Ût0) | ©óµLÄÖ´Á¤§Ä¯ÅÜ«Y¼Æ¡A¬Û¹ï¦btoÄÖ´Á®É¬I¥[À³¤O | 
| £Xo | įÅÜ«Y¼Æ°Ñ¦ÒÈ | 
| £Xo,k | «D½u©ÊįÅÜ«Y¼Æ°Ñ¦ÒÈ | 
| £Z | ¤@¯ëpºâ§@¥Î§é´îȤ§«Y¼Æ | 
²ºÙ
| ASTM | American Society for Testing and Materials | 
| A235, A335, A400, A500 | ´¶³q¿ûµ¬µ¥¯Åªí¥Ü | 
| B15, B20, ... | ²V¾®¤gµ¥¯Åªí¥Ü | 
| FIP | Fédération Internationale de la Précontrainte. | 
| ISO | International Organization for Standardization. | 
| CEB | Comité Euro-international du Béton. | 
| LNEC | ¸²°ê°ê¥ß¤g¤ì¤uµ{¹êÅç«Ç | 
| LNEC E-... | ¸²°ê°ê¥ß¤g¤ì¤uµ{¹êÅç«Ç³W®æn.o.. | 
| NA | ¿ûµ¬²V¾®¤g¥Î¼öªî¿ûµ¬¼Ð·Ç | 
| NB | ²V¾®¤g¼Ð·Ç | 
| NP-... | ¸²°ê¼Ð·Çn.o.. | 
| RILEM | Réunion Internationale des Laboratoires d'Essais et de Recherches sur les Matériaux et les Constructions. | 
| REBAP | ¿ûµ¬²V¾®¤g¤Î¹wÀ³¤O²V¾®¤gµ²ºc³W½d | 
| RSA | «Î¦tµ²ºc¤Î¾ô¼Ùµ²ºc¤§¦w¥þ¤Î²ü¸ü³W½d | 
ªþ¥ó¤G
¿ûµ¬¤Î¹wÀ³¤O²V¾®¤g¨¾¤õ¦w¥þ½T©w
¤@¡BÁ`«h
¥»ªþ¥ó¥]§t¹ï¼Ù¡BªO¡B¬W¡Bù٤ΩԱ줧¨¾¤õ©Ê¯à¦w¥þ½T©w©Ò¨ú¤§¹ê¥Î³W«h¡A¨¾¤õ©Ê¯à¯Å§O«ö¸g²Ä39/2022¸¹¦æ¬Fªk³W®Ö㪺¡m¼Ó¦t¤Î³õ¦a¨¾¤õ¦w¥þ§Þ³N³W³¹¡n¤¤±q«Î¦t°ª«×¤Î¨Ï¥ÎÃþ§O¨ÓÀÀ©w¥X¡C¸Óµ¥³W«h¤¹³\½T©wµ²ºcª«¦b¤õ§@¥Î¤U¦³Ãö¨ä¤ä©Ó¥\¯à¤Î¹jÂ÷¥\¯à¦³¨¬°÷¤§¦w¥þ©Ê¡A«áªÌ«ü¨äµ´¼ö©Ê¯à©Î¤õµK±K«Ê©Ê¯à¡C
¹ï¨C¤@Ãþºc¥ó¡Aµø¥G¨ä¤Ø¤o¤Î¥~ÅS±¡ªp¡A¨M©w¥X¦³Ãöºc¥ó«p«×¤Î¿ûµ¬«OÅ@¼h¤§n¨D¡A¥Hºc¥ó¦b´¶³q·Å«×¤U²Å¦X¦w¥þ©Ò»Ý¤§³Ì¤p°tµ¬¡A¥Î£^f = 1.5 ¤Î £^s = 1.15.pºâ¡A²Ó¤ß¦C©óªí¤¤¡C¦b¸Óµ¥±¡ªp¤¤¡A·í¦³¤õ§@¥Î®É¡A¤À¶µ¦w¥þ¨t¼Æ £^f ¤Î £^s§@l¦Ò¼{¡A¸Ó¤õ§@¥Î¤U¬Û¹ï˶ò¤§À³¤O¡]Á{¬ÉÀ³¤O¡^¡A¬Ûµ¥©ó¤j¬ù¦b´¶³q·Å«×¿ûµ¬©}ªAÀ³¤O©Î³W©w«D¤ñ¨Ò¦ùªøÀ³¤O0.2%¤§58%¡]1/1.15/1.5¡^¡C
¦b¼Ùºc¥ó¡A¤@¯ë±`¥Î¿ûµ¬¤§Á{¬ÉÀ³¤O©Ò¬ÛÀ³¤O¤§Á{¬É·Å«×¤j¬ù¬°500 oC¡A¨£¹Ï¤G¤Q¤G§@ÃÒ©ú¡C¦¹»Ú¡A¦b¹wÀ³¤O¥Î¿ûµ¬®É¡AÁ{¬É·Å«×¤j¬ù¬°350 oC¡]¨£¹Ï¤G¤Q¤T¡^¡A·í±Ä¥Îªí®É»Ýn§@¬ÛÀ³¤§§ï¥¿¡A¦]¬°ªí¤¤§¡¥H500 oC¬°°Ñ¦ÒÈ¡C
·íºc¥ó¦³¶W¹L²Å¦X¦w¥þ©Ò»Ý¤§³Ì¤p°tµ¬®É¡A¡]©ÎYMRd > MSd¡^¿ûµ¬Á{¬ÉÀ³¤O§C©ó58%¡A¥ç¥i§@¦P¼ËÀ³¥Î¡C¸ÓÁ{¬ÉÀ³¤O¥i¥Ñ³Ì¤p°tµ¬°²³]¤U©Ò±o¤§Á{¬ÉÀ³¤O¼¤W MSd/ MRd¡A¨äÃö«Y¥ç¥i¤j·§¥H³Ì¤p°tµ¬±¿n¤Î¹ê»Ú©Ò¬I¤§°tµ¬±¿n¤§¤ñ¨Ò¥N´À¡A¤Wz¤§¦ôp«Y¦³¨¬°÷ºë·Ç¤§·§ºâ¡C¬ÛÀ³pºâ©Ò±o¤§Á{¬ÉÀ³¤O¤§Á{¬É·Å«×±N°ª¥X500oC¡A¨äÈ¥i±q¹Ï¤G¤Q¤GÀò±o¡C

¹Ï¤G¤Q¤G¡GÀH·Å«×T´¶³qµ¬©}ªA±j«×©Î³W©w«D¤ñ¨Ò¦ùªøÀ³¤O 0.2% Fsyk¤§ÅܤÆ

¹Ï¤G¤Q¤T¡GÀH·Å«×T¹wÀ³¤O¥Î¿ûµ¬·¥±j«×fpuk¤§ÅܤÆ
¬W¤ÎùÙºc¥ó¸û¬°½ÆÂø¡A¦]¤õ§@¥Î¥i¯à¥O²V¾®¤g¤§¦³®Ä±¿n¤j¶q´î¤p¤Î®À¦±²{¶H´c¤Æ¡C©Ò±o¸ê®Æ¥i¤¹³\²¤Æ¦a¹ïºc¥ó§@³B²z¡A¦P¼Ë¦b¬ÛÃö¤§°Ñ¦Òªí¤W¨úÁ{¬É·Å«×¬°500 oC¡C
¤G¡BÀ³¥Î¨îªí¤§¤@¯ë±¡ªp
¤Uªí¾A¥Î©ó²Å¦X²V¾®¤g³W©w¤§±`¥Î²V¾®¤g¡C©Ò¦³¹Ï¤§¤Ø¤o¥H¤½¤Àªí¥Ü¡C
·íºc¥ó±Ä¥Î´¶³q¿ûµ¬¤Î³]¦³«ö´¶³q·Å«×¤U²Å¦X¦w¥þ©Ò»Ý¤§³Ì§C°tµ¬®É¡A©Ò«ü¤§¿ûµ¬¤§Á{¬É·Å«×¬°500 oC¡A¤Uªí¥iª½±µ¨Ï¥Î¡C·í±Ä¥Î¨ä¥¦¿ûµ¬©Î¸û°ª°tµ¬²v®É¡An¶i¦æ½Õ¾ã¡A´«¤J¨ä¥¦Á{¬É·Å«×È¡C¼Ùºc¥ó°t¦³¹wÀ³¤O¿ûµ¬©Î°ª©ó³Ì§C°tµ¬®É¡A¨äÁ{¬É·Å«×¥i«ö¥ý«e¤@¸`©Òz¤§§Î¦¡¨Ó§@¦ôp¡C¹ï¬Wºc¥ó¡A¤@¯ë¤W°ÝÃD¤£¦b¿ûµ¬ºØÃþ¡A¦Ó·í¶W¥X³Ì§C°tµ¬²v®É±a¥X¦³§Q®ÄªG¡A¦b³B²z¸ÓÃþºc¥ó¤§Â²¤Æ¤èªk¤W¤£§@¦Ò¼{¡A¦Ó¬ÛÀ³¤§ªí¥i¤£§@×¥¿¦ÓÀ³¥Î©ó©Ò¦³±¡ªp¤W¡C
·íÁ{¬É·Å«×¦³§O©ó500 oC®É¡Aªí¤¤a¤ÎbÈÀ³«ö¥H¤U¤è¦¡§@½Õ¾ã¡G
- ¡EÁ{¬É·Å«×°§C¨C50 oC®É¡A¶ZÂ÷ªø«×aÀ³¼W¥[0.5cm¡A¦Ó·í·Å«×¤É°ª¨C50 oC®É¡A¸Óªø«×«h¥H¬Û¦P´T«×´îµu¡F
 - ¡E·íÁ{¬É·Å«×§C©ó400 oC®É¡AbÈÀ³«ö¬Û¹ï¸Ó¬É¤§¨C50 oC°§C¦Ó¼Wªø4cm¡C
 
ªí¤¤©Ò¥ÜaÈ«Y¥Ñ¨C¤@¦³Ãö¤§¿ûµ¬ºI±±¿n¤Î¨ä¶b»Pºc¥ó¨ü¿N±¤§¶ZÂ÷©Ò¨î©w¡G
| a = | £U i  | 
			Asi ai | 
| £U i  | 
			Asi | 
¦¹³BAsi«üi¿ûµ¬¤§±¿n¦Óai«h«ü¨ä¶b»P¦U¨ü¿N±¤§³Ìµu¶ZÂ÷¡A©Î«üai'»Pai''¸û¤p¤§¶ZÂ÷¡]¹Ï¤G¤Q¥|¡^¡C

¹Ï¤G¤Q¥| ºc¥óa¶ZÂ÷¤§¨î©w
pºâ a, b¼ÆÈ«Y¥i¦Ò¼{³Ì¥~¦s¦b¤§µ´¼ö¼h¡AY¸Ó¼h¯à¦b¨ü¿N®É«O«ù¥»¨¤§¥\®Ä¡C¤U±¦C¥X¤§¨t¼Æ¡A¦b¼¤W¥~¼h«p«×®É¡A¥iÅܦ¨¬Ûµ¥¤§²V¾®¤g¼h«p«×¡G
| ¡E¤ôªd¡B¥Û¦Ç¡B¤Î¬â¼ß........................................ | 0.6 | 
| ¡E¥Û»I½è¡]¦Çªd¡^ ............................................... | 1.5 | 
| ¡E»´°©§÷¥Û»I½è¦Ç¼ß............................................ | 2.0 | 
¸Óµ¥¥~¼h«p«×¤£À³¶W¹L 2.5cm¡A¤Î·í»Ý¦³°ª§Ü¤õ¯à¤O®É¡AÀ³±Ä¥Î¿ûºô¥H¼W¥[¨ä©T©w¡C¦b¥ô¦ó±¡ªp¥çÀ³¦P®Éº¡¨¬¥»³W³¹²Ä¤C¤Q¥|±ø¦³Ãö¿ûµ¬«OÅ@¼h¤§n¨D¡C
À£À³¤OÀ³¨î¦]¤õ§@¥Î¦Ó¾ÉP²V¾®¤g鸨¤§¦MÀI¡C¬°¦¹¡A¹ï©ó¬ÛÀ³¤õ§@¥Î°¸µM²Õ¦X¤U¨üÀ£°Ï¼e«×bo»P³Ì¤jÀ£À³¤O σcmax¤§Ãö«Y¡A¦b¤£pºâ¤õ§@¥Î©Ò²£¥Í¤§À³¤O¤U¡AÀ³º¡¨¬¤U±n¨D¡G
σcmax ≤3 (b0 - 8)
¦¹³Bbo¥Hcmªí¥Ü¡A σcmax ¥HMPaªí¥Ü¡C
¤T¡B¼Ù
¥»¸`©Ò§e¤§ªí¾A¥Î©ó¤T±¨ü¿N¤§¼Ù¡A¤¹³\¼Ù¤§¤W±¥Ñ¸ô±¼h«OÅ@¡C¦b¼Ù¥þ³¡¥|±¨ü¤õ¿N®É¡AÀ³§@¯S§O±¡ªp³B²z¡C
ªí¤º¦Ò¼{Ã䱤§¶ZÂ÷¼ÙºI±¼e«×b¤Îbw¦b¹Ï¤G¤Q¤¤¤«ü¥Ü¡A¦Óast«ü³Ì¥~¿ûµ¬¶b¤ß»P¼Ù¸¡¡C

¹Ï¤G¤Q¤¡@¼Ù¤§°Ñ¦Ò¤Ø¤o
¦b¶W¥Xªí¤¤©Ò«ü¥Ü¤§±¡ªp®É¡A·ín¨D¦³°ª©ó CRF 90 ¯Å§O¤§§Ü¤õ¯à¤O¡A¦Ó¥~¥[°ÅÀ³¤O³]pȤj©óVRd1À³±Ä¥Î¤£¤p©ó¥|ªÏ¤§ãTµ¬¡A¦¹³BVRd1¥Î¥»³W³¹²Ä¥|¤Q¤C±ø¤èªkpºâ¡Ab«ü¼Ù¸¡¼e«×¡]I§Î¼Ù®É¥Îbw¡^¦Ód«h«ü¼Ù¦³®Ä°ª«×¡C
I§Î¼ÙÀ³¥t¥~¦Ò¼{¥H¤U±¡ªp¡G
¡E©Ò¦³±¡ªpn¿í·Ó¥H¤UÃö«Y¡G
d1 + 0.5 d2 ≥bmin
bmin«üªí¤º³Ì¤p¤§bÈ¡F
¡E·í b > 1.4 bw®É¡Aªí¤º©Ò¥Ü¤§aÈÀ³¥Î¥H¤U¥N´À¡G

¡E·í b > 3.5 bw ®É¡A¦³Ãö¼Ù¤§ªí§Y¤£¯à±Ä¥Î¡A¤Î¼Ù©³³¡À³¦Ò¼{¬°©Ô±ì¡]¨£¥»ªþ¥ó²Ä¤C¸`¡^¡C
¡E·íºI±¤¤bw < b/2®ÉÀ³©ñ¸m««ª½ãTµ¬¤§°Å¤Oµ¬¡A¸Ó°tµ¬²v£lw¤p©ó0.25¡A¦Ó¡G
| £lw = | 
			 
				Asw 
			 | 
			x 100 | 
| bw | 
¦¹³B Asw «üãTµ¬¦UªÏ¤§Á`±¿n¡A¦Ó s «h©çãTµ¬¶¡¶Z¡C¬°¨¾¤î²V¾®¤g鸨¡AãTµ¬³Ì¥~ªÏ¥Ñ¿ûµ¬¶b¤ß»P¼Ù¸¡Ã䤧¶¡¤§¶ZÂ÷¤£¯à¤j©ó0.2bw¡C
¤T¡D¤@¡B²¤ä¼Ù
ªí¤Q¤KÅã¥Ün¿í¦u¤§³W«h¥H«OÃÒ²¤ä¼Ù¦b¤õ§@¥Î¤U¤§¦w¥þ¡A·í¤¤¦Ò¼{¤£¦P¤§§Ü¤õ¯à¤O¯Å§OCRF¡C
¤T¡D¤G¡B³sÄò¼Ù
©³³¡¨ü¤õ§@¥Î¤§³sÄò¼Ù³¡¤À¡A¸ó¤¤©Î¤ä©Ó²£¥Í¥Ñ¸Ó§@¥Î¤Þ°_¤§tÅs¯x¡C
ªí¤Q¤K¡@²¤ä¼Ù
| §Ü¤õ¯à¤O¯Å§O | bw ³Ì¤pÈ(cm) | b ³Ì¤pȤΨä¬Û¹ï¤§ a³Ì¤pÈ (cm) | ±q b ȩұo¤§ a ³Ì¤pÈ (cm) | ||||
| CRF60 | 10 | b a  | 
			12 4.0  | 
			b a  | 
			16 3.5  | 
			20 3.0  | 
			≥30 2.5  | 
		
| CRF90 | 10 | b a  | 
			1.5 5.5  | 
			b a  | 
			20 4.5  | 
			24 4.0  | 
			≥40 3.5  | 
		
| CRF120 | 12 | b a  | 
			20 6.5  | 
			b a  | 
			24 5.5  | 
			30 5.0  | 
			≥50 4.5  | 
		
| CRF180 | 14 | b a  | 
			24 8.0  | 
			b a  | 
			30 7.0  | 
			40 6.5  | 
			≥60 6.0  | 
		
| CRF240 | 16 | b a  | 
			28 9.0  | 
			b a  | 
			35 8.0  | 
			50 7.5  | 
			≥70 7.0  | 
		
ª`·N¡G·í°tµ¬©ñ¸m¦b³æ¼h®É¡AÀ³¦Ò¼{ast ≥ a + 1.0¡A·íbȤ֩ó20¡A30¡A40¡A50¡A60¤Î70¡A¨C¤@¼ÆÈ¤À§O¬Û¹ï¨C¤@¯Å§O CRF 60¡A90¡A120¡A180¤Î240¡F¨ä¥L±¡ªpast ≥ a¡C
¸Óµ²ªG¥O¦b¸ó¤¤¥¿Ås¯x°tµ¬¤§À³¤O´î§C¡A¦]¦Ó¤¹³\¸Ó°tµ¬¤ä«ù§ó°ª¤§·Å«×¡A³Ì²×¨Ï«OÅ@¼h¥i¯à±Ä¥Î¸û¤p¤§«p«×¡Cªí¤Q¤E©Ò«Ø¥ß¤§È¡A·í»Pªí¤Q¤K¤ñ¸û®É¡AÃÒ©ú¤F¸Ó¨Æ¹ê¡C
¦³ÃötÅs¯x°tµ¬¡A¦p«ez¡AÁöµM¦³©Ò¼W¥[¡A¦ý¦b¨ü¤õ¿N®É¥~¥[Ås¯x³]pÈ¡]«ü¥Ñ¤õ§@¥Î¤Î²ü¸ü¾ÉP¤§Á`Ås¯x©M¡A¤À¶µ¦w¥þ¨t¼Æ γf = 1.0¡^¤@¯ë«Y¤p©ó¦b´¶³q·Å«×¤U¦w¥þ½T©w©Ò¦Ò¼{¤§¬Û¹ï¥~¥[Ås¯x³]pÈ¡A¦¹³B γf = 1.5¡F¦]¦¹¡AY°tµ¬¨ü¤p¶q·Å«×´£¤É¦Ó¤£¼vÅT¨ä©è§Ü±j«×®É¡A¤£À³¹ï¸ÓºI±¶i¦æ¥[©T¡C¦ýÀ³¨¾¤î¦b¨ü°ª·Å®É²V¾®¤g¨üÀ£°Ï¥X²{¤Ó°ª¤§À³¤O¡A³Ì²×³y¦¨¨ä¥~¼h§Ü¤O°§C¡C
¦¹»Ú¡A¦b¼Ù¨ütÅs¯x¼W¥[¤§³¡¤À¡A»Ýn±N¨ä¦b´¶³q·Å«×®É©Ò³]p¤§°tµ¬«ö¥H¤U³W«h©µªø¡G
- ¡EÀ³±N¤£¤p©ó20%¤§¤ä©Ó°tµ¬©µªø¦Ü¾ã¸ó¡F
 - ¡E¤ä©Ó°tµ¬©µ¦ùªø«×¬°0.15¸óªø¡A¦Ò¼{¨â¾F¸ó¸û¤j¤§ªø«×¡F¸Ó©µªøÀ³¥Ñ¦b´¶³q·Å«×¤U©Ò¦Ò¼{¤§°tµ¬³Ì²×ºÝ¶}©lpºâ¡C
 
¥t¤@¤è±¡A·íªø®É¶¡¨ü¤õ¿N®É¡A±µ³s¤º¤ä©Ó¤§³sÄò¼Ù¥i¯à¥X²{°ªÅs¯x¤Î°Å¤OÈ¡AbÈÀ³º¡¨¬¤U¦C±ø¥ó¡G
| CRF 120 | b ≥22 cm | 
| CRF 180 | b ≥40 cm | 
| CRF 240 | b ≥60 cm | 
¨Ï¥Î¸Óµ¥³W«h«Y¯S§O«n¡A¨Ò¦p·í¨â¸ó¤§³sÄò¼ÙÃÒ¹ê¦P®É¦³¤U¦C±¡§Î¡G
- ¡E¼Ù¨âºÝ¤ä©Ó«Y¦Û¥Ñ±ÛÂà¡F
 - ¡E¥~¥[³]p°Å¤OȤj©óVRd1¡F
 - ¡E·í¼Ù©è§Ü±j«×°ò¥»¥Ñ¶°¤¤²ü¸ü±¡ªp¤U©Ò³]©w®É¡A¦Ó MSd/VSd¤§Ãö«Y«Y2.5»P3¤§¶¡¡AMSd¤ÎVSd¤À§O«ü¥~¥[Ås¶Z¤O¤Î°Å¤O³]p¡A¦Ód«h«üºI±¤§¦³®Ä°ª«×¡C
 
¥¿¦p¤Wz¡Aªí¤Q¤E¹ï°ª·Å¦Ó²£¥Í¤§¤º¤O«¤À§G¤w§@¦Ò¼{¡C¦]¦¹¡A·í¦b´¶³q·Å«×±Ä¥Î¹wÀ³¤O¿ûµ¬©Î¶W³]p°tµ¬¡A¥»¨¤§§ï¥¿À³«ö¥»ªþ¥ó²Ä¤GÂI¤§¤@¯ë³W«h¶i¦æ¡A¦Ó¤£¦Ò¼{¥ô¦ó¤ºÀ³¤O«¤À§G¤§ªþ¥[®ÄÀ³¡C
ªí¤Q¤E¡@³sÄò¼Ù
| §Ü¤õ¯à¤O¯Å§O | bw ³Ì¤pÈ (cm)  | 
			b ³Ì¤pȤΨä¬Û¹ï¤§ a³Ì¤pÈ (cm)  | 
			±q b ©Ò±o¤§ a ³Ì¤pÈ (cm)  | 
		||
| CRF 60 | 10 | b a  | 
			12 2.5  | 
			b a  | 
			≥20 1.5  | 
		
| CRF 90 | 10 | b a  | 
			15 3.5  | 
			b a  | 
			≥25 2.5  | 
		
| CRF 120 | 12 | b a  | 
			20 4.5  | 
			b a  | 
			≥30 3.5  | 
		
| CRF 180 | 14 | b a  | 
			24 5.0  | 
			b a  | 
			- | 
| CRF 240 | 16 | b a  | 
			28 6.0  | 
			b a  | 
			- | 
ª`·N¡Gn±Ä¥Îªí¤Q¤K«ü¥Üast¤§±ø¥ó¡C
I ¼Ù¤§³Ì¤p¼Ù¸¡¼e«×¡A±q¤º¤ä©Ó¤@Ãä¦Ü¥t¤@Ã䤧¤@Â_¬Ûµ¥¨â¿¼Ù°ª¤§½d³ò¤º¡A¤£¯à¤p©ó¬ÛÀ³¤§³Ì¤pbÈ¡C
¤T¡D¤T¡B¥þ³¡¥|±¨ü¿N¤§¼Ù
¥|±¨ü¿N¤§¼Ù¡AY«ö·Ó¤U¦C¤§³]¸m®É¡A±o±Ä¥Î¥ý«e©Ò§e¦Uªí¤§³W«h¡G
- ¡E¼Ù°ªÀ³¤£¤p©ó¬Û¹ï§Ü¤õ¯à¤O¯Å§O©Ò»Ý¨D¤§bmin¡F
 - ¡E¼Ù¾îºI±±¿nÀ³¤£¤p©ó2b2 min¡F
 - ¡EµL½×¦bºc¥ó¤§¥ô¦ó¤@±¡A©Ò¦³Áa¦V°tµ¬À³±Ä¥Î a Ȥ§¶ZÂ÷¡F
 - ¡EI§Î¼Ù¤§¼ÙÁl±±Ä¥Î¼ÙÁl©³©Ò«ü¥Ü¤§¬Û¦P³W«h¡C
 
¥|¡BªO
³q±`ªO¤§¥\¥Î°£´£¨Ñ¤ä©Ó¥\¯à¥~¡A¥ç¦³¹jÂ÷¥\¯à¡A¦Ó¼Ù«h¥u¶È¦³²Ä¤@¶µ¤§¥\¯à¡C
Ãö©ó¤ä©Ó¥\¯à¡A«Y¥Ñ°tµ¬¤§«OÅ@¨Ó¤ä°t¡A¸Ó«OÅ@«hµø¥G¨ä«OÅ@¼h¡C¹jÂ÷¥\¯à¡A¯S§O«Y«ü¨äµ´¼ö©Ê¯à¡A°ò¥»¤W»PªO«p«×©Î³Ì¥~¥[µ´¼ö¼h¦³Ãö¡A¦b¹J¤W·Å«×´£¤É®ÉÀ³«O«ù¨ä¥\®Ä¡C
°Ñ·Ó§Ü¤õ¯à¤O¯Å§O CRF¡A·í¤¤¥]¬A¤F¤ä©Ó¤Î¹jÂ÷¨âÃþ©Ò«ü¤§n¨D¡A¥H¤U´X¸`§e¹F¤§¸ê®Æ«YÃö¥G¹ê¤ßªO¡A®æ¤lªO¡]ªÅ¤ß¡B¦Ø¡A©Î¤Þ¤J¼ÒªOæÇ¡^¤Î¥ªO¡C
ª`·Nªí¤º³W©w¤§ a Ȭ°Ãþ¦ü¼Ùºc¥ó¤¤©Ò´£¤Î¡A·í¦Ò¼{ªOÂù¦V¥\¯à±¡ªp®É¡A¨äȸû§C¡C
ªí¤G¤Q¡@¹ê¤ßªO
| §Ü¤õ¯à¤O¯Å§O | ³Ì¤p«p«×hÈ (cm) | ³Ì¤p¤§ a È (cm) | |||
| ²¤ä©ÓªO | ³sÄòªO | ||||
| ³æ¦V°tµ¬ | Âù¦V°tµ¬ | ||||
| ly / lx ≤ 1.5 | ly / lx = 2.0 | ||||
| CRF 60 | 8 | 2.5 | 1.0 | 2.5 | 1.0 | 
| CRF 90 | 10 | 3.5 | 1.5 | 3.5 | 1.5 | 
| CRF 120 | 12 | 4.5 | 2.0 | 4.5 | 2.0 | 
| CRF 180 | 15 | 6.0 | 3.0 | 6.0 | 3.0 | 
| CRF 240 | 18 | 7.0 | 4.0 | 7.0 | 4.0 | 
ª`·N¡Gh«YªO«p«×¥[¤W¸ô±©Î«Î³»«OÅ@¼h¤§¬Ûµ¥²V¾®¤g«p«×¡]¨£¥»³¹²Ä¤G¸`¤§³Ì«á³¡¤À¡^¡F
lx¤Îly«YªO¸ó«×¡]ly > lx¡^¡F
¦b1.5 < ly / lx < 2.0¤§¶¡¡AaÈ¥i¥H½u©Ê±Àºâ¡F
³sÄò³æ¦VªOÀ³±Ä¥Î³sÄò¼Ù¤¤tÅs¶Zµ¬©Òij©w¤§³W«h¡C
¥|¡D¤@¡B¹ê¤ßªO
ªí¤G¤Q©Ò¸ü¬°½T«O¹ê¤ßªO¹J¤õ§@¥Î®É¨ä¦w¥þ©Ò¿í¦u¤§³W«h¡A°Ñ·Ó¤ä©Ó¥\¯à¨t¼Æ¬°a¡A¦Ó¹jÂ÷¥\¯à¨t¼Æ«h¬°h¡C
¥|¡D¤G¡BªÅ¤ßªO
ªÅ¤ßªO¥i§@¹ê¤ßªO³B²z¡A¦ÓªO«pȲV¾®¤g¥ÑAc/mÃö«Y¦¡©Ò±o¤§È¥N´À¡A¦¹³BAc«ü¬Û¹ï¹Ï¤G¤Q¤»¼e«×m¤º¤§²V¾®¤g±¿n¡C

¹Ï¤G¤Q¤»¡@ªÅ¤ßªO
·í¦s¦b«Ü¼e¤§ªÅ¬}®É¡AªÅ¬}¤W¤Î¤U¤§²V¾®¤g«p«×À³¤£¤p©ó5cm¡C
¥|¡D¤T¡B¦ØªO
±q§Ü¤õ¯à¤O¨¤«×¤W¡A¦ØªOÀ³²Å¦Xªí¤G¤Q¤@©Ò«ü¥Ü¤§±ø¥ó¡A·í¤¤¦Ø¶ZÂ÷¤£¤j©ó1.50 m¤Î·í³æ¤@¦Ø¯}Ãa®É¨Ã¤£¾ÉP¾ã¶ôªO˶ò¡C¦pªG¥ô¦ó©Ò«ü¤§±ø¥ó¥¼¯à³Q½T©w®É¡A¸Ó¦ØªOÀ³§@¼Ù¤Î¹ê¤ß¼ÙÁlªO³B²z¡C
¥|¡D¥|¡B¤Þ¤J¼ÒªO¶ôªO
¤Þ¤J¼ÒªO¶ôªOÀ³§@¦ØªO³B²z¡C¦ýYªOùر³]¦³¨¬°÷«OÅ@¼h¤Î¦Ø¶ZÂ÷¡]©Î¤Þ¤J¤p¼Ù¤§¶¡¤§¶ZÂ÷¡^¤£¶W¥X0.60 m¡A¸ÓªO¥i§@ªÅ¤ßªO¦Ò¼{¡C
·í¤ôªd¡B¥Û¦Ç¤Î¬â¼ß¥~¼h¤£¤p©ó1.5 cm©Î¥Û»I½è¥~¼h¤£¤p©ó 1.0 cm®É¡A¸Ó«OÅ@¼h¥iµø§@¨¬°÷¡C
¥|¡D¤¡B¥ªO
¥ªOÀ³²Å¦X¥H¤W¦U¸`©Òz¤§±ø¥ó¡A¦b¤ä©Ó¤W¹ê¤ß½d³ò«p«×°£¥~¡C
¸Ó«p«×¡A«ö²Ä¤E¤Q¤T±ø¡A¥ô¦ó®É¶¡À³¤£¤p©ó15cm¡A¦Ó·í¦b¨S¦³¬W«a¤§¬W¤Î¨ä§Ü¤õ¯à¤O¯Å§O¬Ûµ¥©Î¤j©ó CRF60 ®É¡AÀ³³Ì¤p¼W¥[¦Ü20cm¡C
ªí¤G¤Q¤@¡@¦ØªO
| §Ü¤õ¯à¤O¯Å§O | ªOÁl³Ì¤p«p«× h È (cm)  | 
			¬Û¹ï³Ì¤p¤§aȤ§¤p b È (cm) | |||
| ²¤ä©ÓªO | ³sÄòªO | ||||
| CRF 60 | 8 | b a  | 
			9 3.0  | 
			b a  | 
			8 2.5  | 
		
| CRF 90 | 10 | b a  | 
			11 4.0  | 
			b a  | 
			9 3.0  | 
		
| CRF 120 | 12 | b a  | 
			13 5.5  | 
			b a  | 
			11 4.5  | 
		
| CRF 180 | 14 | b a  | 
			15 6.5  | 
			b a  | 
			13 5.5  | 
		
| CRF 240 | 15 | b a  | 
			18 7.5  | 
			b a  | 
			15 6.5  | 
		
ª`·N¡Gh«YªOÁl«p«×¥[¤W¸ô±©Î«Î³»«OÅ@¼h¤§¬Ûµ¥²V¾®¤g«p«×¡]¨£¥»³¹²Ä¤G¸`¤§³Ì«á³¡¤À¡^¡C
¤¡B¬W
¿ûµ¬²V¾®¤g¬W¦b¤õ§@¥Î¤U¤§ªí²{«Y·¥¨ü±µÄ²±¡ªp©Ò¼vÅT¡A¦]¬°§ó®e©ö¥X²{®À¦±²{¶H¡A¥ç¦]±qµ²ÂI¤W¼Ùºc¥ó¿±µÈ©Ò¾ÉP¥X²{¬WºÝ¾î¦V¦ì²¾¡AY¬W¤§è«×«Ü°ª®É¡A¥i¯à²£¥Í°Å¤O¯}Ãa¡C
¤@¯ë©Ê¦a³B²z¸Ó°ÝÃD«Y«Ü½ÆÂø¡A¦]¦¹¥u¥i¯à«Ø¥ß²³æ¤§³W«h¡A¦ý«o¨î¤F¨ä¨Ï¥Î½d³ò¡C©Ò¥H¡Aªí¤G¤Q¤G©Ò¥]¬A¤§«ü¤Þ¥u¾A¥Î©ó´¶³q²Å¦X¥H¤U±ø¥ó¤§¯x§ÎºI±¬W¡G
- ¡E²Óªø«×À³¥Hl/bÃö«Y¦¡§@¬É¡A¨äȤ£¤j©ó25 ¡Al«ü¬W°ª¦Ób«üª½ºI±¤§µuÃäªø¡F
 - ¡E¬W¨âºÝÀ³»PÃҹ꦳¤@©w©T©w¤§¼Ù©Î¨ä¥¦ºc¥óµ²³s¡F
 - ¡E¬W¨âºÝ¦]¼Ù¹J¼ö¿±µÈ¤§¬Û¹ï¦ì²¾À³¤£¯à¤Ó¤j¡]¸Ó±¡ªp±o§Q¥Î¤@¨¬°÷ºI¤õ¹jÂ÷©Î±Ä¥Î¦ùÁYÁ_¡^¡F
 - ¡EÁa¦Vµ¬À³³Q¨¬°÷¦aãTºò¡C
 
ªí¤G¤Q¤G¡@¬W
| §Ü¤õ¯à¤O¯Å§O | ¥þ³¡¥|±¨ü¿N¤§¬W | ³æ¤@±¨ü¿N¤§¬W | ||||
| ¬Û¹ï³Ì¤p a Ȥ§³Ì¤p b È (cm)  | 
			«ö b ȩұo¤§³Ì¤p a È (cm)  | 
			¬Û¹ï³Ì¤p a Ȥ§³Ì¤p b È (cm)  | 
		||||
| CRF 60 | b a  | 
			20 3.0  | 
			b a  | 
			≥24 2.5  | 
			b a  | 
			12 2.5  | 
		
| CRF 90 | b a  | 
			24 4.5  | 
			b a  | 
			≥30 3.5  | 
			b a  | 
			14 3.5  | 
		
| CRF 120 | b a  | 
			30 5.5  | 
			b a  | 
			≥40 4.5  | 
			b a  | 
			16 4.5  | 
		
| CRF 180 | b a  | 
			40 7.0  | 
			b a  | 
			≥50 6.0  | 
			b a  | 
			20 6.0  | 
		
| CRF 240 | b a  | 
			45 8.0  | 
			b a  | 
			- | b a  | 
			24 7.0  | 
		
ª`·N¡G·í¬W¥þ³¡±¨ü¿N®É¡Ab«ü¨ä¾îºI±¤§µuÃä¡F·í¬W³æ±¨ü¿N®É¡Ab«h«ü¨ü¿N±¤§¼e«×¡C
¤»¡BùÙ
¤»¡D¤@¡B«D¨ü¤OùÙ
¥»¸`©Ò³B²z¤§Àð«Y«ü°ò¥»¤W¥Î§@¹jÂ÷¥\¯à¤§¹ê¤ßùÙ¡]°tµ¬©Î¨S°tµ¬¡^¡AÁöµM¥ç¥i¯à»P¨ä¥¦©è§Üºc¥ó¤@°_¹B§@¡C
¸ÓÃþùÙ¤§§Ü¤õ¯à¤On¨D²²¤¬°¨ä¥\¯à¤§³W©w¡]¤õµK±K«Ê©Ê¤Îµ´¼ö©Ê¡^¡A¥Dn¥i¥H¨ä«p«×¨Óº¡¨¬n¨D¡Cªí¤G¤Q¤T©Ò¸ü¬°«ö§Ü¤õ¯à¤O¯Å§O©Ò»Ý¤§³Ì¤p«p«×¡C
ªí¤G¤Q¤T¡@«D¨ü¤OùÙ
| §Ü¤õ¯à¤O¯Å§O | ùÙ«p | 
| CRF 60 | 8 | 
| CRF 90 | 10 | 
| CRF 120 | 12 | 
| CRF 180 | 15 | 
| CRF 240 | 18 | 
¤»¡D¤G¡Bµ²ºcÀð
¦b©Ò¦³±¡ªp¤U¡Aµ²ºcùÙ¦b¨ü¿N®Én½T«Oéw©Ê¡A¦P®É¦³¹jÂ÷¥\¯à©Ò¬ÛÀ³¤§¤õµK±K«Ê©Ê¤Îµ´¼ö©Ê¡C
ªí¤G¤Q¥|©Ò¥Ü¤§³W©w¾A¥Î©ó¿í·Ó¥H¤U±ø¥ó¤§ùÙ¡G
- ¡EùÙ°ª¤ÎùÙ«p¤§Ãö«Y¤£¤j©ó25¡F
 - ¡E¦b¥ô¦óºI±¤WÅs¯x¤Î¶b¤ß¤O¤§Ãö«Y¤£¯à¤j©ó1/6ùÙ«p¡C
 
ªí¤G¤Q¥|¡@µ²ºcùÙ
| §Ü¤õ¯à¤O¯Å§O | «öùٳ̤jÀ³¤O £m cmax ©Ò±o¤§³Ì¤p e È¡]ùÙ«p¡^¤Î¬Û¹ï¤§³Ì¤p a È | |||
| £m cmax < 0.15 fck | 0.15 fck ≤ £m cmax < 0.30 fck | |||
| CRF 60 | e a  | 
			12 1.5  | 
			e a  | 
			14 2.5  | 
		
| CRF 90 | e a  | 
			14 2.5  | 
			e a  | 
			17 3.5  | 
		
| CRF 120 | e a  | 
			16 3.5  | 
			e a  | 
			22 4.5  | 
		
| CRF 180 | e a  | 
			20 5.5  | 
			e a  | 
			30 6.5  | 
		
| CRF 240 | e a  | 
			24 7.5  | 
			e a  | 
			40 8.5  | 
		
¤C¡B©Ô±ì
n½T©w¥Dn¨ü©Ôºc¥ó¤§§Ü¤õ¯à¤O¡A¨ä¾îºI±¤Ø¤o¤Î°tµ¬«OÅ@¼h«p«×À³¿í¦uªí¤G¤Q¤©Ò¥Ü¤§±ø¥ó¡A¸Óªí«Y¬Û¹ï¥þ³¡±¨ü¿N¤§±¡ªp¡C
ªí¤G¤Q¤¡@©Ô±ì
| §Ü¤õ¯à¤O¯Å§O | ¬Û¹ï³Ì¤p a Ȥ§³Ì¤p b È (cm) | «ö b ȩұo¤§³Ì¤p a È(cm) | ||
| CRF 60 | b a  | 
			12 5.0  | 
			b a  | 
			≥30 3.5  | 
		
| CRF 90 | b a  | 
			15 6.5  | 
			b a  | 
			≥40 4.5  | 
		
| CRF 120 | b a  | 
			20 7.5  | 
			b a  | 
			≥50 5.5  | 
		
| CRF 180 | b a  | 
			24 9.0  | 
			b a  | 
			≥60 7.0  | 
		
| CRF 240 | b a  | 
			28 10.0  | 
			b a  | 
			≥70 8.0  | 
		
ª`·N¡GbÈ«ü©Ô±ì¾îºI±¤§µuÃä
·í¦Ò¼{¥Î°ª·Å¦Ó¾ÉP©Ô±ìÅܧήɡA¸Ó¼Wªø¥i¯à¥Oµ²ºc¥\¯à¨ü·l¡AÀ³¦Ò¼{¿ûµ¬¼u©Ê¼Ò¶q¤Î¼ö¿±º¦¨t¼ÆÀH·Å«×¤§ÅܤơC
ªþ¥ó¤T¡@¹wÀ³¤O
¤@¡B³Ì¤j¤§ì©l¹wÀ³¤OÈ
³Ì¤j¤§ì©l¹wÀ³¤OÈ Po¡¦¡A¥H¬Û¹ï¤§¿ûµ¬À³¤Oªí¥Ü®É¡AÀ³¤£¤j©ó0.75¼¥H¼Ð·Ç±j«× fpuk¡A¥ç¤£¤j©ó0.85¼¥H³W©w«D¤ñ¨Ò¦ùªøÀ³¤O0.1%¤§¼Ð·ÇÈfp 0.1k¡A©Î
σPo¡¦ ≤ 0.75 fpuk
σPo¡¦ ≤ 0.85 fp 0.1k
¤G¡Bªu¿ûµ¬¼¯À¿¤O©Ò²£¥Í¤§Àþ®É·l¥¢
¦b«á±iªk²V¾®¤gºc¥ó¤W¬I¥[¹wÀ³¤O®É¡Aªu¿ûµ¬¼¯À¿¤O©Ò²£¥Í¤§À³¤O·l¥¢ Δσpo,fr (x)¡A¥i±Ä¥Î¤U¦C¤½¦¡pºâ¡G
Δσpo,fr(x) = £mpo¡¦(1 - e-µ(£] + kx))
¦¹³B¡G
x ±q¬I¥[¹wÀ³¤O¿ûµ¬¤@ºÝ°_pºâ¤§ºI±¶ZÂ÷¡F·í¹wÀ³¤O±q¨âºÝ¬I¥[®É¡Ax ¶ZÂ÷¥Ñ¹wÀ³¤O¸û¤j¤§¤@ºÝ¤§ºI ±°_pºâ¡F
σPo¡¦ ì©l¹wÀ³¤OPo¡¦¤§©ÔÀ³¤O¡]¥¿È¡^¡F
μ¹wÀ³¤O¿ûµ¬»P®MºÞ¤§¼¯À¿¨t¼Æ¡F
β¦b¶ZÂ÷x¹wÀ³¤O¿ûµ¬¦±½u¨¤°¾¦ìÁ`©M¤§µ´¹ïÈ¡]¥H©·«×pºâ¡^¡F
k ¨C³æ¦ìªø«×¤§«D¯S·N¨¤°¾¦ì¡C
μ¤ÎkȰò¥»¤Wµø¥Gªí±±µÄ²¤§¯S¼x¤Î©Ò¹J¤W¤§±¡ªp¡]¨Ò¦p¨Ï¥Î¼í·Æ³]¬I¡^¡A©T¦¹À³¨C¤@Ãþ¤§¿ûµ¬¤Î®MºÞ©Ò¥Î¤§È«Y¥Ñ¹êÅçµ²ªG¨M©w¡C
³q±`¥ý±iªk²V¾®¤gºc¥ó¤£¥Î¦Ò¼{¼¯À¿·l¥¢¡CÕY·í¬I¥[À³¤O³]³Æ¤§¶¡¤§¿ûµ¬¨Ã«D¦Û¥Ñ¹B§@¡A¦Ó«Y¨ü¥ô¦ó§Î¦¡§ô¿£®É¡A¦b¦Ò¼{¸Ó±¡ªp¡A¨äÀ³¤O·l¥¢¶·¸g¥Ñ¹êÅç¦Ó¨M©w¡C
·íµL¥ô¦ó¹êÅçµ²ªG¨Ó¤ä«ùk¤Îμ値®É¡Ak±o±Ä¥Î¨C³æ¦ìªø«× 0.01/¨C¦Ì¦Óμ«h¥i±Ä¥Î¤U¦C¼ÆÈ¡G
| ¹w®I¤£³]«OÅ@¼hºÞ¿ûµ¬ | μ= 0.50 | 
| ¹w®I¿ûºÞ¥Ñ¿ûµ·©Î¿ûµ±½u²Õ¦¨¤§§ôµ¬ | μ= 0.30 | 
| ¹w®I¿ûºÞ¤§¿W¥ß¿ûµ·©Î¿ûµ±½u | μ= 0.25 | 
¸Óµ¥£gȰ²³]¤£¥Î¼í·Æ³]¬I¤Î·í¥Î¥¼µ¬®É¡A©Ò¦³½u©Îµ·À³¦P®É¨ü©Ô¡F±Ä¥Î¼í·Æ³]¬I®É¡A¤¹³\¦Ò¼{¸û§C¤§È¡A¦ÓY§ôµ¬¤§µ·©Îµ±½u¨Ã«D¦P®É¨ü©Ô®É¡AÀ³¨ú¥Î§ó°ª¤§È¡Ckȵø¥G®MºÞ¤§°¾²¾¡A¦]¦¹»P®MºÞ¤§è«×¤Î¨ä©ñ¦ì¤§§¹µ½©Ê¦³Ãö¡C
³Ì«áª`·N·íμ(β+ kx) < 0.20¡A²Ä¤G¡D¤@¸`©Ò§e¤§¤½¦¡¥i¥Î¥H¤U¥N´À¡G
Δσpo,fr(x) = £mpo¡¦ [µ(ß+kx)]
¤T¡B¦]²V¾®¤gÅܧΦӲ£¥Í¤§Àþ®É·l¥¢
¥ý±iªk²V¾®¤gºc¥ó¦]²V¾®¤gÅܧΦӲ£¥Í¤§À³¤O·l¥¢Δσpo,e (x)±o¥H¤U¦C¤½¦¡pºâ¡G
| Δσpo,e (x) = - | 
			 
				Ep 
			 | 
			£mc (x) | 
| Ec,j | 
¦¹³B¡G
Ep ¹wÀ³¤O¿ûµ¬¤§¼u©Ê¼Ò¶q¡F
Ec,j ¨ü¬I¥[§@¥Î¡]¹wÀ³¤O©Î¨ä¥L¥Ã¤[§@¥Î¡^¤U²V¾®¤g¦b¸ÓÄÖ´Á¤§¼u©Ê¼Ò¶q¡F
σc (x) ¥Ñ¬I¥[¹wÀ³¤O¤Î¨ä¥L¥~¥[¥Ã¤[§@¥Î©Ò²£¥Í¦bºI±x¤§²V¾®¤gÀ£À³¤O¡]tÈ¡^¡Apºâ¦ì¸m¬°¹wÀ³¤Oµ¬¤§¤O¾Ç¤¤¤ß¡C
«á±iªk²V¾®¤g©Ò¦Ò¼{¤§¸ÓÃþ·l¥¢«Y²z·|¨ì¨C¤@¿ûµ¬¦b¬I¥[¹wÀ³¤O¤§®ÄÀ³Å|¥[¦b¾Fªñè¨ü¹w©Ô¤§¿ûµ¬©Ò¤Þ°_¤§®ÄÀ³¡C
¤@²¤Æ¤è¦¡¤Î·í¿ûµ¬«Y¬Û¦P¤Î¦ì©ó¬Û¹ï¦a¤¬¬Û±µªñ®É¡A¥»±ø©Ò«ü¤§·l¥¢±o¥H¤@¼vÅT¨C¤@¿ûµ¬¤§¥§¡·l¥¢§@¦ôºâ¦p¤U¡G
| Δσpo,e (x) = | - | 
			 
				1  
			 | 
			
			 
				n - 1 
			 | 
			
			 
				Ep 
			 | 
			£mc (x) | 
| 2 | n | Ec,j | 
n «ü¹wÀ³¤O¿ûµ¬¼Æ¥Ø¦Óσc (x)«h«üÁ`¹wÀ³¤O¡C
¥|¡BÁã©T³]¬I¤§Àþ®É·l¥¢
¦]¿ûµ¬Áã©T³]¬I·Æ°Ê¤Î¨äÅܧΩΦ첾©Ò¾ÉP¤§À³¤O·l¥¢À³¾A·í¦a¹ï¦³Ãö¤§¹wÀ³¤O¨t²Î¥H¹êÅçµ²ªG§@¦Ò¼{¡C
¥ý±iªkºc¥ó¤W©Ò¦Ò¼{¤§¸ÓÃþ·l¥¢«Y¥Ñ¿ûµ¬¹ï¨ä¦b¥Í²£Âi¤WÁã©T¤§·Æ°Ê©Ò±o¡C
ª`·N¦b«á±iªkºc¥ó¤W¸ÓÀ³¤O·l¥¢¦b¿ûµ¬ºÝ«Y³Ì¤j¡A¦]¼¯À¿¤O¦Ó¦bºc¥ó¤º´î¤Ö¡A¥i¥H±qºÝ³¡°_¤§¤@¬q¶ZÂ÷«á¸Ó·l¥¢®ø°£¡C
¤¡B¨ä¥L¹wÀ³¤OÀþ®É·l¥Ú
°£«e´X±ø©Ò´£¤Î¤§·l¥¢¥~¡A¥çÀ³¦Ò¼{¦]¯S§O¬I¤u¤èªk®É©Ò¤Þµo¤§Àþ®É·l¥¢¤§¥i¯à©Ê¡C
¯S§O¦b¥ý±iªkºc¥ó¤W¡AÀ³¦Ò¼{Àþ®É·l¥¢¬°¿ûµ¬©ñÃP«e¥»¨©Ô¤O¤§ÃP¦¢©Ò¾ÉP¤§À³¤O·l¥¢¡A¨ä®ÄÀ³¥Î¦b±q©ñÃP«á§Y®É²V¾®¤g¤§¾®©Tª¬ºA¤W¡C
¤»¡B°_©l¹wÀ³¤O
σpo (x)¦bºI±x¤W¹wÀ³¤Oµ¬¤§À³¤O«Y±qì©l¹wÀ³¤OσPo¡¦´î¥h²Ä¤G¦Ü²Ä¤ÂI©Ò«ü¤§¦UºØÀþ®É·l¥¢¤§Á`©M£UΔσpo,i (x)¡C¦]¦¹¡G
£mpo (x) = £mpo¡¦ - £UΔσpo,i (x)
¤C¡B²V¾®¤g¦¬ÁY»PįÅܤοûµ¬ÃP¦¢©Ò¤Þµo¤§©µ®É·l¥¢
²V¾®¤g¦¬ÁY»PįÅܤοûµ¬ÃP¦¢©Ò¤Þµo¤§À³¤O·l¥¢Δσpt,s+c+r (x)¡AÀ³±q¨äÀH®É¶¡¤§¶i¤Æ²{¶H¤Î¦Ò¼{¨ì¥»¨¤¬¬Û§@¥Î¤§¨¬°÷¤èªk¨Ó¨M©w¡C
³q±`¤Î·í¹wÀ³¤O¿ûµ¬¤§¶¡¶ZÂ÷«Üªñ¦Ó¥B¥i¥Î³æ¤@¿ûµ¬§@¼ÒÀÀ®É¡A©Òz¤§·l¥¢¥i¥Î¥H¤U¤½¦¡ªí¥Ü¤§¨¬°÷ªñ¦üȤèªk¡G
| Δσpt,s+c+r (x) = | 
			 | 
			
			 
εcs(t, t0)Ep + a £pc (t, t0) [£mc,g (x) + £mc,po (x)] - Δσp,t-to,r (x) 
			 | 
		|||||||
| ¡@ | ¡@ | 1 - £\ | 
			 
				£mc,po (x) 
			 | 
			[ | 1 + | 
			 
				£pc (t, t0) 
			 | 
			] | ¡@ | |
| ¡@ | ¡@ | £mpo (x) | 2 | ||||||
¦¹³B¡G
| t0 | ²V¾®¤g¦b¬I¥[¹wÀ³¤O®É¤§ÄÖ´Á¡F | 
| t | ²V¾®¤g¦bpºâ·l¥¢®É¤§ÄÖ´Á¡F | 
| εcs(t, t0) | ¥Ñt0¦Üt¤§¶¡²V¾®¤g¦Û¥Ñ¦¬ÁY©Ò²£¥Í¤§À³ÅÜ¡]ÁYµu¬°tÈ¡^¡F | 
| Ep | ¹wÀ³¤O¿ûµ¬¤§¼u©Ê¼Ò¶q¡F | 
| α | ¿ûµ¬»P²V¾®¤g¤§¦P½è©Ê¨t¼Æ¡A²V¾®¤g¼u©Ê¼Ò¶qÈ«ö²Ä¤T¤Q±ø¨ú¥Î¡F | 
| φc(t, t0) | tÄÖ´Á¤§Ä¯Åܨt¼Æ¡A¬Û¹ï¦bt0ÄÖ´Á®É¬I¥[À³¤O¡F | 
| σc,g (x), σc,po (x) | ¤À§O«ü¦bºI±x¹wÀ³¤O¿ûµ¬¤ô¥¦ì¸m¤W¦]¥Ã¤[§@¥Î¡]¤£¥]¬A¹wÀ³¤O¡^¤Î°_©l¹wÀ³¤O©Ò²£¥Í¤§²V¾®¤gÀ³¤O¡]¨üÀ£¬°t¡^¡F | 
| σpo (x) | ¦]°_©l¹wÀ³¤O¦bºI±x©Ò²£¥Í¦b¹wÀ³¤O¿ûµ¬¤W¤§À³¤O¡]¥¿È¡^¡F | 
| Δσp,t-to,r (x) | ºI±x¹wÀ³¤O¿ûµ¬±qt0¦Üt¦]ÃP¦¢©Ò¤Þ°_¤§À³¤O·l¥¢¡A¥Ñ¤@°_©lÀ³¤O¡A¥i«ö¥H¤Upºâ¡G | 
σp (x)=σpo+g(x) - 0.3 Δσpt,s+c+r (x)
σpo+g(x) «üt0ÄÖ´Á®É°_©l¹wÀ³¤O¤Î¨ä¥L¥Ã¤[§@¥Î©Ò²£¥Í¦b¿ûµ¬¤W¤§À³¤O¡C
²V¾®¤g¤§Ä¯ÅܤΦ¬ÁYÀ³¿í·Ó²Ä¤T¤Q¤@±ø©Ò¥Ü¡F¦³Ãö¿ûµ¬ÃP¦¢¤§©wÈ«hÀ³«ö²Ä¥|¤Q¤@±ø¶i¦æ¡C
¦b¥»±ø³B²z¹wÀ³¤O·l¥¢©wÈ¥i¥Ñ¦U°Ñ·Ó¦]¼Æ¦P®É¤¶¤J¤§§@¥Î²£¥Í¡A¦]¦¹¦³¤¬¨Ì¤§®ÄÀ³¡C°ÝÃD¤§¸Ñ¨M¥»¨«Y¬Û·í½ÆÂø¡A¼vÅT²{¶H¤§¦hӰѼÆn·Ç½T©wȳq±`«Y¤Q¤À§xÃø¡A´¶³q²Mªp¥i±µ¯Ç¹ï°ÝÃD¨ú¥Î¥»±ø©Ò«ü¥Ü¤§ªñ¦üȸѵª¡C
¦P®Én´£¤Î°£°_©l¹wÀ³¤O¥~¡A¸g±`¥u·P¿³½ì¹ï³Ì²×¹wÀ³¤O§@¤F¸Ñ¡A¬°¦¹¬é»Ýpºâ¦bµL®É¶¡¤U¤§©µ®É·l¥¢¡A¥i¥Î¤U¦C¤w³Q±µ¯Ç¤§ªñ¦üȤèªk¨Ópºâ¡G
| Δσp¡Û,s+c+r (x) = Δσp¡Û,s+c (x) + Δσp¡Û,r (x) | [ | 1 - | 
			 
				2 Δσp¡Û,s+c (x) 
			 | 
			] | 
| £mpo (x) | 
¦¹³B¡G
Δσp¡Û,s+c (x) = - εcs (t¡Û, t0)Ep - £\£pc (t¡Û, t0) [£mc,g (x) + £mc,p¡Û (x)]
¤K¡B³Ì²×¹wÀ³¤O
ºI±x¹wÀ³¤O¿ûµ¬¥Ñ³Ì²×¹wÀ³¤Oσp∞ (x)©Ò²£¥Í¤§À³¤O¥Ñ°_©l¹wÀ³¤O σpo (x)¦©°£«ö²Ä¤CÂIpºâµL®É¶¡¤U¤§©µ®É·l¥¢¡A¦]¦¹¡G
σp∞ (x) = σpo (x) - Δσp∞,s+c+r (x)
¤E¡B²V¾®¤g¤W¤§¹wÀ³¤O¶Ç°e
¹wÀ³¤O¦b²V¾®¤g¤Þ°_¤§À³¤O¥u¥i¥H±q¸Ó¿ûµ¬ºÝ«á¤§¤@¬q¶ZÂ÷¶}©l³]©w¬°½u©Ê§G©óºc¥ó¾îºI±¤W¡A¸Ó¶ZÂ÷¡]½Õ¾ã¶ZÂ÷¡^«ö¥H¤U´XÂI³W©w¡C
¥Î«á±iªkºc¥ó¡A©Ò«ü¤§À³¤O½Õ¾ã¶ZÂ÷¥i±q¹wÀ³¤O¤§¤¹³\ÂX´²½d³ò¨Ó¨M©w¡A¥ÑÁã©T¾¹¶}©l¡A¦Vºc¥ó¤º¥H¤@ tg β= 2/3 ¤§ ⨤ÂX´²¶}¥h¡]¹Ï¤G¤Q¤C¡^¡A·í¥Ñ¼Ù¸¡ÂX¦Ü¼ÙÁl¤§¤¤¶¡¥±®É¡A¥i¤¹³\¥H§¹¥þ¬Û¦P¤§¤è¦¡ªu¸Ó¥±¦AÂX´²¡C

¹Ï¤G¤Q¤C¡G«á±iªkºc¥óÀ³¤O¤§×¥¿
¥Î¥ý±iªkºc¥ó¡A½Õ¾ã¶ZÂ÷ lp À³±q¥H¤U¤½¦¡Àò¨ú¡G

¦¹³B¡G
lbp ¹wÀ³¤O¿ûµ¬¤§Áã©Tªø«×¡F
a ¹wÀ³¤O¿ûµ¬«¤ß»P³Ì»·¤§·¥ºÝÅÖºû¤§¶ZÂ÷¡C







